| Скачать .docx |
Курсовая работа: Расчет и проектирование одноступенчатого зубчатого редуктора
Министерство образования Республики Беларусь
Минский государственный машиностроительный колледж
Расчетно-пояснительная записка
к курсовому проекту по «Технической механике»
Тема: Расчет и проектирование одноступенчатого зубчатого редуктора
Разработал:
учащийся гр.1-Дк
Зеньков Д.И.
Минск 2005
Перечень документов
Расчетно-пояснительная записка
Сборочный чертеж одноступенчатого цилиндрического редуктора
Спецификация
Чертеж вала тихоходного
Чертеж колеса зубчатого
Содержание
1 Краткое описание работы привода 2 Кинематический расчет привода 2.1 Определение требуемой мощности и выбор двигателя 2.2 Определение частоты вращения и угловой скорости каждого вала 2.3 Определение мощностей и вращающих моментов на каждом валу 3 Расчет закрытой зубчатой косозубой передачи 3.1 Исходные данные 3.2 Расчет параметров зубчатой передачи 4 Расчет тихоходного вала привода 4.1 Исходные данные 4.2 Выбор материала вала 4.3 Определение диаметров вала 4.4 Эскизная компоновка вала 4.5 Расчет ведомого вала на изгиб с кручением 5 Расчет быстроходного вала привода 5.1 Исходные данные 5.2 Выбор материала вала 5.3 Определение диаметров вала 5.4 Определение возможности изготовления вала-шестерни 5.5 Эскизная компоновка вала 5.6 Расчет ведомого вала на изгиб с кручением 6 Подбор подшипников быстроходного вала 7 Подбор подшипников тихоходного вала 8 Подбор и проверочный расчет шпонок быстроходного вала 9 Подбор и проверочный расчет шпонок тихоходного вала 10 Выбор сорта масла 11 Сборка редуктора Список использованной литературы |
1 Краткое описание работы привода
Тяговым органом заданного привода является цепной конвейер В цепных передачах (рис.1, а) вращение от одного вала к другому передается за счет зацепления промежуточной гибкой связи (цепи) с ведущим / и ведомым 2 звеньями (звездочками).

Рис.1 Схема цепной передачи
В связи с отсутствием проскальзывания в цепных передачах обеспечивается постоянство среднего передаточного числа. Наличие гибкой связи допускает значительные межосевые расстояния между звездочками. Одной цепью можно передавать движение одновременно на несколько звездочек (рис.1, б). По сравнению с ременными цепные передачи имеют при прочих равных условиях меньшие габариты, более высокий КПД и меньшие нагрузки на валы, так как отсутствует необходимость в большом предварительном натяжении тягового органа.
Недостатки цепных передач: значительный износ шарниров цепи, вызывающий ее удлинение и нарушение правильности зацепления; неравномерность движения цепи из-за геометрических особенностей ее зацепления с зубьями звездочек, в
результате чего появляются дополнительные динамические нагрузки в передаче; более высокие требования к точности монтажа передачи по сравнению с ременными передачами; значительный шум при работе передачи.
Цепные передачи предназначаются для мощности обычно не более 100 кВт и могут работать как при малых, так и при больших скоростях (до 30 м/с). Передаточные числа обычно не превышают 7.
Применяемые в машиностроении цепи по назначению подразделяются на приводные, передающие энергию от ведущего вала к ведомому; тяговые, применяемые в качестве тягового органа в конвейерах; грузовые, используемые в грузоподъемных машинах. Из всех типов природных цепей наибольшее распространение имеют роликовые с числом рядов от 1 до 4, втулочные , одно- и двухрядные, и зубчатые.
Кинематическая схема привода цепного конвейера приведена на рис.2.
Вращение привода передается от электродвигателя 1 ведущим звездочкам цепного конвейера 8 посредством клиноременной передачи 2, муфт 3 и 5, косозубого одноступенчатого редуктора 4, цепной передачи 6 и зубчатой открытой прямозубой передачи 7. При этом на кинематической схеме римскими цифрами обозначены тихоходные (I, III, VI) и быстроходные (II, IV, V) валы соответствующих передач.

Рис.2 Кинематическая схема привода цепного конвейера.
2 Кинематический расчет привода
2.1 Определение требуемой мощности и выбор двигателя
Исходные данные:
- тяговое усилие цепи Ft =13кН
- скорость цепи V=0,35 м/с
- шаг тяговой цепи Рt =220мм
- число зубьев ведущих звездочек z=7
- срок службы привода – 4 года в две смены.
Определяем мощность на тихоходном валу привода по формуле (1.1) [1,с.4]
РVI = Ft · V (2.1)
где РVI - мощность на тихоходном валу:
РVI =13·0,25=3,25кВт.
Определяем общий КПД привода по формуле (1.2) [1,с.4]
По схеме привода
(2.2)
где[1, с.5, табл.1.1]:
- КПД ременной передачи;
- КПД зубчатой закрытой передачи;
- КПД цепной передачи;
- КПД зубчатой открытой передачи;
- КПД одной пары подшипников качения;
- КПД муфты.
Сделав подстановку в формулу (1.2) получим:
![]()
![]()
Определяем мощность, необходимую на входе[1,с.4]
(2.3)
где Ртр – требуемая мощность двигателя:

![]()
Определяем частоту вращения и угловую скорость тихоходного вала
(2.4)
об/мин
(2.5)
![]()
Выбираем электродвигатель [1,с.390,табл. П1,П2]
Пробуем двигатель 4А112М4:
Рдв. =5,5кВт;
nс =1500об/мин;
S=3,7%
dдв. =32мм.
Определяем асинхронную частоту вращения электродвигателя по формуле (1.3) [1,c.6]:
na =nc ·(1-S); (2.6)
na =1500·(1-0,037);
na =1444,5 об/мин
Определяем общее передаточное число привода
; (2.7)
![]()
Производим разбивку прердаточного числа по ступеням. По схеме привода
Uобщ. =Uр.п. · Uз.з. · Uц.п. · Uз.о. ; (2.8)
Назначаем по рекомендации [1,c.7,c36]:
Uр.п. =3;
Uц.п. =3;
Uз.о. =4; тогда
Uз.з. = Uобщ. /( Uр.п. · Uц.п. · Uз.о. );
Uз.з. =2,94, что входит в рекомендуемые пределы
Принимаем Uз.з. =3.
Тогда ![]()
Находим:
(2.9)
;
Допускается ∆U=±3%
Принимаем окончательно электродвигатель марки 4А112М4
2.2 Определение частоты вращения и угловой скорости каждого вала
По формуле (2.5) определяем угловую скорость вала двигателя
;
;
nдв. =1444,5 об/мин.
По схеме привода (рис.1) определяем частоты вращения и угловые скорости каждого вала
;
;
;
;
;
;
;
;
; ![]()
;
;
; ![]()
; ![]()
; ![]()
;
;
; ![]()
; ![]()
что близко к полученному в п.2.1.
2.3 Определение мощностей и вращающих моментов на каждом валу
Определяем мощность на каждом валу по схеме привода
![]()
;
;
;
;
![]()
![]()
;
;
;
;
;
;
;
;
;
;
;
;
что близко к определенному ранее в п.2.1.
Определяем вращающие моменты на каждом валу привода по формуле
(Нм) (2.10)
;
;
Нм;
;
;
Нм;
;
;
Нм;
;
;
Нм;
;
;
Нм;
;
;
Нм;
;
;
Нм.
Проверка:
(2.11)
;
Нм
Все рассчитанные параметры сводим в табл.1.
Таблица 1
Параметры кинематического расчета
| № вала | n, об/мин | ω, рад/с | Р, кВт | Т, Нм | U |
| Дв. | 1444,5 | 151,27 | 4,15 | 27,43 | 3 |
| I | 481,5 | 50,42 | 3,985 | 79,03 | |
| 1 | |||||
| II | 481,5 | 50,42 | 3,866 | 76,67 | |
| 3 | |||||
| III | 160,5 | 16,8 | 3,674 | 218,69 | |
| 1 | |||||
| IV | 160,5 | 16,8 | 3,565 | 212,2 | |
| 3 | |||||
| V | 53,5 | 5,6 | 3,353 | 598,75 | |
| 4 | |||||
| VI | 13,375 | 1,4 | 3,187 | 2276,4 |
3 Расчет закрытой косозубой передачи
3.1 Исходные данные
Мощность на валу шестерни и колеса Р2 =3,866 кВт
Р3 =3,684 кВт
Вращающий момент на шестерне и колесе Т2 =76,67 Нм
Т3 =218,69 Нм
Передаточное число U=3
Частота вращения шестерни и колеса n2 =481,5 об/мин
n3 =160,5 об/мин
Угловая скорость вращения шестерни и колеса ω2 =50,42 рад/с
ω3 =16.8 рад/с
Передача нереверсивная.
Расположение колес относительно опор симметричное.
3.2 Расчет параметров зубчатой передачи
Выбираем материал для шестерни и колеса по табл.3.3 [1,c.34]:
шестерня – сталь 40Х, термообработка – улучшение 270НВ,
колесо - сталь 40Х, термообработка – улучшение 250НВ.
Определяем допускаемое контактное напряжение по формуле (3.9) [1,c.33]:
(3.1)
где σHlimb – предел контактной выносливости при базовом числе циклов;
КHL – коэффициент долговечности;
[SH ] – коэффициент безопасности;
по [1,c.33]: КHL =1; [SH ] =1,1.
Определяем σHlimb по табл.3.2 [1,c.34]:
σHlimb =2НВ+70; (3.2)
σHlimb 1 =2×270+70; σHlimb 1 =610МПа;
σHlimb 2 =2×250+70; σHlimb 1 =570МПа.
Сделав подстановку в формулу (3.1) получим
;
МПа;
;
МПа.
Определяем допускаемое расчетное напряжение по формуле (3.10) [1,c.35]:
(3.3)
;
МПа.
Определяем межосевое расстояние передачи по формуле (3.7) [1,c.32]:
(3.4)
где Ка – числовой коэффициент;
КHβ – коэффициент, учитывающий неравномерность распределения нагрузки по ширине венца;
- коэффициент ширины;
Т2 – вращающий момент на колесе (по схеме привода Т2 =Т3 )
Выбираем коэффициенты:
Ка =43 [1,c.32];
КHβ =1,1 [1,c.32,табл.3.1];
=0,315 назначаем по ГОСТ2185-66 с учетом рекомендаций [1,c.36];
Т2 =Т3 =218,69Нм.
Подставив значения в формулу (3.4) получим:
;
мм;
Принимаем окончательно по ГОСТ2185-66 [1,c.36]
мм.
Определяем модуль [1,c.36]:
(3.5)
;
;
Принимаем по ГОСТ9563-60 модуль mn =2,0мм [1,c.36]
Определяем суммарное число зубьев по формуле (3.12) [1,c.36]:
(3.6)
Принимаем предварительно β=12º (β=8º…12º), тогда cosβ=0,978
;
;
Принимаем
зуба.
Определяем число зубьев шестерни и колеса по формулам (3.13) [1,c.37]:
;
;
;
;
;
;
.
Уточняем фактическое передаточное число
;
; ![]()
Определяем отклонение передаточного числа от номинального
![]()
;
.
Допускается ∆U=±3%
Уточняем угол наклона зубьев по формуле (3.16) [1,c.37]:
(3.7)
;
;
.
Определяем делительные диаметры шестерни и колеса по формуле (3.17) [1,c.37]:
(3.8)
;
мм;
;
мм.
Проверяем межосевое расстояние
(3.9)
;
мм.
Определяем остальные геометрические параметры шестерни и колеса
;
; ![]()
;
;
(3.10)
;
(3.11)
мм;
;
мм;
;
мм;
;
мм;
;
мм;
;
мм;
;
мм
;
мм;
;
мм;
;
мм.
Проверяем соблюдение условия (т.к. Ψba <0,4)
;
;
;
0,315>0,223
Значит, условие выполняется.
Определяем окружные скорости колес
![]()
;
м/с;
;
;
м/с;
м/с.
Назначаем точность изготовления зубчатых колес – 8В [1,c.32].
Определяем фактическое контактное напряжение по формуле (3.6) [1,c.31]
(3.12)
где КН – коэффициент нагрузки:
КН =КНά × КНβ × КН u ;
КНά – коэффициент, учитывающий неравномерность распределения нагрузки между зубьями;
КНβ - коэффициент, учитывающий неравномерность распределения нагрузки по ширине;
КН u - коэффициент, учитывающий динамическую нагрузку в зацеплении.
Уточняем коэффициент нагрузки
КНά =1,09; [1,c.39, табл.3.4]
КН u =1; [1,c.40, табл.3.6]
;
;
,
тогда КНβ =1,2; [1,c.39, табл.3.7]
КН =1,09×1,2×1; КН =1,308.
Сделав подстановку в формулу (3.12) получим
;
МПа.
Определяем ∆σН
;
;
недогрузки,
что допускается.
Определяем силы в зацеплении
- окружная
; (3.13)
;
Н;
- радиальная
; (3.14)
;
Н;
- осевую
; (3.15)
;
Н.
Практика показывает, что у зубчатых колес с НВ<350 выносливость на изгиб обеспечивается с большим запасом, поэтому проверочный расчет на выносливость при изгибе не выполняем.
Все вычисленные параметры заносим в табл.2.
Таблица 2
Параметры закрытой зубчатой передачи
| Параметр | Шестерня | Колесо |
| mn ,мм | 2 | |
| βº | 10º16’ | |
| ha ,мм | 2 | |
| ht ,мм | 2,5 | |
| h,мм | 4,5 | |
| с, мм | 0,5 | |
| d,мм | 63 | 187 |
| dа ,мм | 67 | 191 |
| df ,мм | 58 | 182 |
| b, мм | 44 | 40 |
| аW ,мм | 125 | |
| v, м/с | 1,59 | 1,58 |
| Ft , Н | 2431 | |
| Fr , Н | 899,3 | |
| Fа , Н | 163,7 | |
4 Расчет тихоходного вала редуктора
4.1 Исходные данные
Исходные данные выбираем из табл.1 и табл.2 с округлением до целых чисел:
Н;
Н;
Н.
;
Н;
Т3 =219Н;
d=187мм;
b=40мм.
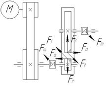
По кинематическое схеме привода составляем схему усилий, действующих на валы редуктора. Для этого мысленно расцепим шестерню и колесо редуктора. По закону равенства действия и противодействия :
Fa1 = Fa2 = Fa ;
Ft1 = Ft2 = Ft ;
Fr 1 = Fr 2 = Fr .
Схема усилий приведена на рис.3.

Рис.3 Схема усилий, действующих на валы редуктора
4.2 Выбор материала вала
Назначаем материал вала. Принимаем сталь 45 с пределом прочности σв = 700МПа
[1,c.34, табл.3.3].
Определяем пределы выносливости материала вала присимметричном цикле изгиба и кручения
[1,c.162]
[1,c.164]
;
МПа;
;
.
4.3 Определение диаметров вала
Определяем диаметр выходного конца вала под полумуфтой израсчёта на чистое кручение
(4.1)
где [τк ]=(20…40)Мпа [1,c.161]
Принимаем [τк ]=30Мпа.
;
мм.
Согласовываем dв с диаметром муфты упругой втулочной пальцевой МУВП, для этого определяем расчетный момент, передаваемый муфтой
Тр3 =Т3 ×К (4.2)
где К – коэффициент, учитывающий условия эксплуатации привода.
К=1,3…1,5 [1,c.272, табл.11.3]
Принимаем К=1,5
Подставляя в формулу (4.2) находим:
Тр3 =219×1,5;
Тр3 =328,5Нм.
Необходимо соблюдать условие
Тр3 <[T] (4.3)
где [Т] – допускаемый момент, передаваемый муфтой.
В нашем случае необходимо принять [Т] 500Ни [1,c.277, табл.11.5]
Тогда принимаем окончательно
dм2 =40мм;
lм2 =82мм. (Длина полумуфты) Тип 1, исполнение 2.
Проверяем возможность соединения валов стандартной муфтой
;
;
мм.
Так как
соединение валов стандартной муфтой возможно.
Принимаем окончательно с учетом стандартного ряда размеров Rа 40:
мм.
Намечаем приближенную конструкцию ведомого вала редуктора (рис.4), увеличивая диаметр ступеней вала на 5…6мм, под уплотнение допускается на 2…4мм и под буртик на 10мм.

Рис.4 Приближенная конструкция ведомого вала
мм;
мм – диаметр под уплотнение;
мм – диаметр под подшипник;
мм – диаметр под колесо.
4.4 Эскизная компоновка ведомого вала
Назначаем предварительно подшипники шариковые радиальные однорядные средней серии по
мм подшипник №308, у которого Dп
=90мм; Вп
=23мм [1,c.394, табл.П3].
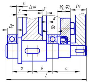
Выполняем эскизную компоновку вала редуктора. Необходимо определить длину вала L и расстояния от середины подшипников до точек приложения нагрузок a, b и с (рис.5).

Рис.5 Эскизная компоновка ведомого вала
е=(8…12)мм – расстояние от торца подшипника до внутренней стенки корпуса редуктора;
К=(10-15)мм – расстояние от внутренней стенки корпуса до торца зубчатого колеса.
Принимаем
lст =b+10мм – длина ступицы колеса:
lст =40+10=50мм;
(30…50)мм - расстояние от торца подшипника до торца полумуфты.
Принимаем 40мм.
Определяем размеры а, b, с и L.
а=b=Вп/2+е+К+lст/2;
а=b=23/2+10+11+50/2;
а=b=57,5мм
Принимаем а=b=58мм.
с= Вп/2+40+lм/2;
с=23/2+40+82/2;
с=93,5мм
Принимаем с=94мм.
L=Вп/2+a+b+c+ lм/2;
L=23/2+58+58+94+82/2;
L=262,5мм;
Принимаем L=280мм.
4.5 Расчет ведомого вала на изгиб с кручением.
Заменяем вал балкой на опорах в местах подшипников.
Рассматриваем вертикальную плоскость (ось у)
Изгибающий момент от осевой силы Fа будет:
mа =[Fa×d/2]:
mа =164·187×10-3 /2;
mа =30,7Н×м.
Определяем реакции в подшипниках в вертикальной плоскости.
1åmАу =0
-RBy ·(a+b)+Fr ·a- mа =0
RBy =(Fr ·а- mа )/ (a+b);
RBy = (899·0,058-30,7)/ 0,116;
RBy ==184,8Н
Принимаем RBy =185Н
2åmВу =0
RА y ·(a+b)-Fr ·b- mа =0
RА y ==(Fr ·b+ mа )/ (a+b);
RА y =(899·0,058+30,7)/ 0,116;
RА y =714,15Н
Принимаем RА y =714Н
Проверка:
åFКу =0
RА y - Fr + RBy =714-899+185=0
Назначаем характерные точки 1,2,2’,3 и 4 и определяем в них изгибающие моменты:
М1у =0;
М2у = RА y ·а;
М2у =714·0,058;
М2у =41,4Нм;
М2’у = М2у - mа (слева);
М2’у =41,4-30,7;
М2’у =10,7Нм;
М3у =0;
М4у =0;
Строим эпюру изгибающих моментов Му , Нм (рис.6)
Рассматриваем горизонтальную плоскость (ось х)
1åmАх =0;
Рис.6 Эпюры изгибающих и крутящих моментов ведомого вала.
FМ ·(a+b+с)-RВх ·(a+b)- Ft ·a=0;
972·(0,058+0,058+0,094)-RВх ·(0,058+0,058)-2431·0,058=0;
RВх =(204.12-141)/0,116;
RВх =544,13Н
RВх »544Н
2åmВх =0;
-RАх ·(a+b)+Ft ·b+Fм ·с= 0;
RАх =(2431×0,058+972×0,094)/0,116;
RАх =2003,15Н
RАх »2003Н
Проверка
åmКх =0;
-RАх + Ft - Fм +RВх =-2003+2431-972+544=0
Назначаем характерные точки 1,2,2’,3 и 4 и определяем в них изгибающие моменты:
М1х =0;
М2х = -RАх ·а;
М2х =-2003·0,058:
М2х =-116,2Нм;
М3х =- Fм ·с;
М3х =-972·0,094;
М3х =-8,65Нм
М4х =0;
Строим эпюру изгибающих моментов Мх .
Крутящий момент
ТI-I =0;
ТII-II =T1 =Ft ·d/2;
ТII - II =2431×187×10-3 /2;
ТII - II =227,3Нм
5 Расчет быстроходного вала редуктора
5.1 Исходные данные
Исходные данные выбираем из табл.1 и табл.2 с округлением до целых чисел:
Н;
Н;
Н.
;
Н;
Т3 =212,2Н;
d=63мм;
b=44мм.
Схема усилий, действующих на валы редуктора приведена на рис.3.
5.2 Выбор материала вала
Назначаем материал вала. Принимаем сталь 45 с пределом прочности σв = 700МПа
[1,c.34, табл.3.3].
Определяем пределы выносливости материала вала присимметричном цикле изгиба и кручения
[1,c.162]
[1,c.164]
;
МПа;
;
.
5.3 Определение диаметров вала
Определяем диаметр выходного конца вала под полумуфтой израсчёта на чистое кручение по формуле (4.1):
;
мм.
Согласовываем dв с диаметром муфты упругой втулочной пальцевой МУВП, для этого определяем расчетный момент, передаваемый муфтой по формуле (4.2):
Тр3 =Т3 ×К
где К – коэффициент, учитывающий условия эксплуатации привода.
К=1,3…1,5 [1,c.272, табл.11.3]
Принимаем К=1,5
Подставляя в формулу (4.2) находим:
Тр3 =219×1,5;
Тр3 =328,5Нм.
Необходимо соблюдать условие (4.3)
Тр3 <[T]
где [Т] – допускаемый момент, передаваемый муфтой.
В нашем случае необходимо принять [Т] 500Ни [1,c.277, табл.11.5]
Тогда принимаем окончательно
dм2 =40мм;
lм2 =82мм. (Длина полумуфты) Тип 1, исполнение 2.
Проверяем возможность соединения валов стандартной муфтой
;
;
мм.
Так как
соединение валов стандартной муфтой возможно.
Принимаем окончательно с учетом стандартного ряда размеров Rа 40:
мм.
Намечаем приближенную конструкцию ведомого вала редуктора (рис.7), увеличивая диаметр ступеней вала на 5…6мм, под уплотнение допускается на 2…4мм.

Рис.7 Приближенная конструкция ведущего вала
мм;
мм – диаметр под уплотнение;
мм – диаметр под подшипник;
мм – диаметр под колесо.
5.4 Определение возможности изготовления вала-шестерни
Определяем размер х (рис.8)
(5.1)

Рис.8 Схема для определения размера х
По ГОСТ23360-78 для диаметра 45мм предварительно выбираем шпонку сечением b×h=14×9мм. Подставив в формулу (5.1) значения получим
;
мм,
так как размер получился отрицательный, значит изготовление вала и шестерни отдельно невозможно. Определяем размеры вала-шестерни (рис.9).

Рис.9 Приближенная конструкция вала-шестерни
мм;
мм – диаметр под уплотнение;
мм – диаметр под подшипник;
мм – диаметр технологического перехода;
мм – диаметр впадин зубьев;
мм – диаметр вершин зубьев;
мм – делительный диаметр.
5.5 Эскизная компоновка вала-шестерни
Назначаем предварительно подшипники шариковые радиальные однорядные средней серии по
мм подшипник №308, у которого Dп
=90мм; Вп
=23мм [1,c.394, табл.П3].
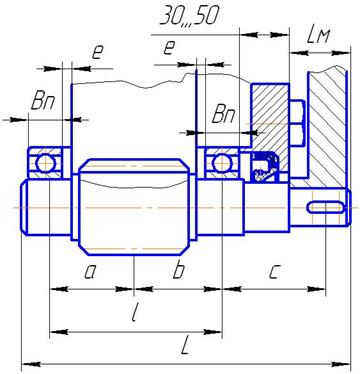
Выполняем эскизную компоновку вала редуктора. Необходимо определить длину вала L и расстояния от середины подшипников до точек приложения нагрузок a, b и с (рис.10).
l=(0,8…1)×dа – расстояние между серединами подшипников;
l=(0,8…1)×67; принимаем l=60мм;
а=b=l/2;
а=b=30мм;
(30…50)мм - расстояние от торца подшипника до торца полумуфты.
Принимаем 40мм.
с= Вп/2+40+lм/2;
с=23/2+40+82/2;
с=93,5мм
Принимаем с=94мм.
L=Вп/2+a+b+c+ lм/2;
L=23/2+30+30+94+82/2;
L=206,5мм;
Принимаем L=210мм.

Рис.10 Эскизная компоновка вала-шестерни
5.6 Расчет вала-шестерни на изгиб с кручением.
Заменяем вал балкой на опорах в местах подшипников.
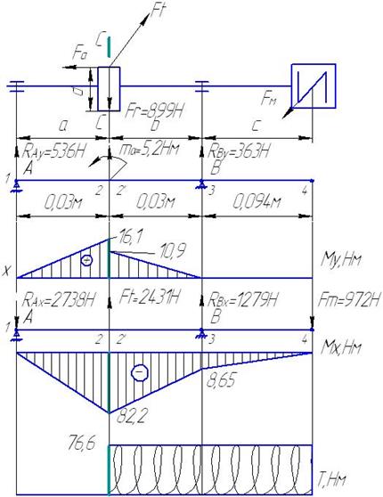
Рассматриваем вертикальную плоскость (ось у)
Изгибающий момент от осевой силы Fа будет:
mа =[Fa×d/2]:
mа =164·63×10-3 /2;
mа =5,2Н×м.
Определяем реакции в подшипниках в вертикальной плоскости.
1åmАу =0
-RBy ·(a+b)+Fr ·a- mа =0
RBy =(Fr ·а- mа )/ (a+b);
RBy = (899·0,03-5,2)/ 0,06;
RBy ==362,8Н
Принимаем RBy =363Н
2åmВу =0
RА y ·(a+b)-Fr ·b- mа =0
RА y ==(Fr ·b+ mа )/ (a+b);
RА y =(899·0,03+5,2)/ 0,06;
RА y =536,16Н
Принимаем RА y =536Н
Проверка:
åFКу =0
RА y - Fr + RBy =536-899+363=0
Назначаем характерные точки 1,2,2’,3 и 4 и определяем в них изгибающие моменты:
М1у =0;
М2у = RА y ·а;
М2у =536·0,03;
М2у =16,1Нм;
М2’у = М2у - mа (слева);
М2’у =16,1-5,2;
М2’у =10,9Нм;
М3у =0;
М4у =0;
Строим эпюру изгибающих моментов Му , Нм (рис.11)
Рассматриваем горизонтальную плоскость (ось х)
1åmАх =0;
FМ ·(a+b+с)-RВх ·(a+b)- Ft ·a=0;
972·(0,03+0,03+0,094)-RВх ·(0,03+0,03)-2431·0,03=0;
RВх =(149,7-72,9)/0,06;
RВх =1279,3Н
RВх »1279Н
2åmВх =0;
-RАх ·(a+b)+Ft ·b+Fм ·с= 0;
RАх =(2431×0,03+972×0,094)/0,06;
RАх =2738,3Н
RАх »2738Н
Проверка
åmКх =0;
-RАх + Ft - Fм +RВх =-2738+2431-972+1279=0
Назначаем характерные точки 1,2,2ё’,3 и 4 и определяем в них изгибающие моменты:
М1х =0;
М2х = -RАх ·а;
М2х =-2738·0,03:

Рис.11 Эпюры изгибающих и крутящих моментов вала-шестерни
М2х =-82,2Нм;
М3х =- Fм ·с; М3х =-972·0,094; М3х =-8,65Нм
М4х =0;
Строим эпюру изгибающих моментов Мх .
Крутящий момент
ТI - I =0;
ТII - II =T1 =Ft ·d/2; ТII - II =2431×63×10-3 /2; ТII - II =76,6Нм
6 Подбор подшипников быстроходного вала
Исходные данные
n2 =nII =481,5мин-1 ;
dп2 =40мм;
RА y =536Н;
RАх =2738Н;
RBy =363Н;
RВх =1279Н;
Н.
Определяем радиальные нагрузки, действующие на подшипники
;
;
Здесь подшипник 2 – это опора А в сторону которой действует осевая сила Fа (см. рис.11).
;
; ![]()
Назначаем тип подшипника, определив отношение осевой силы к радиальной силе того подшипника, который ее воспринимает (здесь подшипник 2)
;
;
Так как соотношение меньше 0,35, то назначаем шариковый радиальный однорядный подшипник легкой серии по dп2 =40мм [1,c.217, табл.9.22].
Подшипник № 208, у которого:
Dn 1 =80мм;
Вn 1 =18мм;
С0 =17,8кН – статическая грузоподъемность;
С=32кН – динамическая грузоподъемность. [1,c.393, табл.П3].
Определяем коэффициент осевого нагружения по отношению
.
;
;
При
е=0,19 [1,c.212, табл.9.18].
Так как меньших значений отношения
нет ориентировочно считаем е=0,15
Проверяем выполнение неравенства
;
где V – коэффициент вращения, при вращении внутреннего кольца V=1.
.
Определяем номинальную долговечность подшипников в часах
[1,c.211]; (6.1)
Fэ =V×Fr2 ×Kd ×Kτ ; [1,c.212];
где Kd - коэффициент безопасности;
Kd =1,3…1,5 [1,c.214, табл.9.19];
принимаем Kd =1,5;
Kτ – температурный коэффициент;
Kτ =1 (до 100ºС) [1,c.214, табл.9.20];
Fэ =1×2790×1,5×1; Fэ =4185Н=4,185кН.
Подставляем в формулу (6.1):
;
ч.
По условию срок службы редуктора – 4 года в две смены. Исходя из того, что в году 260 рабочих дней имеем:
Lзад =260×8×2×4; Lзад =16640ч:
Lзад >Lh .
Необходимо выбрать подшипник средней серии по dп2 =40мм [1,c.217, табл.9.22].
Подшипник № 308, у которого:
Dn 1 =90мм;
Вn 1 =23мм;
С0 =22,4кН – статическая грузоподъемность;
С=41кН – динамическая грузоподъемность.
Подставляем в формулу (6.1):
;
ч.
Сейчас условие Lзад <Lh выполняется.
7 Подбор подшипников тихоходного вала
Исходные данные
n3 =nIII =160,5мин-1 ;
dп3 =40мм;
RА y =714Н;
RАх =2003Н;
RBy =185Н;
RВх =544Н;
Н.
Определяем радиальные нагрузки, действующие на подшипники
;
;
Здесь подшипник 2 – это опора А в сторону которой действует осевая сила Fа (см. рис.6).
;
; ![]()
Назначаем тип подшипника, определив отношение осевой силы к радиальной силе того подшипника, который ее воспринимает (здесь подшипник 2)
;
;
Так как соотношение меньше 0,35, то назначаем шариковый радиальный однорядный подшипник легкой серии по dп3 =40мм [1,c.217, табл.9.22].
Подшипник № 208, у которого:
Dn 2 =80мм;
Вn 2 =18мм;
С0 =17,8кН – статическая грузоподъемность;
С=32кН – динамическая грузоподъемность. [1,c.393, табл.П3].
Определяем коэффициент осевого нагружения по отношению
.
;
;
При
е=0,19 [1,c.212, табл.9.18].
Так как меньших значений отношения
нет ориентировочно считаем е=0,15
Проверяем выполнение неравенства
;
где V – коэффициент вращения, при вращении внутреннего кольца V=1.
.
Определяем номинальную долговечность подшипников в часах
[1,c.211]; (6.1)
Fэ =V×Fr2 ×Kd ×Kτ ; [1,c.212];
где Kd - коэффициент безопасности;
Kd =1,3…1,5 [1,c.214, табл.9.19];
принимаем Kd =1,5;
Kτ – температурный коэффициент;
Kτ =1 (до 100ºС) [1,c.214, табл.9.20];
Fэ =1×2126×1,5×1; Fэ =3189Н=3,189кН.
Подставляем в формулу (6.1):
;
ч.
Условие Lзад <Lh выполняется.
8 Подбор и проверочный расчет шпонки быстроходного вала
Выбор и проверочный расчет шпоночных соединений проводим по [4].

Рис.12 Сечение вала по шпонке
Для выходного конца быстроходного вала при d=34 мм подбираем призматическую шпонку со скругленными торцами bxh=10x8 мм2 при t=5мм (рис.12).
При длине ступицы муфты lМ =82 мм выбираем длину шпонки l=70мм.
Материал шпонки – сталь 45 нормализованная. Напряжения смятия и
условия прочности определяем по формуле:
где Т – передаваемый момент, Н×мм; ТII =76,7Н
lр – рабочая длина шпонки, при скругленных концах lр =l-b,мм;
[s]см – допускаемое напряжение смятия.
С учетом того, что на выходном конце быстроходного вала устанавливается полумуфта из ст.3 ([s]см =110…190 Н/мм2 ) вычисляем:
Условие выполняется.
9 Подбор и проверочный расчет шпонок тихоходного вала
Для выходного конца тихоходного вала при d=34 мм подбираем призматическую шпонку со скругленными торцами bxh=10x8 мм2 при t=5мм. ТII =218,7Н
При длине ступицы муфты lМ =82 мм выбираем длину шпонки l=70мм.
С учетом того, что на выходном конце быстроходного вала устанавливается полумуфта из ст.3 ([s]см =110…190 Н/мм2 ) и ТIII =218,7Н вычисляем:
Условие выполняется.
Для соединения тихоходного вала со ступицей зубчатого колеса при d=45 мм подбираем призматическую шпонку со скругленными торцами bxh=14x9 мм2 при t=5,5мм. При lст =50 мм выбираем длину шпонки l=40мм.
Материал шпонки – сталь 45 нормализованная. Проверяем напряжения смятия и условия прочности с учетом материала ступицы чугуна СЧ20 ([s]см =70…100 МПа) и ТIII =218,7Н:
![]()
Условие выполняется.
Выбранные данные сведены в табл.3.
Таблица 3
Параметры шпонок и шпоночных соединений
| Параметр | Вал-шестерня - полумуфта | Вал-полумуфта | Вал-колесо |
| Ширина шпонки b,мм | 10 | 10 | 14 |
| Высота шпонки h,мм | 8 | 8 | 9 |
| Длина шпонки l,мм | 70 | 70 | 40 |
| Глубина паза на валу t,мм | 5 | 5 | 5,5 |
| Глубина паза во втулке t1 ,мм | 3,3 | 3,3 | 3,8 |
10 Выбор системы и вида смазки.
Скорость скольжения в зацеплении VS = 1.59 м/с. Контактные напряжения sН = 482,7 Н/мм2 . По таблице 10.29 из [3] выбираем масло И-Т-Д-680.
Используем картерную систему смазывания. В корпус редуктора заливаем масло так, чтобы венец зубчатого колеса был в него погружен на глубину hм (рис.12):

Рис.13 Схема определения уровня масла в редукторе
hм max £ 0.25d2 = 0.25×183 = 46мм;
hм min = 2×m = 2×2 = 4мм.
При вращении колеса масло будет увлекаться его зубьями, разбрызгиваться, попадать на внутренние стенки корпуса, откуда стекать в нижнюю его часть. Внутри корпуса образуется взвесь частиц масла в воздухе, которым покрываются поверхности расположенных внутри корпуса деталей, в том числе и подшипники.
Объем масляной ванны
V = 0.65×PII = 0.65×3,866 = 2.5 л.
Контроль уровня масла производится пробками уровня, которые ставятся попарно в зоне верхнего и нижнего уровней смазки. Для слива масла предусмотрена сливная пробка. Заливка масла в редуктор производится через съемную крышку.
И для вала-шестерни, и для зубчатого колеса выберем манжетные уплотнения по ГОСТ 8752-79. Установим их рабочей кромкой внутрь корпуса так, чтобы обеспечить к ней хороший доступ масла.
11 Сборка редуктора
Для редуктора принимаем горизонтальную конструкцию разъемного корпуса, изготовленного литьем из серого чугуна СЧ15. Устанавливаем зубчатую пару с подшипниками. Для предотвращения задевания поверхностей вращающихся колес за внутренние стенки корпуса внутренний контур стенок провести с зазором х=8…10мм [3]; такой же зазор предусмотреть между подшипниками и контуром стенок. Расстояние между дном корпуса и поверхностью колес принимаем у³4х; у³(32…40)мм
Для малонагруженных редукторов (Т2 £500Нм) определяем толщины стенок крышки и основания корпуса
![]()
;
мм, принимаем
мм.
Для крепления крышек подшипников в корпусе и крышке предусматриваем фланцы. Крышки торцовые для подшипников выбираем по табл.143 (глухие) и 144 (с отверстием для манжетного уплотнения) [2, т.2, с.255].
Для быстроходного вала:
крышка торцовая глухая типа 2 исполнения 2 диаметром D=90мм ГОСТ18511-73;
крышка торцовая с отверстием для манжетного уплотнения типа 1 исполнения 2 диаметром D=90мм ГОСТ18512-73.
Для тихоходного вала:
крышка торцовая глухая типа 2 исполнения 2 диаметром D=80мм ГОСТ18511-73;
крышка торцовая с отверстием для манжетного уплотнения типа 1 исполнения 2 диаметром D=80мм ГОСТ18512-73.
Прорисовываем корпус и крышку редуктора с учетом рекомендаций [3.с.219].
Устанавливаем верхнюю крышку на винты и закручиваем пробки.
Список использованной литературы
1. С.А. Чернавский и др. «Курсовое проектирование деталей машин» М. 1987г.
2. Анурьев В.И. Справочник конструктора-машиностроителя: В 3 т. -8-е изд. перераб. и доп. Под ред. И.Н. Жестковой. – М.: Машиностроение, 1999
3. Шейнблит А.Е. Курсовое проектирование деталей машин: Учеб. пособие. – М.: Высш. шк., 1991
4. Чернин И.М. и др. Расчеты деталей машин. – Мн.: Выш. школа, 1978