| Скачать .docx |
Курсовая работа: Проектирование привода пластинчатого конвейера
Оглавление
Задание
Введение
1. Описание назначения и устройства проектируемого привода.
2. Выбор электродвигателя и кинематический расчет.
3. Выбор материалов шестерен и колес и определение допускаемых напряжений.
4. Расчет первой ступени редуктора.
5. Расчет второй ступени редуктора.
6. Основные размеры корпуса и крышки редуктора.
7. Расчет ременной передачи.
8. Расчет тяговой звездочки.
9. Расчет быстроходного вала и расчет подшипников для него.
10. Расчет промежуточного вала и расчет подшипников для него.
11. Расчет тихоходного вала и расчет подшипников для него.
12. Расчет приводного вала и расчет подшипников для него.
13. Смазка.
14. Проверка прочности шпоночных соединений.
15. Расчет зубчатой муфты.
16. Сборка редуктора.
Список использованной литературы.
Приложение: спецификация редуктора.
Задание 8
Проект привода пластинчатого конвейера для транспортировки сырья со склада фабрики в цех.
Спроектировать привод пластинчатого конвейера для транспортировки сырья со склада фабрики в цех, состоящий из электродвигателя, клиноременной передачи, цилиндрического прямозубого редуктора, зубчатой муфты, приводного вала и приводных звездочек.

Техническая характеристика привода:
Окружная сила на звездочках F4 , кН: 40.
Окружная скорость на звездочках V4 , м/с: 0,05.
Число зубьев звездочки z: 8.
Шаг зубьев звездочки t, мм: 80.
Режим работы: легкий.
Введение
Редуктор является неотъемлемой составной частью современного оборудования. Разнообразие требований, предъявляемых к редукторам, предопределяет широкий ассортимент их типов, типоразмеров, конструктивных исполнений, передаточных отношений и схем сборки.
При выполнении проекта используются математические модели, базирующиеся на теоретических и экспериментальных исследованиях, относящихся к объемной и контактной прочности, материаловедению, теплотехнике, гидравлике, теории упругости, строительной механике. Широко используются сведения из курсов сопротивления материалов, теоретической механики, машиностроительного черчения и т. д. Все это способствует развитию самостоятельности и творческого подхода к поставленным проблемам.
При выборе типа редуктора для привода рабочего органа (устройства) необходимо учитывать множество факторов, важнейшими из которых являются: значение и характер изменения нагрузки, требуемая долговечность, надежность, КПД, масса и габаритные размеры, требования к уровню шума, стоимость изделия, эксплуатационные расходы.
Из всех видов передач зубчатые передачи имеют наименьшие габариты, массу, стоимость и потери на трение. Коэффициент потерь одной зубчатой пары при тщательном выполнении и надлежащей смазке не превышает обычно 0,01. Зубчатые передачи в сравнении с другими механическими передачами обладают большой надежностью в работе, постоянством передаточного отношения из-за отсутствия проскальзывания, возможностью применения в широком диапазоне скоростей и передаточных отношений. Эти свойства обеспечили большое распространение зубчатых передач; они применяются для мощностей, начиная от ничтожно малых (в приборах) до измеряемых десятками тысяч киловатт.
К недостаткам зубчатых передач могут быть отнесены требования высокой точности изготовления и шум при работе со значительными скоростями.
Одной из целей выполненного проекта является развитие инженерного мышления, в том числе умение использовать предшествующий опыт, моделировать используя аналоги. Для курсового проекта предпочтительны объекты, которые не только хорошо распространены и имеют большое практическое значение, но и не подвержены в обозримом будущем моральному старению.
Существуют различные типы механических передач: цилиндрические и конические, с прямыми зубьями и косозубые, гипоидные, червячные, глобоидные, одно- и многопоточные и т. д. Это рождает вопрос о выборе наиболее рационального варианта передачи. При выборе типа передачи руководствуются показателями, среди которых основными являются КПД, габаритные размеры, масса, плавность работы и вибронагруженность, технологические требования, предпочитаемое количество изделий.
При выборе типов передач, вида зацепления, механических характеристик материалов необходимо учитывать, что затраты на материалы составляют значительную часть стоимости изделия: в редукторах общего назначения - 85%, в дорожных машинах - 75%, в автомобилях - 10% и т. д.
Поиск путей снижения массы проектируемых объектов является важнейшей предпосылкой дальнейшего прогресса, необходимым условием сбережения природных ресурсов. Большая часть вырабатываемой в настоящее время энергии приходится на механические передачи, поэтому их КПД в известной степени определяет эксплуатационные расходы.
Наиболее полно требования снижения массы и габаритных размеров удовлетворяет привод с использованием электродвигателя и редуктора с внешним зацеплением.
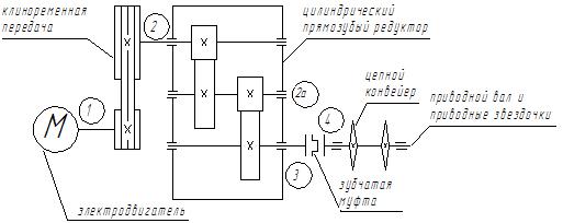
1. Описание назначения и устройства проектируемого привода
Проектируемый привод предназначен для передачи вращательного движения от электродвигателя к приводному валу пластинчатого конвейера. В состав данного привода входят:
1. Электродвигатель.
2. Клиноременная передача.
3. Цилиндрический прямозубый редуктор.
4. Зубчатая муфта.
5. Приводные звездочки.
Рассмотрим более подробно составные части привода. Вращательное движение от электродвигателя через клиноременную передачу передается на быстроходный вал редуктора. В качестве электродвигателя широкое применение получили асинхронные двигатели. В этих двигателях значительное изменение нагрузки вызывает несущественное изменение частоты вращения ротора.
Цилиндрический прямозубый редуктор передает вращательное движение от двигателя к приводному валу, при этом изменяя угловую скорость и крутящий момент.
Зубчатая муфта передает вращательное движение от тихоходного вала редуктора к приводному валу пластинчатого конвейера. Кроме передачи вращательного движения муфта также компенсирует несоосность тихоходного вала редуктора и приводного вала конвейера.
Приводные звездочки установлены на приводном валу и приводят в движение цепи конвейера.
2. Выбор электродвигателя и кинематический расчет.
Расчет ведем по [1].
Потребляемая мощность привода:
Рвых = F4 · V4 = 40 · 103 · 0,05 = 2 кВт.
Требуемая мощность двигателя:
Рэ потр = Рвых / ηобщ , где:
ηобщ = ηр п · ηред · ηм · ηп - общий КПД привода.
ηред – КПД редуктора.
ηред = ηцп 2 · ηп 3
По таблице 1.1 из [1]:
ηцп = 0,96…0,98; принимаем ηцп = 0,97 – КПД закрытой цилиндрической передачи;
ηп = 0,99 – КПД пары подшипников качения.
ηм = 0,98 – КПД муфты.
ηр п = 0,94…0,96 – ременная передача; принимаем ηр п = 0,95.
ηред = 0,972 · 0,993 = 0,91
ηобщ = 0,95 · 0,91 · 0,98 · 0,99 = 0,84
Рэ потр = 2 / 0,84 = 2,38 кВт.
Частота вращения вала электродвигателя:
nэ = nвых · Uр п · U1 · U2 , где:
Uр п – передаточное число ременной передачи;
U1 – передаточное число цилиндрической передачи (1 ступень);
U2 – передаточное число цилиндрической передачи (2 ступень).
По таблице 1.2 из [1] примем рекомендуемые значения передаточных чисел:
Uр п = 3
U1 = 4;
U2 = 3.
nвых = 60v / (πDзв ) = 60 · 0,05 / (3,14 · 0, 204) = 4,68 об/мин
Dзв = ztзв / (π · 103 ) = 8 · 80 / (3,14 · 103 ) = 0,204 м
nэ = 4,68 · 3 · 4 · 3 = 168,5 об/мин
По таблице 24.8 [1] выбираем электродвигатель серии 4А: 112МВ8: Р = 3 кВт; n = 700 об/мин.
Общее передаточное число привода:
Uобщ = Uр п · U1 · U2 = n/ nвых = 700/4,68 = 149,6
Возьмем Uр п = 6, тогда:
Uред = Uобщ / Uр п = 149,6 / 6 = 24,93
По таблице 1.3 [1]:
U1 = Uред / U2 = 24,93 / 4,39 = 5,68
U2
= 0,88
= 0,88
= 4,39
Частота вращения валов:
nдв = n = 700 об/мин;
n1 = nдв / Uр п = 700 / 6 = 116,7 об/мин;
n2 = n1 / U1 = 116,7 / 5,68 = 20,55 об/мин;
n3 = nвых = 4,68 об/мин.
Угловые скорости валов:
ω1 = πn1 / 30 = 3,14 · 116,7 / 30 = 12,2 рад/с;
ω2 = πn2 / 30 = 3,14 · 20,55 / 30 = 2,2 рад/с;
ω3 = ωвых = πn3 / 30 = 3,14 · 4,68 / 30 = 0,49 рад/с.
Вращающие моменты на валах:
Твых = Т3 = F4 Dзв / 2 = 40 · 103 · 0,204 / 2 = 4080 Н·м;
Т2 = Т3 / (ηцп · U2 ) = 4080 / (0,97 · 4,39) = 958,1 Н·м;
Т1 = Т2 / (ηцп · U1 ) = 958,1 / (0,97 · 5,68) = 173,9 Н·м.
Мощности на валах:
Р1 = Р · ηр п · ηп = 3 · 0,95 · 0,99 = 2,82 кВт;
Р2 = Р1 · ηцп · ηп = 2,82 · 0,97 · 0,99 = 2,71 кВт;
Р3 = Р2 · ηцп · ηп = 2,71 · 0,97 · 0,99 = 2,6 кВт;
Рвых = Р3 · ηм · ηп = 2,6 · 0,98 · 0,99 = 2,52 кВт.
3. Выбор материалов шестерен и колес и определение допускаемых напряжений
По таблице 2.1 [1] выбираем материалы колеса и шестерни.
Материал колес – сталь 40Х; термообработка – улучшение: 235…262 НВ2 ;
248,5 НВСР2 ; σв = 780 МПа; σт = 640 МПа; τ = 335 МПа.
Материал шестерен – сталь 40Х; термообработка – улучшение: 269…302 НВ1 ; 285,5 НВСР1 ; σв = 890 МПа; σт = 750 МПа; τ = 380 МПа.
Допускаемые контактные напряжения и напряжения изгиба для шестерни и колеса принимаем по таблице 2.2 [1]:
[σ]F 1 = 1,03HBCP 1 = 285,5 · 1,03 = 294 МПа
[σ]F 2 = 1,03HBCP 2 = 248,5 · 1,03 = 256 МПа
[σ]H 1 max = 2,8 σт = 2,8 · 750 = 2100 МПа
[σ]H 2 max = 2,8 σт = 2,8 · 640 = 1792 МПа
[σ]F 1 max = 2,74 HBCP 1 = 2,74 · 285,5 = 782,3 МПа
[σ]F 2 max = 2,74 HBCP 2 = 2,74 · 248,5 = 680,9 МПа
Предел контакта на выносливость:
σH 01 = 2HBCP 1 + 70 = 285,5 · 2 + 70 = 641 МПа
σH 02 = 2HBCP 2 + 70 = 248,5 · 2 + 70 = 567 МПа
SH = 1,2 – коэффициент безопасности [2]
Коэффициент долговечности:
КН
L
1
=
; КН
L
2
=
;
Базовое число циклов:
NH 01 = 19,9 · 106 ; NH 02 = 16,6 · 106 [2]
Эквивалентное число циклов:
NH Е1 = 60n1 ctΣ KHE = 60 · 116,7 · 1 · 6408 · 0,13 = 5,8 · 106
NH Е2 =60n2 ctΣ KHE = 60 · 20,55 · 1 · 6408 · 0,13 = 1,03 · 106
c – число зубьев, находящихся в зацеплении за один оборот.
Коэффициент эквивалентного числа циклов:
KHE = 0,13 – легкий режим работы [3].
Суммарный срок службы передачи:
tΣ = 356LКГ 24КС = 356 · 10 · 0,3 · 24 · 0,25 = 6408 ч
L = 10 – срок службы передачи при легком режиме работы [3].
КГ = 0,3 – коэффициент использования передачи в году [3].
КС = 0,25 - коэффициент использования передачи в сутки [3].
КН
L
1
=
= 1,23; КН
L
2
=
= 1,6
Допускаемые контактные напряжения:
[σ]H
1
=
=
= 657 МПа
[σ]H
2
=
=
= 756 МПа
Для дальнейших расчетов принимаем: [σ]H = [σ]H 1 = 657 МПа.
4. Расчет первой ступени редуктора
Исходные данные: U1 = 5,68; Т2 = 958,1 Н·м; n2 = 20,55 об/мин.
Межосевое расстояние из условия контактной прочности зубьев:
α1
= Кα
(U1
+ 1)
= 495 · (5,68 + 1)
= 199,2 мм.
Кα = 495 – для прямозубых передач, [3].
КНβ = 1 – при постоянной нагрузке.
Принимаем α1 = 200 мм.
m = (0,01-0,02) α1 = 2-4 мм, принимаем m = 2 мм.
z1 = 2α1 / m(U1 + 1) = 2 · 200 / 2 · (5,68 + 1) = 30
z2 = z1 U1 = 30 · 5,68 = 170
d1 = m z1 = 2 · 30 = 60 мм
da1 = d1 + 2m = 60 + 2 · 2 = 64 мм
dt1 = d1 – 2,5m = 60 – 2,5 · 2 = 55 мм
d2 = m z2 = 2 · 170 = 340 мм
da2 = d2 + 2m = 340 + 2 · 2 = 344 мм
dt2 = d2 – 2,5m = 340 – 2,5 · 2 = 335 мм
b2 = ψва · α1 = 0,315 · 200 = 63 мм
b1 = b2 + 5 = 63 + 5 = 68 мм
Коэффициент формы зуба: уF 1 = 4,07, уF 2 = 3,6 [2].
Усилия в зацеплении:
окружное: Ft 1 = Ft 2 = 2Т1 / d1 = 2 · 173,9 / 0,06 = 5797 H
радиальное: Fr 1 = Fr 2 = Ft 1 · tgα = 5797 · tg 20° = 2110 H
[σF 1 ] / уF 1 = 294 / 4,07 = 72 МПа; [σF 2 ] / уF 2 = 256 / 3,6 = 71 МПа
71<72 – следовательно, расчет на изгиб ведем по зубьям колеса.
Коэффициент нагрузки:
КF = КFβ · KFV = 1,04 · 1,25 = 1,3
КFβ = 1,04 [1], KFV = 1,25 [1].
Напряжение изгиба в зубьях колеса:
σF 2 = Ft 2 · КF · уF 2 / b2 · m = 5797 · 1,3 · 3,6 / 63 · 2 = 215 МПа<[σ]F 2 = 256 МПа
Прочность зубьев по изгибу обеспечена.
Напряжение изгиба при перегрузке:
σFmax = σF · Тmax / Тном = 215 · 2,2 = 473 < [σFmax ] = 681 МПа
Проверочный расчет зубьев по контактному напряжению:
σН
= ![]()
= ![]()
= 595 МПа < [σ]Н
=657 МПа
КН = КНα · КНβ · КН V = 1 · 1 · 1,05 = 1,05
КНα = 1 [2]; КНβ = 1 [2]; КН V = 1,05 [2].
Проверка контактных напряжений при перегрузке:
σmax
= σН
·
= 595 ·
= 882 МПа < [σ]Hmax
= 1792 МПа
Окружная скорость в зацеплении:
V1
=
= 3,14 · 0,06 · 116,7 / 60 = 0,37 м/с
Назначим 8 степень точности изготовления зубьев, [2].
5. Расчет второй ступени редуктора
Исходные данные: U2 = 4,39; Т3 = 4080 Н·м; n3 = 4,68 об/мин.
Межосевое расстояние из условия контактной прочности зубьев:
α2
= Кα
(U2
+ 1)
= 495 · (4,39 + 1)
= 309 мм.
Кα = 495 – для прямозубых передач, [3].
КНβ = 1 – при постоянной нагрузке.
Принимаем α2 = 315 мм.
m = (0,01-0,02) α2 = 3,15-6,3 мм, принимаем m = 4 мм.
z1 = 2α2 / m(U2 + 1) = 2 · 315 / 4 · (4,39 + 1) = 29
z2 = z1 U2 = 29 · 4,39 = 127
d1 = mz1 = 4 · 29 = 116 мм
da 1 = d1 + 2m = 116 + 2 · 4 = 124 мм
dt 1 = d1 – 2,5m = 116 – 2,5 · 4 = 106 мм
d2 = mz2 = 4 · 127 = 508 мм
da 2 = d2 + 2m = 508 + 2 · 4 = 516 мм
dt 2 = d2 – 2,5m = 508 – 2,5 · 4 = 498 мм
b2 = ψва · α2 = 0,315 · 315 = 100 мм
b1 = b2 + 5 = 100 + 5 = 105 мм
Коэффициент формы зуба: уF 1 = 4,07, уF 2 = 3,6 [2].
Усилия в зацеплении:
окружное: Ft 1 = Ft 2 = 2Т2 / d1 = 2 · 958,1 / 0,116 = 16518 H
радиальное: Fr 1 = Fr 2 = Ft 1 · tgα = 16518 · tg 20° = 6012 H
[σF 1 ] / уF 1 = 294 / 4,07 = 72 МПа; [σF 2 ] / уF 2 = 256 / 3,6 = 71 МПа
71<72 – следовательно, расчет на изгиб ведем по зубьям колеса.
Коэффициент нагрузки:
КF = КFβ · KFV = 1,04 · 1,25 = 1,3
КFβ = 1,04 [1], KFV = 1,25 [1].
Напряжение изгиба в зубьях колеса:
σF 2 = Ft 2 · КF · уF 2 / b2 · m = 16518 · 1,3 · 3,6 / 100 · 4 = 193 МПа<[σ]F 2 = 256 МПа
Прочность зубьев по изгибу обеспечена.
Напряжение изгиба при перегрузке:
σFmax = σF · Тmax / Тном = 193 · 2,2 = 424 < [σFmax ] = 681 МПа
Проверочный расчет зубьев по контактному напряжению:
σН
= ![]()
= ![]()
= 580 МПа < [σ]Н
=657 МПа
КН = КНα · КНβ · КН V = 1 · 1 · 1,05 = 1,05
КНα = 1 [2]; КНβ = 1 [2]; КН V = 1,05 [2].
Проверка контактных напряжений при перегрузке:
σmax
= σН
·
= 580 ·
= 860 МПа < [σ]Hmax
= 1792 МПа
Окружная скорость в зацеплении:
V2
=
= 3,14 · 0,116 · 20,55 / 60 = 0,12 м/с
Назначим 8 степень точности изготовления зубьев, [2].
6. Основные размеры корпуса и крышки редуктора
Толщина стенок:
δ = 0,025α2 + 3 = 0,025 · 315 + 3 = 11 мм
δ1 = 0,02α2 + 3 = 0,02 · 315 + 3 = 9 мм
Принимаем: δ = δ1 = 11 мм
Толщина поясов стыка: b = b1 = 1,5δ = 1,5 · 11 = 16 мм
Толщина бобышки крепления на раму:
p = 2,35δ = 2,35 · 11 = 26 мм
Диаметры болтов:
d1 = 0,03α2 + 12 = 0,03 · 315 + 12 = 22 мм – М22
d2 = 0,75d1 = 0,75 · 22 = 16,5 мм – М16
d3 = 0,6d1 = 0,6 · 22 = 13,2 мм – М14
d4 = 0,5d1 = 0,5 · 22 = 11 мм – М12
7. Расчет ременной передачи
По номограмме 5.2 принимаем ремень типа Б. Минимально допустимый диаметр ведущего шкива находим из табл. 5.4. [1]
d1 min = 125 мм
Принимаем: d1 = 125 мм
Диаметр ведомого шкива:
d2 = d1 · Uр п (1 – ε), где ε = 0,015 – коэффициент скольжения.
d2 = 125 · 6 · (1 – 0,015) = 718,8 мм
Принимаем: d2 = 710 мм из стандартного ряда.
Фактическое передаточное число:
UФ = d2 / d1 (1 – ε) = 710 / (125 · (1 – 0,015)) = 5,9
ΔU =
· 100% = 1,7% < 3%
Ориентировочное межосевое расстояние:
α ≥ 0,55(d1 + d2 ) + h(H),
где h(H) = 10,5 из [3]
α ≥ 0,55(125 + 710) + 10,5 = 470 мм
Расчетная длина ремня:
L = 2α +
(d1
+ d2
) + (d2
- d1
)2
/ 4α =
= 2 · 470 +
(125 + 710) + (710 - 125)2
/ 4 · 470 = 2433 мм
Принимаем: L = 2500 мм.
Уточнение значения межосевого расстояния:
α =
(2L - π(d1
+ d2
) +
) =
=
(2 · 2500 – 3,14 · 835 +
) = 510,8 мм
Принимаем: α = 500 мм.
Угол обхвата ремнем ведущего шкива:
α1
= 180° - 57°
= 180° - 57°
= 113,3°
Определяем допускаемую мощность, передаваемую одним клиновым ремнем:
[Pn ] = [P0 ] Cp Cα Cl Cz ,
где [P0 ] = 3,82 кВт определяем из табл. 5.5 из условия:
v = πd1 n1 / 60 · 103 = 3,14 · 125 · 700 / 60 · 103 = 4,58 м/с
Из табл. 5.2: Cp = 1; Cα = 0,86; Cl = 1,04; Cz = 0,98.
[Pn ] = 3,82 · 1 · 0,86· 1,04· 0,98 = 3,35 кВт.
Количество клиновых ремней:
Z = Pном / [Pn ] = 3 / 3,35 = 0,89, принимаем: Z =1.
Сила предварительного натяжения:
F0
=
=
= 673,3H
Окружная сила:
Ft = Pном · 103 / v = 3 · 103 / 4,58 = 655H
Силы натяжения:
F1 = F0 + Ft / 2z = 673,3 + 655 / 2 · 1 = 1001 H
F2 = F0 - Ft / 2z = 673,3 - 655 / 2 · 1 = 345,8 H
Cила давления на вал:
Fоп = 2 F0 z sin(α1 /2) = 2 · 673,3 · 1 · sin(113,3 / 2) = 1124,9 H
8. Расчет тяговой звездочки
Выберем цепь: М112-1-80-2 ГОСТ 588-81. Шаг цепи: t = 80 мм. Окружная сила на звездочке: F4 = 40 кН. Скорость тяговой цепи: V4 = 0,05 м/с. Число зубьев звездочки: Z = 8.
DЦ = 21 мм – диаметр элемента зацепления.
Геометрическая характеристика зацепления:
λ = t / DЦ = 80 / 21 = 3,81
Шаг зубьев звездочки:
tZ = t = 80 мм.
Диаметр делительной окружности:
в шагах: dt = cosec (180º / z) = cosec (180 / 8) = 2,6131;
в мм: dд = dt · t = 2,6131 · 80 = 209 мм.
Диаметр наружной окружности:
De = t(K + KZ – 0,31 / λ) = 80(0,7 + 2,41 – 0,31 / 3,81) = 242 мм
К = 0,7 – коэффициент высоты зуба,
KZ = ctg (180º / z) = ctg (180º / 8) = 2,41 – коэффициент числа зубьев.
Диаметр окружности впадин:
Di
= dд
– (DЦ
+ 0,175
) = 209 – (21 + 0,175
) = 185,47 мм.
Радиус впадины зубьев:
R = 0,5(DЦ – 0,05t) = 0,5 · (21 – 0,05 · 80) = 8,5мм.
Половина угла заострения зуба:
γ = 13 - 20º; γ = 16 º
Угол впадины зуба:
β = 2 γ + 360º / z = 2 · 16 + 360º / 8 = 77 º
Ширина зуба звездочки:
bfmax = 0,9b3 – 1 = 0,9 · 31 – 1 = 26,9 мм;
bfmin = 0,87b3 – 1,7 = 0,87 · 31 – 1,7 = 25,27 мм;
bf = 26,085 мм.
Ширина вершины зуба:
b = 0,83 bf = 0,83 · 26,085 = 21,65 мм.
Диаметр венца:
DC = tKZ – 1,3h = 80 · 2,41– 1,3 · 40 = 140 мм.
Окружная сила на звездочке: F4 = 40 кН. Центробежная сила на валы и опоры не передается. Нагрузку на них от полезного натяжения и собственной силы тяжести цепи условно принимают равной: Fr = 1,15Ft = 1,15 · 40 = 46 кН.
9. Расчет быстроходного вала и расчет подшипников для него
Диаметр выходного конца вала, исходя из расчета на кручение:
d1
=
=
= 32,6 мм
Принимаем: выходной диаметр Ø34 мм, под подшипники – Ø40 мм.
Ft 1 = 5797 H, Fr 1 = 2110 H, Fоп = 1124,9 H, d = 46,5 мм, e = 65,5 мм, f = 195,5 мм.

Определим реакции опор:
RС Y = Fr 1 f / (e+f) = 2110 · 195,5 / 261 = 1580 H
RDY = Fr 1 e / (e+f) = 2110 · 65,5 / 261 = 530 H
RCX = (Fоп · (d + e + f) + Ft 1 · f) / (e+f) =
= (1124,9 · 307,5 + 5797 · 195,5) / 261 = 5668 Н
RDX = (Fоп · d - Ft 1 · e) / (e+f) = (1124,9 · 46,5 - 5797 · 65,5) / 261 = -1253,9Н
Проверка:
ΣХ = 0: Fоп – RCX + Ft 1 + RDX = 0
1124,9 – 5668 + 5797 – 1253,9 = 0
Суммарные реакции:
RC
=
=
= 5884 H
RD
=
=
= 1361 H
Материал вала – сталь 40X, НВ = 240, σв = 780 МПа, σт = 540 МПа, τт = 290 МПа,
σ-1 = 360 МПа, τ-1 = 200 МПа, ψτ = 0,09, [2].
Расчет вала в опасном сечении на сопротивление усталости.
σа = σu = Мсеч / 0,1d1 3 = 272 · 103 / 0,1 · 603 = 12,6 МПа
τа = τк /2 = Т1 / 2 · 0,2d1 3 = 173,9 · 103 / 0,4 · 603 = 2 МПа
Кσ / Кdσ = 3,8 [2]; Кτ / Кdτ = 2,2 [2];
KFσ = KFτ = 1 [2]; KV = 1 [2].
Kσ Д = (Кσ / Кdσ + 1 / КFσ – 1) · 1 / KV = (3,8 + 1 – 1) · 1 = 3,8
Kτ Д = (Кτ / Кdτ + 1 / КFτ – 1) · 1 / KV = (2,2 + 1 – 1) · 1 = 2,2
σ-1Д = σ-1 / Kσ Д = 360 / 3,8 = 94,7 МПа
τ-1Д = τ -1 / Kτ Д = 200 / 2,2 = 91 МПа
Sσ = σ-1Д / σа = 94,7 / 12,6 = 7,5; Sτ = τ -1Д / τ а = 91 / 2 = 45,5
S = Sσ
Sτ
/
= 7,5 · 45,5 /
= 7,4 > [S] = 2,5
Прочность вала обеспечена.
Выбор типа подшипника.
Осевые нагрузки отсутствуют, поэтому берем радиальные шарикоподшипники №308, С = 41 кН, С0 = 22,4 кН, d×D×B = 40×90×23
QA = RС Kδ KT = 5884 · 1,3 · 1 = 7649 H
Ресурс подшипника:
Lh = a23 (C / QA )m (106 / 60n1 ) = 0,8 · (41 / 7,649)3 · (106 / 60 · 116,7) = 10,8 · 104 ч
10,8 · 104 ч > [t] = 2,5 · 104 ч
Подшипник подходит.
10. Расчет промежуточного вала и расчет подшипников для него
Диаметр вала, исходя из расчета на кручение:
d2
=
=
= 57,6 мм
Принимаем: диаметр под подшипники – Ø60 мм, под колесо – Ø70мм.
Ft 2 = 5797 H, Fr 2 = 2110 H, k = 69,5 мм, l = 111,5 мм, m = 88 мм.
Ft 3 = 16518 H, Fr 3 = 6012 H.
Реакции опор:
в плоскости xz:
RFX = (Ft 2 k + Ft 3 (k+l))/(k+l+m) =(5797·69,5 + 16518·181)/269 = 12612 Н;
REX = (Ft3 m + Ft2 (m+l))/(k+l+m) =(16518·88 + 5797·199,5)/269 = 9702 Н;
Проверка: RFX + REX - Ft 2 – Ft 3 = 12612 + 9702 - 5797 – 16518 = 0.
в плоскости yz:
RFY = (Fr 2 k + Fr 3 (k+l))/(k+l+m) =(2110·69,5 + 6012·181)/269 = 4590 Н;
REY = (Fr3 m + Fr2 (m+l))/(k+l+m) =(6012·88 + 2110·199,5)/269 = 3532 Н;
Проверка: RFY + REY – Fr 2 – Fr 3 = 4590 + 2532 – 2110 - 6012 = 0.

Суммарные реакции:
RF
=
=
= 13421 H;
RE
=
=
= 10325 H;
Опасное сечение – место под колесо второй цилиндрической передачи.
Материал вала – сталь 40Х, НВ = 240, σв = 780 МПа, σт = 540 МПа, τт = 290 МПа,
σ-1 = 360 МПа, τ-1 = 200 МПа, ψτ = 0,09, [2].
Найдем значения изгибающих моментов в наиболее опасном сечении:
Му = REX (k+l) – Ft 2 l = 9702 · 0,181 – 5797 · 0,1115 = 1110 Н·м;
Мх = REY (k+l) – Fr 2 l= 3532 · 0,181 – 2110 · 0,1115 = 404 Н·м;
Мсеч
=
=
= 1181 Н·м.
Расчет вала в опасном сечении на сопротивление усталости.
σа = σu = Мсеч / 0,1d3 = 1181 · 103 / 0,1 · 1163 = 7,6 МПа
τа = τк /2 = Т2 / 2 · 0,2d3 = 958,1 · 103 / 0,4 · 1163 = 1,5 МПа
Кσ / Кdσ = 3,8 [2]; Кτ / Кdτ = 2,2 [2];
KFσ = KFτ = 1 [2]; KV = 1 [2].
Kσ Д = (Кσ / Кdσ + 1 / КFσ – 1) · 1 / KV = (3,8 + 1 – 1) · 1 = 3,8
Kτ Д = (Кτ / Кdτ + 1 / КFτ – 1) · 1 / KV = (2,2 + 1 – 1) · 1 = 2,2
σ-1Д = σ-1 / Kσ Д = 360 / 3,8 = 94,7 МПа
τ-1Д = τ -1 / Kτ Д = 200 / 2,2 = 91 МПа
Sσ = σ-1Д / σа = 94,7 / 7,6 = 12,5; Sτ = τ -1Д / τ а = 91 / 1,5 = 60,6
S = Sσ
Sτ
/
= 12,5 · 60,6 /
=12,2 > [S] = 2,5
Прочность вала обеспечена.
Выбор типа подшипника
Осевые нагрузки отсутствуют, поэтому берем радиальные шарикоподшипники №312, С = 81,9 кН, С0 = 48 кН, d×D×B = 60×130×31
QA = RF Kδ KT = 13421 · 1,3 · 1 = 17447H
Ресурс подшипника:
Lh = a23 (C / QA )m (106 / 60n2 ) = 0,8 · (81,9 / 17,447)3 · (106 / 60 · 20,55) = 6,7 · 104 ч
6,7 · 104 ч > [t] = 2,5 · 104 ч
Подшипник подходит.
10. Расчет тихоходного вала и расчет подшипников для него
Диаметр выходного конца вала, исходя из расчета на кручение:
d3
=
=
= 83,4 мм
Принимаем: выходной диаметр Ø90 мм, под подшипники – Ø100 мм, под колесо - Ø110 мм.
Усилие от муфты:
FM
= 250
= 250
= 15968 H
Ft 4 = 16518 H, Fr 4 = 6012 H, a = 96 мм, b = 189 мм, с = 83,5 мм.
Реакции от усилий в зацеплении:
RAx (a + b) – Ft4 b = 0; RAx = Ft4 b / (a + b) = 16518 · 189 / 285 = 10954 H
RBx = Ft4 - RAx = 16518 – 10954 = 5564 H
Mx = RBx b = 5564 · 0,189 = 1052 H · м
RAy = Fr4 b / (a + b) = 6012 · 189 / 285 = 3987 H
RBy = Fr4 - RAy = 6012 – 3987 = 2025 H
My = RBy b = 2025 · 0,189 = 383 H · м
Реакции от усилия муфты:
FM (a + b + c) – RAF м (a + b) = 0;
RAF м = FM (a + b + c) / (a + b) = 15968 · 368,5 / 285 = 20646 H
RBF м = RAF м - FM = 20646 – 15968 = 4678 H

RA
=
=
= 11657 H
RB
=
=
= 5921 H
Для расчета подшипников:
RA ' = RA + RAF м = 11657 + 20646 = 32303 H
RB ' = RB + RBF м = 5921 + 4678 = 10599 H
Опасное сечение I – I. Концентрация напряжений в сечении I – I вызвана напрессовкой внутреннего кольца подшипника на вал с натягом.
Материал вала – сталь 40Х, НВ = 240, σв = 780 МПа, σт = 540 МПа, τт = 290 МПа,
σ-1 = 360 МПа, τ-1 = 200 МПа, ψτ = 0,09, [2].
Расчет вала в сечении I - I на сопротивление усталости.
σа = σu = МAF м / 0,1d3 3 = 1333 · 103 / 0,1 · 1003 = 13,3 МПа
τа = τк /2 = Т3 / 2 · 0,2d3 3 = 4080 · 103 / 0,4 · 1003 = 10,2 МПа
Кσ / Кdσ = 3,8 [2]; Кτ / Кdτ = 2,2 [2];
KFσ = KFτ = 1 [2]; KV = 1 [2].
Kσ Д = (Кσ / Кdσ + 1 / КFσ – 1) · 1 / KV = (3,8 + 1 – 1) · 1 = 3,8
Kτ Д = (Кτ / Кdτ + 1 / КFτ – 1) · 1 / KV = (2,2 + 1 – 1) · 1 = 2,2
σ-1Д = σ-1 / Kσ Д = 360 / 3,8 = 94,7 МПа
τ-1Д = τ -1 / Kτ Д = 200 / 2,2 = 91 МПа
Sσ = σ-1Д / σа = 94,7 / 13,3 = 7,1; Sτ = τ -1Д / τ а = 91 / 10,2 = 8,9
S = Sσ
Sτ
/
= 7,1 · 8,9 /
= 5,5 > [S] = 2,5
Прочность вала обеспечена.
Выбор типа подшипника.
Осевые нагрузки отсутствуют, поэтому берем радиальные шарикоподшипники №320, С = 174 кН, С0 = 132 кН, d×D×B = 100×215×47
QA = RA ' Kδ KT = 32303 · 1,3 · 1 = 41994 H
Ресурс подшипника:
Lh = a23 (C / QA )m (106 / 60n4 ) = 0,8 · (174 / 41,994)3 · (106 / 60 · 4,68) = 20,2 · 104 ч
20,2 · 104 ч > [t] = 2,5 · 104 ч
Подшипник подходит.
12. Расчет приводного вала и расчет подшипников для него
Диаметр выходного конца вала, исходя из расчета на кручение:
dпр
=
=
= 83,4 мм
Принимаем: выходной диаметр Ø90 мм, под подшипники – Ø100 мм, под тяговую звездочку – Ø110 мм.
Усилие от муфты: FM
= 250
= 250
= 15968 H
Ft = F4 = 40000 H, Fr = 46000 H, p = 100 мм, s = 200 мм, t = 200 мм.

Реакции от усилий в зацеплении:
RLx (s + t) – Ft s = 0; RLx = Ft s / (s + t) = 40000 · 0,2 / 0,4 = 20000 H
RKx = Ft – RLx = 40000 – 20000 = 20000 H
My = RKx s = 20000 · 0,2 = 4000 H · м
RLy = Fr s / (s + t) = 46000 · 0,2 / 0,4 = 23000 H
RKy = Fr – RLy = 46000 – 23000 = 23000 H
Mx = RKy s = 23000 · 0,2 = 4600 H · м
Реакции от усилия муфты:
FM (s + t + p) – RLF м (s + t) = 0;
RLF м = FM (s + t + p) / (s + t) = 15968 · 0,5 / 0,4 = 19960 H
RKF м = RLF м - FM = 19960 – 15968 = 3992 H
RL
=
=
= 30480 H
RK
=
=
= 30480 H
Для расчета подшипников:
RL ' = RL + RLF м = 30480 + 19960 = 50440 H
RK ' = RK + RKF м = 30480 + 3992 = 34472 H
Опасное сечение I – I. Концентрация напряжений в сечении I – I вызвана напрессовкой внутреннего кольца подшипника на вал с натягом.
Материал вала – сталь 40Х, НВ = 240, σв = 780 МПа, σт = 540 МПа, τт = 290 МПа,
σ-1 = 360 МПа, τ-1 = 200 МПа, ψτ = 0,09, [2].
Расчет вала в сечении I - I на сопротивление усталости.
σа = σu = МLF м / 0,1d4 3 = 1597 · 103 / 0,1 · 1003 = 16 МПа
τа = τк /2 = Твых / 2 · 0,2d4 3 = 4080 · 103 / 0,4 · 1003 = 10,2 МПа
Кσ / Кdσ = 3,8 [2]; Кτ / Кdτ = 2,2 [2];
KFσ = KFτ = 1 [2]; KV = 1 [2].
Kσ Д = (Кσ / Кdσ + 1 / КFσ – 1) · 1 / KV = (3,8 + 1 – 1) · 1 = 3,8
Kτ Д = (Кτ / Кdτ + 1 / КFτ – 1) · 1 / KV = (2,2 + 1 – 1) · 1 = 2,2
σ-1Д = σ-1 / Kσ Д = 360 / 3,8 = 94,7 МПа
τ-1Д = τ -1 / Kτ Д = 200 / 2,2 = 91 МПа
Sσ = σ-1 Д / σа = 94,7 / 16 = 5,9; Sτ = τ -1 Д / τа = 91 / 10,2 = 8,9
S = Sσ
Sτ
/
= 5,9 · 8,9 /
= 4,9 > [S] = 2,5
Прочность вала обеспечена.
Выбор типа подшипника.
Осевые нагрузки отсутствуют, поэтому берем радиальные шарикоподшипники №320, С = 174 кН, С0 = 132 кН, d×D×B = 100×215×47
QA = RA ' Kδ KT = 50440 · 1,3 · 1 = 65572 H
Ресурс подшипника:
Lh = a23 (C / QA )m (106 / 60n4 ) = 0,8 · (174 / 65,572)3 · (106 / 60 · 4,68) = 2,7 · 104 ч
2,7 · 104 ч > [t] = 2,5 · 104 ч
Подшипник подходит.
13. Смазка
Смазка зубчатых зацеплений осуществляется окунанием одного из зубчатых колес в масло на полную высоту зуба.
Вязкость масла по [2]:
V1 = 0,37 м/с – V40° = 33 мм2 /с
V2 = 0,12 м/с – V40° = 35 мм2 /с
V40°ср = 34 мм2 /с
По [2] принимаем масло индустриальное И-Г-А-32, у которого
V40° C = 29-35 мм2 /с. Подшипники смазываются тем же маслом, что и зацепления за счет разбрызгивания масла и образования масляного тумана.
14. Проверка прочности шпоночных соединений
Напряжение смятия:
σсм = 2М / d(l – b)(h – t1 ) < [σ]см = 120 МПа
Быстроходный вал Ø34 мм, шпонка 10 × 8 × 40, t1 = 5 мм.
σсм = 2 · 173,9 · 103 / 34 · (40 – 10)(8 – 5) = 113 МПа < [σ]см
Промежуточный вал Ø70 мм, шпонка 20 × 12 × 100, t1 = 7,5 мм.
σсм = 2 · 958,1 · 103 / 70 · (100 – 20)(12 – 7,5) = 76 МПа < [σ]см
Тихоходный вал Ø90 мм, шпонка 24 × 14 × 100, t1 = 9 мм.
σсм = 2 · 4080 · 103 / 90 · (100 – 24)(14 – 9) = 118,3 МПа < [σ]см
Тихоходный вал Ø110 мм, шпонка 28 × 16 × 100, t1 = 10 мм.
σсм = 2 · 4080 · 103 / 110 · (100 – 28)(16 – 10) = 106 МПа < [σ]см
Приводной вал Ø90 мм, шпонка 24 × 14 × 100, t1 = 9 мм.
σсм = 2 · 4080 · 103 / 90 · (100 – 24)(14 – 9) = 118,3 МПа < [σ]см
Приводной вал Ø110 мм, шпонка 28 × 16 × 100, t1 = 10 мм.
σсм = 2 · 4080 · 103 / 110 · (100 – 28)(16 – 10) = 106 МПа < [σ]см
15. Расчет зубчатой муфты
В приводе будем использовать зубчатую муфту. Выбор муфты производится в зависимости от диаметра вала и передаваемого крутящего момента по критерию:
Трасч = k · Тдл. ≤ Ттабл.
Принимаем k = 1, тогда:
Трасч = Т3 = 4080 Н·м
Диаметр муфты:
dМ
≥ 10
= 10
= 122 мм
qM = 0,2 – 0,25
kМ = 4 – 6 – при твердости 40-50 HRC
Выбираем зубчатую муфту dМ = 125 мм, Т = 50000 Н · м, mм = 4 мм, zм = 56,
bм = 35 мм [4].
16. Сборка редуктора
Детали перед сборкой промыть и очистить.
Сначала собираем валы редуктора. Ставим колеса, устанавливаем подшипники, закладываем шпонки.
Далее устанавливаем валы в корпус редуктора.
Закрываем редуктор крышкой и стягиваем стяжными болтами. Устанавливаем крышки подшипников.
После этого редуктор заполняется маслом. Обкатываем 4 часа, потом промываем.
Список использованной литературы
1. П.Ф. Дунаев, С.П.Леликов – Конструирование узлов и деталей машин, Москва, «Высшая школа», 1984 г.
2. С.А. Чернавский и др. – Курсовое проектирование деталей машин, Москва, «Машиностроение», 1988 г.
3. М.Н. Иванов – Детали машин, Москва, «Высшая школа», 1998 г.
4. А.Е. Шейнблит – Курсовое проектирование деталей машин,
Калининград, «Янтарный сказ», 2002 г.