| Скачать .docx |
Дипломная работа: Проектирование привода общего назначения
Министерство образования Российской Федерации
Магнитогорский Государственный Технический Университет
Имени Г.И. Носова
КУРСОВОЙ ПРОЕКТ
РАСЧЕТНО-ПОЯСНИТЕЛЬНАЯ ЗАПИСКА)
по курсу «Прикладная механика»
на тему: Проектирование привода общего назначения
Исполнил:
студент группы ТМБВ-05-01 Резов М.Г.
проверил: Попереков И.В.
2008 год
СОДЕРЖАНИЕ
Задание на проектирование. 5
введение. 6
1. Выбор электродвигателя и кинематический расчёт. 7
2. Расчет зубчатых колес редуктора. 10
3. Расчёт клиноременной передачи. 17
4. Предварительный расчёт валов редуктора. 21
5. Конструктивные размеры шестерни и колеса. 23
6. Конструктивные размеры корпуса редуктора. 23
7. Первый этап компоновки редуктора. 24
8. Расчет цепной передачи. 27
9. Проверка долговечности подшипников. 32
10. Второй этап компоновки редуктора. 39
11. Проверка шпоночных соединений. 41
12. Уточнённый расчёт валов. 42
13. Посадки зубчатого колеса и подшипников. 46
14. Выбор сорта масла. 46
15. Сборка редуктора. 46
список литературы.. 46
ЗАДАНИЕ НА ПРОЕКТИРОВАНИЕ
Спроектировать одноступенчатый горизонтальный цилиндрический косозубый редуктор, цепную и ременную передачу для привода ленточного конвейера:
сила, передаваемая лентой конвейера Fл=13кН,
скорость ленты vл =0,8м/с,
диаметр приводного барабана
=400мм,
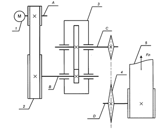
срок службы 5 лет, работа в две смены. Кинематическая схема привода представлена на рисунке 1.

А - вал электродвигателя; В - I вал редуктора; С - II вал редуктора; D - вал приводного барабана.
1 Электродвигатель, 2 ременная передача.3 редуктор, 4 цепная передача, 5 барабан.
Рисунок 1 - Кинематическая схема привода
ВВЕДЕНИЕ
Редуктором называют механизм, состоящий из зубчатых или червячных передач, выполненный в виде отдельного агрегата и служащий для передачи вращения от вала двигателя к валу рабочей машины. Кинематическая схема привода может включать, помимо редуктора, открытые зубчатые передачи, цепные или ременные передачи.
Назначение редуктора - понижении угловой скорости и соответственно повышение вращающего момента ведомого вала по сравнению с ведущим.
Редуктор состоит из корпуса, в котором помещают элементы передачи - зубчатые колеса, валы, подшипники и т.д. В отдельных случаях в корпусе редуктора размещают также устройства для смазывания зацеплений и подшипников или устройства для охлаждения.
Редуктор проектируют либо для привода определенной машины, либо по заданной нагрузке и передаточному числу. Второй случай характерен для специализированных заводов, на которых организовано серийное производство.
Редукторы классифицируются по следующим основным признакам:
типу передачи (зубчатые, червячные или зубчато-червячные);
числу ступеней (одноступенчатые, двухступенчатые) и т.д.,;
типу зубчатых колес (цилиндрические, конические, коническо-цилиндрические, планетарные, волновые);
относительному расположению валов редуктора в пространстве (горизонтальные, вертикальные);
особенностям кинематической схемы (развернутая, соосная, с раздвоенной ступенью).
Редукторы могут иметь колеса с прямыми, косыми и шевронными зубьями. Корпуса
чаще выполняют литыми чугунными, реже - сварными стальными. Валы монтируются на подшипниках качения или скольжения.
1. ВЫБОР ЭЛЕКТРОДВИГАТЕЛЯ И КИНЕМАТИЧЕСКИЙ РАСЧЁТ
Определим коэффициент полезного действия привода по формуле (1.1):
(1.1)
где
- КПД пары цилиндрических зубчатых колес, в соответствии с таблицей 1 [1]
= 0,97.
- Коэффициент, учитывающий потери пары подшипников качения, в соответствии с
таблицей 1 [1]
=0,99.
- КПД открытой ременной передачи, в соответствии с таблицей 1 [1]
= 0,97.
- КПД цепной передачи, в соответствии с таблицей 1 [1]
= 0,92.
- КПД, учитывающий потери в опорах вала приводного барабана, в соответствии с
таблицей 1 [1]
=0,99.
Мощность на валу барабана определим по формуле (1.2):
(1.2)
где
- сила передаваемая лентой конвейера, по заданию
- скорость ленты, по заданию
=08м/с
Требуемую мощность электродвигателя определим по формуле (1.3):
(1.3)
где P6 - мощность на валу барабана P6 = 10,4кВт;
- КПД привода,
=0,84.
Угловую скорость барабана определяем по формуле (1.4):
(1.4)
где
- диаметр барабана, по заданию
=400мм;
- скорость ленты, по заданию
=0,8 м/с
Частоту вращения барабана определяем по формуле (1.5):
(1.5)
В соответствии с таблицей приложения I [1] по требуемой мощности Ртр=12,38кВт с учетом возможностей привода, состоящего из цилиндрического редуктора цепной и ременной передачи, выбираем электродвигателе трехфазный, короткозамкнутый серии 4А, закрытый, с синхронной частотой вращения n= 750об/мин 4А180М8 в соответствии с ГОСТ 19523-81, с параметрами Рдв=15кВт и скольжением s= 2,5%.
Номинальную частоту вращения двигателя определим по формуле (1.6):
(1.6)
где n - синхронная частота вращения двигателя n=750об/мин.
s - скольжение; s=2,5%.
Угловую скорость двигателя определим по формуле (1.7):
(1.7)
где
- частота вращения двигателя,
=731,3об/мин.
Общее передаточное отношение определим по формуле (1.8):
(1.8)
что можно признать приемлемым. Частные передаточные числа (они равны передаточным отношениям) можно принять для редуктора по ГОСТ 2185-66 uред=3,15, для ременной и
цепной передачи определим по формуле (1.9):
(1.9)
где iобщ - общее передаточное отношение, iобщ =19,1
uред - передаточное число редуктора, uред =3,15.
Примем передаточное число для ременной и цепной передачи uрем = 2,0; uц =3,03.
Угловую скорость и частоту вращения ведущего вала редуктора определим по формулам (1.10), (1.11):
(1.10)
(1.11)
где
- угловая скорость двигателя,
=76,5рад/с;
- передаточное число ременной передачи, ирем =2,0.
пдв - частота вращения двигателя, пдв=731,3об/мин.
Угловую скорость и частоту вращения ведомого вала редуктора определим по формулам (1.12), (1.13):
(1.12)
(1.13)
Определим вращающие моменты на валах привода. Вращающий момент на валу А по формуле (1.14):
(1.14)
где Ртр - требуемая мощность электродвигателя, Ртр =12,38 кВт;
- угловая скорость двигателя,
=76,5рад/с.
Вращающий момент на валу В по формуле (1.15):
(1.15)
где
- см. формулу (1.14),
ирем - передаточное число ременной передачи, ирем =2,0
Вращающий момент на валу С по формуле (1.16):
(1.16)
где T1 - см. формулу (1.15),
- передаточное число редуктора,
=3,15
Вращающий момент на валу D по формуле (1.17):
![]()
(1.17)
где T2 - см. формулу (1.16),
иц - передаточное число цепной передачи, ![]()
Частоты вращения, угловые скорости и вращающие моменты валов сведем в таблицу 1.
Таблица 1 - Частота вращения, угловая скорости и
вращающий момент валов.
| Расположение вала | Частота вращения вала, об/мин |
Угловая скорость вала, рад/с |
Вращающий момент на валу,
|
| Вал электродвигателя (вал А) | пдв=731,3 |
|
|
I вал редуктора (вал В) |
|||
II вал редуктора (вал С) |
|||
Вал барабана (вал Д) |
2. РАСЧЕТ ЗУБЧАТЫХ КОЛЕС РЕДУКТОРА
Т.к. в задании нет особых требований в отношении габаритов передачи, то для шестерни и колеса выбираем материал со средними механическими характеристиками. Для шестерни выбираем сталь 45 термически обработанную улучшением, с твердостью НВ230. Для колеса - сталь 45 улучшенную с твердостью НВ200
Допускаемое контактное напряжение определим по формуле (2.1):
(2.1).
где
- предел контактной выносливости при базовом числе циклов. В соответствии с
таблицей 3.2. [1] для сталей с твердостью поверхности зубьев менее НВ350 и термообработкой - улучшением:
- коэффициент долговечности при числе циклов нагружения больше базового, что
имеет место при длительной эксплуатации, принимаем KHL= 1;
- коэффициент безопасности, в соответствии с рекомендациями на с.33 [1]
=1,1.
Для косозубых колес расчетное допускаемое контактное напряжение определяем по формуле (2.2):
(2.2)
для шестерни:
![]()
для колеса:
![]()
Тогда расчетное допускаемое напряжение равно:
![]()
Требуемое условие
выполнено.
Коэффициент
, несмотря на симметричное расположение колес, относительно опор, примем выше рекомендуемого для этого случая, т. к. со стороны цепной передачи действуют силы, вызывающие дополнительную деформацию ведомого вала и ухудшают контакт зубьев. Принимаем предварительно по таблице 3.1. [1], как в случае несимметричного расположения колес, значение
= 1,25.
Принимаем для косозубых колес коэффициент ширины венца по межосевому расстоянию в соответствии с рекомендациями на с.36 [1].
![]()
Межосевое расстояние определяем из условия контактной выносливости активных поверхностей зубьев по формуле (2.3):
(2.3)
где
- коэффициент для косозубых колес в соответствии с рекомендациями на с.32 [1],
=43
- передаточное число редуктора,
=3,15;
- вращающий момент на ведомом валу,
=1019,53
Н/мм
- расчетное допускаемое напряжение,
=410МПа
- коэффициент ширины венца по межосевому расстоянию для косозубых колес,
=0,4;
- коэффициент в случае несимметричного расположения колес
= 1,25.
Ближайшее значение межосевого расстояния по ГОСТ 2185-66 aw= 250мм.
Нормальный модуль зацепления принимаем по следующей рекомендации:
![]()
принимаем по ГОСТ 9563-60 mn=3,0 мм.
Примем предварительный угол наклона зубьев
и определим число зубьев шестерни по формуле (2.4):
(2.4)
Принимаем
= 39. Определим число зубьев колеса по формуле (2.5):
(2,5)
принимаем
=123.
Уточним значение угла наклона зубьев по формуле (2.6):
(2.6)
= 13°36'
Определим основные размеры шестерни и колеса:
диаметры делительные по формулам (2.7), (2.8):
(2.7)
(2.8)
где
- нормальный модуль зацепления, тп=3,0мм;
- угол наклона зубьев,
= 13°36";
- число зубьев шестерни,
=39;
- число зубьев колеса,
=123.
Проверка: ![]()
диаметры вершин зубьев определим по формулам (2.9), (2.10):
(2.9)
(2.10)
диаметры впадин определим по формулам (2.11), (2.12):
(2.11)
(2.12)
ширину колеса по формуле (2.13):
(2.13)
где
- коэффициент ширины венца по межосевому расстоянию для косозубых колес,
=0.4
aw - межосевое расстояние, aw =250мм
принимаем
= 100 мм;
ширина шестерни:
мм
Определим коэффициент ширины шестерни по диаметру по формуле (2,14):
(2.14)
Окружную скорость колёс и степень точности передачи определим по формуле (2.15):
(2.15)
где
- угловая скорость ведущего вала редуктора,
= 38,25рад/с;
- делительный диаметр ведущего вала,
= 120,37мм.
При такой скорости колёс следует принять 8 степень точности передачи.
Коэффициент нагрузки определим по формуле (2.16): ![]()
(2.16
где
- коэффициент, в соответствии с данными в таблице 3.5. [1] при
0,87, твердости HB
350 и несимметричном расположении колёс относительно опор с учётом изгиба ведомого вала от натяжения цепной передачи ![]()
- коэффициент в соответствии с таблицей 3.4. [1] при v=2,3м/cи 8 степени точности
![]()
KHv - коэффициент в соответствии с таблицей 3.6 [1] для косозубых колёс при ![]()
имеем KHv= 1,0
Проведем проверку контактных напряжений по формуле (2.17):
< 410МПа (2,17)
где aw - межосевое расстояние, aw =250мм;
- вращающий момент на ведомом валу,
=1019,53
;
- коэффициент нагрузки,
=1,18;
иред - передаточное число редуктора, иред =3,15;
- ширина зубчатого колеса,
=100мм;
Условие прочности выполнено.
Определим силы, действующие в зацеплении: окружную силу определим по формуле (2.18):
(2.18)
где
- вращающий момент на ведомом валу,
;
- делительный диаметр колеса,
=385,63мм. радиальную по формуле (2. 19):
(2. 19)
где
- тангенс угла зацепления, tg=0,36
cos
- косинус угла наклона зубьев, cos
=0,972.
осевую по формуле (2. 20):
(2. 20)
Проверяем зубья на выносливость по напряжениям изгиба по формуле (2.21):
(2.21)
где
- коэффициент нагрузки, равный
. По таблице 3.7 [1] при
=0,87,
HB
350 и несимметричном расположении зубчатых колёс относительно опор
по таблице 3.8 [1]
=1,1. Таким образом, коэффициент нагрузки равен:
![]()
- коэффициент, учитывающий форму зуба и зависящий от эквивалентного числа
зубьев
:
у шестерни ![]()
у колеса ![]()
в соответствии таблицей на с.42 [1] коэффициент, учитывающий форму зуба равен:
=3,70 и
=3,60
Допускаемое напряжение по формуле (2.22):
(2.22)
где
- предел выносливости при отнулевом цикле в соответствии с таблицей 3.9 [1] для стали 45 улучшенной при твёрдости HB
350
=1,8НВ:
для шестерни
;
для колеса ![]()
- коэффициент безопасности в соответствии с рекомендациями на с.42 [1] равен:
![]()
Допускаемые напряжения:
для шестерни
;
для колеса
.
Находим отношения:
для шестерни: ![]()
для колеса: ![]()
Дальнейший расчёт ведём для зубьев колеса, у которого найденное отношение меньше. Определим коэффициент компенсации погрешности Y^ и коэффициент неравномерности
распределения нагрузки между зубьями
.
![]()
Для средних значений коэффициента торцового перекрытия
=1,5 и 8 степени точности в соответствии с рекомендациями на с.47 [1]
=0,92
Проверяем выносливость зуба колеса по формуле (2.21):
< 206МПа
Условие выносливости выполнено.
3. РАСЧЁТ КЛИНОРЕМЕННОЙ ПЕРЕДАЧИ
Исходные данные для расчёта:
передаваемая мощность: Pтр =12,38кВт;
частота вращения ведущего шкива: пдв =731,3об/мин;
передаточное число ременной передачи:
=2,0;
скольжение ремня:
=0,01.
По номограмме на рисунке 7.3 [1] в зависимости от частоты вращения меньшего шкива
пдв =731,3 об/мин и передаваемой мощности P=Pтр =12,38 кВт принимаем сечение клинового
ремня Б.
Диаметр меньшего шкива определим но формуле (3.1):
(3.1)
где Тдв - вращающий момент на валу двигателя, Тдв =
.
Согласно таблице 7.8 [1] с учётом того, что диаметр шкива для ремней сечения В не должен быть менее 200 мм принимаем
=200мм
Диаметр большего шкива определим по формуле (3.2):
(3.2)
где ирем - передаточное число ременной передачи, ирем = 2,0.
Принимаем d2 =400мм
Уточняем передаточное число по формуле (3.3):
(3.3)
При этом угловая скорость вала будет равна по формуле (3.4):
(3.4)
где
- см. формулу (1.6);
ирем - см. формулу (3.3).
Расхождение угловой скорости, которая была получена по первоначальному расчёту, равно:
,
что меньше допустимого, равного 3%. Следовательно,
окончательно принимаем диаметры шкивов
=200мм и
=400 мм
Межосевое расстояние ар следует принять в интервале по формуле (3.5):
(3.5)
![]()
где
- высота сечения ремня в соответствии с таблицей 7.7 [1]
=10,5 мм
Принимаем предварительно близкое значение,
.
Расчетную длину ремня определим по формуле (3.6):
(3.6)
![]()
Ближайшее значение по стандарту (см. табл.7,7) L=3150мм.
Уточняем значение межосевого расстояния ар с учётом стандартной длины ремня по формуле (3.7).
(3.7)
где ![]()
![]()
При монтаже передачи необходимо обеспечить возможность уменьшения межосевого расстояния на
для облегчения надевания ремней на шкивы и возможность увеличения на
для увеличения натяжения ремней.
Угол обхвата меньшего шкива определим по формуле (3.8):
(3.8)
Определим число ремней в передачи по формуле (3.9):
(3.9)
где
см. формулу (1.3);
- коэффициент режима работы, учитывающий условия эксплуатации передачи, в
соответствии с таблицей 7.4 [1] при двухсменной работе
=0,90;
![]()
- коэффициент, учитывающий влияние длины ремня в соответствии таблицей 7.9 [1]
=1,07;
-коэффициент, учитывающий влияние угла обхвата: в соответствии с рекомендациями
на с.135 [1] при
= 170° коэффициент
;
- коэффициент, учитывающий число ремней в передаче, предполагая, что число ремней
в передаче будет от 4 до 6, в соответствии с рекомендациями на с.135 [1] примем
коэффициент
=0,90;
- мощность, передаваемая одним клиновым ремнём, в соответствии с таблицей 7.8 [1]
=3,5кВт.
Принимаем количество ремней z=4.
Натяжение ветви клинового ремня по формуле (3.10):
(3.10)
где v– скорость ![]()
- коэффициент, учитывающий влияние центробежных сил; для ремня сечения В
коэффициент
.
Давление на валы определим по формуле (3.11):
(3.11)
Ширину шкива определим по формуле (3.12) в соответствии с данными в таблице 7.12 [1].
(3.12)
4. ПРЕДВАРИТЕЛЬНЫЙ РАСЧЁТ ВАЛОВ РЕДУКТОРА
Предварительный расчёт проведём на кручение по пониженным допускаемым напряжениям.
Ведущий вал:
диаметр выходного конца при допускаемом напряжении для стали 45
определим по формуле (4.1):
(4.1)
где
- вращающий момент на валу В,
=
.
Диаметр выходного конца вала примем равным диаметру из стандартного ряда
= 45мм.
Диаметр вала под подшипники принимаем
= 55мм.
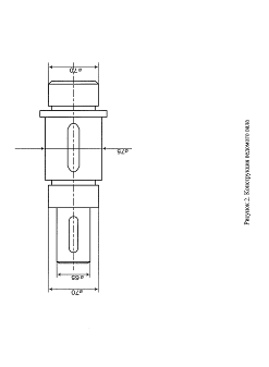
Конструкция ведущего вала представлена на рисунке 2.
Ведомый вал:
Определим диаметр выходного конца ведомого при допускаемом напряжении для стали 45
вала по формуле (4.2):
(4.2)
где
- вращающий момент на валу С,
=
. Принимаем ближайшее значение из стандартного ряда
= 65мм.
Диаметр вала под подшипники принимаем
= 70мм. Диаметр вала под зубчатым колесом принимаем
75мм.
Конструкция ведомого вала представлена на рисунке 2.


5. КОНСТРУКТИВНЫЕ РАЗМЕРЫ ШЕСТЕРНИ И КОЛЕСА
Шестерню выполним за одно целое с валом; её размеры определены выше:
![]()
![]()
![]()
Колесо кованое ее размеры определены выше: ![]()
![]()
![]()
![]()
Диаметр ступицы определим по формуле (5.1):
(5.1)
длину ступицы определим по формуле (5.2):
(5.2)
принимаем
=100мм.
Толщину обода определим по формуле (5.3):
(5.3)
принимаем
=10мм.
Толщину диска определим по формуле (5.4):
(5.4)
6. КОНСТРУКТИВНЫЕ РАЗМЕРЫ КОРПУСА РЕДУКТОРА
Толщину стенок корпуса и крышки определим по формуле (6.1):
(6.1)
где aw–см. формулу (2.3).
Принимаем
=8мм,
=8мм.
Определим толщину фланцев поясов корпуса и крышки.
Толщину верхнего пояса корпуса и пояса крышки определим по формуле (6.2):
(6.2)
где ![]()
- см. формулу (6.1);
нижнего пояса корпуса по формуле (6.3):
(6.3)
где
- см. формулу (6.1);
Принимаем ![]()
Определим диаметр болтов:
фундаментных по формуле (6.4):
(6.4)
где
- см формулу (2.3);
принимаем болты с резьбой M 20;
крепящих крышку корпуса у подшипников по формуле (6.5):
(6.5)
где
- см формулу (6.4);
принимаем болты с резьбой M 16;
соединяющих крышку с корпусом по формуле (6.6):
(6.6)
где
- см формулу (6.4);
принимаем болты с резьбой Ml2.
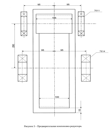
7. ПЕРВЫЙ ЭТАП КОМПОНОВКИ РЕДУКТОРА
Компоновку обычно проводят в два этапа. Первый этап служит для приближённого определения положения зубчатых колес, для последующего определения опорных реакций и подбора подшипников.
Компоновочный чертёж выполняем в одной проекции разрез по осям валов при снятой крышке редуктора.
Примерно по середине листа параллельно его длинной стороне проводим горизонтальную осевую линию; затем две вертикальные линии - оси валов на расстоянии ![]()
Вычерчиваем упрощённо шестерню и колесо в виде прямоугольников; шестерню выполняем за одно целое с валом; длина ступицы колеса равна ширине венца и не выступает за пределы прямоугольника.
Очерчиваем внутреннюю стенку корпуса:
а). принимаем зазор между торцом шестерни и внутренней стенкой корпуса
![]()
б). принимаем зазор от окружности вершин зубьев колеса до внутренней стенки корпуса
![]()
в). принимаем расстояние между наружным кольцом подшипника ведущего вала и внутренней стенкой корпуса ![]()
Так как диаметр вершин зубьев шестерни ведущего вала равен 126,37мм, по конструктивным соображениям для удобства монтажа намечаем роликоподшипники конические однорядные средней широкой серии, где диаметр подшипников равен 120мм. Для ведомого вала намечаем радиальные подшипники тяжелой серии. Габариты подшипников выбираем по диаметру вала в месте посадки подшипников
и
. Параметры подшипников определяем в соответствии с таблицей приложения 7 [1] и сводим в таблицу 2.
Таблица 2 - Параметры подшипников.
| Условное обозначение подшипника | Размеры подшипников, мм | Грузоподъёмность, кН | |||
| d | D | B | C | Co | |
| 7611 | 55 | 120 | 45,5 | 160,0 | 140,0 |
| 7614 | 70 | 150 | 51 | 240,0 | 186 |
Решаем вопрос о смазывании подшипников. Принимаем для подшипников пластичный смазочный материал. Для предотвращения вытекания смазочного материала внутрь корпуса
вымывания пластичного смазочного материала жидким маслом из зоны зацепления устанавливаем мазеудерживающие кольца. Их ширину определяет размер ![]()
Измерением находим расстояние между опорами на ведущем валу
и на ведомом
; принимаем ![]()
![]()
Глубина гнезда подшипника 7611:
; для подшипника 7614;
Толщину фланца
крышки подшипника принимают примерно равной диаметру отверстия ![]()
. Высоту головки болта примем ![]()
Предварительная компоновка редуктора представлена на рисунке 3.

8. РАСЧЕТ ЦЕПНОЙ ПЕРЕДАЧИ
Выбираем приводную роликовую однорядную цепь. Вращающий момент на ведущей звездочке:
Передаточное число цепной передачи
Определим число зубьев:
ведущей звездочки по формуле (8.1):
(8.1)
принимаем ![]()
ведомой звездочки по формуле (8.2):
(8.2)
принимаем ![]()
Тогда фактическое передаточное число равно:
![]()
Отклонение составит:
что меньше допустимого, равного 3%.
Расчетный коэффициент нагрузки определим по формуле (8.3):
(8.3)
где
- динамический коэффициент, в соответствии с рекомендацией на с.149 [1] при
спокойной нагрузке (передача к ленточному конвейеру) ![]()
- коэффициент, учитывающий влияние межосевого расстояния, в соответствии с
рекомендацией на с.150 [1] ![]()
- коэффициент, учитывающий влияние угла наклона линии центров (в данном случае
угол не превышает 60°), в соответствии с рекомендацией на с.150 [1] ![]()
- коэффициент, учитывающий способ регулирования натяжения цепи, в соответствии с рекомендацией на с.150 [1] при периодическом регулировании ![]()
- коэффициент, при непрерывной смазке цепи в соответствии с рекомендацией на с.
150 [1] ![]()
- коэффициент при двусменной работе в соответствии с рекомендацией на с.150 [1]
![]()
Для определения шага цепи ориентировочно зададимся величиной допускаемого давления в шарнирах опоры. Ведущая звездочка имеет частоту вращения ![]()
Среднее значение допускаемого давления в соответствии с рекомендациями в таблице 7.18 [1]
Определим шаг однорядной цепи по формуле (8.4):
(8.4)
где
- вращающий момент на ведомом валу,
;
- число зубьев ведущей звездочки, ![]()
- расчетный коэффициент нагрузки, по расчету ![]()
Подбираем в соответствии с таблицей 7.15 [1] цепь ПР-50,8-226,8 в соответствии с ГОСТ 13568-75, имеющую шаг цепи
разрушающую нагрузку
массу
проекцию опорной поверхности шарнира ![]()
Определим скорость цепи по формуле (8.5):
(8.5)
где
- число зубьев ведущей звездочки, ![]()
п2 - частота вращения ведущей звездочки, ![]()
t - шаг цепи, ![]()
Окружную силу определим по формуле (8.6):
(8.6)
где
- вращающий момент на ведомом валу, ![]()
- угловая скорость ведомого вала, ![]()
- см. формулу (8.5).
Давление в шарнире проверим по формуле (8.7):
(8.7)
где
- см. формулу (8.6);
- см. формулу (8.3);
- проекция опорной поверхности шарнира,
= 473мм.
Уточняем по таблице 7.18. [1] допускаемое давление:
![]()
где р - табличное значение допускаемого давления по таблице 7.18 при
и
![]()
- число зубьев ведущей звездочки, ![]()
следовательно, условие p<![]()
выполнено.
Число звеньев цепи определим по формуле (8.8):
(8.8)
где ![]()
;
![]()
Округляем до четного числа
= 152.
Уточняем межосевое расстояние для цепной передачи по формуле (8.9):
(8.9)
где t - шаг цепи, t=44.45мм;
- число звеньев цепи,
=152;
- суммарное количество зубьев ведущей и ведомой звездочек,
=101;
- см. формулу (8.8).
Для свободного провисания цепи предусматриваем возможность уменьшения межосевого расстояния на 0,4%, т.е. на
.
Определим диаметры делительных окружностей звездочек по формулам (8.10), (8.11):
(8.10)
(8.11)
Определим диаметры наружных окружностей звездочек по формулам (8.12), (8.13):
(8.12)
(8.13)
где
- диаметр ролика цепи, в соответствии с таблицей 7.15 [1] ![]()
Определим силы, действующие на цепь:
окружная сила определена выше: ![]()
от центробежных сил определим по формуле (8.14):
(8.14)
где q - масса цепи, q=7,5кг/м;
v - скорость цепи, ![]()
от провисания по формуле (8.15):
(8.15)
где
- коэффициент, учитывающий расположение цепи, при горизонтальном положении цепи
![]()
q - масса цепи, ![]()
- межосевое расстояние,
.
Расчетную нагрузку на валы определим по формуле (8.16):
![]()
(8.16)
Проверим коэффициент запаса прочности цепи по формуле (8.17):
(8.17)
где Q - разрушающая нагрузка см. таблицу 7.15
, ![]()
- окружная сила,
= 5747Н;
- динамический коэффициент, в соответствии с рекомендацией на с.149 [1] при
спокойной нагрузке (передача к ленточному конвейеру)
= 1;
Fv - действующая на цепь от центробежных сил, Fv=35Н;
Ff - сила, действующая на цепь от провисания цепи, Ff=1072Н.
Это больше, чем нормативный коэффициент запаса в соответствии таблицей 7. 19 [1] равный
следовательно, условие прочности выполнено.
Определим размеры ведущей звездочки:
диаметр ступицы звездочки определим по формуле (8.18):
(8.18)
где
- диаметр выходного конца ведомого вала,
=65мм.
длину ступицы по формуле (8. 19):
(8. 19)
принимаем
=104мм;
толщину диска звездочки по формуле (8. 20)
(8. 20)
где ![]()
- ширина ролика цепи, в соответствии с таблицей 7.15 [1]
=25,4мм.
9. ПРОВЕРКА ДОЛГОВЕЧНОСТИ ПОДШИПНИКОВ
Проведем проверку долговечности подшипников ведущего вала.
Из предыдущих расчётов имеем: ![]()
![]()
из первого этапа компоновки ![]()
![]()
Нагрузка на вал от ременной передачи
= 2718Н. Составляющие этой нагрузки определим по формуле (9.1):
(9.1)
Определим реакции опор:
в плоскости xz по формулам (9.2), (9.3):
![]()
(9.2)
![]()
(9.3)
Проверка: ![]()
в плоскости yz по формулам (9.4), (9.5):
![]()
(9.4)
![]()
(9.5)
Проверка: ![]()
Суммарные реакции определим по формулам (9.6), (9.7):
(9.6)
(9.7)
где
,
- реакции опор в плоскости xz,
= 1106,2H,
= 6103,4H;
,
- реакции опор в плоскости yz,
= 6103,4H,
= 2075,1H
Подбираем подшипники по более нагруженной опоре 2.
Ранее в пункте 7, таблица 2 курсового проекта были приняты роликоподшипники конические однорядные средней широкой серии 7611 с размерами:
=55мм; D=120мм; В=45,5мм; С=160,0кН;
=140,0кН.
Осевые составляющие радиальных реакций конических подшипников определим по формуле (9.8):
(9.8)
![]()
где е – параметр осевого нагружения подшипника 7611, е = 0,32.
В нашем случае:
<
, следовательно,
=
=633Н;
=
Н
Отношение
<е, эквивалентную нагрузку определяем без учета
осевой, следовательно, X = 1,Y= 0.
Эквивалентную нагрузку определим по формуле (9.9):
(9.9)
где
- радиальная нагрузка,
=6447Н;
- осевая нагрузка,
=
;
V-коэффициент, при вращении внутреннего кольца подшипника V=1;
- коэффициент безопасности, согласно таблице 9. 19 [1] для привода к ленточному
конвейеру
=1,5;
- температурный коэффициент, согласно таблице 9.20 [1]
. =1;
Расчётную долговечность, миллион оборотах, определим по формуле (9.10):
(9.10)
где С - грузоподъемность подшипников 7611, С=160,0кН
-эквивалентная нагрузка,
= 9,671кН
Расчётную долговечность в часах определим по формуле (9.11):
(9.11)
где
- частота вращения ведущего вала,
=365,65об/мин.
L - см. формулу (9.10).
Это больше долговечности установленной ГОСТ 16162-85 для зубчатых редукторов, и равной Lh = 10000ч. Столь большая долговечность получена в связи с тем, что для удобства монтажа, т. к. диаметр вершин зубьев червяка
=126,37мм были приняты роликоподшипники
конические однорядные средней широкой серии 7611 диаметр которых равен D=120мм имеющие большую грузоподъемность, равную С=160,0кН.
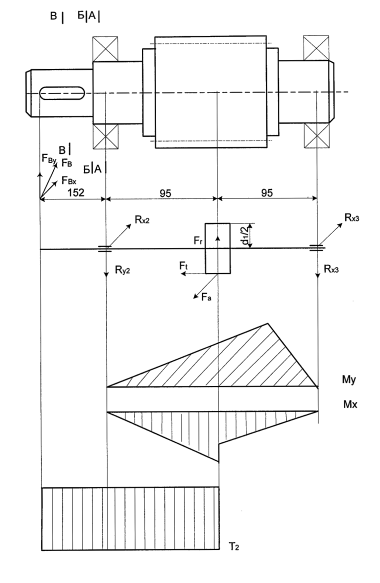
Проведем проверку долговечности подшипников ведомого вала.
Ведомый вал несёт такие же нагрузки, что и ведущий:
= 5287,6Н, Fr= 1958,4Н, F0 = 1279,4Н, нагрузка на вал от цепной передачи равна
=7891Н. Составляющие этой нагрузки определим аналогично формуле (9.1):
![]()
Из первого этапа компоновки
=
= 95vv,
=
=152мм; d2 = 379,63мм.
Реакции опор ведомого вала в плоскости xz определим аналогично формулам (9.2), (9.3):
![]()
![]()
![]()
![]()
Проверка: ![]()
в плоскости yz аналогично формулам (9.4), (9.5):
![]()

![]()

Проверка: ![]()
Суммарные реакции определим аналогично формулам (9.6), (9.8):
![]()
![]()
Выбираем подшипники по более нагруженной опоре 4.
Ранее в пункте 7, таблица 2 курсового проекта были приняты роликоподшипники конические однорядные средней широкой серии 7614 с размерами:
= 70мм; D=150мм; В=51,0мм; С=240,0кН; С0=186,0кН.
Осевые составляющие радиальных реакций конических подшипников определим по формуле (9.8):
![]()
![]()
В нашем случае:
<
, следовательно,
=
=1320Н;
=
Н
Отношение
<е, эквивалентную нагрузку определяем без учета
осевой, следовательно, Х=1, Y=0.
Эквивалентную нагрузку определим по формуле (9.9):
![]()
где
- радиальная нагрузка,
=14887Н;
- осевая нагрузка,
=
=1279,4H;
V-коэффициент, при вращении внутреннего кольца подшипника V=I;
- коэффициент безопасности, согласно таблице 9. 19 [1] для привода к ленточному
конвейеру
=1,5;
-температурный коэффициент, согласно таблице 9.20 [1]
=1;
Расчётную долговечность, миллион оборотах, определим по формуле (9.10):

где С - грузоподъемность подшипников 7614, С=240,0кН
- эквивалентная нагрузка,
= 22,331кН
Расчётную долговечность в часах определим по формуле (9.11):
![]()
где п2 - частота вращения ведомого вала, п2 = 115,8об/мин.
L - см. формулу (9.11).
Это больше долговечности установленной ГОСТ 16162-85 для зубчатых редукторов, и равной
=10000ч.
Расчетная схема ведущего вала представлена на рисунке 4, расчетная схема ведомого вала представлена на рисунке 5.

Рисунок 4 - Расчетная схема ведущего вала.

Рисунок 5 - Расчетная схема ведомого вала.
10. ВТОРОЙ ЭТАП КОМПОНОВКИ РЕДУКТОРА
Второй этап компоновки имеет целью, конструктивно оформит зубчатые колёса, валы, корпус, подшипниковые узлы и подготовить данные для проверки прочности валов и некоторых других деталей.
Порядок выполнения следующий.
Вычерчиваем шестерню и колесо по конструктивным размерам, найденным ранее в пункте 5 курсового проекта. Шестерню выполняем за одно целое с валом.
Конструируем узел ведущего вала.
а) Наносим осевые линии, удалённые от середины редуктора на расстояние
=95мм.
Используя эти осевые линии, вычерчиваем в разрезе подшипники качения (можно
вычерчивать одну половину подшипника, а для второй половины нанести габариты);
б) Между торцами подшипников и внутренней поверхностью стенки корпуса вычерчиваем мазеудерживающие кольца. Их торцы должны выступать внутрь корпуса на 1-2мм от внутренней стенки. Тогда эти кольца выполнят одновременно роль маслоотбрасывающих колец. Для уменьшения числа ступеней вала кольца устанавливаем на тот же диаметр, что и подшипники. Фиксация их в осевом направлении осуществляется заплечиками вала и торцами внутренних колец подшипников;
в) Вычерчиваем крышки подшипников с уплотнительными прокладками (толщиной 1мм) и болтами. Болт условно заводится в плоскость чертежа, о чем свидетельствует вырыв на плоскости разъема.
Войлочные и фетровые уплотнения применяют главным образом в узлах, заполненных пластичной смазкой. Уплотнения манжетного типа широко используют как при пластичных, так и при жидких смазочных материалах;
Аналогично конструируем узел ведомого вала. Обратим внимание на следующие особенности.
а) Для фиксации зубчатого колеса в осевом направлении предусматриваем утолщение вала с одной стороны и установку распорной втулки с другой; место перехода вала смещаем на 2-Змм внутрь подшипника с тем, чтобы гарантировать прижатие мазеудерживающего кольца к торцу втулки (а не к заплечику вала);
б) Отложив от середины редуктора расстояние I2 =95мм, проводим осевые линии и вычерчиваем подшипники.
На ведущем и ведомом валах применяем шпонки призматические со скругленными торцами. Вычерчиваем шпонки, принимая их длины на 5 - 10мм меньше длин ступиц.
11. ПРОВЕРКА ШПОНОЧНЫХ СОЕДИНЕНИЙ
Выбираем шпонки призматические со скруглёнными торцами. Размеры сечений шпонок и пазов и длины шпонок по ГОСТ 23360 - 78 в соответствии с таблицей 8.9 [1].
Параметры шпонок сведем в таблицу 3.
Таблица 3 - Параметры шпонок
Диаметр вала в месте установки шпонки, мм |
Сечение шпонки bxhxl, мм |
Глубина паза | Фаска s х 45 |
|
| вала |
втулка |
|||
| 14 х 9 х 125 | 5,5 | 3,8 | 0,25 – 0,40 | |
| 18 х 11 х 100 | 7,0 | 4,4 | 0,25 – 0,40 | |
| 20 х 12 90 | 7,5 | 4,9 | 0,40 – 0,60 | |
Материал шпонок сталь - 45 нормализованная.
Напряжения смятия и условия прочности определяем по формуле (11.1):
(11.1)
Допускаемые напряжения смятия при стальной ступице
= 100 - 200MПa.
Проведем проверку шпонки на ведущем валу.
Проверим шпонку под ведомым шкивом ременной передачи. Диаметр вала равен
мм, вращающий момент на валу ![]()
Длину шпонки выбираем в зависимости от длины ступицы шкива, которая равна 136мм, длина шпонки составит l=125мм;
<100 – 120МПа
Условие
<
выполнено.
Ведомый вал.
Из двух шпонок под зубчатым колесом и под звездочкой более нагружена вторая (меньше диаметр вала, поэтому меньше размеры поперечного сечения шпонки). Проверим шпонку под звездочкой. Диаметр вала
=65 мм; вращающий момент
Длину шпонки выбираем в зависимости от длины ступицы звездочки, которая равна 104 мм, длина шпонки составит l = 100мм.
<120МПа
Условие
<
выполнено.
12. УТОЧНЁННЫЙ РАСЧЁТ ВАЛОВ
Уточнённый расчёт состоит в определении коэффициентов запаса прочности S для опасных сечений и в сравнении их с допускаемым значением
Прочность соблюдена при S >
.
Примем, что нормальные напряжения от изгиба изменяются по симметричному циклу, а касательные - по отнулевому (пульсирующему).
Будем производить расчёт для предположительно опасных сечений каждого из валов.
Ведущий вал.
Материал вала тот же, что и для шестерни, т.е. сталь 45. Термическая обработка улучшение.
В соответствии таблицей 3.3. [1] при диаметре заготовки более 120 мм, а в нашем случае
среднее значение предела прочности равно
.
Предел выносливости при симметричном цикле изгиба определим по формуле (12.1):
(12.1)
Предел выносливости при симметричном цикле касательных напряжений определим по формуле (12.2):
(12.2)
Сечение A-A (рисунок 4).
Концентрация напряжений обусловлена посадкой подшипника с гарантированным натягом. Диаметр вала в этом сечении равен 55мм. В соответствии с таблицей 8.7 [1] имеем отношение коэффициента концентрации напряжений к масштабному фактору:
; ![]()
Принимаем в соответствии с рекомендациями на с.166 [1] коэффициент для углеродистых сталей
= 0,15 и
.
Изгибающий момент определим по формуле (12.3):
(12.3)
где
- нагрузка на вал от ременной передачи,
= 2718Н;
- длина выходного конца ведущего вала, равная ширине шкива ременной передачи,
= 82мм
Осевой момент определим по формуле (12.4):
(12.4)
где
- диаметр вала под подшипник,
= 55мм;
Амплитуда нормальных напряжений определим по формуле (12.5):
(12.5)
где
- изгибающий момент,
;
W - осевой момент, W
мм3.
Осевая нагрузка на вал
= 1279,4Н мала, следовательно, среднее напряжение цикла нормальных напряжений принимаем
=0
Полярный момент сопротивления определим по формуле (12.6):
(12.6)
Амплитуда и среднее напряжение цикла касательных напряжений определим по формуле(12.7):
(12.7)
где
- вращающий момент на ведущем валу, ![]()
Wp - полярный момент сопротивления, Wр![]()
Коэффициент запаса прочности по нормальным напряжениям определим по формуле (12.8):
(12.8)
где
- предел выносливости при симметричном цикле изгиба,
=297MПа
- амплитуда нормальных напряжений,
=13,7МПа.
Коэффициент запаса прочности по касательным напряжениям определим по формуле (12.9):
(12.9)
где
- предел выносливости при симметричном цикле касательных напряжений,
=172МПа;
- амплитуда цикла касательных напряжений,
=5МПа;
- среднее напряжение цикла касательных напряжений,
=
=5МПа;
- коэффициент для углеродистых сталей,
=0,1.
Результирующий коэффициент запаса прочности для сечения A-Aопределим по формуле (12.10):
(12.10)
где
- коэффициент запаса прочности по нормальным напряжениям,
=6;
- коэффициент запаса прочности по касательным напряжениям,
=13
Сечение Б - Б (рисунок 5).
Концентрация напряжений обусловлена переходом от диаметра 55мм к диаметру 45мм.
При
=1,2;
=0,03, коэффициенты концентрации напряжений в соответствии с таблицей 8.2. [1] равны
=2,24,
=1,49. Масштабные факторы в соответствии с таблицей 8.8. [1] равны
=0,82,
=0,70.
Внутренние силовые факторы те же, что и для сечения A-A.
Осевой момент сопротивления сечения определим по формуле (12.4):
![]()
Амплитуду нормальных напряжений по формуле (12.5):
![]()
Полярный момент сопротивления по формуле (12.6):
![]()
Амплитуду и среднее напряжение цикла касательных напряжений (12.7):
![]()
Коэффициенты запаса прочности по нормальным и касательным напряжениям по формулам (12.8), (12.9):


Результирующий коэффициент запаса прочности сечения Б - Б по формуле (12.10):
![]()
Сечение B-B (рисунок 5).
Концентрация напряжений обусловлена наличием шпоночной канавки. В соответствии с таблицей 8.5 [1]
=1,75;
=1,60; масштабные факторы в соответствии с таблицей 8.8. [1]
равны
=0,81;
=0,79. Диаметр вала в этом сечении равен 45мм.
Изгибающий момент тот же, что и в сечении A-A
=![]()
Момент сопротивления нетто при изгибе, определим по формуле (12.11):
(12.11)
где
- диаметр выходного конца ведущего вала,
=45мм;
b - ширина шпонки, b=14мм
- глубина паза вала,
= 5,5мм
Амплитуду нормальных напряжений изгиба определим по формуле (12.12):
(12.12)
где
- изгибающий момент, ![]()
- момент сопротивления нетто при изгибе, ![]()
Момент сопротивления нетто при кручении определим по формуле (12.13):
(12.13)
где
- диаметр выходного конца ведущего вала,
=45мм;
b - ширина шпонки, b=14мм
- глубина паза вала,
= 5,5мм
Амплитуду и средние напряжения цикла касательных напряжений определим по формуле (12.14):
(12.14)
где
- вращающий момент на ведущем валу, ![]()
- момент сопротивления нетто при кручении,
.
Коэффициент запаса прочности по нормальным и касательным напряжениям определим по формулам (12.8), (12.9):


Результирующий коэффициент запаса прочности сечения В - В по формуле (12.10):

Сведём результаты проверки в таблицу 3.
Таблица 3 - Коэффициенты запаса прочности.
| Сечение | А - А | Б - Б | В - В |
Коэффицент запаса прочности |
5,4 | 3,8 | 4,1 |
Во всех сечениях
Условие прочности выполнено.
Ведомый вал:
Материал вала - сталь 45, термическая обработка - улучшенная. Расчет проведем аналогично расчету ведущего вала. В соответствии таблицей 3.3. [1] при диаметре заготовки более 120мм среднее значение
=690МПа.
Пределы выносливости
=297МПа, а ![]()
Сечение A-A (рисунок 5).
Диаметр выходного конца вала равен 65 мм. Концентрация напряжений обусловлена наличием шпоночной канавки. В соответствии с таблицей 8.5. [1]
=1,75;
=1,60;
масштабные факторы в соответствии с таблицей 8.8. [1] равны
=0,78;
=0,64.
Момент сопротивления сечения нетто при кручении и изгибе при ширине шпонки b=18мм smm, глубине паза
равен:
![]()
![]()
Приняв у ведомого вала длину посадочной части под звездочку равной длине ступицы звездочки l=104мм, положим х=75мм получим изгибающий момент в сечении А - А от консольной нагрузки:
![]()
Амплитуда нормальных напряжений изгиба:
![]()
Амплитуда и средние напряжения цикла касательных напряжений:
![]()
Коэффициенты запаса прочности:


Результирующий коэффициент запаса прочности сечения А - А:

Следовательно, S> [S] =2,5. Условие прочности выполнено.
Это свидетельствует о том, что консольные участки валов оказываются прочными и что учёт консольной нагрузки не вносит существенных изменений. По этой причине проверять прочность в сечениях Б - Б и В - В нет необходимости.
13. ПОСАДКИ ЗУБЧАТОГО КОЛЕСА И ПОДШИПНИКОВ
Посадки назначаем в соответствии данными в таблице 10.13 [1]. Посадки зубчатого колеса
на вал
по ГОСТ 25347 - 82. Шейки валов под подшипники выполняем с отклонением вала
к6. Отклонения отверстий в корпусе под наружные кольца по Н7. Посадка шкива ременной
передачи на вал
. Посадка звездочки цепной передачи на вал
.
14. ВЫБОР СОРТА МАСЛА
Смазывание зубчатого зацепления производится окунанием зубчатого колеса в масло, разливаемое внутрь корпуса до уровня, обеспечивающего погружение колеса примерно на 10мм. Объём масляной ванны Vопределяем из расчёта 0,25 дм3 масла на 1кВт передаваемой мощности при Ртр =12,38кВт имеем:
.
По таблице 10.8 [1] устанавливаем вязкость масла. При контактных напряжениях
и скорости V=2,3м/с, рекомендуемая вязкость масла должна быть равна
Принимаем масло индустриальное И - 30A по ГОСТ 20799 - 50.
Камеры подшипников заполняем пластичным смазочным материалом УТ-1, периодически пополняя его шприцем через маслёнку.
15. СБОРКА РЕДУКТОРА
Перед сборкой внутреннюю полость корпуса редуктора тщательно очищают и покрывают маслостойкой краской.
Сборку производят в соответствии со сборочным чертежом редуктора, начиная с узлов валов:
- на ведущий вал насаживают мазеудерживающие кольца и шарикоподшипники, предварительно нагретые в масле до 80-100° С;
- в ведомый вал закладывают шпонку и напрессовывают зубчатое колесо до упора в бурт вала; затем надевают распорную втулку, мазеудерживающие кольца и устанавливают шарикоподшипники, предварительно нагретые в масле.
Собранные валы укладывают в корпус редуктора и надевают крышку корпуса, покрывая предварительно поверхности стыка крышки и корпуса спиртовым лаком. Для центровки устанавливают крышку на корпус с помощью двух конических штифтов; затягивают болты, крепящие крышку к корпусу.
После этого на ведомый вал надевают распорное кольцо; в подшипниковые камеры закладывают пластичную смазку; ставят крышки подшипников с комплектом металлических прокладок для регулировки. Перед постановкой сквозных крышек в протоки закладывают войлочные уплотнения, пропитанные горячим маслом. Проверяют проворачиванием валов отсутствие заклинивания подшипников (валы должны проворачиваться от руки) и закрепляют крышки винтами.
Затем ввёртывают пробку маслоспускного отверстия с прокладкой и жезловый маслоуказатель.
Заливают в корпус масло и закрывают смотровое отверстие крышкой с прокладкой из технического картона; закрепляют крышку болтами.
Собранный редуктор обкатывают и подвергают испытанию на стенде по программе, устанавливаемой техническими условиями.
СПИСОК ЛИТЕРАТУРЫ
1. С.А. Чернавский Курсовое проектирование деталей машин, M.: Машиностроение, 1988
2. П.Ф. Дунаев, О.П. Леликов Конструирование узлов и деталей машин, M.: Высшая школа, 2000.
3. П.Ф. Дунаев, О.П. Леликов Детали машин, M.: Высшая школа, 1987.