| Скачать .docx |
Дипломная работа: Проектування парової турбіни
ЗМІСТ
Вступ
1. Теплові розрахунки
1.1 Орієнтовний розрахунок проточної частини
1.1.1 Попередня оцінка економічності й теплової потужності турбіни
1.1.2 Визначення параметрів робочого тіла за регулюючим ступенем на номінальному режимі роботи турбіни
1.1.3 Розрахунок ступенів тиску
1.1.4 Визначення витрат у регенеративні відбори й витрати пари на турбіну
1.1.5 Визначення висот соплових і робочих лопаток
1.2 Уточнення процесу розширення в ступенях
1.2.1 Визначення геометричних характеристик і ККД двохвінцевого регулюючого ступеня на його розрахунковому режимі
1.2.2 Розрахунок ступенів тиску
2. Розрахунок на міцність лопатки 7-го ступеня
2.1Вибір профілю робочих лопаток
2.2Розрахунок профільної частини лопатки з постійною площею поперечних перерізів на розтяг від відцентрованих сил
2.3Розрахунок лопатки постійного профілю на згин від парового зусилля
3. Економічний розділ
3.1 Теоретична частина
3.2 Економічний розрахунок
3.3 Висновки і аналіз отриманих результатів
4. Охорона праці та навколишнього середовища
4.1 Загальні питання охорони праці
4.2 Промислова санітарія
4.2.1 Метеорологічні умови
4.2.2 Вентиляція і опалення
4.2.3 Виробниче освітлення
4.2.4 Шум і вібрація
4.3 Вимоги безпеки
4.4 Пожежна безпека
4.5 Охорона навколишнього середовища
Висновок
Список джерел інформації
Парова турбіна є двигуном, у якому потенційна енергія пари перетворюється в кінетичну енергію, а остання у свою чергу перетвориться в механічну енергію обертання вала. Вал турбіни безпосередньо, або за допомогою зубчастої передачі з'єднується з робочою машиною, у ролі якої можуть виступати генератор, компресор, повітродувка, насос, і інше промислове устаткування. У цей час парові турбіни успішно працюють на теплових електричних станціях, промислових підприємствах і на інших об'єктах. Вони є основою сучасної енергетичної промисловості, тому основним завданням, що стоїть перед проектувальниками турбін, є підвищення їхньої економічності.
При розробці нової турбіни основним об'єктом проектування є проточна частина турбіни. Проточна частина визначає конструкцію всього турбоагрегату. Вибір характеристик проточної частини залежить від призначення й потужності турбіни, умов її роботи при часткових навантаженнях, а також від прийнятої на заводі-виготовлювачі технології виробництва.
Крім теплового розрахунку проточної частини й розрахунку її геометрії як спеціальне завдання виконаю розрахунок на мiцнiсть робочої лопатки 7-го ступеня.
В економічній частині проекту виконаю розрахунок собівартості відпущеного 1кВтг електроенергії відпускаємої на спроектованій установці.
У розділі охорони праці й навколишнього середовища розглянуті вимоги до організації безпечної й найменш шкідливої для людини й навколишнього середовища експлуатації турбоагрегату, що особливо важливо для сучасного суспільства.
1.1 Орієнтовний розрахунок проточної частини
1.1.1 Попередня оцінка економічності й теплової потужності турбіни
Ефективна потужність турбіни може бути визначена по електричній потужності генератора, якщо відомі ККД генератора й ККД редуктора :
,
де
- ККД електрогенератора,
0,981,
- ККД редуктора,
1.
22,426
.
Знаючи ефективну потужність, можна знайти ефективний ККД
[1] і відносний внутрішній ККД
турбіни :
,
де
- механічний ККД,
0,993,
0,805,
0,8107.
Приймаючи втрати в клапанах рівними приблизно 3 %, визначаємо параметри робочого тіла на вході в турбіну :
;
8,536
;
;
528,86
,
де
3464
,
0,0408
;
6,781
.
Визначаємо ізоэнтропний перепад на турбіну
,
:
,
де
2121,1
,
1343,5
.
Визначаємо дійсний перепад на турбіну
,
:
,
1089,1
.
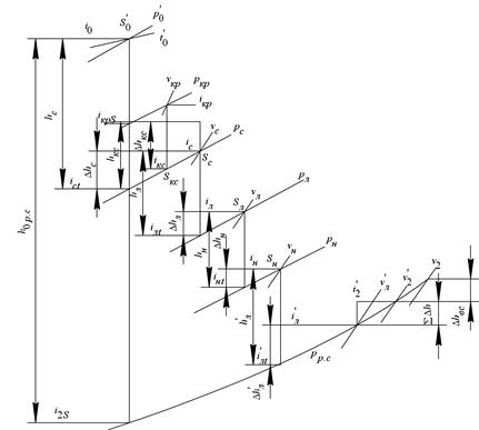
Будуємо процес розширення в турбіні в I-S діаграмі (рис. 2.1) і визначаємо параметри пари за турбіною:
2375,5
;
;
6,951
,
0,92,
16,65
,
41,51
.

Рисунок 2.1 – Визначення пари за регулюючим ступенем (на вході в ступінь тиску) на номінальному режимі роботи турбіни
1 .1.2 Визначення параметрів робочого тіла за регулюючим ступенем на номінальному режимі роботи турбіни
Розрахунковий режим регулюючого ступеня вибирають із умови роботи турбіни в змінному режимі. Як правило, це режим часткового навантаження, що становить приблизно
, де
- ефективна потужність на валу в розрахунковому режимі
. У режимах часткових навантажень перепад на регулюючий ступінь збільшується, а на ступені тиску зменшується. Тому намагаються спрацювати цей перепад з максимально можливим ККД і всі основні характеристики цього ступеня (кути решітки, площі прохідних перетинів, висоти лопаток і відношення
) повинні відповідати режиму часткового навантаження турбіни.
Тоді в номінальному режимі роботи турбіни регулюючий ступінь буде працювати при підвищених відносинах
і при інших параметрах за нею.
Прийнявши середній діаметр ступеня, як у прототипу, знайдемо окружну швидкість на середньому діаметрі
,
:
,
де
- середній діаметр ступеня,
0,87
;
- частота обертання ротора.
163,908
.
Швидкість
,
, і теплоперепад
,
, знаходять за формулами:
,
де
для двохвінцевого ступеня можна прийняти рівним 0,25
910,600
;
,
414,596
.
По розташовуваному перепаду
на регулюючий ступінь можна визначити тиск за ним на його розрахунковому режимі й всі параметри ізоентропійного розширення:
,
3049,9096
;
2,151
.
Задавшись орієнтовно відносним внутрішнім ККД регулюючого ступеня на його розрахунковому режимі, можна визначити його використаний теплоперепад
,
:
,
де
0.75
310,947
.
І тоді дійсний стан пари за регулюючим ступенем у режимі часткових навантажень турбіни:
,
3153,645
;
,
6,951
,
0,131
,
344,064
.
Всі наступні ступені тиску повинні бути спроектовані й розраховані так, щоб їх максимальний ККД був реалізований у режимі номінального навантаження
. Для цього необхідно визначити параметри за регулюючим ступенем на номінальному режимі роботи турбіни. При зміні навантаження на турбіну відбувається зміна витрати через проточну частину, яку можна вважати пропорційним зміні навантаження:
![]()
Тиск у камері регулюючого ступеня на номінальному режимі роботи турбіни розраховуємо по формулі Флюгеля, записаної для відсіку проточної частини, що складається із ступенів тиску:
,
де
й
- витрати відповідно на частковому й номінальному режимах роботи турбіни,
,
![]()
і
- тиск за регулюючим ступенем відповідно на
цих режимах,
,
і
- температура за регулюючим ступенем,
,
і
- тиск за турбіною на цих режимах,
.
Для конденсаційних турбін тиск за турбіною значно менше тиску в голові машини й тому відношенням
у формулі Флюгеля можна зневажити:

Оскільки разом з тиском за регулюючим ступенем у змінному режимі міняється й температура, то в рівнянні два невідомих; у першому розрахунку можна прийняти:
![]()
У цьому випадку
,
і по знайденому тиску визначаємо температуру в камері регулюючого ступеня на номінальному режимі (рис. 2.1):
.
У другій спробі слід уточнити тиск
із урахуванням отриманої температури
.
У підсумку одержуємо:
2,688
,
344,064![]()
Знаючи тиск за регулюючим ступенем на номінальному режимі
, визначаємо тепломісткість за регулюючим ступенем при ізоентропному розширенні в ньому
,
:
3115,771
.
і перепад на регулюючий ступінь у номінальному режимі роботи турбіни
,
:
,
348,821
.
Відношення
на номінальному режимі роботи турбіни, що є розрахунковим для ступенів тиску, знаходимо з виразу:
,
0,196.
Для визначення інших параметрів за регулюючим ступенем необхідно обчислити її ККД на номінальному режимі, що можна зробити за графіком [1].
0,743.
Використаний теплоперепад регулюючого ступеня на номінальному режимі
,
, буде таким:
,
259
,
і тоді
,
3205,593
;
6,901
.
Ця точка і є точкою початку процесу розширення в ступенях тиску на номінальному режимі роботи турбіни.
1.1.3 Розрахунок ступенів тиску
Оскільки проектування в бакалаврському проекті ведеться на базі турбіни-прототипу, то при розподілі теплоперепаду по ступенях середні діаметри й висоти лопаток на першому етапі розрахунку приймаються такими, як у турбіні-прототипі.
Спочатку визначаємо ступінь реактивності на середньому радіусі ступеня по залежності, отриманої для закону закручення соплового апарата ![]()

Коренева реактивність приймається в інтервалі
, причому менші значення
відповідають коротким лопаткам, а більші — довгим. Значення кута
приймається в діапазоні від 10 до 20° з аналогічною зміною по проточній частині.
Знаходимо значення
залежно від
:
,
тут
0,97.
По відношенню
й окружній швидкості
,
обчислюємо швидкість
,
:
,
і розташовуваний теплоперепад ентальпії на ступінь по загальмованих параметрах
,
:
![]()
Значення адіабатичного перепаду ентальпій на ступінь менше, ніж розташовуваний на величину, еквівалентну енергії з вихідною швидкістю попереднього ступеня
,
:
![]()
Коефіцієнт втрат з вихідною швидкістю
для активних ступенів можна прийняти рівним
.
У загальному випадку
![]()
Тут
- коефіцієнт використання вихідної швидкості. Він залежить від конструктивних особливостей проточної частини. Для першого ступеня відсіку
, для післявідбірних ступенів
і тільки для ступенів, розташованих безпосередньо один за одним можна прийняти
.
Тоді
,
де
- розташовуваний теплоперепад попереднього ступеня.
Сума адіабатичних теплоперепадів становить теплоперепад у проточній частині ступенів тиску:
![]()
З іншого боку, розташовуваний теплоперепад на ступені тиску може бути визначений за допомогою коефіцієнта повернення теплоти
:
,
,
де
- ізоентропний теплоперепад ступенів тиску (див. рис. 2.1),
,
- число ступенів тиску,
0.85,
в області перегрітої пари.
Якщо сума адіабатичних перепадів на ступені не дорівнює тепло перепаду, що мається у розпорядженні, визначеному за коефіцієнтом повернення тепла, то варто ввести корективи в проточну частину машини. Якщо різниця
![]()
порівняно з теплоперепадом на ступінь, то можна змінити число ступенів, якщо вона менше, те можна змінити або відношення
, або діаметри ступенів (однієї або групи).
Домігшись дотримання рівності
починаємо будувати процес розширення в ступенях тиску в
діаграмі. Для цього спочатку будуємо наближену політропу розширення, з'єднуючи прямою точку
із точкою
яка визначає параметри пари за турбіною. Починаючи з першого ступеня, послідовно для кожного із ступенів знаходимо статичний тиск за ступенем й інші параметри стану пари. Для цього визначаємо ентальпію за ступенем як різницю ентальпії перед ступенем й її адіабатичним перепадом:
,
.
а в точці перетинання відповідної ізобари й політропи розширення в турбіні всі інші параметри за щаблем -
(рис 2.2).
Результати розрахунку зводимо в таблицю 2.1.
| Параметр | Номер ступеня | ||||
| 2 | 3 | 4 | 5 | 6 | |
| Середній діаметр Dср , м | 873 | 876 | 880 | 884 | 890 |
| Кореневий діаметр Dк , м | 844 | 844 | 844 | 844 | 844 |
| Коренева степінь реактивності ρк | 0,05 | 0,055 | 0,06 | 0,065 | 0,07 |
| Коефіцієнт швидкості сопів φ | 0,97 | 0,97 | 0,97 | 0,97 | 0,97 |
| Кут виходу пари із сопел α1ср , град | 10 | 10,5 | 11 | 11,5 | 12 |
| Степінь реактивності на середньому діаметрі ρср | 0,107 | 0,117 | 0,129 | 0,140 | 0,155 |
| Відношення U/Cф | 0,486 | 0,488 | 0,491 | 0,494 | 0,497 |
| Окружна швидкість U, м/с | 164,47 | 165,03 | 165,79 | 166,546 | 167,67 |
| Швидкість Сф , м/с | 338,15 | 337,88 | 337,66 | 337,475 | 337,37 |
| Перепад по загальмованих параметрах h0 * ,кДж/кг | 57,175 | 57,082 | 57,008 | 56,945 | 56,911 |
| Коеф. використання вихідної швидкості γ | 0 | 0 | 1 | 0 | 1 |
| Адіабатичний перепад на ступінь h0 , кДж/кг | 57,175 | 57,082 | 53,012 | 56,945 | 52,924 |
| Параметр | Номер ступеня | ||||
| 7 | 8 | 9 | 10 | 11 | |
| Середній діаметр Dср , м | 922 | 930 | 936 | 950 | 988 |
| Кореневий діаметр Dк , м | 902 | 902 | 902 | 902 | 928 |
| Коренева степінь реактивності ρк | 0,075 | 0,08 | 0,085 | 0,09 | 0,095 |
| Коефіцієнт швидкості сопів φ | 0,97 | 0,97 | 0,97 | 0,97 | 0,97 |
| Кут виходу пари із сопел α1ср , град | 12,5 | 13 | 13,5 | 14 | 14,5 |
| Степінь реактивності на середньому діаметрі ρср | 0,111 | 0,129 | 0,143 | 0,170 | 0,190 |
| Відношення U/Cф | 0,483 | 0,487 | 0,491 | 0,498 | 0,503 |
| Окружна швидкість U, м/с | 173,705 | 175,212 | 176,34 | 178,98 | 186,139 |
| Швидкість Сф , м/с | 359,560 | 359,537 | 359,50 | 359,75 | 370,337 |
| Перепад по загальмованих параметрах h0 * ,кДж/кг | 64,642 | 64,633 | 64,621 | 64,713 | 68,575 |
| Коеф. використання вихідної швидкості γ | 0 | 1 | 0 | 1 | 0 |
| Адіабатичний перепад на ступінь h0 , кДж/кг | 64,642 | 60,108 | 64,621 | 60,189 | 68,575 |
| Параметр | Номер ступеня | |||||
| 12 | 13 | 14 | 15 | 16 | 17 | |
| Середній діаметр Dср , м | 1036 | 1102 | 1171 | 1258 | 1316 | 1374 |
| Кореневий діаметр Dк , м | 955 | 982 | 1013 | 1024 | 1024 | 1024 |
| Коренева степінь реактивності ρк | 0,1 | 0,105 | 0,11 | 0,115 | 0,12 | 0,125 |
| Коефіцієнт швидкості сопів φ | 0,97 | 0,97 | 0,97 | 0,97 | 0,97 | |
| Кут виходу пари із сопел α1ср , град | 15 | 15,5 | 16 | 16,5 | 17 | 17,5 |
| Степінь реактивності на середньому діаметрі ρср | 0,220 | 0,268 | 0,308 | 0,380 | 0,429 | 0,471 |
| Відношення U/Cф | 0,511 | 0,527 | 0,542 | 0,572 | 0,595 | 0,617 |
| Окружна швидкість U, м/с | 195,18 | 207,61 | 220,61 | 237,007 | 247,93 | 258,86 |
| Швидкість Сф , м/с | 381,66 | 393,68 | 407,37 | 414,610 | 417,01 | 419,57 |
| Перепад по загальмованих параметрах h0 * ,кДж/кг | 72,834 | 77,493 | 82,978 | 85,951 | 86,949 | 88,020 |
| Коеф. використання вихідної швидкості γ | 1 | 1 | 0 | 0 | 0 | 0 |
| Адіабатичний перепад на ступінь h0 , кДж/кг | 68,033 | 72,395 | 82,978 | 85,951 | 86,949 | 88,020 |

Рисунок 2.2 – Визначення параметрів пари за ступенями тиску
1.1.4 Визначення витрат у регенеративні відбори й витрати пари на турбіну
При розрахунку заданими є число ступенів підігріву, температура живильної води на виході з останнього підігрівника
й температура води на вході в перший підігрівач.
Для конденсаційної турбіни остання являє собою температуру конденсату.
Кількість відбираємої пари з турбіни визначається теплообміном у підігрівачу й залежить від витрати підігріває мого конденсату, його температури на вході й виході й від параметрів пари у відборі. Вода при цьому на виході з підігрівача нагрівається до температури, близької до температури конденсації пари:
,
де
- температура насичення при прийнятому тиску у відборі, °С.
Розподіл підігріву приймається рівномірним:
,
і при ![]()
,
,
(рис. 2.3).
Відповідно, і температура насичення у відборах з обліком недогріву буде такою:
і т.д.
По температурі насичення можна визначити тиск у відборі:
,
,
.

Рисунок 2.3 – Схема регенеративного підігріву води й зображення процесу в
діаграмі
Якщо при цьому тиски у відборах не збігаються з тисками між ступенями, які вийшли в результаті розподілу теплоперепадів по ступенях, то їх варто змінити, прийнявши найближчий тиск за ступенями, віддаючи перевагу меншим значенням. Становимо рівняння теплового балансу для кожного з підігрівачів з умови рівності ентальпії води на виході з підігрівача сумі ентальпій води й гріючої пари на вході в нього (рис. 2.3):
,
,
,
де ![]()
.
;
- витрата у відбір,
;
- витрата в голову машини,
.
Температура води на вході в перший підігрівач може бути знайдена по
температурі насичення в конденсаторі:
,
.
Вирішуючи систему рівнянь, можна обчислити відносні витрати в підігрівач
.
Результати розрахунку заносимо в таблицю 2.2.
Далі по заданій електричній потужності уточнюємо витрату пари на турбіну
,
:
,
тут
- використані перепади ентальпії відповідно в 1-му, 2-му, 3-му, 4-му відсіках проточної частини.
494,567
,
54,945
,
334,834
,
292,344
,
21,129
.
Витрата через першу ділянку проточної частини від камери регулюючого ступеня до першого відбору
,
:
,
21,129
.
Витрата через другу ділянку між першим і другим відбором
,
:
,
19,907
.
Витрата через третю ділянку між другим і третім відбором
,
:
проточна турбіна лопатка турбоагрегат
,
19,103
.
і витрата через останню ділянку між третім відбором і конденсатором
,
:
,
15,889
.
Результати розрахунку зводимо в таблицю2.2.
Таблиця 2.2 – До визначення витрат у відбори
| Параметр | Відбори (по ходу пари) | ||
| 1 | 2 | 3 | |
| Тиск відбору Pj , МПа | 1,502 | 0,730 | 0,406 |
| Ентальпія пари, що відбирається ij , кДж/кг | 2970,025 | 2915,08 | 2580,246 |
| Температура насичення tн , о С | 198,3 | 166,6 | 144,15 |
| Відносна витрата пари у відбір αj | 0,058 | 0,038 | 0,152 |
| Використовуваний перепад, що доводиться на відсік турбіни перед відбором (hi )j , кДж/кг | 494,56 | 54,945 | 334,834 |
1.1.5 Визначення висот соплових і робочих лопаток
Для кожного ступеня, починаючи з першого, знаходимо перепад ентальпії в сопловому апараті на середньому діаметрі
,
:
,
де
- степінь реактивності, яка обрана була раніше.
Обчислюємо:
,
,
і в точці перетинання політропи розширення й ізобари
визначаємо параметри на виході із соплового апарату:
,
,
. Якщо відношення тисків
(0,546 - для перегрітої пари, 0,577 – для насиченого), то площу сопел
,
, розраховуємо за виразом
,
де
- витрата через ступінь,
,
- питомий об'єм у горловому перерізі соплових решіток,
,
- коефіцієнт витрати сопла [1].
.
Якщо відношення тисків дорівнює або менше критичного, то площу сопел у горловому перерізі
,
, визначаємо з вираження:
,
де
;
- тиск перед ступенем,
,
- питомий об'єм перед ступенем,
,
якщо
,
,
,
; у вологої пари
.
Знаючи площу сопел, і зберігши прийняте раніше значення кутів
можна обчислити,
,
:
.
Оптимальні з погляду ККД ступеня значення степені парціальності для одновінцевого ступеня
,
, може бути розраховане за виразом:
.
Знаючи оптимальну парціальність, знаходимо висоту сопел
.
При цьому обрану степінь парціальності
зберігають у межах відсіку проточної частини (між відборами).
Висоти робочих лопаток у першому наближенні можна визначити шляхом додавання до висоти сопел значення передаху [1], що залежить від висоти соплових лопаток.
Прийнявши те або інше значення передаху, визначаємо висоту лопаток:
.
Розрахунок зводимо в таблицю 2.3.
Перш ніж перейти до докладного розрахунку, варто переконатися в плавності проточної частини, для чого необхідно побудувати так званий конус проточної частини. Побудова конуса, представлена на рис. 2.4.
| Найменування величини | Номер ступеня | |||||
| 2 | 3 | 4 | 5 | 6 | ||
| Секундна витрата пари G, кг/с | 21,129 | 21,129 | 21,129 | 21,129 | 21,129 | |
| Тиск пари перед ступенем P0 * , МПа | 2,759 | 2,259 | 1,835 | 1,502 | 1,200 | |
| Тиск пари за соплами Pc , МПа | 2,308 | 1,881 | 1,542 | 1,239 | 0,999 | |
| Удільний об’єм за соплом vc , м3 /кг | 0,122 | 0,144 | 0,169 | 0,202 | 0,240 | |
| Теплоперепад на сопловий апарат hc, кДж/кг | 51,068 | 50,411 | 46,196 | 48,970 | 44,735 | |
| Швидкісний коефіцієнт сопла φс | 0,97 | 0,97 | 0,97 | 0,97 | 0,97 | |
| Швидкість витікання пари із сопел C1t , м/с | 319,58 | 317,52 | 315,209 | 312,952 | 310,174 | |
| Відношення тисків Pc /P0 * | 0,837 | 0,833 | 0,840 | 0,825 | 0,833 | |
| Коеф. витрати сопла μс | 0,956 | 0,958 | 0,959 | 0,961 | 0,962 | |
| Площа горлового зрізу сопел Fc , м2 | 0,008 | 0,010 | 0,012 | 0,014 | 0,017 | |
| Середній діаметр соплового апарату Dc.cp | 0,873 | 0,876 | 0,88 | 0,884 | 0,89 | |
| Кут виходу пари із сопел α1ср , град | 10 | 10,5 | 11 | 11,5 | 12 | |
| Степінь парциальности ε | 0,666 | 0,706 | 0,749 | 0,800 | 0,855 | |
| Висота соплових решіток lc ,мм | 26,625 | 28,253 | 29,943 | 32,005 | 34,194 | |
| Величина передаху | Δк , мм | 1,000 | 1,000 | 1,000 | 1,000 | 1,000 |
| Δн , мм | 2,000 | 2,000 | 2,000 | 2,000 | 2,000 | |
| Висота робочої лопатки lл , мм | 29,625 | 31,253 | 32,943 | 35,005 | 37,194 | |
| Найменування величини | Номер ступеня | |||||
| 7 | 8 | 9 | 10 | 11 | ||
| Секундна витрата пари G, кг/с | 19,907 | 19,907 | 19,907 | 19,907 | 19,103 | |
| Тиск пари перед ступенем P0 * , МПа | 0,965 | 0,730 | 0,555 | 0,406 | 0,298 | |
| Тиск пари за соплами Pc , МПа | 0,754 | 0,576 | 0,425 | 0,315 | 0,220 | |
| Удільний об’єм за соплом vc , м3 /кг | 0,300 | 0,373 | 0,475 | 0,605 | 0,809 | |
| Теплоперепад на сопловий апарат hc, кДж/кг | 57,487 | 52,360 | 55,361 | 49,965 | 55,568 | |
| Швидкісний коефіцієнт сопла φс | 0,97 | 0,97 | 0,97 | 0,97 | 0,97 | |
| Швидкість витікання пари із сопел C1t , м/с | 339,07 | 335,56 | 332,750 | 327,782 | 333,369 | |
| Відношення тисків Pc /P0 * | 0,781 | 0,788 | 0,766 | 0,775 | 0,738 | |
| Коеф. витрати сопла μс | 0,964 | 0,965 | 0,967 | 0,968 | 0,969 | |
| Площа горлового зрізу сопел Fc , м2 | 0,018 | 0,023 | 0,029 | 0,038 | 0,048 | |
| Середній діаметр соплового апарату Dc.cp | 0,922 | 0,93 | 0,936 | 0,95 | 0,988 | |
| Кут виходу пари із сопел α1ср , град | 12,5 | 13 | 13,5 | 14 | 14,5 | |
| Степінь парциальности ε | 0,855 | 0,934 | 1,000 | 1,000 | 1,000 | |
| Висота соплових решіток lc ,мм | 34,210 | 37,377 | 42,892 | 52,639 | 61,541 | |
| Величина передаху | Δк , мм | 1,000 | 1,000 | 1,000 | 1,000 | 1,000 |
| Δн , мм | 2,000 | 2,000 | 2,000 | 2,000 | 2,000 | |
| Висота робочої лопатки lл , мм | 37,210 | 40,377 | 45,892 | 55,639 | 64,541 | |
| Найменування величини | Номер ступеня | ||||||
| 12 | 13 | 14 | 15 | 16 | 17 | ||
| Секундна витрата пари G, кг/с | 19,103 | 19,103 | 15,888 | 15,888 | 15,888 | 15,888 | |
| Тиск пари перед ступенем P0 * , МПа | 0,204 | 0,138 | 0,089 | 0,052 | 0,029 | 0,016 | |
| Тиск пари за соплами Pc , МПа | 0,150 | 0,100 | 0,062 | 0,037 | 0,021 | 0,011 | |
| Удільний об’єм за соплом vc , м3 /кг | 1,134 | 1,630 | 2,511 | 4,015 | 6,753 | 11,862 | |
| Теплоперепад на сопловий апарат hc, кДж/кг | 53,075 | 52,971 | 57,399 | 53,280 | 49,687 | 46,563 | |
| Швидкісний коефіцієнт сопла φс | 0,97 | 0,97 | 0,97 | 0,97 | 0,97 | 0,97 | |
| Швидкість витікання пари із сопел C1t , м/с | 337,10 | 336,75 | 338,81 | 326,43 | 315,23 | 305,16 | |
| Відношення тисків Pc /P0 * | 0,736 | 0,727 | 0,696 | 0,701 | 0,704 | 0,705 | |
| Коеф. витрати сопла μс | 0,971 | 0,972 | 0,974 | 0,975 | 0,977 | 0,978 | |
| Площа горлового зрізу сопел Fc , м2 | 0,066 | 0,095 | 0,121 | 0,200 | 0,348 | 0,631 | |
| Середній діаметр соплового апарату Dc.cp | 1,036 | 1,09 | 1,171 | 1,25 | 1,316 | 1,374 | |
| Кут виходу пари із сопел α1ср , град | 15 | 15,5 | 16 | 16,5 | 17 | 17,5 | |
| Степінь парциальности ε | 1,000 | 1,000 | 1,000 | 1,000 | 1,000 | 1,000 | |
| Висота соплових решіток lc ,мм | 78,580 | 103,95 | 119,27 | 179,69 | 288,37 | 486,4 | |
| Величина передаху | Δк , мм | 1,000 | 1,000 | 1,000 | 1,500 | 2,000 | 2,500 |
| Δн , мм | 2,000 | 2,000 | 2,000 | 2,500 | 3,000 | 3,500 | |
| Висота робочої лопатки lл , мм | 81,580 | 106,95 | 122,27 | 183,69 | 293,37 | 492,4 | |
1.2 Уточнення процесу розширення в ступенях
На першій стадії розрахунків проточної частини визначали геометрію ступенів при заданих значеннях коефіцієнтів швидкості, витрати й ККД. У наступних розрахунках ККД ступенів обчислюють по відомих геометричних характеристиках решітки і режимних характеристик ступенів, які були знайдені на попередньому етапі розрахунку з урахуванням коректування після побудови конуса проточної частини, якщо така була.
Таблиця 2. 4 – Вихідні дані для докладного розрахунку
| Найменування величини | Номер ступеня | ||||
| 2 | 3 | 4 | 5 | 6 | |
| Середній діаметр соплового апарата Dc , м | 0,873 | 0,876 | 0,88 | 0,884 | 0,89 |
| Висота соплових лопаток lc , мм | 26,625 | 28,253 | 29,943 | 32,005 | 34,194 |
| Кореневий передах Δк , мм | 1,000 | 1,000 | 1,000 | 1,000 | 1,000 |
| Зовнішній передах Δн , мм | 2,000 | 2,000 | 2,000 | 2,000 | 2,000 |
| Висота робочих лопаток lр , мм | 29,625 | 31,253 | 32,943 | 35,005 | 37,194 |
| Адіабатичний перепад ступеня h0 , кДж/кг | 57,175 | 57,082 | 53,012 | 56,945 | 52,924 |
| Тиск (статичний) перед ступенем Р0 , МПа | 2,759 | 2,259 | 1,835 | 1,502 | 1,200 |
| Степінь реактивності на середньому діаметрі ρср | 0,107 | 0,117 | 0,129 | 0,140 | 0,155 |
| Кут виходу із сопел на середньому діаметрі α1 , град | 10 | 10,5 | 11 | 11,5 | 12 |
| Степінь парциальності ε | 0,666 | 0,706 | 0,749 | 0,800 | 0,855 |
| Найменування величини | Номер ступеня | ||||
| 7 | 8 | 9 | 10 | 11 | |
| Середній діаметр соплового апарата Dc , м | 0,922 | 0,93 | 0,936 | 0,95 | 0,988 |
| Висота соплових лопаток lc , мм | 34,210 | 37,377 | 42,892 | 52,639 | 61,541 |
| Кореневий передах Δк , мм | 1,000 | 1,000 | 1,000 | 1,000 | 1,000 |
| Зовнішній передах Δн , мм | 2,000 | 2,000 | 2,000 | 2,000 | 2,000 |
| Висота робочих лопаток lр , мм | 37,210 | 40,377 | 45,892 | 55,639 | 64,541 |
| Адіабатичний перепад ступеня h0 , кДж/кг | 64,642 | 60,108 | 64,621 | 60,189 | 68,575 |
| Тиск (статичний) перед ступенем Р0 , МПа | 0,965 | 0,730 | 0,555 | 0,406 | 0,298 |
| Степінь реактивності на середньому діаметрі ρср | 0,111 | 0,129 | 0,143 | 0,170 | 0,190 |
| Кут виходу із сопел на середньому діаметрі α1 , град | 12,5 | 13 | 13,5 | 14 | 14,5 |
| Степінь парциальності ε | 0,855 | 0,934 | 1,000 | 1,000 | 1,000 |
| Найменування величини | Номер ступеня | |||||
| 12 | 13 | 14 | 15 | 16 | 17 | |
| Середній діаметр соплового апарата Dc , м | 1,036 | 1,09 | 1,171 | 1,25 | 1,316 | 1,374 |
| Висота соплових лопаток lc , мм | 78,580 | 103,958 | 119,275 | 179,696 | 288,373 | 486,497 |
| Кореневий передах Δк , мм | 1,000 | 1,000 | 1,000 | 1,500 | 2,000 | 2,500 |
| Зовнішній передах Δн , мм | 2,000 | 2,000 | 2,000 | 2,500 | 3,000 | 3,500 |
| Висота робочих лопаток lр , мм | 81,580 | 106,958 | 122,275 | 183,696 | 293,373 | 492,497 |
| Адіабатичний перепад ступеня h0 , кДж/кг | 68,033 | 72,395 | 82,978 | 85,951 | 86,949 | 88,020 |
| Тиск (статичний) перед ступенем Р0 , МПа | 0,204 | 0,138 | 0,089 | 0,052 | 0,029 | 0,016 |
| Степінь реактивності на середньому діаметрі ρср | 0,220 | 0,268 | 0,308 | 0,380 | 0,429 | 0,471 |
| Кут виходу із сопел на середньому діаметрі α1 , град | 15 | 15,5 | 16 | 16,5 | 17 | 17,5 |
| Степінь парциальності ε | 1,000 | 1,000 | 1,000 | 1,000 | 1,000 | 1,000 |
1.2.1 Визначення геометричних характеристик і ККД двохвінцевого регулюючого ступеня на його розрахунковому режимі
Як уже говорилося, розрахунковим режимом регулюючого ступеня є режим часткового навантаження. У нашому випадку
й, відповідно,
, де
- витрата через проточну частину на розрахунковому режимі регулюючого ступеня, a
- витрата через проточну частину, визначена при розрахунку регенеративних підігрівачів. Витрата через регулюючий ступінь більше витрати через ступені тиску на значення втрати через переднє кінцеве ущільнення. При цьому схема втрат така, що пара, пройшовши регулюючий ступінь, з камери регулюючого ступеня через розвантажувальні отвори її диска підходить до переднього лабіринтового ущільнення, і параметри пари перед ним приймаються рівними параметрам у камері регулюючого ступеня. При розрахунку втрати через переднє ущільнення визначають витрату через групу гребінців до відбору пари з ущільнення. Тиск відбору
залежить від того, куди направляється пара з ущільнення. Якщо він надходить на ущільнення лабіринту низького тиску, то тиск
на ![]()
перевищує барометричне. У турбінах з високими початковими параметрами ця пара направляється в регенеративний підігрівник або в проміжний ступінь.
Витік пари через переднє кінцеве ущільнення
,
, обчислюють по формулі:
,
якщо

Тут
й
- тиск і питомий об'єм перед ущільненням (тобто за регулюючим ступенем);
- коефіцієнт витрати ущільнення, залежить від конструкції ущільнення й приймається рівним
;
- площа зазору,
;
і
- діаметр і зазор в ущільненні,
; діаметр приймається по діаметру прототипу, а ![]()
;
- число звужень на ділянці, визначається по прототипу.
При тиску перед турбіною
до 3,5
число звужень можна прийняти рівним
, при
понад 3,5
-
. Для діафрагменних ущільнень число звужень приймаємо з інтервалу
.
Якщо
, то
,
де
й для перегрітої пари при ![]()
,
.
Розмірність тиску -
, питомого об'єму -
.
Таким чином, витрата на розрахунковому режимі регулюючого ступеня
,
, визначається співвідношенням
.
Зберігаємо на розрахунковому режимі регулюючого ступеня всі параметри ізоентропного розширення, знайдені в орієнтовному розрахунку:
;
і т.д.
ККД на окружності колеса:
.
Тут
- втрати в соплах,
;
- втрати на робочих лопатках першого вінця,
;
втрати в напрямному апараті,
;
втрати на робочих лопатках другого вінця,
;
- втрати з вихідною швидкістю,
.
Розмірність швидкостей -
.
Швидкості виходу з лопаткових вінців:
;
;
,
де
,
і
- швидкості на вході у вінці,,
,
а швидкість
, де перепад на соплах
.
Для першого робочого вінця
;
.
Приймаючи
,
, визначаємо:
;
;
.
Для напрямного вінця
;
Приймаючи
,
, знаходимо:
;
;
;
.
Вихідні кути решітки для забезпечення плавної зміни висот лопаток приймаємо такими:
,
,
,
.
Перепади ентальпії в решітці,
:
;
;
,
де прийнято
;
;
;
![]()
Коефіцієнти швидкості
,
,
і
визначаємо по графіках [1], приймаючи відношення
таким, як у турбіни-прототипу.
Тиск за сопловими решітками
,а
.
Якщо розширення в соплах ступеня надзвукове
, то для трикутника швидкості необхідно врахувати відхилення потоку в косому зрізі решітки:
.
Тут швидкість
і питомий об'єм
визначають на виході із соплових решіток (рис. 2.5).

Рисунок 2.5 – Процес розширення пари в регулюючому ступені
Швидкість на виході із сопла розрахована раніше, параметри на виході із сопла:
,
3091,456
;
2,520
;
,
3122,141
;
0,108
.
Критична швидкість на виході із сопел
, м/с:
,
де
для перегрітої пари,
для вологої пари, а ![]()
571,071
.
Для визначення
необхідно знайти критичний тиск
,
:
,
1,747
.
Критичні параметри в горлі сопла:
3110,000
;
![]()
121,089
;
,
9,958
;
,
3004,865
;
7,002
;
3127,000
;
0,157
.
Далі для перерізу на виході з першого робочого вінця:
6,831
;
![]()
3011,776
;
2,426
;
,
3131,800
;
0,114
;
6,863
.
На виході з напрямного апарата:
,
3117,776
;
2,301
;
,
3134,473
;
0,120
;
6,891
.
На виході із другого робочого вінця:
,
3117,889
;
2,165
;
,
3125,908
;
0,1267
.
При проектуванні двохвінцевих ступенів швидкості сверхкритичне витікання звичайно зустрічається тільки на першому сопловому апараті. Тому розрахунок наступних вінців ведуть по залежностях для докритичного витікання. Для розрахунків висоти лопаток необхідно знайти площу вихідних перетинів решіток
,
:
, при ![]()
Або
, при ![]()
На наступних вінцях витікання звичайно докритичне:
;
;
.
Розмірність витрати -
, питомого объе'ма -
, швидкостей -
. Знаючи площу соплового апарата, можна визначити:
.
Оптимальне з погляду ККД ступеня значення парциальності для двохвінцевого ступеня може бути знайдене приблизно по формулі:
![]()
де
в. ![]()
Знаючи оптимальну парциальність, можна уточнити прийняті в орієнтовному розрахунку висоти лопаток на виході із всіх вінців:
;
;
;
.
Відносні втрати на тертя диска робочого колеса й бандажа в паровому середовищі
, розраховуються за виразом:
,
0,02005,
де розмірність
й
-
.
Втрати на вентиляцію й вибивання
, мають місце тільки в ступенях при наявності парциальності:
,
0,014;
,
0,009.
Тут
- число вінців робочих лопаток у ступені, а
- число сегментів соплового апарата.
Внутрішній ККД ступеня ![]()
,
Внутрішня потужність ступеня
0,730
:
,
5187,695
.
Відклавши в
діаграмі суму внутрішніх втрат, визначаємо стан пари за регулюючим ступенем у його розрахунковому режимі:
, де
,
(рис. 2.6)
Результати розрахунку регулюючого ступеня зводимо в таблицю 2.5.
Таблиця 2.5 – Розрахунок регулюючого ступеня
| Параметр | Сопловий апарат | Перший лопаточний вінець | Направляючий апарат |
Другий лопаточний вінець |
| Степінь реактивності ρл, ρн, ρ'л | - | 0,024 | 0,023 | 0,0216 |
| Теплоперепади hос, hл, hна, h'л, кДж/кг | 414,596 | 10,365 | 14,511 | 16,584 |
| Коефіцієнти швидкості φ, ψ, ψн, ψ' | 0,958 | 0,956 | 0,935 | 0,936 |
| Швидкості виходу С1, W2, C'1, W'2, м/с | 827,588 | 652,132 | 488,750 | 357,137 |
| Кути виходу α1, β2, α'1, β'2, град | 10 | 13,446 | 16,870 | 22,026 |
| Втрати в решітках Δhc, Δhл, Δhна, Δh'л, кДж/кг | 30,685 | 20,024 | 17,184 | 9,019 |
| Удільні об'єми за решітками Vc, Vл, Vн, V'л, |
0,108 | 0,114 | 0,120 | 0,126 |
| Площі горлових відсіків Fс, Fл, Fн, F'л, |
0,002 | 0,003 | 0,004 | 0,006 |
Висоти лопаток lс, lл, lн, l'л, м |
0,019312 | 0,022346 | 0,025253 | 0,028238 |

Рисунок 2.6 – Трикутники швидкостей ступеня швидкостей
1.2.2 Розрахунок ступенів тиску
Розрахунок проводиться послідовно від першого до останнього ступеня. Початкова точка розрахунку — параметри в камері регулюючого ступеня на номінальному режимі роботи турбіни
. Вихідні дані для розрахунку зводяться в таблицю 2.4, а розрахунок проточної частини в таблицю 2.6, трикутники швидкостей (рис. 2.11)
Порядок розрахунку для всіх ступенів однаковий.
Знаходимо перепад ентальпій у соплах
,
:
,
і швидкість витікання із сопел
,
:
.
Втрати в соплах
,
:
Використаний теплоперепад у соплах
,
:
Параметри пари за соплом (рис. 2.7).:
, де
;
;
;
;
.
.
Якщо в соплових решітках установлюється критична швидкість, то в розрахунку необхідно врахувати відхилення потоку в косому зрізі решіток і знайти площу горлового перетину решітки. Тут витрата через сопловий апарат
виявляється менше витрати на вході в ступінь на значення втрат через діафрагменне ущільнення. Наприклад, для першого ступеня тиску
.
Витік через диафрагмене ущільнення рахується по тим самим формулам, що й витік через переднє кінцеве ущільнення.

Рисунок 2.7 – Процес розширення в ступені тиску
Уточнюємо висоту соплових лопаток
,
, зберігаючи прийняте в орієнтовному розрахунку значення
й
:
.
Кут входу на робочі лопатки у відносному русі
,
:
,
і швидкість входу потоку на робочі лопатки
,
:
.
Перепад тепломісткості на робочих лопатках
,
:
![]()
і відносна швидкість виходу з робочих лопаток
,
:
.
Втрати на робочих лопатках,
,
:
.
Далі обчислюємо параметри гальмування на вході в робочі решітки:
;
.
Параметри дійсного стану за робочою лопаткою (рис. 2.7):
;
;
;
;
.
Далі можна розрахувати осьову складову швидкості виходу з робочих лопаток в абсолютному русі
,
:
.
Вважається, що весь витік через діафрагмове ущільнення іде в розвантажувальні отвори диска, витрату через робочі лопатки
,
, можна визначити як різницю витрати через сопло й периферійний витік:
.
Значення відносної витрати через периферійне ущільнення можна знайти з вираження
,
де
;
;
- число гребенів в ущільненні, можна прийняти з інтервалу
;
- коефіцієнт витрати сопла [1]

Рисунок 2.8 – До визначення втрат від витоку в периферійний зазор
Знаходимо кут виходу потоку у відносному русі
,
:
,
і кут виходу в абсолютному русі
,
:
,
швидкість виходу з робочих лопаток в абсолютному русі
,
:
.
При цьому необхідно виконати умову:
.
Втрати з вихідною швидкістю
,
:
.
ККД на окружності колеса (лопатковий ККД)
.
Далі для визначення відносного внутрішнього ККД ступеня необхідно обчислити внутрішні втрати:
втрати на тертя й вентиляцію
, ![]()
,
де
,
- потужність тертя й вентиляції,
, визначається так само,як і при розрахунку регулюючого ступеня; втрати від витоку в периферійне ущільнення обандаженого ступеня
,
:
,
.
Втрати від витоків необандаженого ступеня можна знайти з вираження
,
де ![]()
.
Втрати від витоку через діафрагмове лабіринтове ущільнення вважається пропорційними витраті через них
,
:
.
Відносний внутрішній ККД ступеня:

Якщо ступінь працює в області вологої пари, то додаткові втрати від наявності вологи
,
, можна визначити з вираження
,
де
й
- початкова й кінцева вологість процесу розширення в ступені;
- перепад ентальпії, що спрацьовується в ступені в області вологої пари (рис. 2.9).

Рисунок 2.9 – До визначення втрат від вологості
Розраховуємо внутрішній ККД ступеня з урахуванням втрат від вологості:
.
Визначаємо потужність щабля N, квт:
.
Для більшої точності на
діаграмі відкладаємо суму втрат
від точки, що відповідає ізоентропійному розширенню на робочих лопатках, і знаходимо точку, що відповідає стану пари за ступенем без обліку втрати з вихідною швидкістю:
;
.
Точка початку процесу розширення в наступному ступені залежить від умов використання кінетичної енергії потоку на виході з попереднього ступеня:
,
де
- коефіцієнт використання вихідної швидкості
, що залежить від конструктивних особливостей проточної частини на ділянці ступенів, що розраховують. Якщо
й кінетична енергія потоку використається повністю, то початок процесу в наступному ступені перебуває в точці
;
,
і розташовуваний теплоперепад наступного ступеня
.
Якщо швидкість виходу з попереднього ступеня губиться повністю, то параметри на вході в наступний ступінь
,
,
. Якщо ж швидкість
використається частково, то загублена енергія
:
;
;
.
Після розрахунку всіх ступенів визначаємо сумарну внутрішню потужність турбіни
,
:
![]()
21838.047![]()
і відносної внутрішній ККД турбіни
,
де
-теоретична потужність турбіни,
(рис. 2.10):
![]()
23643,618![]()
0,924

Рисунок 2.10 – До визначення теоретичної потужності турбіни
Завдяки поверненню тепла ККД турбіни більше, ніж ККД окремих ступенів.
| Найменування величини | Номер ступеня | |||||
| 2 | 3 | 4 | 5 | 6 | 7 | |
| Середній діаметр соплових решіток Dср , м | 873 | 876 | 880 | 884 | 890 | 922 |
| Ступінь парциальності ε | 0,666 | 0,706 | 0,749 | 0,800 | 0,855 | 0,855 |
| Окружна швидкість U, м/с | 164,47 | 165,03 | 165,792 | 166,546 | 167,67 | 173,705 |
| Відношення U/Cф | 0,521 | 0,521 | 0,567 | 0,534 | 0,583 | 0,533 |
| Секундна витрата пари G, кг/с | 21,128 | 20,704 | 20,324 | 19,903 | 19,569 | 19,907 |
| Тиск на вході в ступінь | 2,759 | 2,259 | 1,835 | 1,502 | 1,200 | 0,965 |
| Адіабатичний перепад ступеня h0 , кДж/кг | 57,175 | 57,082 | 53,012 | 56,945 | 52,924 | 64,642 |
| Перепад ентальпій по загальмованих параметрах h0 * , кДж/кг | 57,175 | 57,082 | 57,008 | 56,945 | 56,911 | 64,642 |
| Реактивність на сер діаметрі лопатки ρср | 0,203 | 0,200 | 0,325 | 0,240 | 0,360 | 0,235 |
| Перепад у соплах hс * , кДж/кг | 45,572 | 45,666 | 38,480 | 43,278 | 36,423 | 49,451 |
| Коефіцієнт швидкості φ | 0,945 | 0,947 | 0,949 | 0,951 | 0,953 | 0,955 |
| Швидкість витікання пари із сопла C1 | 285,29 | 286,19 | 263,269 | 279,788 | 257,21 | 300,334 |
| Втрати кінетичної енергії в соплах Δhс | 4,875 | 4,712 | 3,825 | 4,137 | 3,343 | 4,350 |
| Тиск пари за соплом Pc , МПа | 2,354 | 1,920 | 1,593 | 1,271 | 1,037 | 0,782 |
| Питомий об'єм за сопловим апаратом vc , м3 /кг | 0,120 | 0,142 | 0,165 | 0,198 | 0,233 | 0,292 |
| Найменування величини | Номер ступеня | |||||
| 8 | 9 | 10 | 11 | 12 | 13 | |
| Середній діаметр соплових решіток Dср , м | 0,930 | 0,936 | 0,950 | 0,988 | 1,036 | 1,090 |
| Ступінь парциальності ε | 0,934 | 1,000 | 1,000 | 1,000 | 1,000 | 1,000 |
| Окружна швидкість U, м/с | 175,21 | 176,34 | 178,980 | 186,139 | 195,18 | 205,356 |
| Відношення U/Cф | 0,578 | 0,548 | 0,592 | 0,561 | 0,628 | 0,652 |
| Секундна витрата пари G, кг/с | 19,103 | 18,824 | 15,888 | 19,103 | 18,957 | 18,825 |
| Тиск на вході в ступінь | 0,730 | 0,555 | 0,406 | 0,298 | 0,204 | 0,138 |
| Адіабатичний перепад ступеня h0 , кДж/кг | 60,108 | 64,621 | 60,189 | 68,575 | 68,033 | 72,395 |
| Перепад ентальпій по загальмованих параметрах h0 * , кДж/кг | 64,633 | 64,621 | 64,713 | 68,575 | 72,834 | 77,493 |
| Реактивність на сер діаметрі лопатки ρср | 0,350 | 0,275 | 0,380 | 0,310 | 0,450 | 0,490 |
| Перепад у соплах hс * , кДж/кг | 42,012 | 46,850 | 40,122 | 47,317 | 40,058 | 39,522 |
| Коефіцієнт швидкості φ | 0,957 | 0,959 | 0,961 | 0,963 | 0,965 | 0,967 |
| Швидкість витікання пари із сопла C1 | 277,40 | 293,55 | 272,226 | 296,243 | 273,14 | 271,868 |
| Втрати кінетичної енергії в соплах Δhс | 3,535 | 3,763 | 3,068 | 3,437 | 2,755 | 2,565 |
| Тиск пари за соплом Pc , МПа | 0,605 | 0,444 | 0,332 | 0,230 | 0,162 | 0,109 |
| Питомий об'єм за сопловим апаратом vc , м3 /кг | 0,359 | 0,460 | 0,582 | 0,777 | 1,060 | 1,515 |
| Найменування величини | Номер ступеня | |||
| 14 | 15 | 16 | 17 | |
| Середній діаметр соплових решіток Dср , м | 1,171 | 1,250 | 1,316 | 1,374 |
| Ступінь парциальності ε | 1,000 | 1,000 | 1,000 | 1,000 |
| Окружна швидкість U, м/с | 220,61 | 235,50 | 247,934 | 258,862 |
| Відношення U/Cф | 0,640 | 0,658 | 0,703 | 0,735 |
| Секундна витрата пари G, кг/с | 15,889 | 15,818 | 15,768 | 15,734 |
| Тиск на вході в ступінь | 0,089 | 0,052 | 0,029 | 0,016 |
| Адіабатичний перепад ступеня h0 , кДж/кг | 82,978 | 85,951 | 86,949 | 88,020 |
| Перепад ентальпій по загальмованих параметрах h0 * , кДж/кг | 82,978 | 85,951 | 86,949 | 88,020 |
| Реактивність на середньому діаметрі лопатки ρср | 0,470 | 0,500 | 0,562 | 0,600 |
| Перепад у соплах hс * , кДж/кг | 43,979 | 42,975 | 38,084 | 35,208 |
| Коефіцієнт швидкості φ | 0,969 | 0,971 | 0,973 | 0,975 |
| Швидкість витікання пари із сопла C1 | 287,38 | 284,67 | 268,533 | 258,726 |
| Втрати кінетичної енергії в соплах Δhс | 2,684 | 2,456 | 2,029 | 1,738 |
| Тиск пари за соплом Pc , МПа | 0,068 | 0,040 | 0,023 | 0,012 |
| Питомий об'єм за сопловим апаратом vc , м3 /кг | 2,317 | 3,746 | 6,226 | 10,883 |
| Найменування величини | Номер ступеня | |||||
| 2 | 3 | 4 | 5 | 6 | 7 | |
| Коеф. витрати ущільнень μу | 0,75 | 0,75 | 0,75 | 0,75 | 0,75 | 0,75 |
| Діаметр ущільнення dу , м | 0,624 | 0,624 | 0,624 | 0,624 | 0,624 | 0,624 |
| Зазор ущільнення δу , мм | 0,45 | 0,45 | 0,45 | 0,45 | 0,45 | 0,45 |
| Площа зазору Fу , м2 | 0,001 | 0,001 | 0,001 | 0,001 | 0,001 | 0,001 |
| Витрата пари через діафрагменне ущільнення Gду , кг/с | 0,00070 | 0,00059 | 0,0004 | 0,0004 | 0,00032 | 0,0003 |
| Секундна витрата пари через сопловий апарат з обліком витрати через діафрагменне ущільнення Gс , кг/с | 21,128 | 20,704 | 20,324 | 19,903 | 19,569 | 19,907 |
| Коеф.витрати сопел μс | 0,956 | 0,958 | 0,959 | 0,961 | 0,962 | 0,964 |
| Кут виходу пари із сопел ступеня α1 , град | 10 | 10,5 | 11 | 11,5 | 12 | 12,5 |
| Площа сопел Fc , м2 | 0,009 | 0,010 | 0,013 | 0,014 | 0,018 | 0,019 |
| Висота соплових лопаток lc , м | 0,028 | 0,029 | 0,032 | 0,032 | 0,036 | 0,036 |
| Кут входу пари в робочі решітки у відносному русі β1 , град | 23,040 | 24,142 | 28,469 | 27,397 | 32,508 | 28,543 |
| Відносна шв входу пари в роб канали W1 , м/с | 126,585 | 127,516 | 105,38 | 121,22 | 99,509 | 136,04 |
| Перепад ентальпій на роб лопатках hл , кДж/кг | 11,649 | 12,256 | 15,341 | 14,368 | 17,045 | 15,604 |
| Коефіцієнт швидкості ψ | 0,942 | 0,943 | 0,943 | 0,944 | 0,944 | 0,945 |
| Найменування величини | Номер ступеня | |||||
| 8 | 9 | 10 | 11 | 12 | 13 | |
| Коеф. витрати ущільнень μу | 0,75 | 0,75 | 0,75 | 0,75 | 0,75 | 0,75 |
| Діаметр ущільнення dу , м | 0,624 | 0,624 | 0,624 | 0,654 | 0,654 | 0,654 |
| Зазор ущільнення δу , мм | 0,45 | 0,45 | 0,45 | 0,45 | 0,45 | 0,45 |
| Площа зазору Fу , м2 | 0,001 | 0,001 | 0,001 | 0,001 | 0,001 | 0,001 |
| Витрата пари через діафрагменне ущільнення Gду , кг/с | 0,00023 | 0,00019 | 0,0001 | 0,0001 | 0,00008 | 0,00006 |
| Секундна витрата пари через сопловий апарат з обліком витрати через діафрагменне ущільнення Gс , кг/с | 19,103 | 18,824 | 15,888 | 19,103 | 18,957 | 18,825 |
| Коеф.витрати сопел μс | 0,965 | 0,967 | 0,968 | 0,969 | 0,971 | 0,972 |
| Кут виходу пари із сопел ступеня α1 , град | 13 | 13,5 | 14 | 14,5 | 15 | 15,5 |
| Площа сопел Fc , м2 | 0,025 | 0,030 | 0,034 | 0,050 | 0,074 | 0,105 |
| Висота соплових лопаток lc , м | 0,040 | 0,043 | 0,047 | 0,065 | 0,087 | 0,115 |
| Кут входу пари в робочі решітки у відносному русі β1 , град | 33,277 | 32,134 | 37,716 | 36,383 | 45,839 | 52,068 |
| Відн швидкість входу пари в роб канали W1 , м/с | 113,730 | 128,839 | 107,65 | 125,04 | 98,544 | 92,113 |
| Перепад ентальпій на роб лопатках hл , кДж/кг | 18,593 | 18,121 | 20,372 | 21,319 | 28,100 | 32,993 |
| Коефіцієнт швидкості ψ | 0,945 | 0,946 | 0,946 | 0,947 | 0,947 | 0,948 |
| Найменування величини | Номер ступеня | |||
| 14 | 15 | 16 | 17 | |
| Коеф. витрати ущільнень μу | 0,75 | 0,75 | 0,75 | 0,75 |
| Діаметр ущільнення dу , м | 0,696 | 0,696 | 0,696 | 0,696 |
| Зазор ущільнення δу , мм | 0,45 | 0,45 | 0,45 | 0,45 |
| Площа зазору Fу , м2 | 0,001 | 0,001 | 0,001 | 0,001 |
| Витрата пари через діафрагменне ущільнення Gду , кг/с | 0,00004 | 0,00003 | 0,00001 | 0,00001 |
| Секундна витрата пари через сопловий апарат з обліком витрати через діафрагменне ущільнення Gс , кг/с | 15,889 | 15,818 | 15,768 | 15,734 |
| Коеф.витрати сопел μс | 0,974 | 0,975 | 0,977 | 0,978 |
| Кут виходу пари із сопел ступеня α1 , град | 16 | 16,5 | 17 | 17,5 |
| Площа сопел Fc , м2 | 0,128 | 0,208 | 0,366 | 0,662 |
| Висота соплових лопаток lc , м | 0,126 | 0,187 | 0,303 | 0,510 |
| Кут входу пари в робочі решітки у відносному русі β1 , град | 54,919 | 65,147 | 83,558 | 98,847 |
| Відносна швидкість входу пари в робочі канали W1 , м/с | 96,797 | 89,103 | 79,010 | 78,737 |
| Перепад ентальпій на робочих лопатках hл , кДж/кг | 39,693 | 44,136 | 49,942 | 54,045 |
| Коефіцієнт швидкості ψ | 0,948 | 0,949 | 0,949 | 0,950 |
| Найменування величини | Номер ступеня | |||||
| 2 | 3 | 4 | 5 | 6 | 7 | |
| Відносна швидкість виходу пари з каналів робочих решіток W2 , м/с | 186,797 | 190,31 | 192,769 | 196,625 | 197,99 | 210,59 |
| Втрати енергії на робочих лопатках Δhл , кДж/кг | 2,215 | 2,277 | 2,314 | 2,384 | 2,395 | 2,683 |
| Тиск за робочими лопатками Рл , МПа | 2,259 | 1,835 | 1,502 | 1,200 | 0,965 | 0,730 |
| Питомий об'єм за робочими лопатками vл , м3 /кг | 0,124 | 0,147 | 0,173 | 0,207 | 0,247 | 0,309 |
| Витрата через робочі лопатки Gл , кг/с | 20,705 | 20,325 | 19,904 | 19,570 | 19,211 | 19,640 |
| Осьова складова швидкості виходу з робочих лопаток в абсолютному русі С2z , м/с | 45,380 | 48,143 | 47,198 | 52,505 | 51,276 | 62,610 |
| Кут виходу потоку з робочого колеса у відносному русі β2 , град | 14,060 | 14,653 | 14,172 | 15,488 | 15,009 | 17,296 |
| Кут виходу із ступеняв абсолютному русі α2 , град | 69,766 | 68,376 | 65,903 | 66,400 | 65,318 | 66,389 |
| Швидкість виходу із ступеняв абсолютному русі C2 , м/с | 48,365 | 51,787 | 51,703 | 57,298 | 56,431 | 68,330 |
| Втрати з вихідною швидкістю Δhвс , кДж/кг | 1,170 | 1,341 | 1,337 | 1,642 | 1,592 | 2,335 |
| ККД на окружності робочого колеса ηu | 0,856 | 0,854 | 0,869 | 0,857 | 0,871 | 0,855 |
| Втрати на тертя Δhт , кДж/кг | 1,378 | 1,163 | 1,193 | 0,903 | 0,920 | 0,856 |
| Найменування величини | Номер ступеня | |||||
| 8 | 9 | 10 | 11 | 12 | 13 | |
| Відносна швидкість виходу пари з каналів робочих решіток W2 , м/с | 211,565 | 217,346 | 216,412 | 228,484 | 243,123 | 258,566 |
| Втрати енергії на робочих лопатках Δhл , кДж/кг | 2,681 | 2,801 | 2,750 | 3,034 | 3,401 | 3,807 |
| Тиск за робочими лопатками Рл , МПа | 0,555 | 0,406 | 0,298 | 0,204 | 0,138 | 0,089 |
| Питомий об'єм за роб лопатками vл , м3 /кг | 0,385 | 0,494 | 0,633 | 0,864 | 1,227 | 1,815 |
| Витрата через робочі лопатки Gл , кг/с | 18,825 | 18,610 | 15,694 | 18,957 | 18,825 | 18,722 |
| Осьова складова швидкості виходу з роб лопаток в абсолютному русі С2z , м/с | 61,330 | 68,048 | 66,587 | 78,164 | 78,581 | 84,343 |
| Кут виходу потоку з робочого колеса у відносному русі β2 , град | 16,851 | 18,245 | 17,920 | 20,005 | 18,857 | 19,038 |
| Кут виходу із ступеняв абсолютному русі α2 , град | 66,029 | 66,155 | 67,977 | 69,929 | 66,058 | 65,147 |
| Швидкість виходу із ступеняв абсолютному русі C2 , м/с | 67,119 | 74,398 | 71,828 | 83,218 | 85,978 | 92,951 |
| Втрати з вихідною швидкістю Δhвс , кДж/кг | 2,252 | 2,768 | 2,580 | 3,463 | 3,696 | 4,320 |
| ККД на окружності робочого колеса ηu | 0,869 | 0,856 | 0,870 | 0,855 | 0,865 | 0,862 |
| Втрати на тертя Δhт , кДж/кг | 0,826 | 0,595 | 0,559 | 0,466 | 0,516 | 0,473 |
| Найменування величини | Номер ступеня | |||||
| 14 | 15 | 16 | 17 | |||
| Відносна швидкість виходу пари з каналів робочих решіток W2 , м/с | 282,427 | 294,20 | 309,156 | 320,995 | ||
| Втрати енергії на робочих лопатках Δhл , кДж/кг | 4,495 | 4,827 | 5,274 | 5,626 | ||
| Тиск за робочими лопатками Рл , МПа | 0,052 | 0,029 | 0,016 | 0,008 | ||
| Питомий об'єм за робочими лопатками vл , м3 /кг | 2,916 | 4,916 | 8,635 | 15,881 | ||
| Витрата через робочі лопатки Gл , кг/с | 15,818 | 15,768 | 15,734 | 15,711 | ||
| Осьова складова швидкості виходу з робочих лопаток в абсолютному русі С2z , м/с | 96,941 | 103,53 | 106,897 | 112,047 | ||
| Кут виходу потоку з робочого колеса у відносному русі β2 , град | 20,075 | 20,605 | 20,229 | 20,430 | ||
| Кут виходу із ступеняв абсолютному русі α2 , град | 65,269 | 68,932 | 68,480 | 69,478 | ||
| Швидкість виходу із ступеняв абсолютному русі C2 , м/с | 106,730 | 110,95 | 114,908 | 119,640 | ||
| Втрати з вихідною швидкістю Δhвс , кДж/кг | 5,696 | 6,155 | 6,602 | 7,157 | ||
| ККД на окружності робочого колеса ηu | 0,845 | 0,844 | 0,840 | 0,835 | ||
| Втрати на тертя Δhт , кДж/кг | 0,464 | 0,360 | 0,283 | 0,197 | ||
| Найменування величини | Номер ступеня | |||||
| 2 | 3 | 4 | 5 | 6 | 7 | |
| Втрати на вентиляцію Δhвент , кДж/кг | 1,8033 | 1,4143 | 1,3092 | 0,8389 | 0,6581 | 0,5920 |
| Втрати від витоку в переферійне ущільнення обандаженого ступеня Δhпз , кДж/кг | 0,999 | 0,910 | 1,047 | 0,831 | 0,924 | 0,749 |
| Втрати від витоку необандаженого ступеня Δhпз , кДж/кг | - | - | - | - | - | - |
| Втрати на протечку в диафрагменне ущільнення Δhду , кДж/кг | 0,002 | 0,001 | 0,001 | 0,001 | 0,001 | 0,001 |
| Відносний внутрішній ККД ступеня ηoi | 0,835 | 0,836 | 0,848 | 0,840 | 0,854 | 0,842 |
| Втрати від наявності вологи Δhвл , кДж/кг | - | - | - | - | - | |
| Відносний внутрішній ККД із урахуванням втрат від вологості ηoi вл | 0,835 | 0,836 | 0,848 | 0,840 | 0,854 | 0,842 |
| Потужність ступеня Ni , кВт | 1009,134 | 987,903 | 982,870 | 952,591 | 950,572 | 1083,933 |
| Найменування величини | |||||||
| 8 | 9 | 10 | 11 | 12 | 13 | ||
| Втрати на вентиляцію Δhвент , кДж/кг | 0,2792 | 0,0000 | 0,0000 | 0,0000 | 0,0000 | 0,0000 | 0,0000 |
| Втрати від витоку в переферійне ущільнення обандаженого ступеня Δhпз , кДж/кг | 0,831 | 0,636 | 0,697 | 0,451 | 0,442 | - | |
| Втрати від витоку необандаженого ступеня Δhпз , кДж/кг | - | - | 0,824 | ||||
| Втрати на протечку в диафрагменне ущільнення Δhду , кДж/кг | 0,001 | 0,001 | 0,000 | 0,000 | 0,000 | 0,000 | |
| Відносний внутрішній ККД ступеня ηoi | 0,855 | 0,845 | 0,870 | 0,855 | 0,864 | 0,851 | |
| Втрати від наявності вологи Δhвл , кДж/кг | 2,817 | 3,025 | 3,169 | ||||
| Відносний внутрішній ККД із урахуванням втрат від вологості ηoi вл | 0,855 | 0,845 | 0,870 | 0,814 | 0,823 | 0,810 | |
| Потужність ступеня Ni , кВт | 1055,922 | 1028,220 | 894,191 | 1065,964 | 1136,095 | 1181,893 |
| Найменування величини | ||||
| 14 | 15 | 16 | 17 | |
| Втрати на вентиляцію Δhвент , кДж/кг | 0,0000 | 0,0000 | 0,0000 | 0,0000 |
| Втрати від витоку в переферійне ущільнення обандаженого ступеня Δhпз , кДж/кг | - | - | - | - |
| Втрати від витоку необандаженого ступеня Δhпз , кДж/кг | 0,702 | 0,510 | 0,355 | 0,240 |
| Втрати на протечку в диафрагменне ущільнення Δhду , кДж/кг | 0,000 | 0,000 | 0,000 | 0,000 |
| Відносний внутрішній ККД ступеня ηoi | 0,836 | 0,837 | 0,836 | 0,832 |
| Втрати від наявності вологи Δhвл , кДж/кг | 3,333 | 3,459 | 3,492 | 3,519 |
| Відносний внутрішній ККД із урахуванням втрат від вологості ηoi вл | 0,796 | 0,797 | 0,796 | 0,792 |
| Потужність ступеня Ni , кВт | 1049,26 | 1083,84 | 1090,84 | 1097,10 |
2. РОЗРАХУНОК НА МІЦНІСТЬ РОБОЧИХ ЛОПАПОК
2.1 Вибір профілю робочих лопаток
Профілем робочих лопаток обираємо профіль PI-2-25, оскільки інші профілі не застосовуються з відповідними кутами входу та виходу потоку.

Малюнок 1.2
Мінімальні втрати ς =0,04 відповідають відносному кроку
=0,72.
Співвідношення геометричних характеристик профілів (Мал. 1.2):
.
Характеристики профілю:
| f, см2 | Координати центра мас | Вісь X | Вісь Y | |||||||||
| Ix , см4 | Wx , см3 | ρx , см |
Iy , см4 |
Wy , см3 | ||||||||
| X0 | Y0 | кр | сп | вх | вих | |||||||
| 1,1898 | 11,64 | 7,512 | 0,0934 | 0,12 | 0,166 | 0,28 | 0,299 | 0,3569 | 0,2570 | |||
| βу = 77 46′17″ | ||||||||||||
| Вісь u | A, мм | B, мм | ||||||||||
| Iu , см4 | Wu , см3 | |||||||||||
| вх | вих | |||||||||||
| 0,2937 | 0,2883 | 0,2995 | 15,4112 | 20 | ||||||||
Крок профілю t= 0,020,72= 0,0144м.
Кількість робочих лопаток
.
Перерахований крок
.
2.2 Розрахунок профільної частини лопатки з постійною площею поперечних перерізів на розтяг від відцентрованих сил
Вихідні данні:
Площа поперечного перерізу лопаткиF =
м2
Довжина лопатки l = 0,037 м
Середній радіус Rсер =0,461 м

Площа бандажної стрічки:
.
Крок встановлення лопаток на Rб :
.
Шипи робочих лопаток зазнають розтягування від відцентрованої сили Сб бандажної стрічки на довжині одного кроку:
![]()
Відцентрова сила частини пари лопатки, яка діє у кореневому перерізі з урахуванням бандажних зв’язків:
![]()
![]()
де ρ - густина матеріалу стрічки,
; ω - кутова швидкість обертання ротора,
; F - площа поперечного перерізу (профілю) лопатки, м2
; l - висота лопатки, м; Rсер
- середній радіус лопатки, м.
2.3 Розрахунок лопатки постійного профілю на згин від парового зусилля
Вихідні данні:
Втрата пари G=21,129 кг/с
Ступінь парціальності![]()
Тиску міжвенцовому зазорі P1 =0,75 МПа
Тиск за лопаткою P2 =0,698 МПа
Моменти опору робочої лопатки:
Wкр
=
м3
Wсп
=
м3
Wвх
=
м3
Wв
и
х
=
м3
Робочу лопатку постійного профілю піл час розрахунку на згин розглядають як консольну балку з жорстко закріпленим кінцем та рівномірно розподіленим навантаженням за висотою. При цьому розподілене навантаження змінюють рівнодіючою силою, прикладеною посередині лопатки.
Парове зусилля P, що діє на лопатку, розкладається на дві складові: колову силу Pu та осьову Pа (Мал. 2.3).

Малюнок 2.3
Колову складову визначають з рівняння кількості руху:
,
де G - втрата пари через ступінь,
; Z2
- число робочих лопаток на колесі;
ε - ступінь парціальності; C1
u
- колова складова абсолютної швидкості виходу пари з сопел,
; C2
u
- колова складова абсолютної швидкості виходу пари з робочих лопаток,
.
Осьова складова парового зусилля залежить як від динамічної дії потоку, так і від різниці статичних тисків по обидва боки лопатки:
![]()
,
де C1
a
та C2а
- осьові складові швидкостей,
; P1
, P2
- тиски перед та за робочою лопаткою, Па; tсер
, l2
- крок і висота лопатки відповідно, м.
Рівнодіюча сил Pu та Pа визначається такою рівністю:
.
Сила P, яка викликає згин робочої лопатки, проектується на головні осі інерції:
![]()
![]()
Кут b може бути прийнятий куту встановлення лопатки (у ). Згинальні моменти, що діють у площинах найменшої M та найбільшої жорсткостіM , становитимуть:
![]()
![]()
Напруження згину від сили P1 в обох кромках і спинці розраховують за такими виразами:
![]()
![]()
де Wкр і Wсп - моменти опору кромок і спинки відносно осі - .
Напруження згину від сили P2 у вхідній і вихідній кромках:
![]()
![]()
де
і
- моменти опору вхідної і вихідної кромок перерізу лопатки відносно осі - .
Загальні напруження в робочій лопатці можуть бути позитивними (розтягуючими) та негативними (стискуючими). Якщо точка, в якій визначається напруження, лежить праворуч головної центральної осі інерції (коли дивишся уздовж її додатного напряму), то напруження вважається позитивним, якщо ліворуч - негативним. Визначають сумарні напруження:
на вхідній кромці:
МПа,
на вихідній кромці:
МПа.
Згинальні напруження в лопатках під час дії парового зусилля не перевищують 35 МПа.
3. ЕКОНОМІЧНИЙ РОЗДІЛ
Метою економічної частини кваліфікаційної роботи є розрахунок собівартості відпущеної кВтг електроенергії на розглянутій у роботі установці, до складу якої входить турбіна K-22-8.8.
3.1 Теоретична частина
Показники (окремі і загальні) використання основних коштів і способи їхнього підвищення.
Рівень використання основних фондів істотно впливає на загальну ефективність виробництва, тому важливо правильно оцінити цю величину.
Розрізняють загальні і окремі показники використання фондів.
Серед безлічі загальних показників найважливішими є фондовіддача основних фондів, фондоємкість продукції і фондоозброєність праці.
Фондовіддача основних фондів Фвідд показує середній випуск продукції Вгод. у грошовому вираженні в розрахунку на одиницю середньорічних основних фондів Сгод. і розраховується за формулою:
Фвідд. =Вгод. /Фгод.
Для розрахунку середньорічної величини основних фондів можна скористатися формулами:
Фгод. =0,5(Фвх. +Фвих. )
Фгод. =Фвх. +Фвв. х nвв. /12-Фвив. х nвив. /12
де Фвв. ,Фвив. - вводимі та виведені основні фонди протягом плануємого періоду;
nвв. ,nвив. - кількість місяців від моменту введення (виведення) вводимих (виведених) фондів до кінця року відповідно.
Фондоємкість продукції – показник, протилежний фондовіддачі, що визначає кількість фондів у грошовому вираженні Фгод. в розрахунку на одиницю продукції Вгод і розраховується за формулой
Фємк. =1/Фвідд. =Фгод. /Вгод.
Фондоозброєність праці характеризує середню величину основних фондів Фгод . в розрахунку на одного працюючого:
Фозбр. =Фгод. /Рспис.
Всі зазначені показники характеризують виробництво в цілому, а їхня величина залежить як від особливостей галузі, так і від ступеня організації виробництва на конкретному підприємстві. Звичайно капіталомісткі галузі із тривалим циклом виробництва мають набагато більш низьку фондовіддачу і високу фондоємкість продукції, ніж галузі з більш сприятливими економічними характеристиками. Наприклад, підприємства важкої промисловості мають фондовіддачу в межах 1-2, тоді як для місцевої, легкої та т.п. галузей її величина доходить до 10-15 і більше.
Недоліки загальних показників використання основних фондів полягають в тому, що вони самі по собі не дають можливості провести детальний аналіз і з'ясувати причини того або іншого стану справ на підприємстві.
Для цього застосовують систему окремих показників використання основних фондів. Ці показники залежать від різних по своїй природі факторів, які розділяються на дві категорії - інтенсивні і екстенсивні. Відповідно до цього і окремі показниками розділяються в такий же спосіб.
До екстенсивних факторів, що визначають екстенсивне використання основних фондів або використання їх за часом, відносять зовнішні стосовно виробничого процесу обставини – дотримання режиму роботи, регламенту праці. Рівень використання основних фондів за часом (екстенсивне використання) визначається коефіцієнтом екстенсивного використання Кекст. за формулой
Кекст. =Квр. =Fдійсн. /Fкал.
Де Fдійсн. і Fкал. - дійсний і календарний фонди часу.
Показником екстенсивного використання устаткування на машинобудівних підприємствах також може бути коефіцієнт змінності Ксм.
Кзм.
= ![]()
Тут -
- відповідно сума працюючих верстатів у кожній із трьох змін (Сi
) і в найбільш навантажену зміну (Сmax
=C1
)
Інтенсивне використання фондів визначається внутрішніми факторами, насамперед рівнем завантаження устаткування протягом робочого часу, що у свою чергу залежить як від виробничого завдання, так і від кваліфікації персоналу, стану устаткування, рівня організації виробництва та ін. Все це визначає випуск продукції за одиницю часу і оцінюється коефіцієнтом інтенсивного використання устаткування або коефіцієнтом використання потужності Кінт.
Кінт. =Вфакт. /Вном.
Тут Вфакт. , Вном. - фактичні і номінальний (паспортний) випуски продукції за одиницю часу.
Узагальнюючим є показник інтегрального використання або просто показник використання основних фондів, що враховує екстенсивні і інтенсивні фактори і розраховується за формулой:
Кінтегр. =Квик =Кекст. х Кінт.
Для підвищення рівня використання основних фондів існують кілька напрямків. Рівень використання залежить від внутрішніх і зовнішніх основних факторів.
До зовнішнього відносять фактори, що визначають стан ринку і позицію виробника на ньому, а саме - конкурентноздатність продукції і самої фірми, попит на вироблений товар, можливість збільшення продажу і т.п.
До внутрішніх факторів відносять усе, що пов'язано безпосередньо з випуском продукції на підприємстві, а саме:
· рівень спеціалізації і кооперування виробництва і відповідна структура устаткування, що у цьому випадку розуміється як співвідношення основного і допоміжного устаткування;
· режим роботи підприємства, скорочення і ліквідація всіх видів нерегламентованих простоїв;
· підвищення інтенсивності використання працюючого устаткування за рахунок відпрацьованої технології, високої якості обслуговування і ремонтів, кваліфікації персоналу, своєчасного забезпечення виробництва всіма видами ресурсів;
· зменшення кількості застарілого і введення в експлуатацію нового і модернізованого устаткування.
3.2 Економічний розрахунок
Розрахунок проводиться за укрупненою методикою, тому що для докладного калькулювання собівартості електроенергії немає достатніх вихідних даних. Розрахунки проводяться за наступними формулами і зводяться в таблиці.
Собівартість 1 кВтг визначається за формулой:
(4.1)
де
-собівартість відпущеної кВтг електроенергії;
-сумарні річні витрати по виробництву електроенергії на установці, обладнаної розглянутою турбіною;
-річне відвантаження електроенергії на розглянутій установці.
Сумарні річні витрати на виробництво електроенергії укрупнено складаються з наступних складових:
- паливна складова Зпал
- амортизаційна складова Aрічн
- витрати на оплату праці з нарахуваннями Зпрац
- загальновиробничі і загальногосподарські витрати Звиробн
Виходячи із цього, можна визначити суму річних експлуатаційних витрат за формулой :
Зсум = Зпал + Aрічн + Зпрац + Звироб (4.2)
Кількість відпущеної електроенергії з урахуванням витрат на власні потреби визначається за формулой:
(4.3)
де
- номінальна потужність турбоустановки (кВт)
- кількість годин роботи за рік турбоустановки з номінальною потужністю (визначається залежно від режиму роботи установки);
- коефіцієнт витрат на власні потреби установки.
Таблиця 4.1 - Вихідні дані для економічного розрахунку
| Найменування показника | Величина | Обґрунтування |
| 1. Установлена потужність, N ном., МВт | 22 | Вихідні дані |
| 2. Число годин роботи блоку з номінальною потужністю, Тріч.ном., година | 7000 | Вихідні дані |
| 3. Питома витрата умовного палива, В пит., кг / кВт | 0,4 | Дані теплового розрахунку |
| 4. Ціна палива, Цпал., грн. /т | 400 | Діючі ціни |
| 5. Питомі капітальні витрати на спорудження основних фондів, Кпит., т. грн/МВт | 800 | Середньостатистичні значення |
| 6. Норма амортизаційних відрахувань,ан., % | 20% | Норматив для даної категорії основних фондів |
| 7. Штатний коефіцієнт, Кшт., чол./МВт | 2 | Середня величина |
| 8. Середньомісячна зарплата одного працюючого, Зміс., грн. / чол. мес. | 2000 | Середньостатистичні дані |
| 9. Коефіцієнт нарахувань на заробітну плату, Кнар. | 0.57 | 0,2 – доп.Зарплата 0,37 – соц. страх та ін. |
| 10. Коефіцієнт витрати на власні потреби, Кв.п. | 0,1 | Дані ТУ на турбіну |
За результатами проведених розрахунків необхідно визначити структуру собівартості відпущеної кВтг електроенергії, виходячи з того, що за 100% береться собівартість 1 кВтг, а всі інші складові собівартості розраховуються за формулой, прийнятою для розрахунку структури будь-якої комплексної величини.
(4.4)
де
- питома вага (у частках) i-ої складового цілого числа.
- i-а складова в абсолютних величинах,
- сумарна, комплексна величина
Сума всіх значень
дорівнює одиниці. У цьому випадку необхідно визначити чотири значення
відповідно до кількості складових витрат собівартості 1 кВтг, а саме – паливної, амортизаційної, витрат на оплату праці з нарахуваннями і загальвиробничих і загальногосподарських витрат.
Таблиця 4.2 - Розрахунок собівартості електроенергії
| Найменування показника | Розрахункова формула | Величина |
| 1.Кількість виробленої електроенергії, Евир., млн. кВтг | Евир.=Nном.х Тріч.ном | 154 |
| 2. Кількість відпущеної електроенергії, Евідп., млн. кВтг | Евідп=Евир.(1-К с.н.) | 138,6 |
| 3. Річна витрата палива, Вріч., т | В річ.=В пит.* Евир. | 61600 |
| 4. Вартість річної витрати палива, Зпал., млн. грн. | Зпал.=В річ.* Ц пал. | 24,64 |
| 5. Чисельність працюючих на станції, чол | Рсум.=Кшт.*N ном. | 44 |
| 6. Витрати на оплату праці з нарахуваннями, Зпрац., тис. грн. | З прац.=Рсум.*З міс. х 12 х (1+Кнар.) | 1657,92 |
| 7. Розмір основних фондів, Fосн., млн.грн. | Fосн.=К пит.* N ном. | 17,6 |
| 8. Амортизаційна складова собівартості, Заморт., млн.грн. | Заморт.= ан * Fосн./100 | 3,52 |
| 9. Загальвиробничі й загальногосподарські витрати, З виробн., млн.грн. | Звироб.=0,2*(ЗамоР+З прац. + Зпал.) | 5,963 |
| 10. Сумарна величина річних експлуатаційних витрат, Зсум.,млн. грн | Зсум.=Зпал.+Зпрац+Заморт.+Звиробн. | 35,781 |
| 11. Собівартість відпущеного кВтг, Свідп., коп / кВтг | Свідп.=Зсум./Евідп. | 25,816 |
Таблиця 4.3-Розрахунок структури собівартості 1 кВтг
| Найменування складових витрат | Річні витрати млн.грн. | Складова собівартості кВтч,коп/кВтч | Структура собівартості |
| 1. Паливна складова, Зпал. | 24,64 | 17,77 | 0,69 |
| 2. Амортизаційна складова,Заморт. | 3,52 | 2,539 | 0,10 |
| 3. Витрати на оплату праці з нарахуваннями, Зпрац. | 1,657 | 1,196 | 0,05 |
| 4. Загальвиробничі і загальногосподарські витрати, Звиробн. | 5,963 | 4,302 | 0,17 |
| УСЬОГО | 35,781 | 25,816 | 1,0 |

Рисунок 4.1- Структура собівартості
3.3 Висновки і аналіз отриманих результатів
Собівартість відпущеної кВтг для нашої установки становить 25,816 коп./(кВтг).
Проведені розрахунки показують, що найбільш значною складовою собівартості є паливна складова (36%), що зумовлено високими цінами на паливо.
Питома вага витрат на оплату праці становить усього 3%, що є недостатнім і свідчить про низьку вартість праці в енергетиці.
4. ОХОРОНА ПРАЦІ ТА НАВКОЛИШНЬОГО СЕРЕДОВИЩА
4.1 Загальні питання охорони праці
Охорона праці – це система правових, соціально-економічних, організаційно-технічних, санітарно-гігієнічних і лікувально-профілактичних заходів і засобів, спрямованих на збереження життя, здоров’я і працездатності людини в процесі трудової діяльності[1].
Завдання охороні праці-звести до мінімального ймовірність ураження або захворювання працюючого з одночасним забезпеченням комфорту при максимальній продуктивності праці.
Даний розділ розробляється на стадії проектування і модернізації турбіни К-22-8.8. Турбіна використовується для привода повітродувки доменної печі.
При експлуатації турбіни і її допоміжного устаткування на людину впливає ряд небезпечних і шкідливих факторів, перелік яких наведений у таблиці 5.1. Згідно [2].
Таблиця 5.1 – Перелік шкідливих і небезпечних виробничих факторів.
| Шкідливі і небезпечні виробничі фактори | Джерела їхнього виникнення |
| Теплове випромінювання | Турбіна, паропроводи, водопроводи, незахищені ізоляцією частини турбіни, котли і їх устаткування |
| Високий тиск водяної пари | У паропроводах, корпусі циліндра високого тиску, органах паророзподілу турбіни, підігрівачах мережної води високого тиску, котлі |
| Вібрація і шум | Мають місце через підвищене биття вала турбіни, зміни зазорів у підшипниках, кінцевих ущільненнях, викиди пари високого тиску; так само джерелами вібрації можуть бути підігрівачі живильної води |
| Паріння | Виникає в нещільностях з’єднань устаткування й турбіни |
| Витоки масла | Можуть виникати в системі регулювання і управління турбіни, підшипниках |
| Висока напруга мережі | Має місце в електрогенераторі, щиті керування (локальні і центральні), двигуни приводів насосів, компресорів, засувок |
Характеристика приміщень електростанції за умовами експлуатації устаткування наведена в таблиці 5.2.
Таблиця 5.2 - Характеристика приміщень електростанції за умовами експлуатації обладнання
| Приміщення | Категорія |
| Машинний зал | По ступеню небезпеки враження людей електричним струмом згідно ПБЕ-87 [26] - приміщення з підвищеною небезпекою. Згідно НАПБ Б 07.005-86 [20] - категорія приміщення по вибухонебезпеці В. Пожежонебезпека - зона П-IІ. По вибухонебезпеці зона класу 20 згідно ДНАОП 40.1-32-01 [16] |
| Щит керування | По ступеню небезпеки враження людей електричним струмом згідно ПБЕ-87 [26] - приміщення з підвищеною небезпекою. Згідно НАПБ Б 07.005-86[20]- категорія приміщень по вибухонебезпеці-Д. Пожежонебезпека - зона П-I. По вибухонебезпеці зона класу 10 згідно ДНАОП 40.1-32-0.1 [16] |
4.2 Промислова санітарія
4.2.1 Метеорологічні умови
Мікроклімат у приміщенні машзалу й щита керування обраний відповідно до вимог ГОСТ 12.1.005-88[6] з урахуванням категорії робіт з енерговитрат, пори року.
Для виконання робіт оператором щита керування потрібно 121-150 ккал/г, що відповідно до ГОСТ 12.1.005-88 відноситься до Іб категорії важкості робіт.
Працівники машинного залу виконують фізичні роботи середньої важкості, з витратою енергії 200-250 ккал/г і пов’язані з ходьбою й перенесенням вантажів (до 10 кг), що відповідно до ГОСТ 12.1.005-88[6] відноситься до категорії важкості робіт ІІб.
Оптимальні норми температури, відносної вологості й швидкості руху повітря в робочій зоні виробничих приміщень у холодний і теплий період року наведені в таблиці 5.3.
Таблиця 5.3 - Нормовані параметри мікроклімату у виробничих приміщеннях
| Приміщення | Період року | Категорія важкості робіт |
Температура, о С | Відносна вологість, % |
Швидкість Руху повітря, м/с |
| Машинний зал | Холодний | Середньої - IIб | 17-19 | 40-60 | 0,3 |
| Теплий | 20-22 | 40-60 | 0,4 | ||
| Щит керування | Холодний | Легка -Iб | 18-20 | 40-60 | 0,2 |
| Теплий | 22-24 | 40-60 | 0,3 |
4.2.2 Вентиляція і опалення
З метою забезпечення прийнятих параметрів мікроклімату й згідно з СНиП 2.04-05-91 [8] спроектована система природної і штучної приточно-витяжної вентиляції. В машзалі вентиляція приточно-витяжна та природна, у щитовій вентиляція природна з механічним спонуканням.
Згідно з СНиП 2.04-05-92 [8] у приміщенні щита керування спроектована центральна система опалення. Носієм тепла є вода.
У воріт машзалу передбачена повітряно-теплова завіса (у зимову пору року). Опалення у щитовій центральне-носіем тепла є вода.
4.2.3 Виробниче освітлення
У машзалі й щиті керування передбачене сполучене освітлення (тобто природне й штучне), спроектоване у відповідності до ДБН В 2.5-28-2006 [9] .
Природне освітлення характеризується коефіцієнтом природного освітлення(КПО).
,
де
значення КПО по таблиці[12]
m - коефіцієнт світлового клімату, для IV пояса m = 0,9;
с - коефіцієнт сонячного клімату з = 0,75.
Для машзала він дорівнює:
2·0,9·0,75 = 1,4
Для щита керування він дорівнює:
1,6·0,9·0,7 = 1,008
Робота оператора машзалу вимагає спостереження за ходом виробничого процесу (постійне) незалежно від фону і контрасту об’єкта й згідно [12] прийнята VIIIa.
Робота оператора щита керування зорова середньої точності (робота із приладами) найменший розмір об’єкта розрізнення від 0,5- 1 мм, контраст об’єкту розходження малий й згідно [9] прийнята IVa.
При штучному освітленні передбачається робоче, аварійне й евакуаційне освітлення.
Аварійна освітленість становить Еавар=5%Есб, де Есб- нормована освітленість. Аварійне освітлення для машзалу становить
Еавар=0,05*150=7,5 лк
Для щита керування
Еавар=0,05*250=12,5 лк
Джерелами освітлення газорозрядні лампи типу ДРЛ-250, світильники ГсР-250 ГОСТ 6825-74. Для освітлення щита керування обрані лампи люмінесцентні типу ЛХБ.
Характеристика виробничого освітлення турбінного залу представлена в таблиці 5.4.
Таблиця 5.4 - Характеристика виробничого освітлення.
| Приміщення | Площа,м2 | Розряд зорової роботи | Освітлення | ||
| Природне | Штучне | ||||
| Вид освітлення | КПО, % |
Нормована освітленість, лк |
|||
| Машзал | 1365 | VIIIa | бокове | 1,4 | 150 |
| Щит керування | 50 | IVа | комбіноване | 1,008 | 250 |
4.2.4 Шум і вібрація
Джерелом шуму й вібрації є турбіна й обслуговуючі її системи. Рівень шуму працюючої турбіни на відмітці обслуговування відповідає вимогам ГОСТ 12.1. 003-83 [10] і не перевищує 80 дБ (А). Рівень шуму біля щита керування, відповідно до вимог ГОСТ 12.1. 003-83[10]не повинне перевищувати 65 дБА. Відповідно до ГОСТ 12.1. 012-90 [11] рівень вібрації на робочих місцях не перевищує по віброшвидкості Lн = 92 дБ.
Для забезпечення припустимого рівня шуму й вібрації передбачені наступні заходи: балансування ротору, дисків, недопущення довгої роботи турбіни в області критичних частот обертання, звукоізоляція гучних вузлів і механізмів, що не допускають протоків пари у конструкціях фланців з'єднань, працюючих під високим тиском. Як індивідуальні засоби захисту від шуму передбачено застосовувати захисних касок ВЦНИИОТ-2., берушів. Для зменшення вібрації турбіна монтується на спеціальному фундаменті. Також застосовуються віброізолюючі опори типу пружних прокладок. Як індивідуальні засоби захисту від вібрацій застосовані віброзахисні рукавиці і взуття ГОСТ 12.1.012-90 [11], та раціональні режими праці і відпочинку.
4.3 Вимоги безпеки
Турбіна й комплектувальне допоміжне устаткування відповідають ДНАОП 1.1.10-1.02-01 [23] . Виконана теплозвукоізолююча по проекті й забезпечені проектні й практичні рішення по застосуванню звукоізолюючих матеріалів .і покриттів стін машзала й інших заходів. Посудини, що поставляють підприємством-виготовлювачем, з тиском більше 0, 07 МПа (0,7 (кг*с)/см2 ) відповідають вимогам "Правил експлуатації посудин під тиском" [13]. Змонтовані трубопроводи відповідають вимогам "Правил устрою й безпеки експлуатації трубопроводів пари й гарячої води [23]. Експлуатація турбіни виробляється відповідно до інструкції підприємства виготовлювача по технічному обслуговуванню турбіни, допоміжного устаткування, складальних одиниць електроавтоматики. Рівень вібрації на площадках обслуговування турбіни відповідає вимогам ГОСТ 12.1. 012-91 [11]. Припустимий рівень звуку, порушуваний турбіною в зоні обслуговування, заміряний на відстані 1 м від її обшивання по контурі, відповідає вимогам ГОСТ 12.1. 003-83 [10]. Температура зовнішнього шару теплової ізоляції не більше 318 К (45 °С) при роботі турбіни. Всі виступаючі обертові частини огороджені. Турбіна постачена системою регулювання частоти обертання й системою захисту від неприпустимого зростання частоти обертання ротора. Турбіна комплектується набором спеціального інструмента та пристосувань, необхідним для зборки й розбирання турбіни. Всі складальні одиниці й деталі, що підлягають транспортуванню краном, мають скоби, припливи, рим болти або інші пристрої, що дозволяють виконувати такелажні роботи. Напірні та зливальні мастилопроводи мастильної системи й системи гідростатичного підйому, які розташовуються вдалині від гарячих паропроводів, перебувають у закритих каналах і металевих коробах, розташованих у фундаменті турбіни. Фланцеві з'єднання на мастилопроводах, а також на корпусних деталях виконуються по типі "виступ-западина". Мастильна система турбоагрегату виключає влучення масла в навколишнє середовище. Все електричне устаткування відповідає вимогам і ГОСТ 12.1.030-81 [15]. Кабельні зв'язки від клемних коробок на турбіні до вторинних приладів виконані в захисних трубах або спеціальним екранованим кабелем окремо від силових ланцюгів. Захисні екрани й корпуси приладів заземлені. Всі клемні коробки закриті кришками, захищені від подання масла, води, пари. На кришках нанесений попереджувальний напис: "Обережно під напругою!", знак електробезпеки [23].
Схемно-конструктивні заходи захисту: захисне заземлення, застосування зниженої напруги, занулення [14].
Для підтримки обертів турбіни в межах 5% від номінального значення встановлено регулятор швидкості. Він також дозволяє перевести турбіну на холостий хід при скиданні навантаження та обмежує потужність при переваженні турбіни. При раптовому скиданні навантаження турбіна системою регулювання переводиться на холостий хід і продовжує працювати на холостому ходу 15 хвилин, після чого турбоагрегат або навантажується або відключається.
Для контролю вхідних і вихідних параметрів пари застосовується манометри й манометричні термометри. Для контролю тиску гострої пари, тиску в конденсаторі та тиску у відборах використовуються манометри типу ДМИ8010, ДВ8010, ДА8010. Для контролю витрати гострої пари використовується манометр ДС-П4. Для контролю температури - манометричний термометр ТМ2030СГ. Вимірювальним приладом для відображення частоти обертання є тахометр [13].
4.4 Пожежна безпека
Приміщення машзалу відносять по вибухонебезпечності до категорії В [20]. Ступінь вогнестійкості - II[21]. Системи попередження пожежі спроектованівідповідно до ГОСТ 12.1.004-91 [19]. Передбачено автоматичну систему пожежогасіння на станції в машзалі та щиті керування (спринклерна установка)
Пожежна безпека забезпечена відповідно ГОСТ 12.1.004-91[19] передбачає:
- систему попередження пожежі;
- систему пожежогасіння;
- організаційно-технічні заходи.
Передбачені заходи для забезпечення пожежної безпеки:
- на мастилопроводах установлена мінімальна кількість фланцевих з'єднань;
- передбачена надійна конструкція фланцевих з'єднань;
- у районі паропроводів з високою температурою мастилопроводи прокладені в спеціальних кожухах;
У приміщенні машзалу встановлена механічна й автоматична пожежна сигналізація (термосповіщувачі типу АТІН, світлові сповіщувачі типу СИ-1), розміщена й централізована система пожежогасіння, встановлено 3 пожежних щити з первинними засобами пожежогасіння. Склад пожежних щитів наведений у таблиці 5.5.
Таблиця 5.5 - Категорії вибухо- і пожежонебезпеки
| Найменування Приміщення | Площа, м2 |
Категорії приміщень по вибухо-і пожежонебезпеці | Ступінь Вогнестійкості будинків |
| Машинний зал | 1365 | B | II |
| Щит керування | 50 | Д | II |
Таблиця 5.6 - Первинні засоби пожежогасіння.
| Приміщення | Площа,
|
Первинні засоби пожежогасіння | Шт. |
| Машинний зал | 1350 | Один пожежний щит становлять: - вогнегасник ВВК - лом - багор - цебро - ящик з піском Щит пофарбований у червоні кольори Пожежні гідранти, пожежні рукави із брансбойтами |
2 2 2 2 1 2 |
| Щит керування | 50 | Вогнегасник вуглекислотний ВВК-5 | 2 |
4.5 Охорона навколишнього середовища
Охорона навколишнього середовища - комплекс заходів щодо охорони, раціональному використанню й відновленню живого й неживого середовища.
При експлуатації об'єкта можливі наступні виробничі забруднення навколишнього середовища [25]:
- енергетичні (шум, ЕМП, викиди тепла):
- матеріальні (скидання стичних вод в гідросферу, тверді відходи, викиди в атмосферу.)
У цей час, майже всі енергетичні установки для нагрівання матеріалу, виробітку пари й електроенергії використають тепло палив, що спалюють. При цьому в атмосферу виділяються більші обсяги шкідливих речовин, таких як N02, СО й SO2, а так само значна кількість надлишкового тепла.
Підприємства металургії забруднюють атмосферне повітря шкідливими викидами. ГДК забруднюючих речовин що викидаються підприємством у повітря наведені в таблиці 5.7.
Таблиця 5.7 - ГДК забруднюючих речовин у атмосферному повітрі
| Речовина | ГДК, мг/м3 | |
| Максимально разова | Середньодобова | |
| Оксиди азоту NO2 | 0,085 | 0,085 |
| Оксиди вуглецю СО | 3,000 | 1,000 |
Для зменшення викидів в атмосферу від пилу установлююсь циклони, електричні і рукавні фільтри.
Джерелом водопостачання підприємства є штучна водойма.
Очищення промислових стічних вод відбувається:
від масла - шляхом герметизації трубних дощок у масло охолоджувачі;
від домішок у воді - шляхом очищення засобами фільтрації й відстоювання.
Також скидають у ставки накопичувачі теплі стічні води, при цьому міняється температурний режим у водному об'єкті, що призводить до негативного впливу на біоту. Ще одним видом забруднень металургійного виробництва є тверді відходи (зола, шлаки). Метод утилізації твердих відходів наступний: збір їх у спеціальну тару й відправлення на спеціалізовані підприємства по випуску будівельних матеріалів, сировиною для яких вони є.
ЗАКЛЮЧЕННЯ
В результаті виконання в даній роботі теплових й міцністних розрахунків можно зробити висновок про реальність створення парової турбіни з параметрами, зазначеними в завданні на проектування.
У результаті теплових розрахунків були визначені ККД і потужності всіх ступенів і турбіни в цілому. Розрахункова потужність проектованої турбіни склала 21,838 МВт, що на 0,351 МВт більше ніж у прототипної машини, облямованої Невським машинобудівним заводом ім. В.І.Леніна (НЗЛ). Цей приріст був здобутий завдяки оптимізації проточної частини турбіни. Відносний внутрішній ККД спроектованої турбіни становить 0,7368.
У спецзавданні був зроблений розрахунок на міцність лопатки сьомого ступеня, за результатами якого можна зробити висновок про те, що згинальні напруження в лопатках під час дії парового зусилля задовольняють умовам міцності.
В економічній частині був зроблений розрахунок вартості 1 кВтг відпускаємої електроенергії, величина якої перебуває в припустимих межах і становить 25,816 коп./кВтг.
У розділі охорони праці й навколишнього середовища був розроблений комплекс заходів, покликаний максимально убезпечити обслуговуючий персонал, і знизити ризик одержання травм. Так само були розроблені заходи щодо зниження впливу на навколишнє середовище шкідливих виробничих факторів, які можуть виникнути при експлуатації спроектованої в даному завданні турбіни.
СПИСОК ДЖЕРЕЛ ІНФОРМАЦІЇ
Перелік джерел, на які наданіпосилання у тексті
1 Закон України "Про охорону праці" у редакції 2002 р.
2 ГОСТ 12.0.003-74. ССБТ. Опасные и вредные производственные факторы. Классификация.
3 Правила будови електроустановок.- К., 2007.
4 НАПБ Б. 07.005-86 Визначення категорії будівель і споруд повибухопожежній і пожежній безпеці.- К.:Будіздат, 1987.
5 ДНАОП 40.1 - 32-01. Правила будови електроустановок. Електрообладнання спеціальних установок.-К.: Укрархбудінформ, 2001-118с
6 ГОСТ 12.1.005-88. Общие санитарно-гигиенические требования к воздуху рабочей зоны. Введ. 01.01.89.
7 СНиП 2.04.05-92. Отопление, вентиляция, кондиционирование. - М.: Стройиздат, 1993 .
8 ДБН В 2.5 -28-2006. Природне і штучне освітлення.- К.: Мінбуд України, 2006.
9 ГОСТ 12.2.003-74. Оборудование производственное. Общие требования безопасности.
10 ГОСТ 12.1.003-83. Шум. Общие требования безопасности. -Введ.01.07.84.
11 ГОСТ 12.1.012-90. Вибрация. Общие требования безопасности. - Введ. 01.01.91.
12 Правила безпечної експлуатації тепломеханічного обладнання електростанцій і теплових мереж. ДНАОП 1.1.10-1.02-01: -X.:Форт,
2003-336 с.
13 ДНАОП 0.00-1.07-94 "Правила будови та безпечної експлуатації посудин, що працюють під тиском". -X.: Форт, 1994. - 336 с.
14 ГОСТ 12.1.030-81. ССБТ. Электробезопасность. Защитное заземление. Зануление.- Введ.01.01.82.
15 Правила безпечної експлуатації електроустановок споживачів. ПБЕЕС. - К.: 1997.
16 ДБН В. 1.1-7-02. Державні норми будівництва. Захист від пожежі. Пожежна безпека об’єктів будівництва. -К.,2003. -41с. -Введ.01.05.03.
17 ГОСТ 12.1.004-91 ССБТ. Пожарная безопасность. Общие требования безопасности. - Введ.01.01.92.
18 Охрана окружающей природной среды. Учеб. Для вузов. Под ред.
Перелік джерел, на як нема посилань у тексті
19 Зайцев М.В. Методические указания к выполнению теплового расчета выпускной работы бакалавра по специальности 7.0905.06 "Турбины".-Харьков: НТУ "ХПИ", 2004.-66с
20 Усачев И.Д., Гура Л.А., Гребнев В.К. Методические указания по расчету проточной части паровой турбины для студентов специальности 7.090506 "Турбины". -Харьков: ХГПУ, 1999.-41с.
21Жирицкий Г.С., Стрункин В.А. Конструкция и расчет на прочность деталей паровых и газовых турбин.- М.: Машиностроение, 1968, с. 520.
22 Справочник по технике безопасности / Сост. П.А. Долин. - М.: Энергоатомиздат.
23 ГОСТ 12.1.007-88. ССБТ. Вредные вещества. Классификация. Общие требования безопасности. Введ.01.01.89.
24 Гигиеническая классификация труда по показателям вредности и опасности факторов производственной среды, тяжести и напряженности трудового процесса. 12.08.86. – М.: Минздрав СССР, 1987.
25 ДНАОП 0.00-1.29-97. Правила захисту від статичної електрики.
К.,1997-229с.
26 РД 34.21.122-87. Инструкция по устройству молниезащиты зданий и сооружений. М, 1987.
31 ГОСТ 12.2.020 - 76.ССБТ.Злектрооборудование взрывозащищенное. Термины и определения. Классификация. Маркировка. - Введ.28.09.76.
32 Закон України "Про охорону навколишнього середовища".
Г.В. Дуганова. - Киев: Вища шк., 1988. - 304 с.
33 Березуцький В.В. Основи охорони праці.- Харків: Факт, 2005.- с. 280.
34 ДСТУ180 140001-97. Система управління навколишнього середовища-К:Держстандарт України, 1997.