| Скачать .docx |
Курсовая работа: Расчет и проектирование редуктора общего назначения
Оглавление
Техническое задание на проектирование
Введение
1. Кинематический и силовой расчет
1.1 Выбор грузового каната, расчет полиспаста и грузового барабана
1.2 Выбор электродвигателя
1.3 Определение частот вращения, вращающих моментов на валах
2. Расчет открытой ступени
2.1 Выбор материалов. Расчет допустимых напряжений
2.2 Расчет модуля зацепления
2.3 Расчет геометрических размеров зубчатых колес
2.4 Расчет вспомогательных параметров
2.5 Расчет сил, действующих в зацеплении
2.6 Проверочный расчет передачи
2.7 Схема привода с кинематическим анализом
3. Предварительный расчет валов редуктора
3.1 Ведущий вал
3.2 Ведомый вал
4. Конструктивные размеры шестерни и колеса
5. Расчет зубчатых колес редуктора
6. Конструктивные размеры шестерни и колеса
7. Конструктивные размеры корпуса редуктора
8. Первый этап компоновки редуктора
9. Проверка долговечности подшипника
10. Второй этап компоновки редуктора
11. Проверка прочности шпоночных соединений
12. Уточненный расчет валов
13. Посадки зубчатого колеса, шестерни и подшипников
14. Выбор сорта масла
15. Сборка редуктора
Список использованной литературы
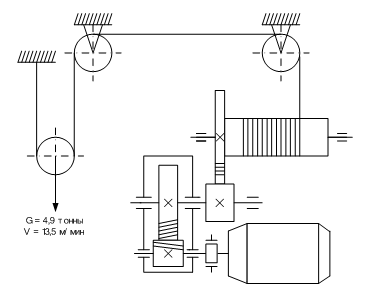
Техническое задание на проектирование
Спроектировать и рассчитать привод грузовой лебедки имеющей грузоподъемность G = 4,9 тонны, скорость подъема груза V = 13,5 м/мин. Привод двухступенчатый: первая ступень – закрытая (редуктор) цилиндрическая косозубая, вторая ступень – открытая, цилиндрическая прямозубая.

Рисунок 1. Задание на проектирование.
Введение
Темой курсовой работы является расчет и проектирование редуктора общего назначения.
Цель данной работы состоит в том, чтобы научиться правильно применять знания, полученные в процессе учебы, на практике.
В процессе выполнения данной работы решаются следующие задачи:
расширение, углубление, закрепление и систематизация теоретических знаний и применение этих знаний для ведения расчетов при проектировании;
развития навыков ведения самостоятельной творческой инженерной работы.
1. Кинематический и силовой расчет
1.1 Выбор грузового каната, расчет полиспаста и грузового барабана
Расчет наибольшего натяжения каната
![]()
Кратность полиспаста принимаем равной iП = 2, кпд полиспаста ηП = 0,99 для блоков с подшипниками качения
S = 4900/(2*0,99) = 24747 Н
Расчет наименьшего допустимого разрывного усилия каната
,n = 5,5 для механизмов подъема груза, работающих в среднем режиме.
SP = 5,5*24747 = 136108 Н
Выбор грузового каната
Выбираем канат типа ЛК-Р по ГОСТ 2688-90 с прочностью проволок σВ = 1960МПа. Выбранный канат имеет диаметр d = 15 мм и SP = 137000 = 137000Н.
Расчет минимального радиуса блока
e = 18, для механизмов подъема, работающих среднем режиме,![]()
D = 18*15 = 270 мм
Расчет минимального диаметра грузового барабана
![]()
Dб = 270*0,85 = 229,5 мм, принимаем Dб = 230 мм
Расчет частоты вращения грузового барабана

ωб = (13,5*2/60)*(2000/(230+15)) = 3,67с-1

nб = (30*3.67)/3.14 = 35 об/мин
Расчет мощности на барабане

Рб = (10*4,9/2)*((230+15)/2000)*3,67 = 11кВт
1.2 Выбор электродвигателя
Расчет кпд привода
,
где η1 – кпд редуктора, η2 – кпд открытой ступени, ηМ – кпд муфты, ηПП – кпд пары подшипников.
ηОБЩ = 0,98*0,95*0,98*0,993 = 0,885
Расчет требуемой мощности двигателя
![]()
РЭ.Тр = 11/0,885 = 12,43кВт
Оценка максимальной частоты вращения двигателя. Выбор электродвигателя.
![]()
Принимаем: u1 max = 5, u2 max = 10,
nЭ.МАХ = 35*5*10 = 1750 об/мин
По каталогу (стр.390 [1]) выбираем электродвигатель. Исходя из полученной максимальной частоты вращения, учитывая, что при запуске двигателя всегда необходимо иметь запас мощности, выбираю электродвигатель асинхронный с короткозамкнутым ротором 4А160М6 с РНОМ = 15 кВт, nДВ = nc *(1-s) = 1000*(1-0.026) = 974 об/мин, dВАЛА = 48 мм.
uобщ = nдв /nб
u2 = uпр /up
uобщ = 974/35 = 27,8
u2 = 27,8/4 = 6,95
1.3 Определение частот вращения, вращающих моментов на валах
Расчет представлен в таблице 1.
Таблица №1.
| Наименование вала | n, мин-1 | ω, с-1 | P, кВт | T, Н*м |
| Быстроходный вал редуктора | 974 | 101,5 | 12,4 | 122 |
| Тихоходный вал редуктора | 243,5 | 25,5 | 11 | 431,4 |
| Вал барабана | 35 | 3,67 | 11 | 2997 |
2. Расчет открытой ступени
редуктор грузовой канат полиспаст барабан
Расчет ведем по изгибу.
2.1 Выбор материалов. Расчет допустимых напряжений
Выбираем Сталь 45 ГОСТ 1050-88 улучшенную для шестерни и колеса, с твердостью по Бринеллю, соответственно:
НВ1 = 270
НВ2 = 240
,
где KHL коэффициент долговечности, равный 1, для долговечных передач.
Формула для расчета изгибных напряжений примет вид:

Коэффициент запаса SF = 1,7 для кованных и штампованных зубчатых колес
[σ]F 1 = (1,75*270)/1,7 = 278МПа
[σ]F 2 = (1,75*240)/1,7 = 247 МПа
2.2 Расчет модуля зацепления
,
где kF – коэффициент нагрузки. Для консольного расположения шестерни kF = 1,7. принимаем z1 = 30, ψbm = 10, T1 – момент на тихоходном валу редуктора в Н*м, YF = 3,8 коэффициент формы для 30 зубьев.
m = [3,8(2*431,4*1,7*103 )/(30*10*278)]1/3 = 4,06 мм. Найденное значение открытого модуля округляем до стандартного значения m = 4,0 мм
2.3 Расчет геометрических размеров зубчатых колес
z2 = z1 * u2 = 30*6,95 = 208,5 ≈ 209
d1 = Z1 *m = 30*4,0 = 120 мм
d2 = Z2 *m = 209*4,0 = 836 мм
da 1 = d1 + 2m = 120 + 8 = 128 мм
da 2 = d2 + 2m = 836 + 8 = 844 мм
df 1 = d1 – 2,5m = 120 – 10 = 110 мм
df 2 = d2 – 2,5m = 836 – 10 = 826 мм
b1 = b2 + 5 = 40 + 5 = 45мм
b2 = ψbm * m = 10*4 = 40мм
2.4 Расчет вспомогательных параметров
v = d1 * ω1 /2000 = 120*25,5/2000 = 1,53 м/с
ψbd = b1 /d1 = 45/120 = 0.375
2.5 Расчет сил, действующих в зацеплении
Ft = 2000*T1 /d1 = 2000*431,4/120 = 7190 H
Fτ = Ft *tgα = 7190*tg20 = 2617 H
2.6 Проверочный расчет передачи

YF 2 = 3,6 (для зубчатых колес, выполненных без смещения, при z ≥ 100), Yβ – учитывает влияние угла наклона.
KF = KFα * KFβ * KFv – коэффициент нагрузки при расчете по напряжениям изгиба.
KFα – коэффициент, учитывающий влияние погрешностей изготовления шестерни и колеса, на распределение нагрузки между зубьями, для прямозубых колес KFα = 1.
KFβ – коэффициент, учитывающий неравномерность распределения напряжений у основания зубьев по ширине зубчатого венца, KFβ = 1,068 (таблица 3.7. [1]).
KFv – коэффициент динамической нагрузки, KFv = 1,25 (таблица 3.8. [1]).
KF = 1*1,068*1,25 = 1,335
Проверяю зубья по напряжениям изгиба:
σF2 = ((1,335*7190)/(35*4,03)) * 3.6 = 246,8 МПа
σF1 = 246,8*(3,8/3,6) = 260,5 МПа
2.6 Схема привода с кинематическим анализом

Рисунок 2. Кинематический анализ
3. Предварительный расчет валов редуктора
Предварительный расчет проведем на кручение по пониженным допускаемым напряжениям.
3.1 Ведущий вал
Диаметр выходного конца при допускаемом напряжении [tК ] = 25 МПа определяем по формуле
![]()
dB 1 = ((16*122*103 )/3,14*25)1/3 = 29,2 мм.
Вал редуктора соединен с электродвигателем посредством муфты. Принимаем муфту типа МУВП по ГОСТ 21424-75 с расточками полумуфт под dДВ = 48мм и dB 1 = 45 мм (муфты УВП могут соединять валы разных диаметров в пределах одного номинального момента, принимаю муфту МУВП 8-710-45-2-48-2-У3), примем под подшипниками dП1 = 45 мм. Шестерню выполняем за одно целое с валом.
3.2 Ведомый вал
Диаметр выходного конца вала определяем при том же допускаемом напряжении, что и ведущий, т.к. действуют те же силы и моменты, применяем то же допускаемое напряжение [tК ] = 25 МПа.
![]()
dB 2 = ((16*431,4*10 3 )/3.14*25) 1/3 = 44,5 мм,
принимаем 45мм, диаметр вала под подшипниками принимаем
dП2 = 45мм, под зубчатым колесом dК2 = 50мм.
Диаметры остальных участков валов назначаем исходя из конструктивных соображений при компоновке редуктора.
4. Конструктивные размеры шестерни и колеса
Шестерню выполняем для посадки на вал диаметром 45 мм, размеры ее определены ранее: d1 = 120 мм, da 1 = 128мм, df 1 = 110 мм, b1 = 45 мм, ширина ступицы шестерни 60 мм.
Колесо кованое d2 = 836 мм, da 2 = 844 мм, df 2 = 826 мм, b2 = 40 мм.
5. Расчет зубчатых колес редуктора
Так как в задании нет особых требований в отношении габаритов передачи, выбираем материалы со средними механическими характеристиками: для шестерни – сталь 45, термическая обработка – улучшение, твердость НВ 230; для колеса - сталь 45, термическая обработка улучшение, но твердость на 30 единиц меньше – НВ 200.
Допускаемые контактные напряжения
,
где σНlimb – предел контактной выносливости при базовом числе циклов.
Для углеродистых сталей с твердостью поверхностей зубьев менее НВ 350 и термической обработкой (улучшением)
σНlimb = 2НВ + 70;
КHL – коэффициент долговечности; при числе циклов нагружения больше базового, что имеет место при длительной эксплуатации редуктора, принимаем КHL = 1, коэффициент безопасности [SH ] = 1,10.
Для косозубых колес расчетное допускаемое контактное напряжение определяется по формуле
;
для шестерни [σН1 ] = ((2НВ1 +70)* КHL )/ [SH ] = ((2*230+70)*1)/1,10=481,8 ≈ 482 МПа;
для колеса [σН2 ] = ((2НВ2 +70)* КHL )/ [SH ]=((2*200+70)*1)/1,10 = 427,3 ≈ 427 МПа.
Тогда расчетное допускаемое контактное напряжение
[σН ] = 0,45*(482+427) = 409,05 ≈ 409 МПа.
Требуемое условие [σН ] ≤ 1,23[σН2 ] выполняется.
Коэффициент КНβ принимаем, как для случая несимметричного расположения колес, значение КНβ = 1,25, т.к. со стороны зубчатого колеса открытой передачи действуют силы, вызывающие дополнительную деформацию ведомого вала и ухудшающие контакт зубьев.
Принимаем для косозубых колес коэффициент ширины венца по межосевому расстоянию ψba = b/aw = 0,4.
Межосевое расстояние из условий контактной выносливости активных поверхностей зубьев определяется по формуле:
мм,
ближайшее значение межосевого расстояния по ГОСТ 2185-66 аw = 200 мм (второй ряд).
Нормальный модуль зацепления принимаем по следующей рекомендации:
mn = (0.01¸0.02) аw =200(0.01¸0.02) = 2,0¸4,0 мм, по ГОСТ 9563-60* принимаем mn = 2,0 мм.
Примем предварительно угол наклона зубьев b = 10° и определим числа зубьев шестерни и колеса
.
Принимаем z1 = 39 ; тогда z2 = z1 * u = 39 * 4 = 156
Уточненное значение угла наклона зубьев
β = 12°50´
Основные размеры шестерни и колеса:
диаметры делительные:

проверяем аw = (d1 + d2 )/2 = (80+320)/2 = 200 мм;
диаметры вершин зубьев:
da 1 = d1 + 2mn = 80 + 2*2 = 84 мм
da 2 = d2 + 2mn = 320 + 2*2 = 324 мм
ширина колеса:
b2 = ψba aw = 0.4*200 =80 мм,
ширина шестерни:
b1 = b2 + 5 = 80 + 5 = 85 мм,
определяем коэффициент ширины шестерни по диаметру:
ψbd = b1 /d1 = 85/80 = 1.063.
Окружная скорость колес и степень точности передачи
м/с,
назначаем 8-ю степень точности и принимаем KHv = 1.0 ¸ 1.05 [1], значения остальных коэффициентов принимаем:
KH b = 1.04 (табл. 3.5[1]), KHα = 1.09 (табл. 3.4 [1]), KHv = 1,0 (табл. 3.6[1]), таким образом
KH = KH b KHα KHv =1.04*1.09*1.0 = 1.134
Проверяем контактные напряжения:

Силы, действующие в зацеплении:
окружная
![]()
радиальная
![]()
осевая
Fa =Ft tgb = 3050*tg12°50´ = 695,10 Н
Проверка зубьев на выносливость по напряжениям изгиба
![]()
Коэффициент нагрузки
KF = KF b *KFv ,
по таблице 3.7 [1] при ψbd =1,063, твердости НВ ≤ 350 и несимметричном расположении зубчатых колес относительно опор KF b = 1,31 . по таблице 3.8 KFv = 1.3. Таким образом, коэффициент KF = KF b *KFv = 1,31*1,3 =1,703; YF – коэффициент, учитывающий форму зуба и зависящий от эквивалентного числа зубьев zv у:
шестерни ![]()
колеса ![]()
YF 1 = 3,61, YF 2 =3,60.
Допускаемое напряжение
.
По таблице 3.9 [1] для стали 45 улучшенной при твердости НВ ≤ 350 σ°Flimb = 1.8 HB.
Для шестерни σ°Flimb = 1,8*230 =415 МПа, для колеса σ°Flimb =1,8*200 = 360 МПа. [SF ] = [SF ]'[SF ]" – коэффициент безопасности, где [SF ]' = 1,75 (табл. 3.9[1]), [SF ]" = 1 (для поковок и штамповок), следовательно, [SF ] = 1,75*1 = 1,75.
Допускаемые напряжения:
для шестерни [σF 1 ] = 415/1.75 = 237 МПа;
для колеса [σF 2 ] = 360/1,75 = 206 МПа.
Дальнейший расчет будем вести для зубьев колеса, т.к. для него данное отношение меньше.
Определяем значение коэффициентов Yb и KFα
Yb = 1-b°/140 = 1-12°50´/140 =0,908
KFα = [4+(εα – 1)(n-5)]/4εα
Для средних значений коэффициента торцового перекрытия εα = 1,5, и 8-й степени точности KFα =0,92.
Проверяем прочность зуба колеса
< [σF
2
] = 278МПа
Условие прочности выполнено.
6. Конструктивные размеры шестерни и колеса
Шестерню выполняем за одно целое с валом, ее размеры определены ранее:
d1 = 80 мм
da 1 = 84 мм
df 1 = d1 – 2,5m = 80-2.5*2 = 75 мм
b1 = 85 мм.
Колесо кованное:
d2 = 320 мм
da 2 = 324 мм
df 2 = d2 – 2,5m = 320-2.5*2 = 315 мм
b2 = 80 мм.
Диаметр ступицы dст = 1.6dK 2 = 1.6 * 50 = 80 мм; длину ступицы принимаем равной ширине зубчатого колеса lст = 80 мм; толщина обода δо = (2,5 ¸ 4)mn = (2,5 ¸ 4)*2,0 = 5 ¸ 8 мм, принимаем 10 мм; толщина диска С = 0,3 b2 = 0,3*80 = 24 мм.
7. Конструктивные размеры корпуса редуктора
Толщина стенок корпуса и крышки: δ = 0,025 aw + 1 = 0,025*200 + 1 = 6 мм, принимаем δ = 8 мм; δ1 = 0,02 aw + 1= 5 мм, принимаем δ1 = 8 мм.
Толщина фланцев поясов корпуса и крышки:
Верхнего пояса корпуса и пояса крышки
b = 1.5δ = 1.5*8 =12мм; b1 = 1.5δ1 = 1,5*8 = 12мм;
нижнего пояса корпуса
р = 2,35 δ = 2,35*8 = 18,8мм, принимаем 20 мм.
Диаметр болтов: фундаментальных d1 = (0,03¸0,036) aw +12 = (6¸7,2)+12=18 ¸19,2 мм; принимаем болты с резьбой М20;
крепящих крышку к корпусу у подшипников d2 = (0,7¸0,75) d1 = (0,7¸ 0,75)*20 = 14 ¸ 15мм, принимаем болты с резьбой М16;
соединяющих крышку с корпусом d3 = (0,5¸0,6) d1 = (0,5¸ 0,6)*20 = 10¸ 12мм, принимаем болты с резьбой М12.
8. Первый этап компоновки редуктора
Первый этап служит для приближенного определения положения зубчатых колес и шкива относительно опор для последующего определения опорных реакций и подбора подшипников.
Компоновочный чертеж выполняется в одной проекции – разрез по осям валов при снятой верхней крышке редуктора.
Зазор между торцом шестерни или торцом ступицы и внутренней стенкой корпуса А1 = 1,2 δ, зазор от окружности вершин зубьев колеса до внутренней стенки корпуса А = δ, расстояние между наружным кольцом подшипника ведущего вала и внутренней стенкой корпуса А = δ , если диаметр окружности вершин зубьев шестерни окажется больше наружного диаметра подшипника, то расстояние А будем отмерять от шестерни.
Предварительно намечаю радиальные шарикоподшипники средней серии; габариты подшипников выбираю по диаметру вала в месте посадки подшипника dП1 = 45 мм и dП2 = 45 мм
Таблица №2.
| Условное обозначение подшипника | d | D | B | Грузоподъемность, кН | |
| Размеры, мм | С | С0 | |||
| 109 | 45 | 75 | 16 | 21,2 | 12,2 |
| 209 | 45 | 85 | 19 | 33,2 | 18,6 |
Для смазки подшипников будем применять консистентную пластичную смазку Литол - 24 по ГОСТ 21150-75, для предотвращения вытекания смазки внутрь корпуса и вымывания пластичного материала жидким маслом из зоны зацепления устанавливаем мазеудерживающие кольца, их ширина определяется размером у = 8 ¸ 12 мм.
Измерением определяю расстояние на ведущем валу l1 = 68 мм, и на ведомом l2 = 72 мм. Принимаю окончательно 72 мм.
Глубина гнезда для подшипника lГ ≈1.5B, для 109 подшипника 24 мм, для 209 – 28,5 мм, принимаю lГ = 30 мм.
Толщину фланца Δ крышки подшипника принимаю примерно равной диаметру d0 отверстия в крышке под крепящий болт, для принятых мною подшипников это 14 мм. Высоту головки болта принимаю 0,7dб = 0,7*12 = 8,4 мм, зазор между головкой болта и ступицей шестерни принимаю 10 мм. Измерением устанавливаю расстояние l3 = 78 мм.
9. Проверка долговечности подшипника

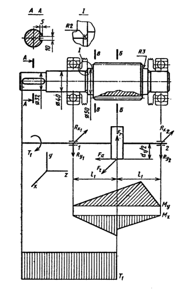
Рисунок 3. Расчётная схема ведущего вала
Ведущий вал. Из предыдущих расчетов имею Ft = 3050 H; Fr = 1138,57 Н; Fα = 695,10 H из первого этапа компоновки l1 = 72мм.
Реакции опор:
в плоскости xz:
Rx 1 = Rx 2 = Ft /2 = 3050/2 = 1525 H;
в плоскости yz:
![]()
![]()
Проверка: Ry 1 + Ry 2 – Fr = 762,37 + 376,20 – 1138,57 = 0
Суммарные реакции
;
.
Подбор подшипника буду производить по наиболее нагруженной опоре 1.
Намечаю радиальные шариковые подшипники 109 (приложение П3 [1]): d = 45 мм ; D = 75 мм ; B = 16 мм ; C = 21,2 кН ; C0 = 12,2 кН
Эквивалентная нагрузка
,
где Pr 1 = 1704,94 Н – радиальная нагрузка; Ра = Fα = 695,1 Н – осевая нагрузка; V = 1 (вращается внутреннее кольцо); коэффициент безопасности для привода ленточных конвейеров Кσ = 1 (табл.9.19 [1]), КТ = 1 (табл.9.20 [1]).
Отношение Fα /C0 = 695,1/12200 = 0,057 ; этой величине соответствует е ≈ 0,26 (табл. 9.18 [1]).
Отношение Рɑ /Рr 1 = 695,1/1704,94 = 0,407 > e; Х = 0,56 и Y = 1,74
PЭ = (0,56*1*1704,94+1,74*695,1)*1*1 ≈ 2164,24 Н
Расчетная долговечность, млн. об
L = (C/PЭ )3 = (21,2*103 /21,6424*102 )3 ≈ 940 млн. об
Расчетная долговечность, час
Lh = L*106 /60n = 940*106 /60* 974 ≈ 16084 час, что больше установленного ГОСТ 16162-85.
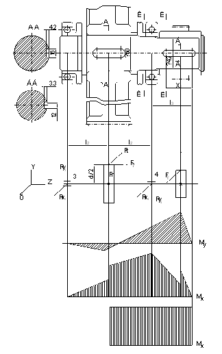
Ведомый вал: несет такие же нагрузки как и ведущий.

Рисунок 4. Расчетная схема ведомого вала
Ft = 3050 H; Fr = 1138,57 Н; Fα = 695,10 H; из первого этапа компоновки l2 = 72 мм, l3 = 78 мм. (Рис. 4)
Нагрузка на вал от открытой зубчатой передачи Ft =7190 H. Составляющие этой нагрузки Fвх = Fву = FТ = 2617 Н, так как передача прямозубая, из первого этапа компоновки l2 = 72 мм, l3 = 78 мм.
Реакции опор:
в плоскости xz:

Проверка: Rx 3 + Rx 4 –(Ft + FBX ) = 107,46 + 5559,54 – (3050 + 2617) = 0.
в плоскости yz:

Проверка: Ry 3 + FBY –(Fr + Ry 4 ) = 1214.49 + 2617 –(1138.57 + 2692.92)=0
Суммарные реакции:

Подбор подшипника буду производить по более нагруженной опоре 4.
Намечаю радиальные шариковые подшипники 209 (приложение П3 [1]): d = 45 мм ; D =85 мм ; B = 19 мм ; C = 33,2 кН ; C0 = 18,6 кН
Эквивалентная нагрузка
,
где Pr 4 = 6177,40 H – радиальная нагрузка; Ра = Fα = 695,10 H – осевая нагрузка;V = 1 (вращается внутреннее кольцо); коэффициент безопасности для привода ленточных конвейеров Кσ = 1 (табл.9.19 [1]), КТ = 1 (табл.9.20 [1]).
Отношение Fα /C0 = 695,10/18600 = 0,037; этой величине соответствует е ≈ 0,29.
Отношение Рɑ /Рr 1 = 695,10/6177,40 = 0,11 < e; Х = 1 и Y = 0
PЭ = (1*1*6177,40)*1*1 ≈ 6177,40 Н
Расчетная долговечность, млн. об
L = (C/PЭ )3 = (33,2*103 /61,7740*102 )3 ≈ 155 млн. об
Расчетная долговечность, час
Lh = L*106 /60n = 155*106 /60*243,5 ≈ 10609 час, что больше установленного ГОСТ 16162-85.
При соответствующем соблюдении ПТЭ, контроле качества и количества смазки, снятии ВАХ и выполнении рекомендаций со стороны завода – изготовителя подшипников, данные подшипники могут проработать дольше.
Для зубчатых редукторов ресурс работы подшипников может превышать 36000 час (таков ресурс самого редуктора), но не должен быть меньше 10000 час (минимально допустимая долговечность подшипника).
10. Второй этап компоновки редуктора
Вычерчиваю шестерню и колесо по конструктивным размерам, найденным ранее. Шестерню выполняю за одно целое с валом.
Конструирую узел ведущего вала:
а) наношу осевые линии, удаленные от середины редуктора на расстояние l1 . Использую эти линии для вычерчивания в разрезе подшипников качения (при этом использую правила упрощения, определенные ГОСТ 2.305-68);
б) между торцами подшипников и внутренней поверхностью стенки корпуса вычерчиваю мазеудерживающие кольца. Их торцы должны выступать внутрь корпуса на 1 ¸ 2 мм от внутренней стенки, в этом случае, эти кольца будут играть роль еще и маслоотбрасывающих колец. Для уменьшения числа ступеней вала кольца устанавливаем на тот же диаметр, что и подшипники (Ç 40 мм). Фиксация их в осевом направлении осуществляется заплечиками вала и торцами внутренних колец подшипников;
в) вычерчиваю крышки подшипников с уплотнительными прокладками (s ≈ 1 мм) и болтами. Болт условно помещается в плоскость чертежа.
Войлочные и фетровые уплотнения применяются в основном в узлах, заполненных консистентной смазкой, манжетные уплотнения могут применяться как с жидкой, так и с консистентной смазкой.
Длина присоединительного конца вала Ç 45 мм определяется длиной ступицы муфты. Для муфты МУВП 8-710-45-2-48-2-У3 ГОСТ 21424-75 l= 82 мм.
Аналогично конструирую узел ведомого вала, учитывая при этом следующие особенности:
а) для фиксации зубчатого колеса в осевом направлении предусматривается утолщение вала с одной стороны и установка распорной втулки — с другой; место перехода вала от Ç 50 мм к Ç 45 мм смещается на 2 — 3 мм внутрь распорной втулки с тем, чтобы гарантировать прижатие мазеудерживающего кольца к торцу втулки (а не к заплечику вала!);
б) отложив от середины редуктора расстояние l2 , провожу осевые линии и вычерчиваю подшипники, при этом оси подшипников ведущего и ведомого валов располагаю на одной прямой;
в) вычерчиваю мазеудерживающие кольца, крышки подшипников с прокладками и болтами;
г) откладываю расстояние l3 и вычерчиваю шестерню открытой передачи; ступица шестерни может быть смещена в одну сторону для того, чтобы вал не выступал за пределы редуктора на большую длину.
д) от осевого перемещения шестерня фиксируется торцовым креплением. Шайба прижимается к торцу ступицы одним болтом. Между шайбой и торцом вала предусматриваю зазор в 2 мм, для обеспечения натяга.
На ведущем и ведомом валу применяю призматические шпонки со скругленными торцами по ГОСТ 23360-78. Шпонки вычерчиваю из расчета, что их длины на 5 – 10 мм меньше длины ступицы.
11. Проверка прочности шпоночных соединений
Выбираю шпонку призматическую со скругленными торцами по ГОСТ 23360-78.
Материал шпонок – сталь 45, нормализованная. Напряжение смятия и условие прочности определяются из выражения
![]()
Допускаемые напряжения смятия при стальной ступице [σсм ] = 100 ¸ 120 МПа, при чугунной [σсм ] = 50¸70 МПа
Ведущий вал: d= 38 45 мм; bхh = 14 x9 мм; t1 = 5,5 мм, длина шпонки l = 70 мм (при длине ступицы полумуфты 82 мм); момент на ведущем валу Т2 = 122*103 Н·мм
МПа <[σсм
]
(материал полумуфт МУВП – чугун марки СЧ 20 ГОСТ 1420-85)
Ведомый вал: из двух шпонок – под зубчатым колесом и шестерней - более нагружена вторая (меньше диаметр вала и поэтому меньше размеры поперечного сечения шпонки). Проверяем шпонку под шестерней: d = 45 мм; bxh= 14 x9; t1 = 5,5 мм, длина шпонки l = 63 мм (ширина шестерни 30 мм, ступицы 70 мм); момент на ведомом валу Т2 = 431,4*103 Н·мм
МПа <[σсм
]
шестерня выполняется из термообработанных углеродистых сталей.
12. Уточненный расчет валов
Принимаю, что нормальные напряжения от изгиба изменяются по симметричному циклу, а касательные от кручения по пульсирующему.
Уточненный расчет состоит в определении коэффициентов запаса прочности sдля опасных сечений и сравнении их с требуемыми (допускаемыми) значениями [s], прочность будет соблюдена при условии s³ [s].
Расчет производится для предположительно опасных сечений каждого из валов. Ведущий вал:
Материал вала тот же, что и для шестерни (выполнена заодно с валом), т.е. сталь 45, термическая обработка – улучшение.
При диаметре заготовки 90 ¸ 120 мм (da 1 = 84 мм) табл.3.3 [1] среднее значение σв = 730 МПа.
Предел выносливости при симметричном цикле изгиба
σ-1 ≈ 0,43σв = 0,43*730 = 313,9 МПа.
Предел выносливости при симметричном цикле касательных напряжений
t-1 ≈0,58 σ-1 =0,58*313,9 = 182,1МПа.
Сечение по месту насаживания полумуфты, при передаче вращающего момента от электродвигателя рассчитываю на кручение. Концентрацию напряжения вызывает наличие шпоночного паза. Коэффициент запаса прочности
,
где амплитуда и среднее напряжение пульсирующего цикла
![]()
при d = 45 мм ; b = 14 мм ; t1 = 5,5 мм (по табл. 8.5 [1])
![]()

принимаю kτ = 1,68 (табл. 8.5 [1]), ετ ≈ 0,76 (табл.8.8[1]) и
ψ τ ≈0,1 [1]

ГОСТ 16162-78 определяет, что конструкция редуктора должна предусматривать возможность восприятия радиальной консольной нагрузки, приложенной в середине посадочной части вала. Величина этой нагрузки для одноступенчатых зубчатых редукторов на быстроходном валу должна быть
при 25*10 3
Н·мм< ТБ
< 250*10 3
Н·мм.
Принимаю у ведущего вала длину посадочной части под муфту равной длине полумуфты l = 82 мм (муфта УВП для вала диаметром 45 мм), изгибающий момент в этом сечении от консольной нагрузки М = 2,5*(182,1*10 3 ) 1/2 *(82/2) = 87,5*10 3 Н·мм.
Коэффициент запаса прочности по нормальным напряжениям

Результирующий коэффициент запаса прочности

Коэффициент запаса, полученный в расчетах
, результирующий получился меньше, т.к. консольные участки валов, рассчитываются по крутящему моменту и согласовываются с расточками стандартных полумуфт и являются прочными. Такой большой запас прочности (70,62 и 1,19) объясняется тем, что диаметр вала был увеличен при конструировании для соединения его со стандартной муфтой с валом электродвигателя.
Поэтому проверку прочности вала в других сечениях нет необходимости.
Ведомый вал.
Материал вала – сталь 45 нормализованная, σВ = 570МПа.
Пределы выносливости σ-1 = 0,43*570 = 245 МПа и τ-1 = 0,58*245 = 142 МПа. Сечение А-А: диаметр вала в этом сечении 50 мм. Концентрация напряжений обусловлена наличием шпоночной канавки (табл. 8.5 [1]): kσ = 1,59 и kτ =1,49; масштабные факторы εσ =0,775;
ετ = 0,67 (табл. 8.8 [1]); коэффициенты ψσ ≈ 0,15 и ψτ ≈0,1.
Крутящий момент Т2 = 431,4*10 3 Н·мм.
Изгибающий момент в горизонтальной плоскости
![]()
изгибающий момент в вертикальной плоскости
![]()
суммарный изгибающий момент в сечении А – А
.
Момент сопротивления кручению (d = 50 мм; b = 14 мм; t1 = 5,5 мм)
![]()
Момент сопротивления изгибу (табл.8.5 [1])
![]()
Амплитуда и среднее напряжение цикла касательных напряжений
.
Амплитуда нормальных напряжений изгиба
;
среднее напряжение σm = 0.
Коэффициент запаса прочности по нормальным напряжениям

Коэффициент запаса прочности по касательным напряжениям

Результирующий коэффициент запаса прочности для сечения А – А

Сечение К – К. концентрация напряжений обусловлена посадкой подшипника с гарантированным натягом (табл.8.7 [1]) kσ /εσ = 3,1 и kτ /ετ = 2,26; принимаю ψσ = 0,15 и ψτ = 0,1.
Изгибающий момент
Н·мм
Осевой момент сопротивления
мм3
Амплитуда нормальных напряжений
МПа; σm
= 0.
Полярный момент сопротивления
WP = 2W = 2*8,9*103 = 17,8*103 мм3
Амплитуда и среднее напряжение цикла касательных напряжений
МПа
Коэффициент запаса прочности по нормальным напряжениям

Коэффициент запаса прочности по касательным напряжениям

Результирующий коэффициент запаса прочности для сечения К – К

Сечение Л – Л. Концентрация напряжений обусловлена переходом от Ç 45 мм к Ç 42 мм: при D/d = 45/42 ≈1,1 и r/d = 2,5/42 ≈ 0,06 коэффициенты концентраций напряжений kσ = 1,51 и kτ = 1,16 (табл. 8.2 [1]). Масштабные факторы εσ = 0,84; ετ = 0,72 (табл. 8.8 [1]). Внутренние силовые факторы те же, что и для сечения К – К.
Осевой момент сопротивления сечения
мм3
Амплитуда нормальных напряжений
МПа
Полярный момент сопротивления
WP = 2*7,3*103 = 14,6*103 мм3
Амплитуда и среднее напряжение цикла касательных напряжений
![]()
МПа
Коэффициенты запаса прочности

Результирующий коэффициент запаса прочности для сечения Л – Л

Сечение Б – Б. Концентрация напряжений обусловлена наличием шпоночной канавки: kσ = 1,6 и kτ = 1,5; εσ = 0,84 и ετ =0,72.
Изгибающий момент (х1 = 60 мм)
МБ – Б = FB x1 = 2617*60 = 157*103 Н·мм.
Момент сопротивления сечения нетто при b =12 мм и t1 = 5,0 мм
мм3
.
Амплитуда нормальных напряжений изгиба
МПа.
Момент сопротивления кручению сечения нетто
мм3
Амплитуда и среднее напряжение цикла касательных напряжений
МПа
Коэффициенты запаса прочности

Результирующий коэффициент запаса прочности для сечения Б – Б
![]()
Объединяю результаты в таблицу:
Таблица №3
| сечение | А - А | К - К | Л - Л | Б - Б |
| Коэффициент запаса s | 5,89 | 2,83 | 3,69 | 4,07 |
Во всех сечениях коэффициент запаса s˃ [s] = 2,5 (стр. 162[1]).
13. Посадки зубчатого колеса, шестерни и подшипников
Посадки назначаю в соответствии с указаниями, данными в таблице 10.13 [1]
Посадка зубчатого колеса и шестерни на вал
по ГОСТ 25347-82.
Шейки валов под подшипники выполнить с отклонением вала k6, отклонения отверстий в корпусе под наружные кольца по Н7.
Полумуфту на ведущий вал напресовать
по ГОСТ 25347-82.
Мазеудерживающие кольца
по ГОСТ 25347-82.
14. Выбор сорта масла
Смазывание зубчатого зацепления производится окунанием зубчатого колеса в масло, заливаемое внутрь корпуса до уровня, обеспечивающего погружение колеса примерно на 10 мм. Объем масляной ванны V определяем из расчета 0,25 дм3 масла на 1 кВт передаваемой мощности: V= = 0,25 • 12,7 « 3,2 дм3 .
По таблице 10.8 [1] устанавливаем вязкость масла. При контактных напряжениях σН < 600 МПа и скорости v = 3,93 м/с рекомендуемая вязкость масла должна быть примерно равна 28 • 10-6 м2 /с. По таблице 10.10 [1] принимаем масло индустриальное И-ЗОА (по ГОСТ 20799-75*).
Камеры подшипников заполняем пластичным смазочным материалом Литол – 24 ГОСТ 21150-75 (табл. 9.14 [1]) периодически пополняем его шприцем через пресс-масленки.
15. Сборка редуктора
Перед сборкой внутреннюю полость корпуса редуктора тщательно очищают и покрывают маслостойкой краской.
Сборку производят в соответствии со сборочным чертежом редуктора, начиная с узлов валов:
на ведущий вал насаживают мазеудерживающие кольца и шарикоподшипники, предварительно нагретые в масле до 80 —100 °С;
в ведомый вал закладывают шпонку 16х10х60 и напрессовывают зубчатое колесо до упора в бурт вала; затем надевают распорную втулку, мазеудерживающие кольца и устанавливают шарикоподшипники, предварительно нагретые в масле.
Собранные валы укладывают в основание корпуса редуктора и надевают крышку корпуса, покрывая предварительно поверхности стыка крышки и корпуса спиртовым лаком. Для центровки устанавливают крышку на корпус с помощью двух конических штифтов; затягивают болты, крепящие крышку к корпусу.
После этого на ведомый вал надевают распорное кольцо, в подшипниковые камеры закладывают пластичную смазку, ставят крышки подшипников с комплектом металлических прокладок для регулировки.
Перед постановкой сквозных крышек в проточки закладывают войлочные уплотнения, пропитанные горячим маслом. Проверяют проворачиванием валов отсутствие заклинивания подшипников (валы должны проворачиваться от руки) и закрепляют крышки винтами.
Далее на конец ведомого вала в шпоночную канавку закладывают шпонку, устанавливают шестерню и закрепляют ее торцовым креплением; винт торцового крепления стопорят специальной планкой.
Затем ввертывают пробку маслоспускного отверстия с прокладкой и жезловый маслоуказатель.
Заливают в корпус масло и закрывают смотровое отверстие крышкой с прокладкой из технического картона; закрепляют крышку болтами.
Собранный редуктор обкатывают и подвергают испытанию на стенде по программе, устанавливаемой техническими условиями.
Список использованной литературы
1. С.А. Чернавский и др. Курсовое проектирование деталей машин.М.: АльянС, 2005.
2. М.Н. Иванов. Детали машин. М.: «Машиностроение», 1991.
3. П.Ф. Дунаев, О.П. Леликов Конструирование узлов и деталей машин. М.: «Высшая школа», 1985.
4. Д.Н. Решетов – Детали машин. Атлас конструкций в двух частях. М.: «Машиностроение», 1992.
5. Анурьев В.И. Справочник конструктора-машиностроителя в 3т. М. Машиностроение, 1979.