| Скачать .docx |
Курсовая работа: Проектирование гидропривода рыхлительного оборудования
Федеральное агентство по образованию
Государственное образовательное учреждение высшего профессионального образования
Читинский государственный университет
(ЧитГУ)
Кафедра Строительных и дорожных машин
Курсовая работа
Чита 2006
Федеральное агентство по образованию
Государственное образовательное учреждение высшего профессионального образования
Читинский государственный университет
(ЧитГУ)
Кафедра Строительных и дорожных машин
Пояснительная записка
к курсовой работе
Выполнил: студент группы СДМ-03
Нижегородцев А.Г.
Проверил: научный руководитель
Чебунин А.Ф.
Чита 2006
Задание на курсовое проектирование
Проектирование гидропривода рыхлительного оборудования
Исходные данные:
Прототип ДП-5С(Т-130)
Масса рыхлительного оборудования 1200кг
Тип разрабатываемого грунта скальный
Температурные пределы -16;+25
Реферат
Пз. – 31стр., илл. – 2, табл. – 0, библ. – 3.
Гидроцилиндр, шток, насос шестеренный, оборудование рыхлительное, клапан предохранительный, распределитель секционный, гидробак, фильтр, клапан обратный.
Целью курсовой работы является проектирование гидропривода рыхлительного оборудования. При выполнении курсовой работы использовалась методическая литература. В результате выполнения курсовой работы был спроектирован гидропривод рыхлительного оборудования на базе прототипа ДП-5С (базовый трактор Т-130).
Содержание
Введение
1. Исходные данные для расчета гидросистемы
Расчет внешней нагрузки на выходном звене гидропривода
Обоснование уровня номинального давления в гидросистеме
Выбор рабочей жидкости
2. Расчет и выбор гидрооборудования
Расчет мощности, подачи гидронасосов и их выбор
Расчет и выбор гидроцилиндров
Выбор направляющей и регулирующей гидроаппаратуры
Выбор фильтров
Расчет и выбор трубопроводов
Расчет и выбор емкости гидробака
3. Поверочный расчет гидропривода
Расчет потерь давления в гидросистеме
Расчет действительного значения КПД гидропривода
Тепловой расчет гидросистемы
Заключение
Список использованной литературы
Введение
На машинах для земляных работ широко применяются гидравлические приводы. Они являются вторичными, так как получают энергию от насосов, приводимых электродвигателями внутреннего сгорания. Гидравлические приводы работают при давлении от 6,3 до 31,5 МПа и более. В качестве рабочих жидкостей в них используют масла: индустриальное М12А, веретенное АУ, авиационное АМГ и ВМГЗ.
Гидравлический привод обладает рядом преимуществ по сравнению с другими видами: он имеет сравнительно небольшую массу и габариты насосов и гидромоторов, возможность получения больших передаточных чисел, которые могут достигать 1000 и более. Небольшая инерционность передач, обеспечивающая хорошие динамические свойства привода, увеличивает долговечность машины и позволяет включать ее и реверсировать рабочие движения за доли секунды, что повышает производительность машины. Гидропривод обеспечивает бесступенчатое регулирование скорости движения рабочих органов, что дает возможность повышать коэффициент использования приводного двигателя и автоматизировать не только отдельные операции, но и целые технологические процессы.
При наличии гидропривода улучшаются условия работы машиниста, уменьшаются затраты энергии на управление машиной независимо от мощности привода, повышается безопасность работы. Узлы привода можно размещать на машине наиболее целесообразно: насос у приводного двигателя, гидромоторы – непосредственно у исполнительных органов, элементы управления – у пульта машиниста. Приводной двигатель, система привода, металлоконструкции и рабочие органы надежно предохраняются от перегрузок, благодаря применению предохранительных и перепускных клапанов. Кроме того, в системах гидропривода широко применяют стандартизированные и унифицированные узлы (насосы, гидромоторы, гидроцилиндры, гидроаппаратура), что снижает себестоимость гидропривода и облегчает его эксплуатацию и ремонт.
К недостаткам гидропривода относятся: снижение КПД при использовании длинных трубопроводов, потребность в специальных жидкостях для различных климатических условий, необходимость тщательного наблюдения за состоянием соединений и возможность утечек рабочей жидкости, большая по сравнению с механическим приводом стоимость изготовления.
1. Исходные данные для расчета гидросистемы
Расчет внешней нагрузки на выходном звене гидропривода
На рабочее оборудование рыхлителя действуют следующие силы: сила тяжести оборудования
, горизонтальная и вертикальная составляющие силы сопротивления копанию
и
соответственно, усилие подъема на штоке гидроцилиндра
.

Рисунок 1. – Схема к определению усилию подъёма рыхлительного
оборудования.
Сила тяжести рыхлительного оборудования определяется по формуле
,(1)
где
– масса рыхлительного оборудования,
;
– ускорение свободного падения,
.
.
Горизонтальная составляющая силы сопротивления копанию
определяется по формуле
,(2)
где
– сила тяги рыхлителя, которая определяется по формуле
,(3)
где
– мощность двигателя,
;
– КПД трансмиссии,
;
– скорость рыхления,
.
.
.
Вертикальная составляющая силы сопротивления копанию
определяется по формуле:
,(4)
где
(т.к. разрабатываемый грунт скальный).
.
Для определения усилия на штоке гидроцилиндра
составим уравнение моментов относительно точки
(см. рисунок 1)
;
;
(5)

Знак «–» указывает на то, что в действительности направление действия усилия на штоке гидроцилиндра направлено в другую сторону.
Обоснование уровня номинального давления в гидросистеме
Давление рабочей жидкости в гидросистеме зависит от типа насоса и назначения гидропривода (для вспомогательных операций или для привода основного оборудования) на данной машине. Давление насоса должно быть тем больше, чем больше нагрузка или мощность приводимого в движение механизма.
Принимаем номинальное давление в гидросистеме рыхлителя
.
Выбор рабочей жидкости
Рабочая жидкость, кроме основной функции – передачи энергии от насоса к гидродвигателю, выполняет ряд вспомогательных, но весьма важных функций: смазка трущихся поверхностей сопряженных деталей, отвод тепла и удаление продуктов износа из зон трения, предохранение деталей гидропривода от коррозии. В общем, рабочую жидкость для гидросистемы следует выбирать с учетом рекомендаций заводов-изготовителей гидрооборудования, режима работы гидропривода, климатических условий эксплуатации, соответствия вязкости жидкости номинальному давлению.
Выбираем рабочую жидкость АУ со следующей характеристикой
ГОСТ 17479.3-85МГ-15-А
Плотность при
,
890
Вязкость, сСт
при
22
при
170
Температура вспышки,
165
Температура застывания,
–45
Температурные пределы
применения,
–30;+60
2. Расчет и выбор гидрооборудования
Расчет мощности, подачи гидронасосов и их выбор
Для определения мощности насосной установки вначале вычисляется мощность, которую должны обеспечить исполнительные механизмы гидропривода. Полезная мощность на штоке силового гидроцилиндра находится по формуле
,(6)
где
– усилие на штоке гидроцилиндра,
;
– скорость перемещения штока,
;
– общий КПД гидроцилиндра,
.

При расчете мощности насоса, приводящего в действие гидродвигатели, учитываются возможные потери давления и подачи в гидросистеме коэффициентами запаса по усилию и скорости
,(7)
где
– коэффициент запаса по усилию;
– коэффициент запаса по скорости.
Меньшие значения коэффициентов выбираются для гидроприводов, работающих в легком и среднем режимах, а большие – в тяжелом и весьма тяжелом режимах эксплуатации. Так как режим работы рыхлителей относится к легкому, то принимаем
и
.
![]()
Определив мощность насоса, рассчитывается требуемая подача насоса в гидросистему
,(8)
где
– номинальное давление в гидросистеме.

Выбор конкретной марки насоса производится по рабочему объему, расчетное значение которого вычисляется по формуле
,(9)
где
– объемный КПД насоса;
– угловая скорость вала насоса.

Выбираем шестеренный насос НШ-32 со следующими техническими данными
Рабочий объем,
32.57
Давление, МПа:
номинальное10
максимальное13.5
Частота вращения,
:
номинальная32
максимальная40
КПД:
Объемный 0.94
Механический 0.91
общий 0.83
Масса, кг 6.55
Далее рассчитывается действительная подача насосной установки
,(10)
где
– число насосов;
– значение рабочего объема выбранного насоса.
После этого вычисляется приводная мощность насосной установки
,(11)
где
– коэффициент запаса;
– полный КПД насоса.

Расчет и выбор гидроцилиндров
Наибольшее распространение в гидроприводах СДМ получили гидроцилиндры двухстороннего действия с односторонним штоком.
Основными параметрами силовых гидроцилиндров являются номинальное давление, внутренний диаметр цилиндра, диаметр штока и ход поршня. По этим параметрам определяются развиваемое на штоке усилие, скорость перемещения поршня, требуемый расход рабочей жидкости.
Усилие, развиваемое на штоке гидроцилиндра, определяется по формулам:
а) при подаче жидкости в поршневую полость
,(12)
б) при подаче жидкости в штоковую полость
,(13)
где
– давление жидкости в сливной магистрали;
– диаметр внутренней полости цилиндра, м;
– диаметр штока, м;
– механический КПД гидроцилиндра.
Поскольку усилие, которое должен развивать гидроцилиндр в курсовой работе, определяется расчетом, то необходимый внутренний диаметр гидроцилиндра определяется по формуле
(14)

Диаметр штока определяется из соотношения
(15)
![]()
Ход поршня определяется в соответствии с необходимым ходом рабочего органа, а так как зуб рыхлителя заглубляется на 400мм, то примем ход поршня с запасом, то есть равным 500мм.
Рассчитанные величины приводятся в соответствие с ГОСТ 22-1417-79:

а) 
б) 
Действительные значения скоростей поршней будут равны:
а) при выталкивании
,(16)
где
– объемный КПД цилиндра.
б) при втягивании
(17)


Необходимый расход жидкости для обеспечения заданной скорости поршня:
а) при подаче жидкости в поршневую полость
(18)

б) при подаче жидкости в штоковую полость
(19)

Выбор направляющей и регулирующей аппаратуры
Направляющая гидроаппаратура предназначена для изменения направления и запирания потока рабочей жидкости путем полного открытия или полного закрытия проходных каналов гидроэлементов. К ней относятся гидрораспределители, обратные клапаны, гидрозамки, гидроусилители.
Регулирующая гидроаппаратура применяется для регулирования величин давления и потока рабочей жидкости путем изменения площади проходного сечения отверстия. К ней относятся предохранительные, переливные, редукционные клапаны, дроссели, регуляторы потока.
Основными параметрами направляющей и регулирующей гидроаппаратуры являются номинальное давление
, номинальный поток
и условный проход
.
При проектировании обычно гидроаппаратура не рассчитывается, а выбирается из нормализированных аппаратов и агрегатов, серийно изготовляемых специализированными заводами по основным приведенным параметрам.
1) Распределитель секционный Р-16
Условный проход, мм16
Расход рабочей жидкости,
:
номинальный10.52
максимальный13.36
Давление на входе, МПа:
номинальное16
максимальное17
Падение давления в распределителе, МПа:
в трех секциях0.2
Допустимое давление на сливе, МПа1.0
2) Клапан предохранительный У 4790.15
Расход рабочей жидкости,
:
номинальный26.7
минимальный2.7
Номинальное давление, МПа16
Условный проход, мм32
Масса, кг12
Выбор фильтров
Основными параметрами фильтров являются условный проход, номинальное давление и номинальная тонкость фильтрации.
В гидросистемах СДМ применяются магистральные и встроенные фильтры с бумажным и проволочным (сетчатым) фильтроэлементами, обеспечивающими тонкость фильтрации 25, 40 и 63 мкм. Фильтры устанавливаются, как правило, на сливной линии, магистральные – обычно перед масляным баком, а встроенные – в масляном баке.
В нашем случае это встроенный фильтр 1.1.20-25
Условный проход, мм20
Номинальный поток при
перепаде давления 0,08 МПа
и вязкости 30-40 сСт,
0.67
Номинальная тонкость фильтрации, мкм25
Номинальное давление, МПа0,63
Максимальный допустимый
перепад давления, МПа0,35
Ресурс работы фильтроэлемента
до замены или промывки, ч200
Масса встроенного фильтра, кг8,7
Расчет и выбор трубопроводов
Для соединения элементов гидропривода, не имеющих взаимного перемещения, применяются стальные бесшовные трубы, а для соединения гидроагрегатов, имеющих взаимное перемещение, применяются гибкие рукава, причем для низких давлений – резиновые рукава с нитяными оплетками, для высоких давлений – с металлическими оплетками.
Расчет трубопроводов состоит из гидравлического расчета и расчета на прочность. Под гидравлическим расчетом понимается определение внутреннего диаметра трубы по формуле
,(20)
где
– подача насоса;
– скорость потока жидкости,
.
В зависимости от назначения трубопровода, давления в гидросистеме выбирается скорость потока рабочей жидкости на основе следующих рекомендаций:
а) для всасывающего трубопровода –
, принимаем ![]()

б) для сливного трубопровода –
, принимаем ![]()

в) для напорного трубопровода –
, принимаем ![]()

В дренажных трубопроводах необходимо обеспечить свободный слив утечек жидкости, поэтому независимо от количества этих утечек минимальный диаметр дренажной магистрали выбирается в пределах 8…10 мм.
Расчет на прочность состоит в определении толщины стенки металлического трубопровода по формуле
,(21)
где
– допускаемое напряжение на разрыв, для стали 20
, для медных трубопроводов
;
– номинальное давление жидкости.
а) для всасывающего трубопровода

б) для сливного трубопровода

в) для напорного трубопровода

Полученные значения диаметров трубопроводов согласовываются со стандартными значениями:
а) всасывающий трубопровод
![]()
б) сливной трубопровод
![]()
в) напорный трубопровод
![]()
Теперь посчитаем действительные значения скорости потока рабочей жидкости во всасывающем, сливном и напорном трубопроводах в соответствии с полученными стандартными значениями диаметров. Для этого выразим из формулы (20) скорость ![]()
(22)
а) всасывающий трубопровод

б) сливной трубопровод

в) напорный трубопровод

Расчет и выбор емкости гидробака
Гидробаки предназначены для содержания запаса, отстоя (деаэрации), фильтрации рабочей жидкости и отвода тепла из гидросистемы в атмосферу. Вместимость гидробака, его форма, месторасположение на машине, некоторые конструктивные особенности оказывают существенное влияние на работоспособность гидравлического привода.
Главным параметром бака является его вместимость. От этого параметра зависят значения установившейся температуры рабочей жидкости и интенсивность ее нарастания при пуске машины, время выхода гидропривода на оптимальный тепловой режим, объемный КПД гидропривода и, в конечном итоге, производительность машины в целом.
Для гидросистем мобильных машин рекомендуется выбирать объем бака на основании следующего соотношения
,(23)
где
– объем гидробака;
– минутная подача насосной установки.
Однако при обосновании принятого соотношения следует учитывать мощность, режим работы гидропривода, климатические условия эксплуатации. В результате длительного опыта проектирования и эксплуатации гидрофицированных машин выработаны следующие рекомендации выбора объема бака (в данном случае для легкого режима работы)
(24)
![]()
После предварительного расчета значения объема бака необходимо согласовать с нормализованным значением по ГОСТ 12448-80
![]()
3. Проверочный расчет гидропривода
Расчет потерь давления в гидросистеме
Расчет потерь давления в гидросистеме производится для определения эффективности спроектированного гидропривода. Потери давления в гидросистеме, обусловленные трением жидкости о стенки трубопроводов и гидроагрегатов и внутренним трением жидкости, зависят от следующих факторов: длины, диаметра и формы трубопроводов, скорости течения и вязкости рабочей жидкости в трубопроводе. Для выполнения расчета потерь давления необходимо знать гидравлическую схему соединений, внутренний диаметр и длину трубопроводов, подачу насоса, вязкость и плотность рабочей жидкости.
Суммарная величина потерь давления в гидросистеме может быть определена как сумма потерь в отдельных элементах гидросистемы:
,(25)
где
– суммарные путевые потери давления на прямолинейных участках трубопроводов;
– суммарные местные потери;
– суммарные потери давления в гидроагрегатах.
Суммирование потерь давления необходимо выполнять не на всех участках гидросистемы, имеющей несколько исполнительных гидродвигателей, а в магистрали каждого гидродвигателя отдельно. Для этого целесообразно разбить всю магистраль на отдельные участки, в каждом из которых равны диаметры трубопровода и скорости потока жидкости.
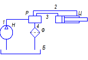
Суммарные потери давления при работе гидроцилиндра (см. рисунок 2) определяются из выражения
,(26)
где
– путевые и местные потери на различных участках;
– потери давления в распределителе и фильтре.

Рисунок 2. – Гидравлическая схема соединений к расчету потерь давления.
Путевые потери определяются по формуле
,(27)
где
– коэффициент трения жидкости о стенки трубопровода;
– плотность жидкости,
;
– длина участка трубопровода, м;
– внутренний диаметр трубопровода, м;
– скорость потока жидкости в трубопроводе,
;
Коэффициент трения
зависит от числа Рейнольдса –
и в зависимости от режима течения рассчитывается по формулам:
а) при ламинарном режиме ![]()
(28)
б) при турбулентном режиме ![]()
(29)
В свою очередь число Рейнольдса находится из выражения
,(30)
где
– кинематическая вязкость рабочей жидкости,
(при
).
а) для сливного трубопровода
(ламинарный режим)
б) для напорного трубопровода
(турбулентный режим)
Коэффициент трения
:
а) для сливного трубопровода

б) для напорного трубопровода
![]()
Путевые потери
:
а) для сливного трубопровода


б) для напорного трубопровода


Местные потери давления в гидросистеме определяются по формуле
,(31)
где
– коэффициент местных сопротивлений, который суммируется из коэффициентов отдельных местных сопротивлений, встречающихся на пути потока жидкости.
а) для сливного трубопровода


в) для напорного трубопровода


Потери давления в распределителе и фильтре:
(из технической характеристики Р-20
)
(определены как потери в местных сопротивлениях по формуле (31))

Расчет действительного значения КПД гидропривода
Для оптимально разработанной гидросистемы общих КПД
находится в пределах
. Общий КПД гидропривода определяется произведением гидравлического, механического и объемного КПД
(32)
Гидравлический КПД рассчитывается исходя из суммарных потерь давления в гидросистеме
(33)

Механический КПД определяется произведением механических КПД всех последовательно соединенных гидроагрегатов
,(34)
где
– механический КПД насоса,
;
– механический КПД распределителя,
;
– механический КПД гидроцилиндра,
;
![]()
Объемный КПД гидропривода рассчитывают из выражения
,(35)
где
– объемный КПД насоса,
;
– объемный КПД распределителя,
;
– объемный КПД гидроцилиндра,
.
![]()
![]()
Тепловой режим гидросистемы
Тепловой режим гидросистемы выполняется с целью определения установившейся температуры рабочей жидкости гидропривода, уточнения объема гидробака и поверхности теплоотдачи, а также выяснения необходимости применения теплообменников.
Как высокие, так и низкие температуры рабочей жидкости оказывают нежелательное влияние на работоспособность и производительность гидрофицированных машин. Поэтому весьма важно знать граничные температуры рабочей жидкости. Минимальная температура рабочей жидкости определяется температурой воздуха той климатической зоны, в которой эксплуатируется машина. Максимальная температура жидкости зависит от конструктивных особенностей гидросистемы, режима эксплуатации гидропривода и температуры окружающего воздуха.
Повышение температуры рабочей жидкости прежде всего связано с внутренним трением масла, особенно при дросселировании жидкости. Все потери мощности в гидросистеме в конечном итоге превращаются в тепло, которое аккумулируется в жидкости.
Количество тепла, получаемое гидросистемой в единицу времени, соответствует потерянной в гидроприводе мощности и определяется по формуле
,(36)
где
– коэффициент эквивалентности;
– затраченная мощность привода насосов;
– коэффициент продолжительности работы гидропривода под нагрузкой.

Максимальная установившаяся температура рабочей жидкости определяется по формуле
,(37)
где
– коэффициент теплоотдачи;
– суммарная площадь теплоизлучаемых поверхностей гидропривода,
;
– максимальная температура окружающего воздуха.
Площадь теплоизлучаемых поверхностей гидропривода находится из соотношения
,(38)
где
– площадь поверхности гидробака,
.
,(39)
где
– емкость гидробака.
![]()
![]()

Заключение
Дальнейшее развитие технического уровня машин невозможно без совершенствования гидравлического привода, который в настоящее время является неотъемлемой составной частью практически каждой транспортной или технологической машины.
Накопленный опыт гидромашиностроителей при проектировании и изготовлении гидроустройств, опыт эксплуатации существующих гидроприводов позволяет говорить о путях дальнейшего совершенствования как элементной базы, так и гидропривода в целом.
Во-первых, это разработка более совершенных насосов, гидродвигателей, гидроаппаратов с целью улучшения технических характеристик и повышения уровня их надежности.
Во-вторых, повышение уровня технологичности гидроустройств с целью снижения трудоемкости, материалоемкости, энергоемкости в изготовлении, техническом обслуживании и ремонте.
Немаловажной задачей по совершенствованию гидропривода является разработка новых сортов рабочих жидкостей с необходимыми качественными характеристиками.
Разумеется, что приведенный перечень путей совершенствования гидропривода не является исчерпывающим, однако несомненно, что решение вышеприведенных задач позволит значительно поднять качественный уровень машин, оснащенных гидравлическими приводами.
Список использованной литературы
Чебунин А.Ф. Расчет объемного гидропривода, ч1: Метод. указ Чита: ЧитПИ,1991.-33с.
Чебунин А.Ф. Расчет объемного гидропривода, ч2: Метод. указ Чита: ЧитПИ,1992.-27с.
Чебунин А.Ф. Гидропривод транспортных и технологических машин: Учеб. пособие. – Чита: ЧитГУ,2003.-132с.