| Скачать .docx |
Курсовая работа: Редуктор двухступенчатый соосный двухпоточный
ФЕДЕРАЛНОЕ АГЕНСТВО ПО КУЛЬТУРЕ И КИНЕМАТОГРАФИИ
САНКТ-ПЕТЕРБУРГСКИЙ ГОСУДАРСТВЕННЫЙ
УНИВЕРСИТЕТ КИНО И ТЕЛЕВИДЕНИЯ
Кафедра механики
Расчетно-пояснительная записка к курсовому проекту
на тему «Редуктор двухступенчатый соосный двухпоточный с внутренним зацеплением тихоходной ступени»
Санкт-Петербург
2009г.
Содержание
| Техническое задание на курсовое проектирование |
| 1 Кинематический расчет и выбор электродвигателя |
| 2 Выбор материалов и определение допускаемых напряжений |
| 3 Расчет тихоходной ступени привода 3.1 Проектный расчет |
| 3.2 Проверочный расчет по контактным напряжениям |
| 3.3 Проверочный расчет зубьев на изгиб |
| 4 Расчет быстроходной ступени привода |
| 5 Проектный расчет валов редуктора 5.1 Расчет тихоходного вала редуктора |
| 5.2 Расчет быстроходного вала редуктора |
| 5.3 Расчет промежуточного вала редуктора 6 Подбор и проверочный расчет шпонок 6.1 Шпонки быстроходного вала 6.2 Шпонки промежуточного вала 6.1 Шпонки тихоходного вала |
| 7 Проверочный расчет валов на статическую прочность |
| 8 Выбор и проверочный расчет подшипников |
| 9 Выбор масла, смазочных устройств |
| Список использованной литературы |
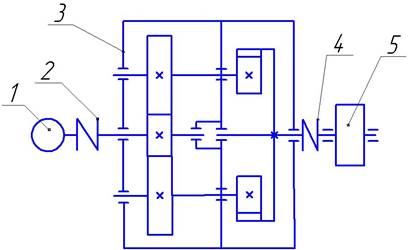
Техническое задание на курсовое проектирование
Механизм привода

1- электродвигатель;
2- муфта;
3- редуктор зубчатый цилиндрический двухступенчатый соосный двухпоточный с внутренним зацеплением тихоходной ступени;
4- муфта;
5- исполнительный механизм.
Вариант 1
Потребный момент на валу исполнительного механизма (ИМ) Тим =30Нм;
Угловая скорость вала ИМ ωим =5,8с-1 .
Разработать:
1- сборочный чертеж редуктора;
2- рабочие чертежи деталей тихоходного вала: зубчатого колеса, вала, крышки подшипника.
1 Кинематический расчет и выбор электродвигателя
Исходные данные:
- потребный момент на валу исполнительного механизма (ИМ) Тим =30Нм;
- угловая скорость вала ИМ ωим =5,8с-1 ;
Определяем мощность на валу ИМ Nим = Тим х ωим =30х5,8=174Вт.
Определяем общий КПД привода по схеме привода
ηобщ =ηкп ηшп ηм ηп (1.1)
где [1, с.9,10]: ηзп =0,972 - КПД зубчатой цилиндрической передачи;
ηм =0,982 – потери в муфтах;
ηп =0,994 - коэффициент, учитывающий потери на трение в подшипниках 4-х валов.
Сделав подстановку в формулу (1.1) получим:
ηобщ. =0,972 *0,982 *0,994 =0,868
Определяем потребную мощность электродвигателя [1,с.9]
Nэд ≥Nим /ηобщ. (1.2)
где Nэд – требуемая мощность двигателя:
Nэд =174/0,877=198,4Вт
Выбираем электродвигатель [1,с.18,табл.П2]
Пробуем двигатель АИР71В8:
Nдв. =0,25кВт;
nдв =750об/мин;
S=8%.
Определяем номинальную частоту вращения электродвигателя по формуле (5) [1,c.11]:
nном =nдв ·(1-S/100);
nном =750·(1-0,08);
nном =690 об/мин
Определяем угловую скорость вала двигателя
ωдв =πnдв /30=π*690/30=72,2рад/с;
Определяем общее передаточное число привода
U=ωдв. /ωим =72,2/5,8=12,5
Производим разбивку передаточного числа по ступеням. По схеме привода
Uобщ. =U1 · U2 ; (1.3)
Назначаем по рекомендации [1,табл.2.3]:
U2 =5;
тогда
U1 = Uобщ. /U2 ;
U1 =2,5.
Принимаем окончательно электродвигатель марки АИР71В8.
Угловые скорости определяем по формуле
ω=πn/30 (1.4)

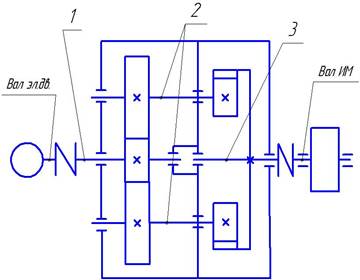
Рис.1 Схема валов привода
1 – быстроходный вал; 2 – промежуточный вал; 3 – тихоходный вал.
По схеме валов (рис.1) и формуле (1.4) определяем частоты вращения и угловые скорости каждого вала
n1 = nном.
ω1 = ωдв =72,2рад/с;
n2 = nном /U1 =650/3,5=185,7об/мин;
ω2 =πn2 /30=π*216,7/30=19,45 рад/с;
n3 = n2 /U2 =216,7/3,55=52,3 об/мин;
ω3 =πn3 /30=π*61,1/30=5,48 рад/с.
Определяем мощность на каждом валу по схеме привода
N1 =Nдв ηм =0,25*0,98=245Вт;
N2 =N1 ηзп ηп 3 =245*0,97*0,993 =230Вт;
N3 =N2 ηзп ηп =233*0,97*0,99=221Вт;
Nим =N3 ηм =224*0,98=217Вт.
Определяем вращающие моменты на каждом валу привода по формулам [1,с.12,14]:
; Т2
=Т1
•U1
; Т3
=Т2
•U2
; (1.5)
Т1 =245/72,2=3,4 Н•м;
Т2 =3,4•2,5=8,5 Н•м;
Т3 =8,5•5=42,5 Н•м.
Все рассчитанные параметры сводим в табл.1.
Таблица 1 Параметры кинематического расчета
| № вала |
n, об/мин |
ω, рад/с |
N, Вт |
Т, Нм |
U |
| Дв |
690 |
72,2 |
250 |
3,5 |
|
| 1 |
690 |
72,2 |
245 |
3,4 |
2,5 |
| 2 |
185,7 |
19,45 |
230 |
8,5 |
|
| 5 |
|||||
| 3 |
52,3 |
5,48 |
221 |
42,5 |
|
| ИМ |
52,3 |
5,48 |
217 |
42,5 |
2 Выбор материалов и определение допускаемых напряжений
Выбираем материал для шестерни и колеса по табл.3.2 [4,c.52]:
шестерня – сталь 40Х, термообработка – улучшение 270НВ,
колесо - сталь 40Х, термообработка – улучшение 250НВ.
Определяем допускаемое контактное напряжение по формуле [4,c.53]:
(2.1)
где σHlimb – предел контактной выносливости при базовом числе циклов;
КHL – коэффициент долговечности;
[SH ] – коэффициент безопасности;
по [1,c.33]: КHL =1; [SH ] =1,1.
Определяем σHlimb по табл.3.1[4,c.51]:
σHlimb =2НВ+70; (2.2)
σHlimb 1 =2×270+70; σHlimb 1 =610МПа;
σHlimb 2 =2×250+70; σHlimb 1 =570МПа.
Сделав подстановку в формулу (2.1) получим
;
МПа;
;
МПа.
Определяем допускаемое расчетное напряжение по формуле [4,c.53]:
(2.3)
;
МПа.
Определяем допускаемые напряжения по по табл.3.1[4,c.51]:
[σ]Fo =1,03НВ;
[σ]Fo 1 =1,03x270=281МПа;
[σ]Fo 2 =1,03x250=257МПа.
3 Расчет тихоходной ступени привода
3.1 Проектный расчет
Определяем межосевое расстояние передачи по формуле [4,c.61]:
(3.1)
где Ка – числовой коэффициент, Ка =49,5 [4,c.61];
КHβ – коэффициент, учитывающий неравномерность распределения нагрузки по ширине венца, КHβ =1 для прямозубых колес [4,c.54];
- коэффициент ширины венца колеса,
=0,315 назначаем по ГОСТ2185-66 с учетом рекомендаций [4,c.61];
U – передаточное отношение, U2 =5 (см. табл.1):
Т – вращающий момент на колесе ,Т3 =42,5 Нм (см. табл.1).
Подставив значения в формулу (3.1) получим:

![]()
Принимаем окончательно по ГОСТ6636-69 [4,табл.13.15]
![]()
Определяем модуль [2,c.36]:
(3.2)
mn =(0,01…0,02)·70;
mn =0,7;
Принимаем модуль mn =1мм [2,c.36]
Так как тихоходная ступень внутреннего зацепления определяем разность зубьев зубьев по формуле [5,т.2, c.432]:
z2 -z1 =2aw /mn (3,3)
z2 -z1 =2·70/1;
z2 -z1 =140.
Определяем число зубьев шестерни и колеса по формулам (3.13) [2,c.37]:
z1 = z2 -z1 /(U2 +1); z1 =140/6=23,3; z1 =24;
z2 = z2 -z1- +z1 =140+24=164; z2 =164.
Отклонения передаточного числа от номинального нет.
Определяем делительные диаметры шестерни и колеса по формуле [5,т.2, c.432]:
d=mn ·z; (3.4)
d1 =mn ·z1 =1х24=24мм;
d2 =mn ·z2 =1х164=164мм;
Определяем остальные геометрические параметры шестерни и колеса по формулам [5,т.2, c.432]:
;
; ![]()
;
;
(3.5)
;
(3.6)
мм;
мм;
мм;
мм;
;
мм;
;
мм;
;
мм
;
мм;
![]()
;
мм;
Определяем окружные скорости колес
![]()
;
м/с.
Назначаем точность изготовления зубчатых колес – 7F [2,c.32].
Определяем силы в зацеплении [4, табл.6.1]:
- окружная
(3.7)
;
Н;
Таблица 2 Параметры зубчатой передачи тихоходной ступени
| Параметр |
Шестерня |
Колесо |
| mn ,мм |
1 |
|
| ha ,мм |
1 |
|
| ht ,мм |
1,25 |
|
| h,мм |
2,25 |
|
| с, мм |
0,375 |
|
| z |
24 |
164 |
| d,мм |
24 |
164 |
| dа ,мм |
26 |
162 |
| df ,мм |
21,5 |
166,5 |
| b, мм |
50 |
54 |
| аW ,мм |
70 |
|
| v, м/с |
0,23 |
|
| Ft , Н |
531 |
|
| Fr , Н |
193 |
|
- радиальная
; где α=20° - угол зацепления; (3.8)
;
Н;
Осевые силы в прямозубой передачи отсутствуют.
Все вычисленные параметры заносим в табл.2.
3.2 Проверочный расчет по контактным напряжениям
Проверку контактных напряжений производим по формуле {4, c.64]:
; (3.9)
где: - К - вспомогательный коэффициент, для прямозубых передач К=436;
Ft =531Н (табл.2);
U2 =5;
КНα – коэффициент, учитывающий распределение нагрузки между зубьями, для прямозубых колес КНα =1;
КНβ – см. п.3.1;
КНυ – коэффициент динамической нагруки, зависящий от окружной скорости колес и степени точности передачи, КНυ =1,04 [4, табл.4.3].
(3.10)
Определяем ∆σН
;
;
недогрузки, что допускается.
3.3 Проверочный расчет зубьев на изгиб
Расчетные напряжения изгиба в основании ножки зубьев колеса и шестерни [4,с.67]:
; (3.11)
; (3.12)
где: КFβ – коэффициент неравномерности нагрузки по длине зуба, для прирабатывающихся зубьев КFβ =1;
КFv - коэффициент динамической нагруки, зависящий от окружной скорости колес и степени точности передачи, КНυ =1,1 [4, табл.4.3];
YF 1 и YF 2 – коэффициенты формы зуба шестерни и колеса, YF 1 =3,9, YF 2 =3,61 [4,табл.4.4].
Подставив значения в формулы (3.11) и (3.12), получим:
;
.
Прочность зубьев на изгиб обеспечивается.
Определяем ∆σF
;
![]()
Все вычисленные параметры проверочных расчетов заносим в табл.3.
Таблица 3 Параметры проверочных расчетов
| Параметр |
Обозн. |
Допускаемое |
Расчетное |
Недогрузка(-) или перегрузка(+) |
| Контактное напряжение, МПа |
σН |
482,7 |
435 |
-10% |
| Напряжение изгиба, МПа |
σF 1 |
281 |
59,4 |
-79% |
| σF 2 |
257 |
55 |
-78% |
4 Расчет быстроходной ступени привода
Межосевое расстояние для быстроходной ступени с учетом того, что редуктор соосный и двухпоточный, определяем половину расстояния тихоходной ступени:
а=d2 -d1 ;
а=84-14=70мм.
Из условия (3.2) принимаем модуль mn =1,5мм
Определяем суммарное число зубьев по формуле (3.12) [1,c.36]:
zΣ =2а/mn ;
zΣ =2·70/1,5; zΣ =93,3
Принимаем zΣ =94.
Определяем число зубьев шестерни и колеса по формулам (3.13) [2,c.37]:
z1 = zΣ /(U1 +1); z1 =94/(2,5+1); z1 =26,1; принимаем z1 =26.
Тогда z2 = zΣ -z1 =94-26=68
Фактическое передаточное соотношение U1 =68/26=2,6
Отклонение передаточного числа от номинального незначительное.
Определяем делительные диаметры шестерни и колеса по формуле (3.17) [2,c.37]:
d1 =mn ·z1 =1,5х26=39мм;
d2 =mn ·z2 =1,5х68=102мм;
Определяем остальные геометрические параметры шестерни и колеса по формулам [2,c.37]:
;
; ![]()
;
;
;
мм;
;
мм;
;
мм;
;
мм;
;
мм;
;
мм;
;
мм
;
мм;
![]()
;
мм;
Определяем окружные скорости колес
![]()
;
м/с.
Назначаем точность изготовления зубчатых колес – 7А [2,c.32].
Определяем силы в зацеплении (3.7, 3.8):
- окружная
;
Н;
- радиальная
;
Н.
Осевые силы в прямозубой передачи отсутствуют.
Все вычисленные параметры заносим в табл.4.
Таблица 4 Параметры зубчатой передачи быстроходной ступени
| Параметр |
Шестерня |
Колесо |
| mn ,мм |
1,5 |
|
| ha ,мм |
1,5 |
|
| ht ,мм |
1,875 |
|
| h,мм |
3,375 |
|
| с, мм |
0,375 |
|
| z |
26 |
68 |
| d,мм |
39 |
102 |
| dа ,мм |
42 |
105 |
| df ,мм |
35,25 |
98,25 |
| b, мм |
22 |
25 |
| аW ,мм |
70 |
|
| v, м/с |
1,4 |
|
| Ft , Н |
166,7 |
|
| Fr , Н |
60,7 |
|
Учитывая, что геометрические параметры быстроходной ступени незначительно отличаются от тихоходной, выполнение проверочных расчетов нецелесообразно.
5 Проектный расчет валов редуктора
По кинематической схеме привода составляем схему усилий, действующих на валы редуктора по закону равенства действия и противодействия. Для этого мысленно расцепим шестерни и колеса редуктора, при этом дублирующий вал не учитываем.
Схема усилий приведена на рис.1.

Рис.2 Схема усилий, действующих на валы редуктора.
Из табл.1,2,4 выбираем рассчитанные значения:
Т1 =3,4 Нм; Т2 =8,5 Нм; Т3 =42,5 Нм;
Ft 1 =166,7 Н; Ft 2 =1012 Н; Fr 1 =60,7 Н; Fr 2 =368 Н;
d1 =39мм; d2 =102мм; d3 =14мм; d4 =84мм.
Fm 1 и Fm 1 – консольные силы от муфт, которые равны [4, табл.6.2]:
;
;
Н;
Н.
Rx и Ry – реакции опор, которые необходимо рассчитать.
Так как размеры промежуточного вала определяются размерами остальных валов, расчет начнем с тихоходного вала.
5.1 Расчет тихоходного вала редуктора
Схема усилий действующих на валы редуктора представлена на рис.2.
Назначаем материал вала. Принимаем сталь 40Х, для которой [2, табл.8.4] σв
=730Н/мм2
;
Н/мм2
;
Н/мм2
;
Н/мм2
.
Определяем диаметр выходного конца вала под полумуфтой из расчёта на чистое кручение [2,c.161]:

где [τк ]=(20…25)МПа
Принимаем [τк ]=20МПа.
;
мм.
Принимаем окончательно с учетом стандартного ряда размеров Rа 20 (ГОСТ6636-69):
мм.
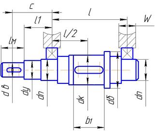
Намечаем приближенную конструкцию ведомого вала редуктора (рис.3), увеличивая диаметр ступеней вала на 5…6мм, под уплотнение допускается на 2…4мм и под буртик на 10мм.

Рис.3 Приближенная конструкция тихоходного вала
мм;
мм – диаметр под уплотнение;
мм – диаметр под подшипник;
мм – диаметр под колесо;
мм – диаметр буртика;
b4 =25мм.
Учитывая, что осевых нагрузок на валу нет предварительно назначаем подшипники шариковые радиальные однорядные особо легкой серии по
мм подшипник №106, у которого Dп
=55мм; Вп
=13мм [4,табл.К27].
Выбираем конструктивно остальные размеры:
W=20мм; lм =20мм; l1 =35мм; l=60мм; с=5мм.
Определим размеры для расчетов:
l/2=30мм;
с=W/2+ l1 + lм /2=55мм – расстояние от оси полумуфты до оси подшипника.
Проводим расчет тихоходного вала на изгиб с кручением.
Заменяем вал балкой на опорах в местах подшипников (см. рис.4). Назначаем характерные точки 1,2, 3 и 4.
Определяем реакции в подшипниках в вертикальной плоскости.
ΣМ2y =0; RFy ·0,06-Fr2 ·0,03=0
RFy = 368·0,06/ 0,03;
RЕ y = RFy =736Н.

Рис.4 Эпюры изгибающих моментов тихоходного вала
Определяем изгибающие моменты в характерных точках:
М1у =0;
М2у =0;
М3у = RЕ y ·0,03;
М3у =22Нм2 ;
М3у =0;
Строим эпюру изгибающих моментов Му , Нм2 (рис.3)
Определяем реакции в подшипниках в горизонтальной плоскости.
ΣМ4 x =0; Fm 2 ·0,115- RЕ x ·0,06+ Ft 2 ·0,03=0;
RЕ x =( 814·0,115+ 1012·0,03)/ 0,06;
RЕ x =2066Н;
ΣМ2 x =0; Fm 2 ·0,055- Ft 2 ·0,03+ RFx ·0,6=0;
RFx = (1012·0,03- 814·0,055)/ 0,06;
RFx =-240Н, результат получился отрицательным, следовательно нужно изменить направление реакции.
Определяем изгибающие моменты:
М1х =0;
М2 = -Fr 2 ·0,03
М2х =-368·0,03;
М2х =-11Нм;
М3хслева =-Fm 2 ·0,085-RЕх ·0,055;
М3хслева ==-814·0,085-240 ·0,03;
М3хслева =-76Нм;
М3х =- RE х ·0,055;
М3х =- 2066 ·0,03;
М3х =- 62;
М4х =0;
Строим эпюру изгибающих моментов Мх .
Крутящий момент
Т1-1 = Т2-2 = Т3-3 = T3 =42,5Нм;
T4-4 =0.
Определяем суммарные радиальные реакции [4,рис 8.2]:
;
;
;
Н;
;
Н.
Определяем результирующий изгибающий момент в наиболее опасном сечении (в точке 3) [4,рис 8.2]:
;
;
Нм2
.
Эквивалентный момент:
;
;
Нм2
.
5.2 Расчет быстроходного вала редуктора
Схема усилий, действующих на быстроходный вал представлена на рис.2.
Назначаем материал вала. Принимаем сталь 40Х, для которой [2, табл.8.4] σв
=730Н/мм2
;
Н/мм2
;
Н/мм2
;
Н/мм2
.
Определяем диаметр выходного конца вала под полумуфтой из расчёта на чистое кручение [2,c.161]:
где [τк ]=(20…25)Мпа
Принимаем [τк ]=20Мпа.
;
мм.
Принимаем окончательно с учетом стандартного ряда размеров Rа 5 (ГОСТ6636-69):
мм.
Намечаем приближенную конструкцию быстроходного вала вала редуктора (рис.5), увеличивая диаметр ступеней вала на 5…6мм, под уплотнение допускается на 2…4мм и под буртик на 10мм.
мм;
мм – диаметр под уплотнение;
мм – диаметр под подшипник;
мм – диаметр для заплечиков;
мм – диаметр вала-шестерни;
b1 =22мм.
Учитывая, что осевых нагрузок на валу нет предварительно назначаем подшипники шариковые радиальные однорядные особо легкой серии по
мм подшипник №101, у которого Dп
=28мм; Вп
=8мм [4,табл.К27].
Выбираем конструктивно остальные размеры:
W=14мм; lм =16мм; l1 =25мм; l=60мм.
Определим размеры для расчетов:
l/2=30мм;
с=W/2+ l1 + lм /2=40мм – расстояние от оси полумуфты до оси подшипника.
Проводим расчет быстроходного вала на изгиб с кручением.

Рис.5 Приближенная конструкция быстроходного вала
Заменяем вал балкой на опорах в местах подшипников (см. рис.6). Назначаем характерные точки 1,2, 3 и 4.
Определяем реакции в подшипниках в вертикальной плоскости.
ΣМ2 y =0; RА y ·0,06-Fr 1 ·0,03=0
RА y = 60,7·0,06/ 0,03;
RА y = RВ y =121Н.
Определяем изгибающие моменты в характерных точках:
М1у =0;
М2у =0;
М3у = RА y ·0,03;
М3у =3,6Нм2 ;
М3у =0;
Строим эпюру изгибающих моментов Му , Нм2 (рис.6).
Определяем реакции в подшипниках в горизонтальной плоскости.
ΣМ4 x =0; Fm 1 ·0,1- RА x ·0,06+ Ft 1 ·0,03=0;
RА x = (130·0,1+ 166,7·0,03)/ 0,06;
RА x =300Н;

Рис.6 Эпюры изгибающих моментов быстроходного вала
ΣМ2 x =0; Fm 1 ·0,02- Ft 1 ·0,03+ RВ x ·0,06=0;
RВ x = (166,7·0,03- 130·0,02)/ 0,06;
RВ x =40Н
Определяем изгибающие моменты:
М1х =0;
М2 = -Fm 2 ·0,04
М2х =-130·0,04;
М2х =-5,2Нм;
М3хсправа =-Fm 1 ·0,1+RВх ·0,03;
М3хсправа ==-130·0,1+40 ·0,03;
М3хсправа =-11,7Нм;
М3х =- RАх ·0,03;
М3х =- 300 ·0,03;
М3х =- 9;
М4х =0;
Строим эпюру изгибающих моментов Мх .
Крутящий момент
Т1-1 = Т2-2 = Т3-3 = T3 =3,4Нм;
T4-4 =0.
Определяем суммарные радиальные реакции [4,рис 8.2]:
;
;
;
Н;
;
Н.
Определяем результирующий изгибающий момент в наиболее опасном сечении (в точке 3) [4,рис 8.2]:
;
;
Нм2
.
Эквивалентный момент:
;
;
Нм2
.
5.3 Расчет промежуточного вала
Назначаем материал вала. Принимаем сталь 40Х, для которой [1, табл.8.4] σв
=730Н/мм2
;
Н/мм2
;
Н/мм2
;
Н/мм2
.
Определяем диаметр выходного конца вала из расчёта на чистое кручение
;
где [τк ]=(20…25)Мпа [1,c.161]
Принимаем [τк ]=20Мпа.
;
мм.
С учетом того, что выходной конец промежуточного вала является валом-шестерней с диаметром выступов 24мм, принимаем диаметр вала под подшипник 25мм.
мм.
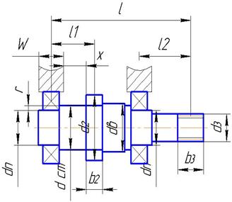
Намечаем приближенную конструкцию промежуточного вала редуктора (рис.7), увеличивая диаметр ступеней вала на 5…6мм

Рис.7 Приближенная конструкция промежуточного вала
dст =30мм;
х=8мм;
W=20мм;
r=2,5мм;
dв =28мм.
Расстояние l определяем из суммарных расстояний тихоходного и быстроходного валов с зазором между ними 25…35мм.
l=60+30+30=120мм.
l1 =30мм; l2 =30мм.
Предварительно назначаем подшипники шариковые радиальные однорядные особо легкой серии по dп =25мм подшипник №105, у которого Dп =47мм; Вп =12мм [4, табл.К27].
Заменяем вал балкой на опорах в местах подшипников.
Рассматриваем вертикальную плоскость (ось у)
Определяем реакции в подшипниках в вертикальной плоскости.
åМСу =0;
-RD у ·0,09+Fr 1 ·0,03+Fr 2 ·0,12=0
RDy =(368·0,03+60,7·0,12)/ 0,09;
RDy ==204Н.
åМD у =0;
RCy ·0,09- Fr1 ·0,06+ Fr2 ·0,03=0;
RCy =(368·0,06-60,7·0,03)/ 0,09;
RCy =225Н.
Назначаем характерные точки 1, 2, 3, и 4 и определяем в них изгибающие моменты:
М1у =0;
М2у =-RCy ·0,03;
М2у =-6Нм;
М3услева =-RCy ·0,09+Fr 1 ·0,06;
М3услева =-16,6Нм
М3усправа = Fr 2 ·0,03;
М3усправа = 11
М4у =0;
Строим эпюру изгибающих моментов Му , Нм (рис.8).
Определяем реакции в подшипниках в горизонтальной плоскости.
åМСх =0;
RDx ·0,09-Ft1 ·0,03-Ft2 ·0,12=0;
RDx =( 166,7·0,03+ 1012·0,12)/0,09;
RDx =1404Н;
åМD х =0;
RCx ·0,09+ Ft1 ·0,06-Ft2 ·0,03=0;
RCx =(1012·0,03+166,7·0,06)/ 0,09;
RCx =337Н.
Назначаем характерные точки 1, 2, 3 и 4 и определяем в них изгибающие моменты:
М1 x =0;
М2 x =-RCx ·0,03;
М2 x =-10Нм;
М3 x слева = -RCx ·0,09-Ft 1 ·0,06;
М3 x слева =-91Нм;
М3 x справа = Ft 2 ·0,03;
М3 x справа =5Нм;
М4у =0.
Строим эпюру изгибающих моментов Му , Нм (рис.8)

Рис.8 Эпюры изгибающих и крутящих моментов промежуточного вала.
Крутящий момент
Т1-1 =0;
Т2-2 =-Т3-3 =- T2 /2=-4,3Нм;
Т4-4 =0.
Определяем суммарные радиальные реакции [4,рис 8.2]:
;
;
;
Н;
;
Н.
Определяем результирующий изгибающий момент в наиболее опасном сечении (в точке 3) [4,рис 8.2]:
;
;
Нм.
Эквивалентный момент:
;
;
Нм.
Все рассчитанные значения сводим в табл.5.
Таблица 5 Параметры валов
| R1 , H |
R2 , H |
MИ , Нм |
MИэкв , Нм |
|
| Тихоходный вал |
2118 |
774 |
79 |
89 |
| Быстроходный вал |
323 |
117 |
12 |
12,5 |
| Промежуточный вал |
405 |
1419 |
92,5 |
93 |
6 Подбор и проверочный расчет шпонок
Выбор и проверочный расчет шпоночных соединений проводим по [4]. Обозначения используемых размеров приведены на рис.11.

Рис.9 Сечение вала по шпонке
6.1 Шпонки быстроходного вала
Для выходного конца быстроходного вала при d=10 мм подбираем призматическую шпонку со скругленными торцами по ГОСТ23360-78 bxh=3x3 мм2 при t=1,8мм (рис.9).
При длине ступицы полумуфты lм =16 мм выбираем длину шпонки l=14мм.
Материал шпонки – сталь 40Х нормализованная. Напряжения смятия и условия прочности определяем по формуле:
(6.1)
где Т – передаваемый момент, Н×мм; Т1 =3,4 Н×м.
lр – рабочая длина шпонки, при скругленных концах lр =l-b,мм;
[s]см – допускаемое напряжение смятия.
С учетом того, что на выходном конце быстроходного вала устанавливается полумуфта из ст.3 ([s]см =110…190 Н/мм2 ) вычисляем:
![]()
Условие выполняется.
6.2 Шпонки промежуточного вала
Для зубчатого колеса вала при d=30 мм подбираем призматическую шпонку со скругленными торцами bxh=8x7 мм2 при t=4мм, t1 =3,3мм. Т2 =8,5Нм.
При длине ступицы шестерни lш =25 мм выбираем длину шпонки l=25мм.
Материал шпонки – сталь 45 нормализованная. Проверяем напряжение смятия, подставив значения в формулу (6.1):
![]()
Условие выполняется.
6.3 Шпонки тихоходного вала
Передаваемый момент Т3 =42,5Нм.
Для выходного конца вала при d= 22мм подбираем призматическую шпонку со скругленными торцами bxh=6x6 мм2 при t=3,5мм.
При длине ступицы полумуфты lМ =20 мм выбираем длину шпонки l=16мм.
![]()
Для зубчатого колеса тихоходного вала при d=35 мм подбираем призматическую шпонку со скругленными торцами bxh=10x8мм2 при t=5мм.
При длине ступицы шестерни lш =20 мм выбираем длину шпонки l=20мм.
С учетом того, что на ведомом валу устанавливаются шестерни из стали 45 ([s]см =170…190 Н/мм2 ) вычисляем по формуле (6.1):
![]()
условие выполняется.
Таблица 6 Параметры шпонок и шпоночных соединений
| Параметр |
тих.вал- полум |
тих.вал- колесо |
промвал-шестерня |
промвал-колесо |
быстр вал-шестер. |
быстр. вал-полум. |
| Ширина шпонки b,мм |
6 |
10 |
- |
8 |
- |
3 |
| Высота шпонки h,мм |
6 |
8 |
- |
7 |
- |
3 |
| Длина шпонки l,мм |
16 |
20 |
- |
25 |
- |
14 |
| Глубина паза на валу t,мм |
3,5 |
5 |
- |
4 |
- |
1,8 |
| Глубина паза во втулке t1 ,мм |
2,8 |
3,3 |
- |
3,3 |
- |
1,4 |
7 Проверочный расчет валов на статическую прочность
В соответствии с табл.5 наиболее опасным является сечение 3-3 тихоходного вала, в котором имеются концентраторы напряжений от посадки зубчатого колеса с натягом, шпоночного паза и возникают наибольшие моменты.
Исходные данные для расчета:
МИэкв = 89Нм;
МИ =79Нм;
Т3-3 =42,5Нм;
dв =35мм;
в=10мм – ширина шпонки,
t=5мм – глубина шпоночного паза,
l=22мм – длина шпонки.
При расчете принимаем, что напряжения изгиба изменяются по симметричному циклу, а напряжения кручения – по отнулевому циклу.
Определяем диаметр вала в рассчитываемом сечении при допускаемом напряжении при изгибе [σ-1 ]и =60МПа:
мм; 35>20.
Условие соблюдается.
Определяем напряжения изгиба:
σи =Ми /W;
где W – момент сопротивлению изгибу. По [4,табл.11.1]:
;
мм3
;
σи =79000/3566=22Н/мм2 .
При симметричном цикле его амплитуда равна:
σа = σи =22Н/мм2 .
Определяем напряжения кручения:
τк =Т3-3 /Wк ;
где Wк – момент сопротивлению кручению. По [4,табл.22.1]:
;
мм3
;
τк =42500/7775=5,4Н/мм2 .
При отнулевом цикле касательных напряжений амплитуда цикла равна:
τа = τк /2=5,4/2=2,7Н/мм2 .
Определяем коэффициенты концентрации напряжении вала [4, с.258]:
(Кσ )D =( Кσ /Кd + КF -1)/ Кy ; (Кτ )D =( Кτ /Кd + КF -1)/ Кy ; (7.1)
где Кσ и Кτ – эффективные коэффициенты концентрации напряжений, по табл.11.2 [4] выбираем для шпоночных пазов, выполненных концевой фрезой Кσ =1,6, Кτ =1,4;
Кd – коэффициент влияния абсолютных размеров поперечного сечения, по табл.11.3 [4] выбираем Кd =0,75;
КF - коэффициент влияния шероховатости, по табл.11.4 [4] выбираем для шероховатости Rа =1,6 КF =1,05;
Кy - коэффициент влияния поверхностного упрочнения, по табл.11.4 [4] выбираем для закалки с нагревом ТВЧ Кy =1,5.
Подставив значения в формулы (7.1) получим:
(Кσ )D =( 1,6/0,75+ 1,05-1)/ 1,5=1,45;
(Кτ )D =( 1,4/0,75+ 1,05-1)/ 1,5=1,28.
Определяем пределы выносливости вала [4, c263]:
(σ-1 )D =σ-1 /(Кσ )D ; (τ-1 )D =τ-1 /(Кτ )D ; (7.2)
где σ-1 и τ-1 – пределы выносливости гладких образцов при симметричном цикле изгиба и кручения, по табл.3. [4] σ-1 = 380Н/мм2 , τ-1 ≈0,58 σ-1 =220Н/мм2 ;
(σ-1 )D =380/1,45=262Н/мм2 ; (τ-1 )D =220/1,28=172 Н/мм2 .
Определяем коэффициенты запаса прочности по нормальным и касательным напряжениям 4, c263]:
sσ =(σ-1 )D / σа ; sτ =(τ-1 )D / τа . (7.3)
sσ =262/ 22=12; sτ =172/ 2,7=63,7.
Определяем общий коэффициент запаса по нормальным и касательным напряжениям [4, c263]:
(7.4)
где [s]=1,6…2,1 – допускаемый коэффициент запаса прочности.

Сопротивление усталости вала в сечении 3-3 обеспечивается, расчет остальных валов не проводим, т.к. расчет проведен на самом опасном сечении, и коэффициент запаса прочности значительно превышает допустимый.
8 Выбор и проверочный расчет подшипников
Предварительно выбранные подшипниками с действующими на них радиальными нагрузками приведены в табл.7.
Таблица 7 Параметры выбранных подшипников
| Быстроходный вал |
Промежуточный вал |
Тихоходный вал |
|
| № |
101 |
105 |
106 |
| d, мм |
12 |
25 |
30 |
| D, мм |
28 |
47 |
55 |
| В, мм |
8 |
12 |
13 |
| С, кН |
5,07 |
11,2 |
13,3 |
| Со , кН |
2,24 |
5,6 |
6,8 |
| RА , Н |
323 |
405 |
2118 |
| RБ , Н |
117 |
1419 |
774 |
Подшипники устанавливаем по схеме «враспор». Пригодность подшипников определяем по условиям [4, c.129]:
Ср ≤С; Lр ≥Lh ;
где Ср – расчетная динамическая грузоподъемность;
Lh – требуемая долговечность подшипника, для зубчатых редукторов Lh =10000ч.
; [4, c.129] (8.1)
где ω – угловая скорость соответствующего вала (см. табл.1);
m=3 для шариковых подшипников;
RЕ – эквивалентная динамическая нагрузка, при отсутствии осевых усилий [4, табл.9.1]:
RЕ =V×RА Кδ Кτ (8.2)
где Kd - коэффициент безопасности; Kd =1,1…1,2 [4, табл.9.4]. Принимаем Kd =1,1.
V – коэффициент вращения, при вращении внутреннего кольца V=1
Kτ – температурный коэффициент; Kτ =1 (до 100ºС) [4, табл.9.4].
Определяем расчетную долговечность подшипников в часах [4, c.129]:
(8.3)
Подставив значения в формулы (8.1)-(8.3) проверяем подшипники.
Для быстроходного вала:
RЕ =323х1,1=355Н;
- условие выполняется;
- условие выполняется.
Для промежуточного вала:
RЕ =1419х1,1=1560Н;
- условие выполняется;
- условие выполняется.
Для тихоходного вала:
RЕ =2118х1,1=2330Н;
- условие выполняется.
- условие выполняется.
Окончательные параметры подшипников приведены в табл.7.
Параметры выбранных подшипников
9 Выбор масла, смазочных устройств
Используем картерную систему смазывания. В корпус редуктора заливаем масло так, чтобы венец зубчатого колеса был в него погружен на глубину hм (рис.10):
hм max £ 0.25d2 = 0.25×102 = 25,5мм;
hм min = 2×m = 2×1,5 = 3мм.
При вращении колеса масло будет увлекаться его зубьями, разбрызгиваться, попадать на внутренние стенки корпуса, откуда стекать в нижнюю его часть. Внутри корпуса образуется взвесь частиц масла в воздухе, которым покрываются поверхности расположенных внутри корпуса деталей, в том числе и подшипники.

Рис.10 Схема определения уровня масла в редукторе
Объем масляной ванны принимаем из расчета 0,5 л на 1кВт передаваемой мощности V = 0,5×Nдв = 0,5×0,25 = 0,125 л.
Контроль уровня масла производится жезловым маслоуказателем, который ввинчивается в корпус редуктора при помощи резьбы. Для слива масла предусмотрена сливная пробка. Заливка масла в редуктор производится через съемную крышку в верхней части корпуса.
Выбираем смазочный материал. Для этого ориентировочно рассчитаем необходимую вязкость:
где ν50 – рекомендуемая кинематическая вязкость смазки при температуре 50°С;
ν1 =170мм2 /с – рекомендуемая вязкость при v=1м/с для зубчатых передач с зубьями без термообработки;
v=1,2м/с – окружная скорость в зацеплении
![]()
Принимаем по табл.10.29 [4] масло И-220А.
И для шестерни, и для зубчатого колеса выберем манжетные уплотнения типа 1 из ряда 1 по ГОСТ 8752-79. Установим их рабочей кромкой внутрь корпуса так, чтобы обеспечить к ней хороший доступ масла.
Список использованной литературы
1. Основы конструирования: Методические указания к курсовому проектированию/ Сост. А.А.Скороходов, В.А Скорых.-СПб.:СПбГУКиТ, 1999.
2. Дунаев П.Ф., Детали машин, Курсовое проектирование. М.: Высшая школа, 1990.
3. Скойбеда А.Т., Кузьмин А.В., Макейчик Н.Н., Детали машин и основы конструирования, Минск: «Вышейшая школа», 2000.
4. Шейнблит А.Е. Курсовое проектирование деталей машин: Учеб. пособие. – М.: Высш. шк., 1991
5. Анурьев В.И. Справочник конструктора-машиностроителя: В 3 т. -8-е изд. перераб. и доп. Под ред. И.Н. Жестковой. – М.: Машиностроение, 1999