| Скачать .docx |
Курсовая работа: Проект ленточного конвейера
Введение
Согласно заданию требуется разработать привод ленточного конвейера, состоящий из электродвигателя, червячного редуктора.
Требуется выбрать электродвигатель, рассчитать зубчатые и червячную передачи, спроектировать и проверить пригодность шпоночных соединений, подшипников, разработать общий вид редуктора, разработать рабочие чертежи деталей.
Электродвигатель выбирается исходя из потребной мощности и частоты вращения. Зубчатая передача рассчитывается по условиям контактной выносливости зубьев, проверяется на статическую прочность. Валы проектируются из условия статической прочности (ориентировочный расчет) и проверяются на выносливость по коэффициенту запаса прочности.
Шпоночные соединения проверяются на смятие и размеры принимаются в зависимости от диаметра соответствующего участка вала. Пригодность подшипников оценивается долговечностью по динамической грузоподъёмности. Типовой размер муфты определяется исходя из передаваемого момента, частоты вращения соединяемых валов и условий эксплуатации.
При расчёте и проектировании ставится цель: получить компактную, экономичную и эстетичную конструкцию, что может быть достигнуто использованием рациональных материалов для деталей передач, оптимальным подбором передаточного числа передач, использованием современных конструктивных решений, стандартных узлов и деталей при проектировании привода.
1. Кинематический расчёт привода
1.1 Схема привода
Рисунок 1. Схема привода и график нагрузки
На схеме обозначены:
1-электородвигатель,
2-муфта,
3-редуктор,
4-муфта,
5-барабан. Движение от электродвигателя через муфту передается на входной вал редуктора, далее, через цилиндрическую косозубую передачу 1-2 на промежуточный вал 2-3 редуктора и, затем, через червячную передачу 3-4 на выходной вал 4 редуктора, затем через муфту на приводной барабан.
1.2 Выбор электродвигателя
Определение требуемой мощности электродвигателя
Рэд = Рвых / hобщ ,
где Рвых - общая мощность на выходе, кВт.
hобщ - общий КПД привода;
hобщ
= h3
×hч
×h4
п
×h
м ,
где hз - КПД зубчатой передачи 1-2;
hч - КПД червячной передачи 3-4;
hп - КПД пар подшипников;
hм - КПД муфты
hобщ = 0,89 ×0,94×0.98×0,99= 0,81
Рвых = Ft ×V, где Ft - окружное усилие на барабане, кН ;
V - скорость ленты конвейера, м/с;
Рвых = 3650∙0,9 = 3285Вт = 3,285 кВт;
Рэд
=
,
Определение требуемой частоты вращения вала
nэ.тр = nвых ×i12 ×i34
где, i12 -передаточное отношение передачи 1-2
i34 - передаточное отношение передачи 3-4
nвых - требуемая частота вращения на выходе привода
nэ.тр = 28,648·3·18=1546,9 об/мин.
nвых
=
,
где Dб - диаметр барабана;
nвых
=
об/мин
nэ.тр = 34,4*28*2,95=2841,4 об/ми
1.3 Уточнение передаточных отношений
Общее передаточное отношение равно: iобщ = nэд / nвых
где, nэд - асинхронная частота вращения электродвигателя;
nвых - число оборотов выходного вала;
iобщ
= ![]()
i34 = iобщ / i12 = 82,84 / 28= 2,95
2. Кинематический и силовой расчёт
2.1 Определение мощностей на валах
P1 = Pэд ×hм Р1 = 4,056·0,98·= 3,966 кВт
Р23 = Р1 ×hч ×hп Р23 = 3,966 × 0,89 × 0,99 = 3,529 кВт
Р = Р23* ×hц Р =3,529*0,94 = 3,318 кВт
Рб = Рв ×hп Рб = 3,318 × 0,99 = 3,285кВт
где Р1 , Р23 , Рв, Рб - мощности на соответствующих валах.
2.2 Частота вращения валов привода
n1 = nэд n1 = 2850 об/мин
n23 = n1 /i12 n23 = 2850/ 28 = 101,78 об/мин
n45 = n23 /i34 n45 = 101,78/ 2,95 = 34,5 об/мин
2.3 Скорость вращения валов
wi = π×ni / 30
w1 = 3,14× 2850/ 30 = 298,3 рад/с
w23 = 3,14× 101,78 / 30 = 10,65 рад/с
w45 = 3,14× 34, 5 / 30 = 3,611 рад/с
где, i - индекс вала согласно принятому обозначению.
2.4 Крутящие моменты на валах
Тi = Рi ×103 /wi
Т1 = 4,056×103 / 298,3 = 13,29 Н×м,
Т23 = 3,529×103 / 10,65 = 331,36 Н×м
Т45 = 3,285×103 / 3,611 = 917,1 Н×м
Таблица 2.1
Результаты кинематического и силового расчёта:
| Вал | Передат. отношение | Р кВт |
n об/мин |
w рад/с | Т Н × м |
| 1 | i12 =28 | P1 = 3,966 | n1 = 2850 | w1 = 298,3 | T1 = 13,29 |
| 2 - 3 | P23 = 3,529 | n23 =101,78 | w23 = 10,65 | T23 = 331,36 | |
| i34 = 2,95 | |||||
| 4 - 5 | P45 = 3,318 | n45 = 34, 5 | w45 = 3,611 | T45 = 917,1 |
3. Расчёт зубчатых передач
3.1 Схема передачи; цель расчёта

Рисунок 3.1 Зубчатые передачи
Цель расчёта:
1) Выбор материала зубчатых колёс
2) Определение основных параметров и размеров зубчатых венцов
3) Назначение степени точности зубчатых колёс
3.2 Критерий работоспособности и расчёта передачи
Зубчатые передачи выходят из строя в основном по причине:
- Усталостного выкрашивания рабочих поверхностей зубьев
- По причине усталостной поломки зуба
- Возможны статические поломки
Если передача закрытая (работает в редукторе), с не очень высокой твёрдостью рабочих поверхностей зубьев HRC < 45 HRC, то наиболее вероятной причиной выхода передачи из строя будет усталостное выкрашивание рабочих поверхностей зубьев, и основной (проектный) расчёт следует вести из условия ограничения контактных напряжений.
sН < [sН ]
А если передача открытая или закрытая, но с высокой твёрдостью рабочих поверхностей зубьев HRC > 55, то наиболее вероятной причиной выхода из строя следует считать усталостную поломку зубьев, и основной (проектный) расчёт следует вести из условия ограничения напряжений у ножки зуба (изгибных напряжений).
sF < [sF ]
Во всех случаях необходима проверка на статическую прочность.
3.3 Выбор материалов зубчатых колёс
Таблица 3.1
| Звено | Марка | Dзаг, мм | ТО | Твёрдость | sт, МПа |
|
| Сердцевина | пов-сть | |||||
| Шестерня | Сталь 40Х | до 125 | Улучшение + ТВЧ | 269..302 | 269..302 | 640 |
| Колесо | Сталь 45 | до 125 | Улучшение | 235..262 | 235..262 | 540 |
3.4 Определение допускаемых контактных напряжений для обеих передач
Допускаемые контактные напряжения
определим отдельно для шестерни и для колеса.
,
где
- допускаемое контактное напряжение;
, МПа - предел контактной выносливости;
- коэффициент запаса прочности;
- коэффициенты долговечности, влияния шероховатости, влияния окружной скорости.
Предел контактной выносливости определим по эмпирической формуле в зависимости от твердости материала и способа химико-термической обработки. В данном случае:
,
где HB и HRC - твердость.
МПа;
МПа.
Коэффициент долговечности:
где
- базовое число циклов перемены напряжений;
- ресурс передачи в числах циклов перемены напряжений.
![]()
µ
-коэффициент учитывающий режим нагружения
µ
=![]()
µ
=(![]()
)=0,803
; ![]()
,
n - частота вращения рассчитываемого колеса;
n![]()
- число вхождений зуба в зацепление n
=1
.
L
- суммарное время работы,ч
,
где
- число лет работы (
=5);
- коэффициент годового использования (
),
- коэффициент суточного использования (
).
ч.
Ресурс передачи:
![]()
![]()


Таким образом ZN 1 = ZN 2 =1
, т. к. колеса шлифуются (Ra
=0.63 … 1.25 мкм).
, т. к. скорость меньше 5 км/ч.
МПа.
МПа.
Для цилиндрических передач с косыми зубьями в качестве расчётных напряжений принимаются:
;
![]()
Принимаем
МПа.
3.5 Определение допускаемых напряжений при расчете зубьев на усталостный изгиб.
Допускаемые напряжения изгиба
определим отдельно для шестерни и для колеса.
,
где
, МПа - допускаемое контактное напряжение,
, МПа - предел выносливости,
- коэффициент запаса прочности,
YN - коэффициент долговечности,
YR - коэффициент влияния шероховатости,
YA - коэффициент влияния двухстороннего приложения нагрузки.
Предел контактной выносливости определим по эмпирической формуле в зависимости от твердости материала и способа химико-термической обработки. В данном случае:
МПа,
МПа.
Коэффициент запаса прочности для улучшенных колес: ![]()
Коэффициент долговечности:
,
где
- число циклов, соответствующее перелому кривой устало Т сти
- эквивалентное число циклов,
µ
-коэффициент учитывающий режим нагружения
µ
=![]()
µ
=(![]()
)=0,333
N
-ресурс передачи в числах циклов перемены напряжений
N
=873084672 N
=291028224
Следовательно Y
=1
Коэффициент влияния шероховатости:
YR = 1, т. к. колеса шлифованные
Коэффициент влияния двухстороннего приложения нагрузки:
YA = 1, т. к. нагрузка прикладывается с одной стороны.
Тогда
Мпа,
МПа.
3.6 Расчет передачи c косозубыми цилиндрическими колесами (1-2).
Цель расчета: определение геометрических размеров передачи, выполненной в герметичном корпусе..
Определение предварительного значения межосевого расстояния.
,
где К - коэффициент зависимости от поверхностной твердости ( К=10)
мм.
Определение значения окружной скорости.
.
Степень точности зубчатой передачи по ГОСТ 1643-81 принимаем равной 8.
Определение уточненного значения межосевого расстояния.
,
где Ка =450-для косозубых колес, Мпа1/3 ; yba -коэффициент ширины в зависимости от положения колес относительно опор (при симметричном yba =0,315); KH - коэффициент нагрузки в расчетах на контактную прочность.
Определение коэффициента нагрузки:
,
где
- коэффициент учитывает внутреннюю динамику в нагружении (
=1,02)];
- коэффициент учитывает неравномерность распределения нагрузки по длине контактной линии (
=1,031);
- коэффициент, учитывающий приработку зубьев (
=1,195 ).
Тогда
![]()
.
Принимаем aw 12 = 90мм.
Определение предварительных основных размеров.
Делительный диаметр:
;
Ширина:
.
Модуль передачи.
Максимально допустимый модуль определяют из условия не подрезания зубьев у основания:
.
Минимальное значение модуля определяют из условия прочности:
,
где Кm = 2.8×10 3 для косозубых передач
- меньшее из значение допускаемых напряжений изгиба (
![]()
КF - коэффициент нагрузки при расчете по напряжениям изгиба.
Определение коэффициента нагрузки:
,
где
- коэффициент учитывает внутреннюю динамику в нагружении (
=1,04);
- коэффициент учитывает неравномерность распределения напряжений у основания зубьев по ширине зубчатого венца (
=1,098);
- коэффициент, учитывающий влияние погрешностей изготовления шестерни и колеса на распределение нагрузки между зубьями (
=1,6).
Тогда
,
.
Принимаем m12 =1,5мм
Суммарное число зубьев и угол наклона.
Минимальный угол наклона зубьев косозубых колес:
.
Суммарное число зубьев:
.
Действительное значение угла наклона зубьев:
.
Число зубьев шестерни, колеса и фактическое передаточное число.
Число зубьев шестерни:
, где z1
min
=17cos3
b»16.
, z1
=30 ³ 16.
Число зубьев колеса:
.
Фактическое передаточное число:
.
Диаметры колес и шестерен.
Диаметры делительных окружностей колес:
мм
мм
Диаметры окружностей выступов:
мм
мм
Диаметры окружностей впадин:
мм
мм
Проверочные расчеты в зацеплении .
Проверочный расчет по контактным напряжения м.
где
,
для косозубых колес.
Мпа
Определение сил, действующих в зацеплении .
Окружная сила:
![]()
Радиальная сила:
![]()
Осевая сила:
![]()
Проверочный расчет по напряжениям изгиба:
В зависимости от приведенного числа зубьев колес выбираем коэффициент прочности зуба:
![]()
![]()
, где ![]()
,
где
;
Ye - коэффициент учитывающий перекрытие зубьев (Ye =0,65 для косозубых передач);
Yb - учитывающий угол наклона зуба (Yb = 1-b/100 = 0.86).
![]()
![]()
Таблица 3.2
Итоговая таблица результатов расчетов
| Рассчитываемый параметр | Обозначение | Размерность | Численное значение |
| 1. Межосевое расстояние | а12 | мм | 90 |
| 2. Число зубьев шестерни | Z1 | мм | 30 |
| 3. Число зубьев колеса | Z2 | мм | 88 |
| 4. Модуль зацепления | m | мм | 1,5 |
| 5. Диаметр делительной окружности шестерни | D1 | мм | 45,76 |
| 6. Диаметр делительной окружности колеса | D2 | мм | 134,23 |
| 7. Диаметр окружности выступов шестерни | da 1 | мм | 48,76 |
| 8. Диаметр окружности выступов колеса | da 2 | мм | 137,23 |
| 9. Диаметр окружности впадин шестерни | df 1 | мм | 42,03 |
| 10. Диаметр окружности впадин колеса | df 2 | мм | 130,48 |
| 11. Ширина зубчатого венца шестерни | B1 | мм | 35 |
| 12. Ширина зубчатого венца колеса | B2 | мм | 30 |
| 13. Степень точности передачи | - | - | 8 |
| 14. Угол наклона зуба | b | град. | 10,47 |
| 15. Окружная сила в зацеплении | Ft | Н | 1555,14 |
| 16. Радиальная сила в зацеплении | Fr | Н | 575,66 |
| 17. Осевая сила в зацеплении | Fa | Н | 287,54 |
4. Расчёт червячной передачи 3-4
4.1 Схема передачи, исходные данные, цель расчёта

Рисунок З. Схема червячной передачи Цель расчёта: 1) Выбор материала червяка и червячного колеса 2) Определение основных параметров и размеров червячной передачи
4.2 Выбор материалов червячной передачи
Материалы червяка и колеса: червяк изготавливается из стали 45, с последующей закалкой до твёрдости >45 НС, шлифованием и полированием витков червяка. Материалы зубчатых венцов червячных: выибирают по антифрикционным и антизадирным свойствам, относительно скорости скольжения: ск :
V
=0.00045·16,6·28.65·
м/с
- предел выносливости,МПа
-предел текучести,МПа
4.3 Допускаемые контактные напряжения
Допускаемое напряжение [σ]
при числе циклов перемены напряжений, равном 10
.
МПа
Для 2-й группы материалов: Допускаемые контактные напряжения
МПа
4.4 Допускаемые напряжения изгиба
Коэффициент долговечности:
К
,
где
-
эквивалентное число циклов нагружения зубьев червячного колеса
-
суммарное число циклов перемены напряжений
-
коэффициент эквивалентности
![]()
![]()
N![]()
Следовательно

Исходное допускаемое напряжение изгиба:
МПа
Предельные допускаемые напряжения
![]()
4.5 Расчет червячной передачи (3-4)
Цель расчета: определение геометрических размеров передачи, выполненной в герметичном корпусе.
Определение предварительного значения межосевого расстояния.
,
где К - коэффициент учитывающий неравномерность нагрузки (К
=1,05)К
=610
мм.
Принимаем
aw 34 = 140мм.
Определение предварительных основных размеров.
Число витков червяка:
z
=2 - выбирается в зависимости от передаточного числа
Число зубьев колеса:
z
=![]()
Модуль передачи:
![]()
Принимаем
=6,3
Коэффициент диаметра червяка:
![]()
Принимаем q=10
Коэффициент смещения:
![]()
Угол подъема линии витка червяка:
на делительном цилиндре
![]()
на начальном цилиндре
![]()
Фактическое передаточное число:
![]()
Делительный диаметр:
;
мм
Диаметры окружностей выступов:
мм
мм
Диаметры окружностей впадин:
мм
мм
Длина нарезной части червяка:
мм
Наибольший диаметр колеса:
мм
Ширина венца:
Т.к
=2,то ![]()
Тогда
мм
Проверочный расчет передачи на прочность.
Скорость скольжения в зацеплении:
м/с
Уточненное значение допускаемого контактного напряжения
:
МПа
Расчетное напряжение:
,где
-коэффициент нагрузки
![]()
Окружная скорость червячного колеса:
м/с
При обычной точности изготовления и выполнения условия жесткости червяка принимают:
при
м/с
Коэффициент концентрации нагрузки:
![]()
Следовательно
МПа
Определение сил, действующих в зацеплении
Окружная сила на колесе равная осевой силе на червяке:
![]()
Окружная сила на червяке равная осевой силе на колесе:
H
Радиальная сила:

Проверка зубьев колеса по напряжениям изгиба
-коэффициент формы зуба колеса
К=К
-коэффициент нагрузки
Расчетное напряжение изгиба:
МПа
5. Ориентировочный расчёт валов.
5.1 Расчёт быстроходного вала 1

Рисунок 5.1 Эскиз входного вала 1
,
где Т
- момент на быстроходном валу, Н×м;
мм принимаем d = 25 мм; хвостовик конический (М16´1,25)
Диаметр участка вала под подшипник:
![]()
где, t - высота заплечника, мм; t = 1,8мм ,
мм
Принимаем dП = 30мм.
Диаметр буртика подшипника:
![]()
где, r – координата фаски подшипника, мм r = 2 мм ,
мм
Принимаем dБП = 35мм.
5.2 Расчёт промежуточного вала 2-3

Рисунок 5.2- Эскиз промежуточного вала 2-3
,
где Т23 – момент на промежуточном валу;
![]()
Принимаем dК = 35мм;
dБК ³dК + 3×f,
где f – размер фаски колеса; f = 1,2 мм ,
dБК ³ 35 + 3×1,2³38,6мм
Принимаем dБК = 40мм
Принимаем dП
= 35 мм.
Диаметр буртика подшипника:
![]()
где, r – координата фаски подшипника, мм r = 2мм ,
мм
Принимаем dБП = 40мм.
5.3 Расчёт выходного вала 4-5

Рисунок 5.3- Эскиз выходного вала 4-5
,
где Т45 - момент на выходном валу;
мм
принимаем d = 60мм
хвостовик циллиндрический ,
,
гдеtцил - высота заплечника, tцил - 4,6
мм
принимаем dП = 70мм.
, r = 3,5мм,
мм
принимаем dБП = 80мм.
dК = dБП =80.
6. Проверочный расчёт шпоночных соединений

Рисунок 6- Шпоночное соединение
Таблица 6.1
Шпоночное соединение
| Вал | Место установки | D, мм |
B, мм |
H, мм |
t1 , мм |
L, мм |
| 1 | Под муфту | 25 | 5 | 5 | 3 | 40 |
| 2-3 | Под зубчатое колесо | 35 | 10 | 8 | 5 | 28 |
| 4-5 | Под муфту | 60 | 18 | 11 | 7 | 110 |
Проверим шпоночное соединение на промежуточном валу:
![]()
где, Т – крутящий момент на валу, Н×мм2 ;
d – диаметр участка вала под шпонку, мм;
h – высота шпонки, мм;
t1 – глубина паза вала, мм;
l – длина шпонки, мм;
b – ширина шпонки, мм;
Предел прочности для стального колеса: [sсм ] = 80…100 МПа,
МПа,
МПа,
МПа
Вывод: выбранные шпонки пригодны для использования.
7. Выбор муфты

Рисунок 7-МУВП
Муфты МУВП стандартизарованы по ГОСТ 21424-93. Муфта выбирается из условия - максимального передаваемого момента. Т
=35,58 - момент передаваемый муфтой, Н·м d
=32 - диаметр вала электродвигателя, мм d
= 25 - диаметр входного вала редуктора, мм Выбираем муфту МУВП-2
Основные параметры Номинальный крутящий момент:Тном =63 Н•м диаметр расточки под вал - наимньший: d=20 мм - наибольший :d
= 38 мм d
= 10 - диаметр пальца, мм lвт = 15 - длина упругого злемента, мм d
=63 - диаметр окружности расположения пальцев, мм z
=6 - число пальцев с = З - зазор между полумуфтами, мм
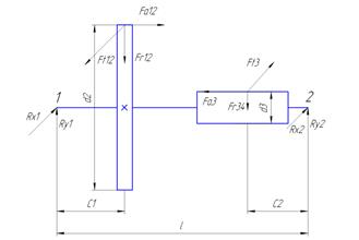
8. Определение реакций опор промежуточного вала и построение эпюр

Рисунок 8.1 - Расчетная схема промежуточного вала
Определим реакции опор:
Рассмотрим проекции сил в плоскости ХZ :
-Ft12
×(l-c1) + Ft3
× c2 + RХ
1
× l =0;
тогда
Н
Ft
3
×(l-c2) - Ft
12
×c1 + RХ2
×l=0;
тогда
Н
Рассмотрим проекции сил в плоскости УZ:
Fr12
× (l-c1) - Fa12
× d2/2 + Fr34
× c2 + Fa34
× d3/2-RУ
1
× l =0;
тогда

Fr34
× (l-c2) + Fa34
× d3/2+ Fr12
× c1 - Fa12
× d2/2+RУ
2
× l =0;
тогда

Суммарные реакции опор:
![]()
Н
![]()
Н
Эпюра моментов Мх:
Точка А.
MX
А
= RХ1
× С1![]()
![]()
MX
А
=![]()
Точка В \MX
В
=
Н×м
Эпюра моментов Му:
Точка А
MуА
= -RУ1
× С1![]()
MуА
=![]()
Точка В:
Мув=
Эпюра моментов Мкр:
Мк=Т![]()
Мк=100,4 Н•м
Эпюра продольных сил:
Fa = Fa
-Fa![]()
Fa = 13122,99 H
Рисунок 8.2 Схема сил и эпюры моментов на проверяемом валу
9. Уточненный расчет вала 2-3
Рисунок 9 Эскиз вала и обозначение мест сечений
Уточненный расчет состоит в определении коэффициентов запаса прочности S для опасных сечений и сравнении их с требуемыми (допускаемыми) напряжениями [S]. Прочность соблюдена при S > [S].
Расчет производится по опасным сечениям А-А, Б-Б).
Материал вала ─ сталь 45.
Таблица 9.
Исходные данные для проверочного расчета
Диаметр заготовки мм |
Твердость НВ |
σв МПа |
σт МПа |
τт МПа |
σ-1 МПа |
τ-1 МПа |
Ψт |
| <80 | 270 | 900 | 650 | 390 | 640 | 230 | 0,10 |
Сечение А - А : Концентратором напряжений является шпоночный паз.
Коэффициент запаса прочности:
S= Sσ
· Sτ
/![]()
Sσ =σ-1 D / σа
Sτ =τ-1 D /( τа +ψτ D · τа ),
где σа и τа ─ амплитуды напряжений цикла;
ψτ D ─ коэффициент влияния асимметрии цикла напряжений.
σа =103 ·М/W; τа =103 ·М к /2Wк
М= ![]()
Определим моменты инерции:
W1=π·d3 /32-b2·h2·(2d-h2)2 /(16d)=3.14·353 /32-10·8(2·35 -8)2 /(16·35) =
3660мм3
Wк =π·d3 /16-b2·h2·(2d-h2)2 /(16d)= 3.14·353 /16-10·8(2·35-8)2 /(16·35) =
7869мм3
σа =103 · 158,6 / 3660 = 43,3 МПа
τа =103 · 100,4 / 2 · 7869 = 33,085 МПа
Пределы выносливости вала:
σ-1 D = σ-1 /Кσ D ; τ-1 D = τ-1 /Кτ D ,
где Кσ D и Кτ D ─ коэффициенты снижения предела выносливости.
Кσ D =( Кσ / Кd σ +1/ КF σ -1)/ КV ,
Кτ D =( Кτ / Кd τ +1/ КF τ -1)/ КV ,
где Кσ и Кτ ─ эффективные коэффициенты концентрации напряжений;
Кd ς и Кd τ ─ коэффициенты влияния абсолютных размеров поперечного
сечения;
КF ς и КF τ ─ коэффициенты влияния качества поверхности;
КV ─ коэффициент влияния поверхностного упрочнения.
Кσ D =( 4,85+1/0,91-1)/ 1=4,95
Кτ D =( 2,9+1/0,95-1)/ 1=2,95
σ-1 D = 410 / 4,95 =82,828МПа; τ-1 D = 230 /2,95 = 77,966 МПа
ψτ D =ψτ / Кτ D
ψτ D =0,1/ 2,95=0,034
Sσ = 129,29 / 43,3 = 2,98 Sτ = 77,9 / (6,3 + 0,034 × 6,3) = 11,8
S= 2,98 · 11,8/
=2,9 > [S] = 2.5
Проверка показала, что коэффициент запаса прочности в рассматриваемом сечении больше чем требуемый.
Сечение Б-Б.
Коэффициент запаса прочности:
S= Sσ
· Sτ
/![]()
Sσ =σ-1 D / σа
Sτ =τ-1 D /( τа +ψτ D · τа ),
σа =103 ·М/W; τа =103 ·М к /2Wк
М= ![]()
Определим моменты инерции:
W=π·d3 /32=3.14·633 /32=24548 мм3
Wк =π·d3 /16=3.14·633 /16=49097 мм3
σа =103 ·845,5 / 24548 = 34,4 МПа
τа =103 · 100,4 / 2 ·49097 = 1,022 МПа
Пределы выносливости вала:
σ-1 D = σ-1 /Кσ D ; τ-1 D = τ-1 /Кτ D ,
где Кσ D и Кτ D - коэффициенты снижения предела выносливости.
Кσ D =( Кσ / Кd σ +1/ КF σ -1)/ КV ,
Кτ D =( Кτ / Кd τ +1/ КF τ -1)/ КV ,
Кσ D =( 4,7+1/0,88-1)/ 1=4,84
Кτ D =( 2,8+1/0,935-1)/ 1=2,87
σ-1 D = 410 / 4,84 =84,711 МПа; τ-1 D = 230 /2,84 = 80,986 МПа
ψτ D =ψτ / Кτ D
ψτ D =0,1/ 2,84=0,035
Sσ = 132,2 / 34,4 = 2,9 Sτ = 80,9 / (1,02 + 0,035 × 1,02) = 76,5
S= 2,9 · 76,5 /
= 3,8 > [S] = 2.5
Проверка показала, что коэффициент запаса прочности в рассматриваемом сечении больше чем требуемый.
10. Проверка подшипников
Условие годности подшипников
,
где Lh – расчетный ресурс (долговечность);
[Lh ] – требуемый ресурс.
,
где tΣ – суммарное время работы.
ч.
,
где a1 – коэффициент, корректирующий ресурс в зависимости от надежности (при вероятности безотказной работы Pt = 90%, a1 = 1);
a23 – коэффициент, корректирующий ресурс в зависимости от особых свойств подшипника (для шариковых подшипников a23 = 0,7…0,8, принимается a23 = 0,75);
Cr = базовая динамическая грузоподъемность подшипника ( для подшипника 208 Cr = 25,6 кН);
Pэкв – эквивалентная динамическая нагрузка;
N23 – частота вращения вала;
m = 3 – показатель степени для шариковых подшипников.
Fa1 = 2.314-внешняя осевая сила, Н
Fr1 = Ke•R1 = 0.56•2259.8
Отношение
Fa А / (V×Fr1) = 2,314 / 1 × 1265,499 = 0,001.
Тогда для опоры:
Х =0,56; Y = 0,44/е.
Найдём эквивалентную динамическую радиальную нагрузку, для обоих подшипников:
,
где коэффициенты V = 1, Кб = 1 , КТ = 1
Н

Рисунок 10 Схема распределения сил
Таким образом, принимаем e = 0,065
>10161,6 =
.
Проверка показала, что рабочий ресурс подшипника больше требуемого.
11. Конструктивные размеры корпуса редуктора
Расстояние между стенками корпуса и зубчатыми колесами:
а* =
+3
где, L – главный габарит редуктора.
L = aw 12 + da 2 /2 + da 4 /2
L = 140 + 97,15 + 101 = 323,15 мм
а* =
+3 = 9,86 Принимаем а* = 10
Толщина стенок корпуса и крышки:
мм
где, Т – крутящий момент на выходном валу, Н×мм;
мм Принимаем d = 7мм.
Толщина фланцев корпуса и крышки:
b = 1.5 ×d = 1.5 × 7= 10.5 мм
Толщина ребер:
m = (0.85…1) d
m= 1 ×7= 7 мм.
Диаметры болтов:
· Фундаментных:
d1 = 0.036 × a +12 = 0.036 × 125 + 12 = 16,5=>
принимаем фундаментальные болты с резьбой М18;
· Болтов, крепящих крышку к корпусу у подшипника:
d2 = (0.7 - 0.75)d1
d2 = 0.75 ×18= 13,5 мм;
принимаем болты с резьбой М14;
· Болтов, соединяющих крышку с корпусом: d3 = (0.5 – 0.6) d1 =0,6 ×18=10.8мм принимаем болты с резьбой М12.
12. Выбор смазки
По таблице устанавливаем вязкость масла. При контактных напряжениях до 600 Н/мм2 и скорости V до 5 м/с рекомендуемая вязкость масла должна быть примерно равна 28 мм2 /с. По таблице из справочной литературы принимаем масло индустриальное И-30А (табл. 11.1-11.3, стр. 200, /4/).
Допустимый уровень погружения колес в масляную ванну:
мм
Контроль масла, находящегося в корпусе редуктора осуществляется с помощью смотрового окна.
13. Подбор посадок и допусков
Зубчатые колеса: H7/r6.
Крышки торцовых узлов на подшипниках качения: H7/h8.
Шпоночные соединения: P9/h9.
Штифт с картеров: P8/h7.
Штифт с крышкой: H8/h7.
14. Сборка и регулировка редуктора
Перед сборкой полость корпуса редуктора подвергают очистке и покрывают маслостойкой краской. Сборку редуктора производят в соответствии с чертежом общего вида.
На входной вал насаживают подшипники, предварительно нагретые в масле до 80 - 100˚С.На промежуточный вал насаживают подшипник предварительно нагретый в масле до 80 - 100˚С.Затем закладывают шпонку и напрессовывают зубчатое колесо до упора в бурт вала. Насаживают подшипник предварительно нагретый в масле до 80 - 100˚С.На выходной вал закладывают шпонку и напрессовывают зубчатое колесо, насаживают подшипники, предварительно нагретые в масле до 80 - 100˚С.Валы устанавливают в корпус. Для центровки устанавливают крышку редуктора на корпус с помощью цилиндрических штифтов, затягивают болты, крепящие крышку редуктора с корпусом.
На конические хвостовики входного и выходного валов закладывают шпонки и надевают муфту и шкив.
Ввертывают пробку маслоспускного отверстия с прокладкой и устанавливают маслоуказатель. Заливают в корпус масло и закрывают смотровое отверстие крышкой с прокладкой, закрепляя крышку винтами.
Заключение
1. Согласно заданию был разработан привод ленточного конвейера.
2. Был выбран электродвигатель, рассчитаны зубчатые передачи, спроектированы и проверены на пригодность шпоночные соединения, подшипники, разработан общий вид редуктора, разработаны рабочие чертежи деталей: выходного вала, зубчатого колеса, шкива, крышек подшипников.
3. Были подобраны подходящие для данных условий материалы зубчатых колес. Зубчатые передачи были рассчитаны по условиям контактной выносливости зубьев, проверены на статическую прочность.
4. Электродвигатель был выбран исходя из потребной мощности и условий работы привода.
5. Шпоночные соединения были проверены смятие. Пригодность подшипников была оценена по ресурсу долговечности.
6. Форма и размеры деталей редуктора и рамы привода были определены конструктивными и технологическими соображениями, а также выбором материалов и заготовок.
Список использованной литературы
Дунаев П.Ф., Леликов О.П. Конструирование узлов и деталей машин. Учебное пособие для техн. спец. вузов. – 6-е изд., исп. – М.: Высш. шк., 2000 – 447с., ил.
Чернавский С.А., Боков К.Н. Курсовое проектирование деталей машин: Учебное пособие для учащихся машиностроительных специальностей техникумов: Машиностроение, 1988г.
3. Левитский И.Г. Расчет клиноременной передачи: Методические указания по курсовому проектированию. Хабаровск, издательство ХГТУ, 1991.
