| Скачать .docx |
Курсовая работа: Проектирование станочного приспособления
Содержание
1. Исходные данные
1.1 Выбор заготовки
1.2 Маршрут обработки
1.3 Выбор оборудования
1.4 Режимы резания
2. Теоретическая схема базирования и погрешность базирования
3. Схема и расчет сил закрепления
4. Расчет и выбор привода
5. Расчеты на прочность
6. Расчет приспособления на точность
7. Технические описания приспособления
Список литературы
1.1 Выбор заготовки
Из предложенных деталей мы составили комплексную деталь. На основании этой комплексной детали будем разрабатывать и проектировать станочное приспособление.
1.2 Маршрут обработки
Разработка маршрутного технологического процесса.
005 А Заготовительная
010 А Фрезерно-центровальная
Б МР71М
О Установить, выверить, закрепить. Фрезеровать торцы предварительно с переустановкой. Центровать отверстия.
Т Призмы α=900 , крепежный набор (прихваты, опоры, болты пазовые); фреза торцевая ф 35мм z=6 Т5К10 ГОСТ 8529-80, сверло центровочное ф 2мм Р6М5 ГОСТ 14952-80; ШЦ II 250-0,5 ГОСТ 1050-80.
015 А Токарная
Б CAT630
О Установить, выверить, закрепить. Точить с переустановкой с припуском 5мм на сторону под ТО ф 20+10, ф 30+10, ф 40+10, ф 56,88+10, ф 40+10, ф 35+10, ф 30+10мм. Подрезать торцы с припуском под ТО.
Т Патрон 3-х кулачковый ГОСТ 2675-80, центр упорный ГОСТ 13214-79; резец проходной упорный φ=930 ВхН=25х25 Т5К10 ГОСТ 2151-75; ШЦ II 250-0,5 ГОСТ 1050-80, калибр скоба ф 30, ф 40, ф 50, ф 67, ф50, ф 45, ф 40.
020 А Слесарная
О Острые кромки притупить
025 А Термообработка
О Термообработка до 262-311 НВ
030 А Токарная
Б CAT630
О Установить, закрепить. Точить окончательно ф 20мм на l=20мм, ф 30мм на l=24мм, ф 40мм на l=72мм, ф 56,88мм на l=69мм, ф 40мм на l=38мм, ф 35мм на l=27мм, ф 30мм на l=24мм. Выточить две канавки на ф 30мм шириной 4мм, на ф 20мм шириной 5мм. Выполнить фаски на ф 20мм, ф 30мм 2х450 – 3шт., фаску на ф 35мм и ф 56,88мм 3фаски 1,6х450 и фаску на ф 40мм 5х150 . Выполнить радиусы закругления. Сделать конус Δ1:10 на l=55мм на ф 40мм. Фрезеровать шпоночные пазы на ф 40s6 длинной 36мм шириной 12Р9, глубиной 5мм: на конусе Δ1:10 в размер 40мм, шириной 16Н9. Нарезать резьбу М20х1,5 в размер 20мм. Фрезеровать зубья m=3 на l=69мм z=16. Снять деталь.
Т Патрон цанговый специальный, центр упорный ГОСТ 13214-75; резец контурный правый Т15К6 МН 7502-74, резец контурный левый Т15К6 МН 7502-74; комплект калибр-скоб.
035 А Круглошлифовальная
Б 3М131Ф2
О Установить, выверить, закрепить. Шлифовать ф 30k6 с Ra1,25 в размер 24мм, ф 40s6 с Ra2,5 в размер 38мм.
Т Поводковый патрон ГОСТ 2571-71, центр вращающийся ГОСТ 8742-75; шлифовальный круг ПП24А40СМ2К8 DxH=250х100мм ГОСТ 2424-83; профилограф-профилометр 201.
040 А ОТК
1.3 Оборудование

Центр токарный двухсуппортной модель САТ630 с противошпинделем, с устройством позиционирования и круговой подачи шпинделя (осью С), револьверными головками для токарного и приводного инструмента. Класс точности станков — В (высокая точность). Точностные параметры: некруглость обрабатываемых цилиндрических поверхностей до 2 мкм. Многоцелевой станок, позволяющий, кроме токарной обработки деталей сложной конфигурации типа валов и фланцев из черных и цветных металлов, из высоколегированных сталей, а также термообработанных, осуществлять обработку гладких и резьбовых отверстий (торцевых несоосных и радиальных), фрезерование радиальных прямолинейных пазов и лысок, торцовых прямолинейных и фасонных пазов. Наличие противошпинделя позволяет производить с перехватом полную обработку деталей с двух сторон.


Технические характеристики для САТ630
| Наибольший диаметр обрабатываемого изделия, мм: |
|
| над станиной |
720 |
| над суппортом |
560 |
| Расстояние между центрами, мм |
1 000, 1 500, 2 500 |
| Максимальное перемещение суппорта, мм: |
|
| по оси «Х» |
400 |
| по оси «Z» |
1 100, 1 600, 2 600 |
| по оси «Y» |
±55 (±65*) |
| Максимальный вес обрабатываемой детали, кг: |
|
| в патроне |
300 |
| в центрах |
800 |
| Диаметр отверстия в шпинделе, мм |
102 (166*) |
| Пределы частот вращения шпинделя, |
35...875 |
| переключаемых автоматически, об/мин |
140...2 800 (140...2 200**) |
| Мощность главного привода/30 мин., кВт |
30/37 (37/45*) |
| Максимальный крутящий момент на шпинделе, Н.м |
1424/1 756 (1 712/2 084**) |
| Дискретность задания перемещения, мкм: |
1 |
| Скорость рабочих подач суппорта: |
|
| по оси «Х», мм/мин |
1...6 000 |
| по оси «Z», мм/мин |
1...6 000 |
| по оси «С» шпинделя, об/мин |
0,1...10 |
| Скорость быстрых перемещений суппорта, мм/мин: |
|
| по оси «Х» |
15 000 |
| по оси «Z» |
20 000 |
| Максимальное тяговое усилие, кгс: |
|
| по оси «Х» |
1 357 |
| по оси «Z» |
1 357 |
| Задняя бабка: |
|
| максимальное усилие зажима пинолью, кгс |
1 000 |
| ход пиноли, мм |
100 |
| диаметр пиноли, мм |
115 |
| конус в отверстии пиноли |
MT-5 |
| управление пинолью |
Гидравл. |
| Револьверная головка: |
|
| количество инструментов |
12 |
| диаметр цилиндрического хвостовика инструментального блока по DIN69880, мм |
50 |
| размеры гнезда для инструмента, мм |
32 x32 |
| мощность привода вращающегося инструмента, кВт |
6,2 |
| максимальный крутящий момент, Н.м |
55 |
| скорость вращения инструмента, об./мин |
до 5 000 |
| Ось «С»: |
|
| пределы частот вращения шпинделя, об/мин |
0...17 |
| крутящий момент, кг.м |
300 |
| мощность, кВт |
1,6 |
| Противошпиндель |
|
| Диаметр отверстия, мм |
102 |
| Пределы частот вращения, об./мин. |
35...2 800 |
| Максимальное перемещение по оси Z2, мм |
850, 1 350 |
| Масса станка, кг |
10 500, 11 500, 13 000 |
| Габаритные размеры, мм |
|
| длина |
4 920, 5 420, 6 420 (5 560, 6 060, 7 060**) |
| ширина |
2 060 |
| высота |
2 180 |
* — По заказу.** — С двигателем 37 кВт.
Основные узлы
Револьверная головка
Револьверная головка (фирмы «Baruffaldi», «Sauter», «Duplomatic») — 12-позиционная, с горизонтальной осью, для токарного и приводного инструмента (кроме исполнений I и VIII) обеспечивает быструю двухстороннюю индексацию выбора. Муфта с V-образными зубьями гарантирует жесткость и точность посадки инструментальных дисков. Приемные отверстия в диске револьверной головки соответствуют инструментальным хвостовикам по DIN 69880. Система быстросменного инструмента значительно уменьшает время наладки. По заказу оснащается инструментальными блоками, режущим инструментом фирм «Sandvik Coromant», «Iscar».

Задняя бабка
Задняя бабка имеет гидравлически управляемую пиноль шпинделя. Подвод и отвод пиноли осуществляется ножной педалью управления. Шпиндель задней бабки установлен на двух радиальных роликоподшипниках в передней и трех радиально-упорных шарикоподшипниках в задней опоре. Перемещается задняя бабка путем сцепки с верхним суппортом. По заказу возможно исполнение без задней бабки (патронное).

Неподвижный люнет
Самоцентрирующий неподвижный люнет облегчает действия центрирования и обеспечивает сверхточное вращение. Диаметр зажимаемых деталей — от 35 до 245 мм. Поставляется по заказу.

Патрон
По выбору заказчика поставляется патрон с ручным зажимом фирмы «Bison» или механизированный патрон с гидрозажимом или пневмозажимом фирм «Autoblock» или «ROHM» диаметром 315, 400 или 500 мм. По заказу может быть поставлен необходимый спецпатрон под конкретную деталь.
Компоновка
Компоновка станка обеспечивает удобный доступ к обрабатываемой детали и свободный сход стружки. Низкий уровень шума, герметичность облицовки и подвижных ограждений создают комфортные условия работы на станке.
Суппорт
Суппорт имеет жесткую конструкцию. Направляющие плоскости каретки и ползуна покрыты специальным износостойким полимерным материалом, обеспечивающим очень низкий коэффициент трения и высокую долговечность направляющих.
Шпиндельная бабка
Шпиндельная бабка оригинальной конструкции без зубчатых колес. Подшипники шпинделя (фирмы SKF, Швеция) заправлены консистентной смазкой и не требуют обслуживания. Привод шпинделя осуществляется поликлиновым ремнем (фирмы OPTIBELT, Германия) от мотор-редуктора с автоматическим переключением. диапазонов.
Станина
Станина отлита из высококачественного чугуна и для увеличения жесткости и виброустойчивости залита специальным бетоном. Накладные направляющие изготовлены из легированной стали, закалены и имеют высокую твердость рабочей поверхности (более 58 HRC).
Заказчик имеет возможность выбрать также следующие опции:
— датчик измерения инструмента (HPRA) фирмы RENISHAW (точность позиционирования контактного щупа в пределах 5 мкм);
— датчик измерения детали фирмы RENISHAW (точность позиционирования контактного щупа в пределах 5 мкм);
— станция очистки СОЖ фирмы LOSMA (бак 300 литров + бак для сбора шлама, насос 50 л/мин., 10Бар, 4 кВт).
Транспортёр для удаления стружки
Входит в базовую комплектацию.
Инструментальная система
Схема размещения вспомогательного инструмента в 12-позиционной револьверной головке для станков САТ630

1.4 Режимы резания
Точение предварительное


Нарезание резьбы


Зубофрезерная операция


На основании выполненных расчетах. Мы выбираем большую силу которая будет действовать при обработке. Это будет операция точение предварительное Pz=2783Н. На примере точения посмотрим влияния размеров на действующую силу. Дальнейшие расчеты будем производить по предварительное точение.

Рисунок 1 – Влияние размеров заготовки на действующую силу.
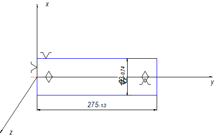
2. Теоретическая схема базирования и анализ погрешности базирования

Рисунок 2 – Теоретическая схема базирования
Данная схема базирования лишает заготовку 5 степеней свободы. Поэтому погрешности базирования по осям.
По оси ОХ:
![]()
По оси ОУ:

По оси ОZ:
![]()
3. Схема и расчет силы закрепления

Рисунок 3 – Схема сил закрепления
Схема сил, действующих на заготовку в процессе обработки, представлена на рис.3.
Составим уравнения.
Mox=n*Fтр1*(D/2) – Pz*(D/2)=0,
Pox=n*Fтр2 – Px=0,
Fтр=f*Q,
где Fтр – сила трения, Н
f – коэффициент трения, f=0,3
Q – сила закрепления, Н

где k – коэффициент запаса;
k0 – гарантированный коэффициент запаса;
k1 – коэффициент учитывающий изменения силы резания;
k2 – коэффициент учитывающий возрастание сил резания при затуплении инструмента;
k3 , k4 , k5 , k6 – коэффициенты учитывающие специфику условий
закрепления и обработки заготовки.
Сила закрепления не будет зависит от параметров заготовки(детали).
4. Расчет и выбор привода
Так как сила закрепления Q=5448Н, то выбираем гидропривод.
Усилие на штоке W=Q=5448Н.
Диаметр штока

Принимаем диаметр штока D=32мм, остальные параметры гидроцилиндра принимаются конструктивно.
5. Расчеты на прочность
В данной работе общие законы расчетов на прочность рассматривают в приложении к конкретным деталям и придают им форму инженерных расчетов.
Кроме обычных видов разрушения (поломок) деталей, наблюдаются случаи разрушения поверхности деталей, которые связанны с контактными напряжениями. Контактные напряжения возникают вместе соприкасания двух деталей: ролика (18) и конуса втулки (16), когда размеры площадки касания малы по сравнению с размерами деталей.

Схема нагружения шарика.
Расчетное условие контактной выносливости шарика (ниже приводятся (без вывода) и объясняются те формулы, которые используются в дальнейшем как исходные для выполнения расчета по контактной выносливости):
![]()
где σН – величина контактных напряжений, МПа.
![]()
здесь т – коэффициент зависящий от формы тел качения, т =0,1;
Fп – сила прижатия, нормальная к поверхности контакта, Н:
,
где Fш – усилие на штоке, Fш = 2800Н, α =15˚,
;
Eпр – приведенный модуль упругости:
,
где Е1 , Е2 – модули упругости. Так как и шарик и втулка стальные, то Е1 =Е2 =2·105 МПа, следовательно Епр = Е1 = 2·105 МПа;
- приведенный радиус кривизны контактирующих тел, мм:

где R1
, R2
– радиусы кривизны в точке контакта, R1
=2,5 мм, R2
=
.

МПа;
[σН ] – допускаемое напряжение, для закаленной стали твердостью 60HRC при начальном контакте в точке [σН ] = 2000МПа.
МПа, следовательно контактная выносливость шарика обеспечена.
Закрепление корпуса патрона на станке осуществляется при движении штока вправо, при этом сухарик скользит по конусному, а затем цилиндрическому участку постепенно прижимаясь к корпусу, сухарик при этом испытывает напряжения смятия (размеры площади контакта сопоставимы с размерами контактирующих тел).


Расчетное условие:
![]()
где
- напряжение смятия, МПа:

где F - сила прижатия, нормальная к поверхности контакта, Н
,
где Fз – сила закрепления, Fз = 2800Н; α =45˚,
![]()
А – площадь сопротивления смятию, мм2
А =
,
где d – диаметр сухаря, d = 4 мм.
А =
мм2
.
МПа;
[
] – допустимое напряжение смятия, [
] = 150 МПа.
МПа, сопротивление детали смятию обеспечивается
Болтовое соединение рассчитываем на срез.
Схема к расчету болтового соединения

Условие прочности на срез
![]()
,
где F – сила действующая на болт, Н;
d – диаметр болта, мм;
z – количество болтов.
МПа
допускаемое напряжения, ![]()
147<160МПа, сопротивление детали срезу обеспечивается
Болтовое соединение рассчитывается на смятие
Условие прочности на смятие ![]()
где
- напряжение смятия, МПа

где F – сила действующая на болт, Н;
dб – диаметр болта, мм;
δ – толщина стенки, мм.

[
] – допустимое напряжение смятия, [
] = 150 МПа.
МПа, сопротивление детали смятию обеспечивается.
Эпюра нагружения

Расчет на прочность штифтового соединения.
Схема к расчету штифтового соединения

Расчет на прочность штифтового соединения на срез:
Условие прочности на срез
![]()
,
где F – сила действующая на штифт, Н;
dш – диаметр штифта, мм;
z – количество штифтов.
МПа
допускаемое напряжения, ![]()
110<160МПа, сопротивление детали срезу обеспечивается
Штифтовое соединение рассчитывается на смятие
Условие прочности на смятие ![]()
где
- напряжение смятия, МПа

где F – сила действующая на штифт, Н;
dш – диаметр штифта, мм;
δ – толщина стенки, мм.

[
] – допустимое напряжение смятия, [
] = 150 МПа.
МПа, сопротивление детали смятию обеспечивается.
Эпюра нагружения

Расчет на прочность шлицевого соединения
Схема к расчету шлицевого соединения

Расчет шлицевого соединения на смятие
Условие смятие
![]()
Мк=87,67Нмм
где z – число шлицев z=8;
h – высота поверхности контакта
![]()
D – наружный диаметр втулки, мм
D – внутренний диаметр отверстия, мм
[
] – допустимое напряжение среза
Ψ – коэффициент, учитывающий неравномерность распределения
нагрузки по шлицам ψ=0,7-0,8
![]()
![]()
Нмм, сопротивление детали смятия обеспечивается.
На срез не будет считаться, так как действующая сила на шлицы действует равномерно по всей поверхности.
6. Расчет приспособления на точность
Расчет точности станочного приспособления
![]()
где δ – допуск на размер, δ=0,52мм
Δ – экономически достижимая точность, Δ=0,052мм
к – коэффициент пропорциональности, к=0,5
εб – погрешность базирования, мм εб =0,62мм
εз – погрешность закрепления, мм
![]()
сosα=0, так как угол между формируемым размером и силой зажима 900 .
![]()
![]()

Схема расположения размерной цепи по оси ОХ.
А1=11(-0,43 )мм, А2=12(-0,43 )мм, А3=6(-0,3 )мм, АΔ=32мм
Решаем прямую задачу вероятностным методом
А1, А2, А3 – уменьшающие звенья;
АΔ – увеличивающее звено.
Рассчитаем число единиц допуска

В зависимости от а.с.=50,3 назначаем 10-й квалитет
АΔ=32h10(-0,1 )мм
![]()
Найдем среднее отклонение звеньев

Принимаем среднее отклонение звеньев А1,А2 ЕСА1 =ЕСА2 =-0,175мм
![]()


Схема расположения размерной цепи по оси OZ
А1=6(-0,3 )мм, А2=18(-0,43 )мм, А3=6(-0,3 )мм, АΔ=30мм
Решаем прямую задачу вероятностным методом
А1, А2, А3 – уменьшающие звенья;
АΔ – увеличивающее звено.
Рассчитаем число единиц допуска

![]()

В зависимости от а.с.=111,12 назначаем 12-й квалитет
АΔ=32h12(-0,25 )мм
![]()
Найдем среднее отклонение звеньев

Принимаем среднее отклонение звеньев А3 ЕСА3 =-0,2мм
![]()

7. Техническое описание приспособления
Разработанное приспособление используется в серийном производстве для закрепления заготовок, которые обрабатываются на обрабатывающем центре. Приспособление перенастраивается для закрепления деталей типа вал различного диаметра с помощью съемной насадки. Приспособление состоит из цанговой насадки, корпуса, шпинделя, штока, гидроцилиндр и других деталей.
В статическом положении детали взаимодействуют друг с другом в такой последовательности.
Лопастной гидроцилиндр установлен на левом конце шпинделя токарного обрабатывающего центра и вращается вместе с ним. Гидроцилиндр состоит из корпуса (статора) 2 с упором, крышками 5 и 6 и однолопастного ротора 19 с лопастью 7, закрепленного шпонками 25 на гайке 8. Гайка установлена в статоре на конических роликоподшипниках 21 и связана с винтовой втулкой 9, в правый его конец ввинчена тяга 10, которая через промежуточные звенья перемещает цанговую насадку при зажиме и разжиме детали. При подаче масла в одну из полостей статора 2 ротор 19 с лопастью 7 проворачивается до упора и вращает гайку 8, которая перемещает винт с тягой 10 вправо или влево. Винтовая втулка, перемещаясь в шлицевом отверстии крышки 6, не вращается. Масло из резиновых шлангов подается через отверстие в приемную невращающуюся муфту 1, установленную на шарикоподшипниках 22, сидящих на валу, который запрессован в крышку 5. Вал имеет каналы для прохода масла в одну из полостей статора. Гидроагрегат с электродвигателем и насосом включают только во время остановки станка, а сила зажима детали цанговой насадкой сохраняется при обработке детали вследствие самоторможения винтовой пары: гайки и винтовой втулки.
Шпинделю станка передается возвратно-поступательное и вращательное движение. Сухарики 17, которые подпружинены пружиной 23 перемещается по шпинделю и поднимает втулку 15, которая в свою очередь сжимает цанговую насадку 3, соединяющаяся через шлицевое соединение. Происходит зажим детали. Для раскрепления детали из гидроцилиндра высасывается масло из полостей статора, происходит обратное действие винтовой пары, сухарик опускается и опускается втулка. Замена насадки производится при необходимости при раскрепления детали. Подача поршня контролируется датчиком FESTO, который находится на корпусе гидроцилиндра.
Схема работы гидравлического привода.
При перемещения рукоятки 5 в крайнее положение переключается золотник 4 и включается электродвигатель насоса 2. Масло из бака 1 по трубопроводу через лопастной насос 2, работающий от электродвигателя, и трубопроводу 3 под давлением 6,5МПа подается в золотник 4. Из него масло по трубопроводам 7 поступает в правую или левую полость лопастного цилиндра 8. При подаче масла в правую полость цилиндра лопасть с ротором 9 поворачивается до упора 10 и вытесняет масло из левой полости. Масло через левый трубопровод 7, золотник 4 по трубопроводу 14 стекает в бак 1. При переключении рукоятки 5 золотника 4 в другую сторону масло поступает в левую полость цилиндра 8, а из его правой полости и золотника 4 по трубопроводу 14 сливается в бак 1. Масло, которое просочилось из золотника 4 отводится по трубопроводу 13 в бак. Необходимое давление масла в гидросистеме регулируется клапаном 12 и определяется манометром 6.
Список литературы
1. Анурьев В.И. Справочник конструктора-машиностроителя: В 3т. – 8-е изд., перераб. и доп. М.: Машиностроения, 2001.
2. Болотин Х.Л., Костромин Ф.П. Станочные приспособления. Изд. 5-е, перераб. и доп. М., «Машиностроение», 1973, 344с.
3. Антонюк В.Е. Справочник конструктора по расчету и проектированию станочных приспособлений, 1969г.
4. Станочные приспособления: Справочник. В 2-х т./Ред. Совет: Б.Н. Вардашкин (пред.) и др. – М.: Машиностроение,/ Под ред. Б.Н. Вардашкина, В.В. Данилевского., 1984 – 656с., ил.
5. Боженко Л.И. Технология машиностроения. Проектирования технологического приспособления: Учебник. – Львов, 2001. – 296с.,ил.