| Скачать .docx |
Курсовая работа: Разработка технологического процесса обработки детали "Крышка"
Содержание
Введение
Анализ технологичности
Технология получения исходной заготовки
Возможные способы получения исходной заготовки
Выбор эффективного способа получения исходной заготовки
Получение исходной заготовки для холодной листовой штамповки
Описание оборудования и инструмента для холодной листовой штамповки
Разработка технологии получения детали резанием
Обработка фланца на токарно-винторезном станке
Обработка цилиндрической поверхности на токарно-винторезном станке
Сверление отверстия Ø20
Зенкерование отверстия Ø20
Развёртывание отверстия Ø20
Обработка заготовки на вертикально-сверлильном станке
Нарезание резьбы М8
Обработка заготовки на фрезерном станке
Обработка заготовки на круглошлифовальном станке
Контроль размеров детали
Заключение
Литература
Приложение
Введение
Данная курсовая работа предназначена для изучения курса ТКМ (технология конструкционных материалов) в сфере технологического производства деталей. В качестве объекта изучения предложена деталь именуемая – «Крышка», задано количество деталей и материал.
Проанализировав пункт технологии получения исходной заготовки, будет выбран эффективный способ получения заготовки, то есть с помощью ОМД (обработка металлов давлением). Учитывая толщину детали, предложен такой технологический процесс как прокат, следовательно, нужно описать прокатные станы и валки, а так же технология процесса прокатки листов. Исходя из того, что большинство поверхностей детали ни как не обрабатывается, будет предложено получить заготовку таким способом как холодная листовая штамповка. Получив заготовку с нужными габаритами, переходим к пункту обработка поверхностей резаньем, а точнее обработка на сверлильных, токарных и фрезерных станках. После получения детали – «Крышка» в количестве 2000 штук нужно проверить физические характеристики, в пункте контроль качества будут описаны виды проверок.
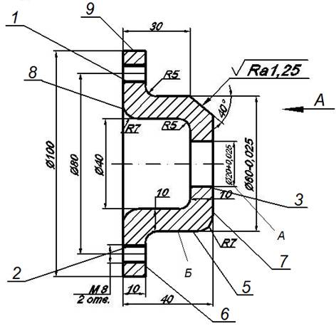
1. Анализ технологичности детали
|
Материал детали – легированная сталь 20ХН3 содержит: 0,20% углерода, 1% хрома, 3% никеля. Заготовки из данного материала можно получить с помощью методов обработки давлением. Обработку поверхностей проводят лезвийными и абразивными инструментами.
Указанная общая шероховатость детали говорит о том, что поверхности заготовки находятся в состоянии поставки, то есть не подвергаются механической обработке. Обработку резанием проводят над поверхностями 1, 2, 3, 4, 5, 6, 7, 8, 9. На поверхностях 1 и 2 нарезают резьбу М8. Поверхность 3 является отверстием. Поверхность 4 – лыска Ra1,25, поверхность 5 – цилиндрическая поверхность с высокой точностью изготовления. Поверхности 6, 7, 8, 9 – цилиндрические и торцевые поверхности, требующие снятия окалины, на поверхности 9 при вырубке листа и штамповке образуются заусенцы, которые также необходимо снять.
Данная деталь является технологичной. Её поверхность представляет собой тело вращения. Все цилиндрические поверхности можно легко получить точением и шлифованием. Радиусы скругления получаются при холодной листовой штамповке. Отверстия высокой точности получают сверлением с последующим зенкерованием и развёрткой.
Заготовку детали можно получить различными способами. Первый способ: в цилиндрическом прутке диаметром 100мм глухой прошивкой получают углубление диаметром 40мм. Раскаткой на оправке добиваются уничтожения бочкообразности заготовки. Затем, учитывая точность
, на токарном станке получают внешний диаметр 60мм. Для крепления данной заготовки на токарном станке используют трёхкулачковый самоцентрирующийся патрон. Обтачивание наружной цилиндрической поверхности производят с помощью проходного резца.
В качестве второго способа можно представить холодную листовую штамповку. Исходным материалом будет являться листовой прокат толщиной 10мм. Листовой прокат обрезают до необходимых размеров заготовки, и с помощью вытяжки без утончения стенок получают полую пространственную деталь с требуемыми размерами. Опять же для обеспечения необходимой точности поверхностей, на токарном станке производят доводку внешнего диаметра.
Отверстие 3 для предотвращения биения получают на токарно-винторезном станке. Заготовку в данном случае закрепляют в трёхкулачковом самоцентрирующемся патроне, и сверлом просверливают отверстие необходимого диаметра. Далее для достижения необходимой точности отверстие зенкеруют и развёртывают. Отверстия 1 и 2 получают на вертикально-сверлильном станке, заготовка закрепляется прижимными планками. Диаметры отверстий 1 и 2 выбирают по ГОСТ 19257-13. Резьбу в отверстиях также можно нарезать на сверлильном станке, только рабочим инструментом в данном случае будет метчик.
Лыску получают на фрезерных станках. Деталь устанавливают на горизонтально-фрезерный станок и с помощью одноугловой фрезы получают требуемую поверхность. Анализ шероховатости показывает, что основная часть поверхностей детали особой обработки не требует. Поэтому для снятия окалины и срезания заусенцев проведём обтачивание поверхностей 6, 7, 8, 9 на токарном станке. Лыска должна обладать шероховатостью Ra1,25. Такая шероховатость достижима на операции чистового фрезерования. Точность диаметральных размеров поверхности 5 требует чистового шлифования. Поверхность 3 с той же точностью также требует обработки, которую целесообразней провести зенкерованием, а затем развёртыванием.
Из проведённого выше анализа технологичности можно заключить, что данная деталь имеет достаточно технологичную конструкцию, её производство не требует специального оборудования, приспособлений и инструментов.
2. Технология получения исходной заготовки
2.1Возможные способы получения исходной заготовки
Перечислим возможные способы получения заготовки. Заготовку можно получить из стального прутка
с последующей ковкой и обработкой режущим инструментом. Также заготовку можно получить с помощью холодной штамповки из листового проката или горячей объёмной штамповкой. Принимая во внимание программу выпуска детали 2000 штук в месяц, считаю, что наиболее выгодным и эффективным способом изготовления будет являться холодная листовая штамповка. При ковке из стального прутка слишком большое количество металла уйдёт в стружку при обработке резаньем на токарном станке. Для горячей объёмной штамповки данная деталь слишком проста. При данном способе получения заготовки требуется изготовление отдельного, подходящего только для этой детали штампа, поэтому для большей производительности и снижения припусков под механическую обработку заготовку лучше получить с помощью холодной листовой штамповкой.
2.2 Выбор эффективного способа получения исходной заготовки
Как было выведено в предыдущем пункте, наиболее эффективным способом изготовления данной детали будет являться холодная листовая штамповка. Помимо того что при данном способе изготовления детали уменьшаются припуски на механическую обработку и достигается высокая производительность, холодная листовая штамповка обладает достаточно высокой точностью размеров и качеством поверхности, позволяющие до минимума сократить отделочные операции обработки резанием, сравнительная простота механизации и автоматизации процессов штамповки, хорошая приспособляемость к масштабам производства, в данном случае к крупносерийному. Данная деталь изготавливается из листа толщиной 10мм, для получения необходимой формы применяют вытяжку без утонения стенки. Для предотвращения появления складок на фланце применяют прижим. Как видно ни при каком другом способе изготовления таких небольших затрат материалов добиться нельзя.
2.2.1 Получение исходной заготовки для холодной листовой штамповки
Исходной заготовкой для данной детали будет являться лист толщиной 10мм. Листовой прокат получают на прокатном производстве. Сущность прокатного производства заключается в том, что металл пластически деформируется вращающимися валками. Взаимное расположение валков их форма и количество могут быть разными. Выделяют три основных вида прокатки: продольную (а), поперечную (б) и поперечно-винтовую (в). При изготовлении листового проката используют продольную прокатку.
Для производства листового проката берут стальной слиток массой до 50 тонн в горячем состоянии прокатывают на слябинге или блюминге, получая заготовку
![]() |
прямоугольного сечения, называемую слябом. Иногда вместо прокатных заготовок широко применяют заготовки в виде слябов, полученные непрерывной разливкой. Слябы прокатывают большей частью на непрерывных станах горячей прокатки, состоящих из двух групп рабочих клетей – черновой и чистовой, расположенных друг за другом. Перед каждой группой клетей сбивают окалину в окалиноломателях. После прокатки полосу сворачивают в рулон.

Прокатный стан
Далее для получения исходной заготовки лист должен пройти операцию вырубки. Вырубка осуществляется металлическим пуансоном и матрицей. Пуансон вдавливает часть заготовки в отверстие матрицы. В начальной стадии деформирования происходит врезание режущих кромок в заготовку и смещение одной части заготовки относительно другой без видимого разрушения. При определённой глубине внедрения режущих кромок в заготовку у режущих кромок зарождаются трещины, быстро проникающих в толщу листа, и как следствие мы получаем заготовку нужной нам формы.
Полученной заготовке нужно придать форму стакана, пространственной детали цилиндрической формы с фланцем.
Для этого проводят операцию вытяжки без утонения стенок.

Сущность процесса заключается в том, что вырубленную заготовку укладывают на плоскость матрицы. Пуансон надавливает на центральную часть матрицы и смещает в отверстие матрицы. Центральная часть заготовки тянет за собой периферийную, которая образует стенки вытянутой детали и её фланец. Но при определённом соотношении диаметров заготовки и вытянутой детали на фланце могут возникнуть складки. Для предотвращения появления складок применяют прижим, с определённой силой прижимающий фланец заготовки к плоскости матрицы. После проведённых операций получаем цилиндрический стакан с фланцем.
Описание оборудования и инструмента для холодной листовой штамповки
В качестве оборудования для холодной листовой штамповки следует применять штамп с пружинным буфером, обеспечивающим постоянное усилие. На рисунке приведены схема штампа и эскиз заготовки.

3. Разработка технологии получения детали резанием
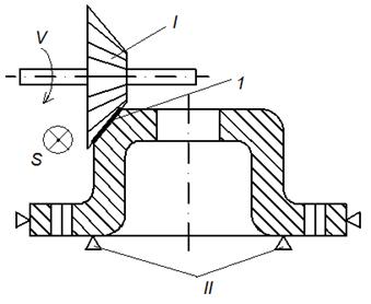
3.1.1 Обработка фланца на токарно-винторезном станке 1К625ДГ
Для срезания заусенцев, образовавшихся во время холодной листовой штамповки, и снятия окалины обточим заготовку на токарно-винторезном станке.
I – трёхкулачковый патрон; II – проходной резец; 1 – заготовка; 2 – обтачиваемая поверхность.
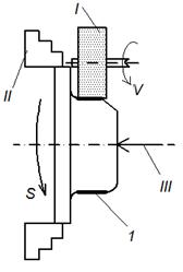
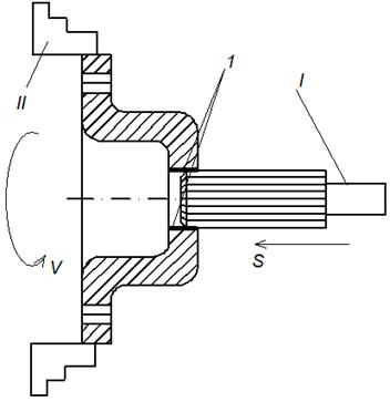
3.1.2 Обработка цилиндрической поверхности на токарно-винторезном станке
Для придания большей точности внешней поверхности заготовки обточим её на токарном станке.

I – трёхкулачковый патрон; II – резец проходной; III – центр;1 – заготовка; 2 – обтачиваемая поверхность.
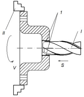
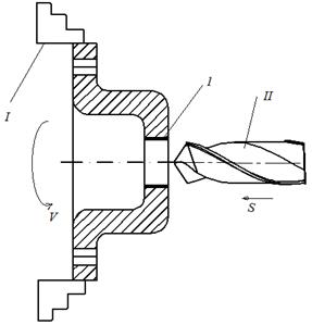
3.1.3 Сверление отверстия Ø20
В данной детали сверлением получают отверстия 1. Режущим инструментом в данном случае служит спиральное сверло. При сверлении отверстий на токарно-винторезном станке для установки и закрепления заготовки будем использовать трёхкулачковый самоцентрирующийся патрон.
I – трёхкулачковый патрон; II– спиральное сверло; 1 – отверстие Ø20
3.1.4 Зенкерование отверстия Ø20
Для повышения точности и уменьшения шероховатости внутренней поверхности проводят операцию зенкерования.

I – зенкер; II – трёхкулачковый патрон;
1 – зенкерование отверстия.
3.1.5 Развёртывание отверстия Ø20
Для достижения точности Ø20+0,025 применяют развёртывание – окончательную обработку цилиндрического отверстия.
I – трёхкулачковый патрон; II – развёртка; 1 – развёртываемая поверхность.
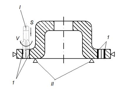
3.2.1 Обработка заготовки на вертикально-сверлильном станке 2С132
Для получения отверстий под нарезание резьбы М8 воспользуемся вертикально-сверлильном станке. Для закрепления заготовки на станке будем использовать прижимные планки.
I – сверло спиральное; II – прижимные планки; 1 – сквозное отверстие Ø6,70.
3.2.2 Нарезание резьбы М8
Нарезку резьбы проведём на вертикально-сверлильном станке. Рабочим инструментом в данном случае будет метчик. Деталь закрепляется на рабочем столе с помощью прижимных планок

I – метчик для нарезки резьбы М8; II – прижимные планки; 1 – нарезание резьбы сквозного отверстия.
3.3 Обработка заготовки на фрезерном станке 6К81Г
Для получения лыски заготовку фрезеруют одноугловой фрезой на горизонтально-фрезерных станках. Для получения шероховатости Ra 1,25 применяют чистовое фрезерование
I – фреза; II – прижимные планки; 1 – фрезерование лыски.
3.4 Обработка заготовки на круглошлифовальном станке

I – шлифовальный круг; II – трёхкулачковый патрон; III – центр; 1 – шлифуемая поверхность.
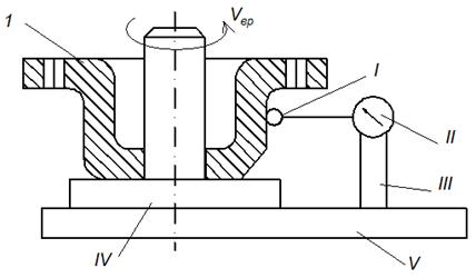
4. Контроль размеров детали
Средства контроля выбираются в зависимости от типа производства. Так для еденичного типа характерны универсальные средства: штангенциркуль, микрометр и др. Для массового типа применяют специальные средства: калибр-пробка и калибр-скоба. В серийном производстве в зависимости от процента контроля могут применяться как те, так и другие мерительные средства.
Для данной детали контролю подлежит внешняя цилиндрическая поверхность Ø60, сквозной отверстие Ø20 и биение поверхности цилиндрической поверхности Ø60 относительно поверхности отверстия Ø20.
Исходя из исходно заданной партии 2000 штук, в качестве контроля размеров будем применять: резьбовую калибр-пробку, калибр-пробку, калибр-скобу и биениеметр.


I – микрометрический щуп; II – индикатор; III – стойка индикатора; IV – вращающийся стол; V – основание; 1 – деталь.
Заключение
В данном курсовом проекте были рассмотрены несколько способов получения заготовок и найден наиболее эффективный – способ холодной листовой штамповки. Разработан технологический процесс обработки заготовки. Должным вниманием был охвачен контроль качества детали, проводимый резьбовой калибр-пробкой, калибр-пробкой, биениеметром и калибр-скобой, так как партия изготовления деталей 2000 штук.
Литература
1. Дальский А.М. Технология конструкционных материалов / Дальский А.М, Арутюнова И.А. и др. Москва, 1990 - 570 с.
2. Технология обработки материалов: сборник заданий к курсовой работе./ А.В. Щурова. - Челябинск: ЮУрГУ, 2007.
3. Поляков Ю.Л. Листовая штамповка легированных сплавов. – М.: Машиностроение, 1980. – 96 с.
4. Мещерин В.Т. Листовая штамповка. Атлас схем. Учебное пособие для вузов. М.: Машиностроение. 1975.
5. Козловский Н.С. Основы стандартизации, допуски, посадки и технические измерения. / Н.С. Козловский, А.Н. Виноградов. – М.: Машиностроение. 1982. – 284 с.



