| Скачать .docx |
Реферат: Шарнирно-рычажные, фрикционные и зубчатые механизмы: общие сведения и расчеты
БЕЛОРУССКИЙ ГОСУДАРСТВЕННЫЙ УНИВЕРСИТЕТ ИНФОРМАТИКИ И РАДИОЭЛЕКТРОНИКИ
Кафедра инженерной графики
РЕФЕРАТ
На тему
«Шарнирно-рычажные, фрикционные и зубчатые механизмы: общие сведения и расчеты»
МИНСК, 2008
Механизмы, входящие в состав любой машины или прибора, весьма разнообразны. С точки зрения их функционального назначения они делятся на следующие виды: механизмы двигателей и преобразователей; передаточные механизмы; исполнительные механизмы; механизмы настройки, подачи, транспортирования; механизмы управления, контроля и регулирования.
Механизмы решают задачи преобразования одних видов движений в другие, например, вращательного в поступательное, и задачи изменения скорости при сохранении вида движения, например, уменьшение числа оборотов двигателя до числа оборотов основного ведомого (рабочего) звена. В последнем случае одним из основных параметров механизма является передаточное отношение i , которое определяется как отношение угловых скоростей ведущего и ведомого k-го звеньев механизма, т.е. i1, k = n1 /nk , или i1, k = ω1 /ωk , где угловая скорость звеньев задается в оборотах за минуту (n ) или в радианах за секунду (ω = 2πn/60). Если механизм служит для понижения угловой скорости, его называют редуктором, если для повышения – мультипликатором.
Механизмы, служащие для передачи вращательного движения с преобразованием скорости (фрикционные, зубчатые), называют также передачами.
В зависимости от конструктивных особенностей и способа передачи движения между подвижными звеньями механизмы делят на шарнирно-рычажные; фрикционные; зубчатые; кулачковые; винтовые; с гибкими звеньями. Рассмотрим подробнее названные виды механизмов, учитывая их кинематические свойства и конструктивные особенности.
1. Шарнирно-рычажные механизмы
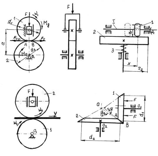
В шарнирно-рычажных механизмах жесткие звенья типа стержней, рычагов соединяются вращательными и поступательными кинематическими парами. Шарнирно-рычажные механизмы применяются для преобразования вращательного или поступательного движения в любое движение с требуемыми параметрами. Наибольшее распространение получили плоские четырехзвенные механизмы с тремя подвижными и одним неподвижным звеньями. Родоначальником этой группы является шарнирный четырехзвенник (рис.1), служащий для преобразования равномерного вращения ведущего звена I в неравномерное вращение звена 3. Звенья I и 3 называются кривошипами, если они поворачиваются на угол более 2π, и коромыслами, если совершают качательное движение. Звено 2, совершающее плоское движение, называют шатуном. В зависимости от соотношения длин звеньев механизма рабочее звено 3 может быть кривошипом или коромыслом.
|
|
|
|
|

Рис. 3
Широко применяются кривошипно-ползунные механизмы (рис. 2), используемые для преобразования вращательного движения в поступательное и наоборот; с их помощью можно (при равенстве длин кривошипа I и шатуна 2) определить, измеряя перемещение поступательно движущегося звена (ползуна) 3, значения синуса и косинуса угла поворота кривошипа. Конструктивно кривошипно-ползунные механизмы выполняются по двум схемам: внецентральные (рис. 2), у которых линия движения ползуна смещена на эксцентриситет е относительно оси вращения кривошипа; и простые, эксцентриситет которых равен нулю (е = 0).
К четырехзвенным относится большая группа кулисных механизмов, особенностью которых является наличие ползуна, перемещающегося в подвижной направляющей – кулисе (рис. 3, а). Кулиса 3 в зависимости от соотношения размеров звеньев, может совершать вращательное (О1 А > О1 О2 ) или качательное (О1 А < О1 О2 ) движения. Кулисные механизмы позволяют получать большой коэффициент изменения средней скорости ведомого звена (до 2,5) и применяются в системах, требующих быстрого обратного хода.
Разновидностью кулисного является синусный механизм (рис. 3, б). Он преобразует вращательное движение кривошипа I в возвратно-поступательное движение кулисы 3. Название механизма связано с тем, что перемещение y В кулисы 3 пропорционально синусу угла поворота кривошипа φ . На (рис. 3), в показан тангенсный механизм, который позволяет определить тангенс угла поворота кривошипа Itgφ = yВ /l . Применяются и более сложные рычажные механизмы, состоящие из 6 и более звеньев.
2. Фрикционные механизмы
2.1. Общие сведения
Во фрикционных механизмах движение от ведущего звена к ведомому передается за счет сил трения, возникающих между прижатыми друг к другу телами. Силы прижатия создают пружинами, поджимными винтами, силами тяжести и т.д.
Фрикционные механизмы предназначены для изменения скорости вращательного движения (рис. 4, а) или преобразования вращательного в поступательное движение (рис. 4, в). В зависимости от расположения осей валов фрикционные механизмы классифицируют на механизмы с параллельными (рис. 4, а, в) и пересекающимися (рис. 4 , г) осями; механизмы с нерегулируемым, постоянным (рис. 4, а, г) и регулируемым, плавно изменяемым передаточным (i = var) отношением (рис. 4, б).
Фрикционные механизмы применяются в приводах лентопротяжных, бумагопротяжных устройств, прессах, устройствах транспортирования.
К достоинствам фрикционных механизмов относят простоту конструкции и изготовления, бесшумность в работе, автоматическое предохранение от перегрузок из-за проскальзывания звеньев, отсутствие мертвого хода и возможность плавного бесступенчатого изменения передаточного отношения.
Недостатками фрикционных механизмов являются непостоянство заданного передаточного отношения из-за отсутствия жесткой кинематической связи между ведущим и ведомым звеньями; необходимость наличия нажимных устройств для прижатия тел качения к друг другу; усиленный износ в местах прикосновения из-за больших удельных давлений; сравнительно низкий КПД (0,7 … 0,9); большие нагрузки на валы и опоры, что приводит к необходимости увеличивать их размеры; нагрев при работе.
Движение соприкасающихся звеньев (диски, цилиндрические или конические катки, цилиндры, конуса) фрикционных механизмов сопровождается их относительным скольжением. Различают упругое и геометрическое скольжение, а также буксование.
Упругое скольжение возникает из-за различной упругой деформации ведущего и ведомого звеньев в зоне контакта. Напряжения звеньев в зоне контакта различаются по величине и по знаку. Поверхностные слои ведущего катка 1 (рис. 4, а), нагруженного движущим (вращающим) моментом Мд по мере приближения к площадке ВА контакта сжимаются, а проходя ее – растягиваются. На ведомое звено действует момент сопротивления М2 , направленный в сторону, противоположную направлению момента Мд . В точке А волокна ведущего катка растянуты, а ведомого – сжаты. Под действием сил трения в точке В площадки контакта волокна ведущего катка сжаты, а ведомого - растянуты. В пределах площадки контакта волокна каждого катка меняют свою деформацию, скользя друг по другу. Скорость упругого скольжения составляет 0,2 … 3% от величины окружной скорости катков и увеличивается с увеличением площадки контакта, т.е. с уменьшением модуля упругости материала, поэтому КПД фрикционных передач тем меньше, чем меньше модуль упругости материала катков.
Геометрическое скольжение объясняется наличием разности величин скорости точек касания звеньев фрикционного механизма вдоль линии контакта. Геометрическое скольжение разнотипных передач может быть различным. Рассмотрим геометрическое скольжение между двумя катками конусной формы (рис. 4, г) с несовпадающими вершинами конусов. Чистое качение может быть по линии касания окружностей диаметров d 1 и d 2 . В остальных точках, лежащих по линии АВ контакта катков, наблюдается проскальзывание. Геометрическое скольжение отсутствует, если катки имеют цилиндрическую форму и вращаются около параллельных осей, а также когда вершины (рис. 4, г) образующих конусов катков совпадают.
|
|
|
|

Рис. 4
Кроме рассмотренных видов скольжения возможно буксование – проскальзывание, вызванное нагрузкой передачи. Буксование возникает, когда движущая сила больше величины силы сцепления между звеньями. Оно ведет к местному интенсивному износу поверхности ведомого звена, что нежелательно. Буксование – одна из причин использовать для ведомых звеньев более износостойкий материал, чем материал ведущих звеньев. В этом случае местный износ ведомого звена заменит равномерный износ всей поверхности ведущего звена.
Материалы катков фрикционных механизмов должны иметь высокую контактную прочность и износостойкость для обеспечения необходимой долговечности, значительный коэффициент трения для уменьшения силы нажатия колес; высокий модуль упругости для обеспечения минимального проскальзывания, высокую коррозионную стойкость и теплопроводность. Этим требованиям удовлетворяют легированные стали ШХ15, 18ХН3А, закаленные до HRCэ 56 … 62.
Обычно катки фрикционных передач выполняют из разных материалов, образующих пары с повышенным трением: сталь-сталь, сталь-текстолит, сталь-резина, сталь-асбест и др. Рекомендуется изготавливать ведущий каток из более мягкого материала, что обеспечивает высокий коэффициент трения, меньшую силу прижатия и снижение шума, но при этом получают меньший КПД и большее упругое скольжение.
2.2. Кинематика фрикционных механизмов
С некоторым допущением (упругое скольжение всегда присутствует) считаем, что соприкасающиеся звенья будут катиться друг по другу без проскальзывания и их окружные скорости в месте контакта равны, т.е.
v = v1 = v2 , (1)
где v 1 , v 2 – соответственно линейные скорости точек касания ведущего и ведомого звеньев. Но v1 = (ω1 d1 )/2, а v2 = (ω2 d2 )/2, где ω1 , ω2 – угловые скорости вращения ведущего и ведомого звеньев, а d 1 , d 2 – диаметры катков в месте контакта. Используя зависимость, определим, что передаточное отношение фрикционных механизмов с параллельными (см. рис. 13.1, а) осями без учета упругого скольжения равно
i1,2 = ω1 /ω2 = d2 /d1 = r2 /r1 , (2)
где r 2 , r 1 – радиусы катков.
Во фрикционных механизмах с пересекающимися (см. рис. 4, г) осями звеньев геометрическое скольжение отсутствует при совпадении вершин конусов образующих катков с точкой 0 пересечения осей. Тогда передаточное отношение без учета упругого скольжения
i1,2 = ω1 /ω2 = r2 '/r1 ' = sinδ2 /sinδ1 , (3)
где r 1 ' , r 2 ' – сопряженные радиусы окружностей катков 1 и 2; δ1 , δ2 – углы образующих конусов катков 1 и 2. При пересечении осей О1 и О2 под прямым углом, т.е. при δ1 + δ2 = 90°, выражение можно представить как
i1,2 = ω1 /ω2 = tgδ2 = ctgδ1 . (4)
Во фрикционном механизме (см. рис. 4, г), называемом лобовым вариатором, ведущий ролик 1, вращающийся с постоянной угловой скоростью ω1 , может перемещаться вдоль оси вала I, например, вдоль шлицевого вала. Скорость вращения ω2 диска 2, поджимаемого к ролику 1 пружиной 3, будет плавно меняться. Так как линейные скорости в точке касания ролика и диска равны, т.е. ω1 r1 = ω2 x, где r 1 – радиус ролика; х – расстояние от оси вращения диска до положения ролика, которое может меняться от нуля до радиуса диска r 2 , то передаточное отношение рассматриваемого механизма
i1,2 = ω1 /ω2 = x/r1 ≠ const. (5)
Передаточное отношение i1,2 = ω1 /ω2 малонагруженных фрикционных механизмов принимают в пределах 1 … 7, диапазон изменения передаточного отношения вариаторов ω2 max /ω2 min рекомендуется брать 3 … 4. Увеличение передаточного отношения вариаторов связано со значительным ростом габаритов механизма, снижением КПД и предельной мощности, которую может передавать вариатор при малых частотах вращения. Фрикционные механизмы могут работать с окружными скоростями до 25 м/с. Окружные скорости соприкасающихся поверхностей вследствие проскальзывания из-за упругого скольжения не равны. Это учитывают коэффициентом относительного скольжения
ξ = (v1 – v2 )/v1 = (1 – v2 /v1 ) = [1 – (ω2 r2 )/(ω1 r1 )] (6)
Величина упругого скольжения невелика, коэффициент скольжения не превышает для стали 0,002 … 0,005, для текстолита – 0,01, для резины – 0,03. При выборе одного из катков неметаллическим, величину ξ принимают в переделах 0,01 … 0,03. Учитывая проскальзывание вследствие упругого скольжения, передаточное отношение фрикционных механизмов определим из выражения (6) как
i1,2 = ω1 /ω2 = (r2 /r1 )[1/(1 – ξ)]. (7)
Чем меньше модуль упругости материала катков, тем больше упругое скольжение и больше его влияние на величину передаточного отношения механизма.
2.3. Расчет фрикционных передач
Рассмотрим фрикционную передачу с цилиндрическими катками
(рис.4, а). При проектировании для катков выбирают материалы, обладающие достаточно большими значениями коэффициента трения скольжения и модуля упругости, износостойкостью. Чаще всего применяют стали, текстолит, резину. Значения коэффициентов трения f некоторых пар материалов, параметров их износостойкости приведены в табл. 1.
Таблица 1
| Материал катков | Условия боты | Коэффициент трения, f | Допускаемые удельные нагрузки qadm , кН/м | Допускаемые контактные напряжения σHadm , МПа |
| Сталь по стали | В масле | 0,05 | (2,5 … 3)НВ | |
| Сталь по стали | Всухую | 0,1 … 0,15 | (1,2 … 1,5)НВ | |
| Текстолит по стали | Всухую | 0,2 … 0,25 | 40 … 80 | |
| Резина по стали | Всухую | 0,45 … 0,6 | 10 … 30 |
Обычно известна величина момента сил сопротивления М2 , действующего на ведомое звено 2, или окружная сила сопротивления F2 = 2М2 /d2 , где d2 – диаметр ведомого катка. Движение между звеньями передается за счет сил трения F тр . Для ее создания ведущее 1 и ведомое 2 звенья прижимаются друг к другу с помощью пружин, сил веса, сил электромагнитного поля и т.п. Иногда фрикционные передачи снабжают устройствами автоматического регулирования силы нажатия F катков друг на друга. Сила нажатия F определяется из условия отсутствия буксования, когда сила трения F тр больше окружной силы сопротивления F2 , т.е. Fтр = kF2 , где k – коэффициент запаса сцепления; для приборных передач k = 2 … 3 и для силовых – k = 1,25 … 1,5. С учетом зависимости Fтр = fF сила нажатия цилиндрических катков при отсутствии буксования должна быть равна
F = (F2 k)/f = (2M2 k)/(fd2 ). (8)
На поверхности циклически изменяющейся зоны соприкосновения катков возникают значительные контактные напряжения. Основной причиной повреждения является разрушение рабочих поверхностей соприкасающихся катков. При использовании металлических катков на их рабочих поверхностях возникают ямки выкрашивания вследствие контактной усталости. При использовании неметаллических катков происходит износ и отслаивание материала на этих звеньях.
При определении диаметров ведущего d 1 и ведомого d 2 катков, их ширины b , помимо известных параметров выбранных материалов катков (f, E1 , E2 , qadm , σHadm ) и момента сил сопротивления М2 , известно передаточное отношение i рассматриваемой фрикционной передачи.
Выразим геометрические параметры катков через межосевое расстояние а передачи. Из выражения а = (d1 + d2 )/2 = [d1 (i + 1)]/2, где d2 = id1 выразим диаметры катков:
d1 = 2a /(i + 1); d2 = 2а i/(i + 1).(9)
Ширину катков b определим по эмпирической зависимости
b = ψ·a , (10)
где ψ = 0,2 … 0,4 – коэффициент ширины.
При наличии неметаллических катков условие их прочности с учетом износостойкости примет вид
qmax = F/b ≤ qadm , (11)
где qmax , qadm – соответственно максимальное и допускаемое удельные нагрузки на поверхности неметаллического катка в кН/м (табл. 1).
Выражение (11) с учетом зависимостей (8), (9), (10) примет вид
q = [M2 (i + 1)k]/(a 2 iψf) ≤ qadm , (12)
откуда а
. (13)
Зная межосевое расстояние а передачи, определим, используя зависимости (9) диаметры d 1 и d 2 катков, используя зависимость (10) – ширину b катков; и зависимость (8) – силу F прижатия катков.
При наличии во фрикционном механизме только металлических катков условие прочности их должно учитывать контактные напряжения, определяемые по формуле Герца (5.89), а именно
, (14)
где σ Hmax , σ Hadm – соответственно максимальное и допускаемое контактные напряжения; q = F/b – удельное давление; Eп = 2E1 E2 /(E1 + E2 ) – приведенный модуль упругости материалов катков; ρп = d1 d2 /[2(d1 + d2 )] = (a i)/(i + + 1)2 – приведенный радиус кривизны соприкасающихся катков.
Подставив в уравнение (14) значения удельной нагрузки q из выражения (12) и приведенного радиуса кривизны ρп катков получим
, (15)
откуда а
. (16)
Далее, зная межосевое расстояние а определим, используя зависимости (8), (9), (10) параметры фрикционной передачи
Фрикционные механизмы применяются в приводах систем, в устройствах транспортирования различных носителей информации. Передача движения в них осуществляется за счет сил трения между звеньями.
3. Зубчатые механизмы
3.1. Общие сведения
Зубчатые механизмы чаще по сравнению с другими видами механизмов применяются в машиностроении, приборостроении, в технических системах. Они служат для преобразования вращательного движения ведущего звена и передачи моментов сил.
Достоинствами таких передач являются постоянство заданного передаточного отношения, компактность, высокий КПД (0,92 … 0,98); наличие небольших сил давления на валы и опоры; высокая надежность; простота обслуживания. К недостаткам можно отнести сложность и высокую точность изготовления и сборки, наличие шума при работе, невозможность плавного бесступенчатого регулирования скорости вращения ведомого звена.
Все понятия, параметры и их обозначения, относящиеся к геометрии и кинематике зубчатых передач, стандартизированы.
Меньшее из пары зубчатых колес принято называть шестерней, большее – колесом. Термин «зубчатое колесо» можно применять как к шестерне, так и к колесу зубчатой передачи. Индексы «1» и «2» присваивают соответственно параметрам шестерни и колеса.
Зацепление зубчатых колес можно кинематически представить как качение без скольжения друг по другу двух поверхностей, называемых начальными. Для цилиндрических передач это цилиндры, для конических – конусы. Точку качения начальных поверхностей определяют как полюс зацепления.
По числу пар зацепляющихся колес зубчатые передачи бывают одно-, двух- и многоступенчатыми. По взаимному расположению осей их делят на цилиндрические – с параллельными осями (рис. 5, а), конические – с пересекающимися осями (рис. 5, д), на червячные (рис. 3.5, з), винтовые (рис. 5, и) – со скрещивающимися в пространстве осями. По расположению зубьев относительно образующих начальной поверхности колеса зубчатые передачи делят на прямозубые (рис. 5, а) и косозубые (рис. 5, б, в), шевронные (рис. 5, в) и с круговым зубом (рис. 5, ж).
Прямозубыми называются колеса (передачи), направление каждого зуба которых совпадает с образующей начальной поверхности (цилиндра или конуса). Косозубыми называются зубчатые колеса, направление каждого зуба которых составляет некоторый постоянный угол с образующей начальной поверхности. Шевронными называются колеса (рис. 5, в), зубчатый венец которых образуется из двух рядов косых зубьев противоположного направления.
Конические колеса могут быть прямозубыми, косозубыми и с круговым зубом
(рис.5, д, е, ж).
Зацепление зубчатых колес может быть внешним и внутренним
(рис.5, г).
Реечные зубчатые передачи (рис. 5, к) преобразуют вращательное движение в поступательное или наоборот.
|
|
|
|

д е ж
|


з и
Рис. 5
Наибольшее распространение получили передачи с эвольвентным профилем зубьев. Во-первых, эвольвентное зацепление мало чувствительно к отклонениям межосевого расстояния, не нарушается правильность зацепления. Во-вторых, профиль зубьев инструмента для нарезания эвольвентных зубчатых колес может быть прямолинейным, сравнительно простое изготовление и контроль инструмента и колес, одним инструментом можно нарезать колеса с разным числом зубьев. Траекторией точки контакта эвольвентных профилей зубьев является прямая линия.
По конструктивному выполнению корпуса зубчатые передачи бывают открытыми и закрытыми. Открытые не имеют защиты от попадания пыли и грязи, закрытые передачи имеют жесткий корпус и работают в масляной ванне.
По характеру своей работы передачи могут быть реверсивные и нереверсивные. Реверсивные передачи характеризуются поочередным изменением на противоположное направления движения ведущего звена.
По величине окружной скорости различают передачи – тихоходные (до 3 м/с), средних скоростей (3 … 15 м/с) и быстроходные (свыше 15 м/с).
Отношение угловых скоростей ведущего и ведомого колес называют передаточным отношением i, а отношение числа зубьев колеса к числу зубьев шестерни – передаточным числом u. Для редукторов (замедляющих передач) абсолютные значения i и u совпадают. Передаточное число относится только к паре зубчатых колёс, оно всегда положительное, больше единицы и является частным случаем передаточного отношения. Число зубьев колес обозначают буквой z с индексом, соответствующим индексу колеса. Основной характеристикой размеров зубьев является модуль m – отношение окружного шага к числу π. Модули стандартизированы и имеют размерность в миллиметрах. Зубчатые колеса (передачи) с модулем m < 1 называют мелкомодульными.
3.2. Параметры цилиндрических прямозубых колес
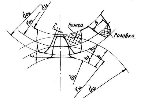
Рассмотрим элементы зубчатых колес (рис. 6), находящихся в зацеплении, в плоскости, перпендикулярной к оси вращения. По высоте снаружи зубья ограничены окружностью выступов диаметром da, изнутри – окружностью впадин диаметром df. Боковые поверхности полного профиля зуба очерчены эвольвентами противоположных ветвей. Эвольвента представляет собой траекторию произвольной точки прямой, перекатывающейся без скольжения по окружности, называемой основной. Положительная ветвь эвольвенты получается при перекатывании производящей прямой против хода часовой стрелки, отрицательная – по ходу часовой стрелки. С увеличением радиуса основной окружности до бесконечности (зубчатая рейка) эвольвента превратится в прямую. Часть бокового профиля зуба очерчивается по переходной кривой, служащей плавным переходом от эвольвенты к окружности впадин. Наличие переходной кривой делает зуб более прочным у основания. При зацеплении одного колеса с другим появляется начальная окружность радиусом rw. Это окружность одного зубчатого колеса, перекатывающаяся без скольжения по окружности (поверхности) второго из зацепляющихся колес. Расстояние между одноименными профилями соседних зубьев по дуге окружности называется окружным шагом и обозначается pt . Значение этого параметра по начальным окружностям должно быть одинаковым у находящихся в зацеплении колес. Пользуясь шагом зацепления, можно выразить длину любой окружности колеса, умножив шаг на число зубьев z:
ptz = πdt , (17)
где t – индекс соответствующей окружности, например, pa , da или pf , df .

Рис. 6
Величина pt выражается несоизмеримым числом, так как в правую часть условия (17) входит число π. Это затрудняет выбор размеров колес при их проектировании и изготовлении. Поэтому основным параметром принят не шаг, а отношение его к числу π. Эта величина называется модулем зацепления mt:
mt = pt /π. |мм| (18)
Шаг и модуль имеют индекс той окружности, по которой они измерены. Величины модулей для снижения номенклатуры и унификации режущего и контролирующего инструмента стандартизированы. Чаще всего согласно стандартам ограничиваются следующими значениями модуля (в миллиметрах): 0,05; 0,06; 0,08; 0,1; 0,12; 0,15; 0,20; 0,25; 0,3; 0,5; 0,6; 0,8; 1,0; 1,25; 1,5; 2,0; 2,5; 3,0; 4,0; 5,0. Окружность, по которой модуль имеет расчетное стандартное значение, называется делительной. Диаметр ее обозначается d, она является базовой для определения элементов зубьев и их размеров. Шаг и модуль по делительной окружности обозначают соответственно р и m.
Диаметр делительной окружности
d = mz. (19)
Для наиболее распространенных неисправленных по высоте (нулевых) колес начальная и делительные окружности совпадают и передаточное отношение для пары таких колес будет равно
i12
= ω1
/ω2
=
= d2
/d1
= z2
/z1
(20)
Помимо шага по дуге окружности различают и угловой шаг (центральный угол, соответствующий шагу по дуге). За время контакта одной пары зубьев колесо повернется на угол перекрытия. Для обеспечения непрерывности передачи движения от ведущего к ведомому колесу необходимо, чтобы до выхода из контакта данной пары зубьев в зацепление вступила очередная пара зубьев. Это условие будет соблюдаться, если угловой шаг колеса меньше угла перекрытия. Отношение угла перекрытия к угловому шагу, называют коэффициентом перекрытия зубчатой передачи εγ. Допустимым считается значение εγ ≥ 1,2.
Часть зуба высотой ha, заключенную между окружностью выступов и делительной окружностью, называют головкой зуба, а часть зуба высотой hf, заключенную между делительной окружностью и окружностью впадин, – ножкой зуба. Основные геометрические параметры зубчатого колеса – диаметры выступов da и впадин df , общая высота зуба h, высота головки ha и ножки hf , толщина зуба s и ширина впадин е между зубьями – выражаются через основной параметр зубчатой передачи – модуль m, по ГОСТ 9587-68.
Зубчатые передачи в приборостроении обычно используют не как силовые для передачи значительных моментов сил, а как кинематические для получения требуемых скоростей вращения. Зубчатую передачу в этом случае не рассчитывают на прочность, модуль выбирают из стандартного ряда по конструктивным соображениям. Применение малых модулей позволяет уменьшить габариты колес и увеличить плавность передачи при сохранении габаритов за счет увеличения числа зубьев. При заданном диаметре стоимость колес с уменьшением модуля возрастает, но повышается точность работы зубчатой пары, КПД таких передач 0,94 ... 0,98.
Высота головки зуба ha = ha *∙m, где ha * – коэффициент высоты головки, который в соответствии со стандартом равен единице (ha* = 1), а высота головки равна модулю (ha = m). Высота ножки зуба hf = (ha* + c*)m, где с = с*m – величина радиального зазора (см. рис. 3.7) между зубьями колес, находящихся в зацеплении; с* – коэффициент радиального зазора, который зависит от величины модуля: с* = 0,5 при m ≤ 0,5 мм, с* = 0,35 при 0,5 < m < 1 мм и с* = 0,25 при m ≥ 1 мм. Высота зуба h = ha + hf = m(2 + c*). Диаметры окружности выступов и впадин равны соответственно da = d + 2ha = m(z + 2) и df = d – 2hf = m(z – 2 – 2c*). Ширину зубчатого венца b принимают равной 2 … 6 модулям. Окружная толщина s зуба по делительной окружности s = p/2 = πm/2. Боковой зазор в зубчатом зацеплении устанавливается в зависимости от принятого вида сопряжения колес.
Траектория точек контакта пары зубьев во время зацепления у эвольвентных колес называется линией зацепления. Она является общей нормалью к боковым профилям зубьев. Угол между линией зацепления и перпендикуляром к межосевому расстоянию называют углом зацепления α, обычно α = 20°. При изменении межосевого расстояния линия зацепления изменяет свое положение. Изменяется угол зацепления, но передаточное отношение не нарушается.

|
ЛИТЕРАТУРА
1. Красковский Е.Я., Дружинин Ю.А., Филатова Е.М. Расчет и конструирование механизмов приборов и вычислительных систем: Учебное пособие. М.: – Высш. шк., 2001. – 480 с.
2. Сурин В.М. Техническая механика: Учебное пособие. – Мн.: БГУИР, 2004. – 292 с.
3. Ванторин В.Д. Механизмы приборных и вычислительных систем: Учебное пособие. – М.: Высш. шк., 2000. – 415 с.