| Скачать .docx |
Реферат: Технология и методика обучения работе на швейной машине, как средство овладения основами творчес
Государственное образовательное учреждение высшего профессионального образования
«Бирская государственная социально-педагогическая академия»
ФАКУЛЬТЕТ ТЕХНОЛОГИИ И ПРЕДПРИНИМАТЕЛЬСТВА
КАФЕДРА ТЕОРИИ И МЕТОДИКИ ПРОФЕССИОНАЛЬНОГО ОБРАЗОВАНИЯ
Кучумов Ильдар Галимянович
КУРСОВАЯ РАБОТА
Технология и методика обучения работе на швейной машине, как средство овладения основами творческой деятельности.
Научный руководитель:
доктор пед.наук,
профессор
Тагариев Р.З.
БИРСК 2009
СОДЕРЖАНИЕ
Стр
Введение……………………………………………………………………….. 3
Глава I. Швейные машины и изучение их в школе…..………………….. 5
1.1. История возникновения швейных машин …………………….. 5
1.2. Устройство и принцип действия швейной машины………… 16
1.3. Технология выполнения ручных и машинных швов, деталей и
швейных узлов изделий …………………………………..……...23
1. 3. 1. Перечень выполняемых работ ………………………25
1. 3. 2. Технология обработки швейных изделий……………26
1. 4. Санитарно-гигиенические требования и правила техники
безопасности при работе на швейной машине…………………....28
Глава II. Методика обучения работе на швейной машине в 5-6 классах….. 29
2.1. Методика обучения при изучении темы «Машинные швы»……..29
2.3. Планы конспектов уроков по ………………………………….…. 39
Заключение………………..………………………………….………………. 54
Литература……………………………………...………….………………….. 55
Приложение……………………………………………………………………. 56
Введение.
Эти предприятия, в особенности перед Первой мировой войной и во время войны, по объёму производства хотя и были близки к современным фабрикам малой мощности, но по организации производства и труда, по наличию техники это были скорее мастерские, то есть машинное производство было развито слабо, а ручной труд наоборот использовался очень широко. Фирмы по пошиву одежды применяли труд надомников, в том числе и в сельских районах. Мастера фирмы изготавливали модели одежды, и эти модели вместе с раскроем отправляли надомникам, от которых получали уже готовую одежду. Надомные работники трудились по 12-16 часов сутки. Большинство надомных работников составляли женщины и дети, как самая дешёвая рабочая сила.
Заменить ручной тяжелый и малопроизводительный труд машинным – такую задачу стремилась осуществить творческая мысль человека.
А к т у а л ь н о с т ь выбранной темы определяется тем, что у учащихся воспитываются готовность к проявлению творчества, преодолевается барьер нерешительности, робости перед новым видом деятельности.
П р е д м е т о м работы является проектирование занятий технологического обучения по разделу «Машиноведение», в частности технология работы на швейной машине в 5-6 классах.
О б ъ е к т о м работы является изучение процесса обучения в средней общеобразовательной школе, связанный с применением швейной машины, с использованием учебно-методического пособия.
Ц е л ь исследования состоит в формировании у учащихся технологической культуры, овладения основами творческой деятельности и созданию материальных и духовных ценностей.
Г и п о т е з а – мы предполагаем, что работы по данной курсовой будут успешны при следующих условиях:
- если будут соответствующие материалы;
- если учитель будет хорошо подготовлен;
- если будет благоприятная психологическая обстановка;
- если у детей будет соответствующая мотивация.
Исходя из поставленной цели, необходимо решить следующие з а д а ч и:
- изучить историю появления швейных машин;
- изучить разновидности и приспособления для швейных машин;
- раскрыть сущность и содержание уроков по машиноведению;
- внедрить средства и способы развития у детей знаний, умений и навыков,
необходимых на уроках по машиноведению;
- разработать на компьютере презентацию для применения на уроках по «Технологии»
Для решения поставленных задач и проверки рабочей гипотезы был
использован к о м п л е к с м е т о д о в и с с л е д о в а н и я: изучение и теоретический анализ педагогической, научно-практической методической литературы, типовых программ, учебных планов по технологии.
П р а к т и ч е с к а я з н а ч и м о с т ь исследования состоит в том, что полученные результаты могут быть использованы в разработке программ и учебно-методической литературы по трудовому обучению для средней школы, а так же для педагогических учебных заведений.
С т р у к т у р а и с с л е д о в а н и я в данной работе есть введение, главы I,II, заключение, использованная литература и приложение.
Глава I . Швейные машины и изучение их в школе.
1. 1. История возникновения швейных машин.
Считается, что швейную машину изобрел Исаак Зингер, но вообще-то, Зингер изобрел и запатентовал лишь иглу с ушком у основания, благодаря которой и по сей день происходит скрепление тканей между собой – то есть шитье. Но и задолго до этого придумывались и использовались швейные машины, но не в современном виде, конечно же, не с современным принципом шитья, а так, скорее, как какие-то механизмы, облегчающие ( а может, и усложняющие) ручное шитье.
Вот строчки из статьи, автор которой, к сожалению, мне не известен.
«Первый проект швейной машины был предложен в конце 15 века Леонардом да Винчи, но так и остался невоплощенным. В 1755г. немец Карл Вейзенталь получил патент на швейную машину, копирующую образование стежков в ручную. В 1790г англичанин Томас Сент изобрел швейную машину для пошива сапог. Машина имела ручной привод, заготовки сапог перемещались относительно иглы рукой. Более совершенная машина однониточного цепного переплетения была создана французом Б. Тимонье. Все эти машины не получили широкого практического применения. Изобретателем швейной машины челночного стежка считают американца Эллиаса Хоу, созданная им в 1845г., машина имела целый ряд недостатков, но все же была более пригодна для шитья чем, машины предыдущих изобретателей. Материалы в ней устанавливали вертикально, накалывали на шпильки транспортирующею рычага и перемещали в прямом направлении. Изогнутая игла двигалась в горизонтальной плоскости, а челнок похожий на челнок ткацкого станка совершал возвратно-поступательное движение. Машина получила практическое применение, но ее появление вызвало смятение среди портных. Последующими изобретателями, швейная машина была усовершенствована. В первых машинах А. Вильсона (1850г.) и И. Зингера (1851г.) игле сообщалось вертикальное движение, а материалы прижатые лапкой, располагались на горизонтальной платформе. Прерывистое перемещение материалов осуществлялось зубчатым колесом, а затем зубчатой пластиной (рейкой). Здесь швейная машина была практически доведена до совершенного вида. На вопрос: "Кто изобрел швейную машину?" - большинство, не задумываясь, ответят - Зингер. Действительно, машинки Зингера, купленные прабабушками, до сих пор исправно работают во многих семьях. А кое-кто, возможно, вспомнит, что Зингер, получая патент на свое изобретение, изо всего множества узлов и деталей запатентовал только одно устройство: иглу с ушком внизу. Действительно, сконструировать механическую часть машинки можно было по-разному, но непрерывный шов двумя нитками получается только с помощью иглы новой конструкции.»
Вернемся с 20 век. Что изобрели и усовершенствовали в швейной технике?
Janome, Brother, Jaguar, Elna, Pfaff, Husqvarna, Singer, AstraLuxи т.д.
Производитель всегда стремился изготовить такую технику, которая при малой себестоимости отвечала бы всем основным требованиям. А основные требования в современном мире очень завышены, потому что мы все хотим приобрести качество, функциональность, универсальность, мощность, удобство, неприхотливость и т.д. и все это за меньшие деньги.
Возможно ли это?
На этот вопрос однозначного ответа дать невозможно, потому что у каждого брэнда есть свои сильные и слабые стороны, и оптимальное соотношение наших требований к нашим возможностям определяет ценовой диапазон при выборе той или иной техники.
Попробуем разложить критерии выбора по полочкам, не акцентируя внимание при этом на фирму-производителя.
Будем выбирать по следующим критериям:
Тип челнока.
Регулировки.
Функциональные возможности (количество выполняемых операций).
Надежность.
Универсальность (шелк, шифон, драп, джинса, кожа и т.д.).
Мощность.
Удобство.
* Тип челнока. Сердце швейной машины - это челнок, и соответственно многое зависит от технологической особенности челнока. В современных бытовых швейных машинах использовались 4 вида челноков.
1. Челночный ход "торпедка", был установлен на швейных машинах первого поколения. Возможно, у некоторых сохранились и по ныне бабушкины швейные машины с таким принципом работы.Именно благодаря применению такой технологии Исааком Зингером, фирма "Зингер и Кo" быстра набрала обороты и приобрела большую популярность.
2. Челночный ход "классический" (Вертикальный челнок, совершающий колебательные движения). Данный тип челночного хода был разработан позднее и по сей день используется многими фирмами производителями.
3. Челночный ход "горизонтальный" (Челнок двойного обегания с вертикальной осью вращения без шпульного колпачка). Вертикально установленная ось вращения челночного хода является принципиально новой и используется в производстве бытовых швейных машин высокого класса.
4. Челночный ход "ротационный" (Челнок двойного обегания с горизонтальной осью вращения со шпульным колпачком). Применяется в основном в промышленных швейных машинах, так как имеет высокие скоростные характеристики.
* Регулировки. Регулировки для современной швейной машины очень важны, поскольку именно регулировками достигается качество шва. На швейных машинах могут присутствовать различные регулировки, такие как: регулятор длины и ширины строчки, который позволяет приспособить машину для шитья материала при необходимой конкретной длине и ширине шва. регулятор давления на лапку, который определяет универсальность швейной машины. Регулировка давления на лапку применяется в редких случаях, при шитье проблемных тканей. Эта регулировка на первый взгляд может показаться ненужной , так как с проблемными тканями справляются швейные машины и не имеющие возможность регулировать прижим, но качеству строчки при этом получается заметно ниже...Так например : при шитье трикотажа или ткани-стрейч под большим давлением на лапку, материал растягивается и деформирует ткань. Это можно избежать 2- мя методами.
1. Подложить под ткань лист бумаги и прошить с ним, а после аккуратно удалить бумагу.
2. Просто ослабить давление на лапку. Некоторые фирмы производители пренебрегают этим видом регулировки, а некоторые же, наоборот, считают регулировку давления на лапку первоочередным, тем, что должно обязательно быть в швейной машине .
Регулятор скорости, ограничивающий скорость шитья швейной машины и другие не столь важные регуляторы.
* Функциональные возможности.
Под функциональными возможностями подразумевается количество строчек, которые заложены в швейную машину. Хорошо, когда количество строчек велико, ведь Вы приобретаете бытовую швейную машину для домашнего пользования, при этом вам могут понадобиться различные операции, а каждой операции соответствуют свой тип строчки. Например: потайной шов, имитация оверлочного шва, обметка петли, декоративные швы ля отделки и т.д. Но следует помнить, что большое количество строчек, заложенных в машине, влияет на ее работоспособность. Это касается только электромеханических швейных машин, так как чем больше строчек , тем более загромождены механические узлы, а в электронных же швейных машинах дело обстоит совсем по-другому. В этих машинах количество операций не сказываются на работоспособности швейной машины, так как в них механические узлы заменены на шаговые двигатели.
* Надежность. Как говорилось выше, на надежность машины влияет загруженность механических узлов, но из этого не следует делать вывод, что, чем машинка проще, тем она надежнее. Основным фактором, влияющим на надежность швейной машины является материал, из которого она изготовлена. Согласитесь, что швейная машина из пластмассы прослужит не долго, но и здесь тоже есть нюансы. В любой механической конструкции присутствуют узлы, работающие с определенной нагрузкой или трением, и узлы, которые не несут никакой нагрузки. Любая фирма производитель стремиться создать модели, способные работать под нагрузкой долгие годы и, из этих соображений, применяют на узлах, работающих в динамическом режиме, износоустойчивые материалы из высокоуглеродистого металла и сплавов. На тех узлах, где нет никакой нагрузки, применяются материалы такие, как пластик и легкие сплавы металлов для облегчения веса швейной машины. Так что в вопросе о материале, из которого изготовлена машинка, вы можете довериться фирме-производителю, все технологические особенности машины учтены и продуманы, а от Вас лишь требуется вовремя смазывать узлы и агрегаты, потому, что нет таких швейных машин, которые бы не требовали смазки и чистки. Очень распространенное понятие «не требующее смазки» произошло от неправильного перевода слова «самосмазывающиеся», и, к сожалению, плотно осело в умах продавцов-консультантов. Не зависимо от того, дорогая эта швейная машина или дешевая, смазывать механические узлы необходимо, если Вы хотите, что бы машина служила долго. В швейной машине присутствует большое количество металлических деталей, а все металлические детали нуждаются в смазке, которая предотвращает их не только от коррозии, но и от перегрева. Многие люди обращаются в гарантийные мастерские с такими дефектами швейной машины, которые вызваны износом или нагревом деталей и, соответственно, расширением метала, а избежать этого можно смазывая постоянно узлы швейной машины. Помимо смазки, следует также и чистить швейную машинку от пыли и ворса. Важнейшим в механике швейной машины является челнок, и, соответственно, необходимо регулярно чистить и смазывать его. Но помните, излишнее количество машинного масла также не желательно, как и его отсутствие!
* Универсальность.
Универсальности швейной машины определяет количество различных
тканей и материалов, которые можно прошить на данной машине. Не забывайте, что правильный подбор необходимы аксессуаров, таких как иглы, нитки, специальные лапки, дополнительные насадки и агрегаты, увеличивает универсальные возможности швейной машины.
Приведем примеры:
Если Вам необходимо шить кожу, следует обратить внимание на иглу, так как от иглы зависит, будет ли правильно сформирована петля. Иглы по коже отличаются от стандартных тем, что острие иглы не конусообразное, а трехгранное, оно не прокалывает ткань, а «надрезает» ткань, способствуя правильному формированию петли.
Еще пример:
При шитье на швейной машине челночного стежка трикотажа необходимо не только учитывать тот факт, что материал может растягиваться, но также и подбирать соответствующую иглу и нить. А в идеальном варианте трикотаж необходимо стачивать на машине цепного стежка (распошивалка), потому что цепной стежок является растяжимым, а челночный стежок растяжим лишь при использовании специальной тектсурированной нити. Как говорилось выше, за шитье трикотажа в немалой степени отвечает регулятор давления на лапку, а кроме него облегчить процесс шитья способна специальная лапка, предназначение которой заключается в том, чтобы удерживать ткань для прокола и не допускать заминания ткани под рейку.
Качество сшитого изделия во многом зависит от качества строчки. Когда игла достигает своего крайнего нижнего положения, сзади иглы образуется петля, что позволяет захватывающему крючку пройти между ниткой и иглой, создавая тем самым обрамляющий стежок при помощи верхней и нижней нити.
Все иглы делятся на несколько категорий и соответственно обозначаются соответствующими индексами.
H Универсальные иглы имеют слегка закругленное острие и могут быть самого разного размера. Данный тип иглы предназначен для обычного шитья на тканях различной фактуры.
H-J Иглы для плотных тканей. Данный тип иглы имеет очень острое острие и не гнется, проходя через плотную ткань. Игла подходит для плотного и волокнистого материала.
H-E Вышивальные иглы. На вышивальных иглах (H-E) имеется специальная выемка и слегка закругленное острие, а отверстие ушка несколько больше, чтобы не повредить материал или нитку. Данный тип илы предназначен для декоративного вышивания специальными вышивальными нитками.
H-S Иглы для эластичных тканей. На игле для эластичного материала есть специальная кромка, исключающая пропуск стежков при растяжении материала. игла подходит для шитья трикотажных изделий, спортивных костюмов, тканей с начесом, синтетики и кожи.
H-Q Иглы для квилтинга. На иглах для квилтинга (H-Q) имеется специальный скос и округлое острие, что позволяет игле свободно проходить сразу через несколько слоев материала.
H-M Иглы микротекс. Иглы микротекс (H-M) очень острые, как иглы для плотных тканей, но обычно меньших размеров. Илы используются для микроволокнистого, легкого и плотно-тканного материала.
H-SES Иглы с округлым острием. На иглах такого типа острие закруглено и не будет разрывать или срезать структурное волокно. Игла раздвигает нити материала при прокалывании. Предназначены для шитья тонкого трикотажа и особенно синтетических тканей.
H-SUK Иглы с округлым острием. На иглах такого типа острие закруглено и не будет разрывать или срезать структурное волокно. Игла раздвигает нити материала при прокалывании. Предназначены для шитья крупноячеистого трикотажа, вязаных материалов, латекса, двойного основовязального трикотажа.
H-O Игла с лопастью. На этой игле имеются широкие лопасти с обеих сторон, которые при шитье оставляют отверстия. Используется при имитации французского и мережкового швов.
H-ZWI Двойные иглы. Двойная игла совмещает в себе две иглы в одном держателе. Игла предназначена для декоративных отделочных швов и защипок. Иглы имеют три размера (70, 80, 90) и три типа (универсальные, для плотных тканей, для вышивания), расстояние между иглами отмечается на упаковке в мм (1.6, 2.0, 2.5, 3.0, 4.0, 6.0). Чем выше число, тем большее расстояние между иглами. Илы 4.0 и 6.0 предназначены только ля прямой строчки.
H-DRI Тройные иглы (2.5, 3.0). Тот же принцип, что и двойные иглы.
* Мощность.
Мощность швейной машины определяется энергопотреблением двигателя и прямо пропорциональна потребляемой мощности сети. Мощность двигателя влияет на пробивную мощь самой машины, т.е. чем мощнее двигатель, тем больше пробивная мощь. Но здесь, как и везде, есть свои нюансы.
Потребляемая мощность двигателя в электронных машинах может быть на порядок ниже, чем в электромеханических, но это не значит, что они слабее . Из-за конструктивной и технологической особенности электронные машины комплектуются двигателями постоянного тока, и кроме этого, в электронных машинах больше КПД, так как не нужно затрачивать усилие для механических узлов, как в электромеханической машине.
Вот, кстати, основные различия между электронными и электромеханическими моделями.
Количество выполняемых операций на механических моделях ограниченно, из-за технологической особенности швейной машины, в электронных швейных машинах ограничений в количестве выполняемых операций нет из-за наличия электронного блока. Кроме того, электронные модели очень удобны в эксплуатации. Достаточно нажать нужную кнопку и машины выполнит заложенную операцию с параметрами настройки, установленными по умолчанию, но при желании можно ввести и свои параметры. На механических моделях параметры строчки устанавливаются вручную, и то при наличии определенных видов регулировок. Электронные модели, благодаря шаговым двигателям, в состоянии строить сложные структуры строчек такие как: глазковая петля, элементы вышивки, вышивка алфавита и многое другое.
* Удобство.
Комфортное шитье является одним из основных направлений, на что акцентирую внимание покупателей большинство брэндов, но естественно, что не всем это удается.
В основном, комфортной машинкой может считаться модель, в которой уже заданы усредненные параметры, но в которых есть возможность корректировки параметров. Также на удобство и комфорт влияют конструктивные особенности, такие как съемный рукав.
* Особенности.
Некоторые бытовые швейные машины имеют конструктивные особенности, которые помогают при шитье и увеличивают функциональные и универсальные возможности машины. К таким особенностям относятся: верхний транспортер, швейный конструктор, заправщик нити, съемный рукав, автоматические параметры и т.д. Швейные машины оснащенные такими возможностями очень удобны и практичны в эксплуатации .
Если уж речь пошла о создании швейной машинки, то пожалуй первейшей из них была одна из прародительниц, первой взявшей костяную (деревянную, каменную) иглу в свои руки. При чем это было скорее шило, чем игла. Несколько позже был придуман крючок, а видимо затем и собственно игла с ушком, причем ушко часто делалось в основании иглы, прямо как на современных швейных машинах. Если же серьезно, то первыми, где-то в четырнадцатом веке, следует считать голландцев, в чьих мастерских по пошиву парусов впервые была применена колесная машина, стачивающая длинные полотна. К великому сожалению неизвестно имя автора сего изобретения, известно лишь, что машина была очень громоздкой и занимала много места.
Ручные машинки появились около двухсот пятидесяти лет назад и не представляли собой механизм внешне похожий на современный. Первый патент на изобретение швейной машины был выдан англичанину Чарльзу Вейзенталю в 1755 году, который получил патент на иглу, которую можно использовать для шьющего механизма. Машина же так и не была создана.
Прошло еще 34 года до изобретения англичанина Томаса Саинта, которое и рассматривается как первая реальная швейная машина. В 1790 изобретатель запатентовал машину, в которой шило делало отверстие в коже и позволяло игле проходить через нее. Критики указывали на то, что весьма возможно, что Саинт только запатентовал идею и наиболее вероятно, что сама машина так никогда и не была построена. В 1880-ых была сделана попытка воспроизвести машину по рисункам Саинта, оказалось, что она не будет работать без значительной модификации.
История переносится в Германию, где около 1810 года, изобретатель Бальтазар Кремс изобретал машину для шитья кепок. Никакой точной даты нельзя указать, так как Кремс свои изобретения не запатентовал.
Австрийский портной Джозеф Мадерспергер изобрел ряд механизмов в начале 19-ого столетия и получил патент в 1814 году. Он все еще работал над изобретением до 1839 года, на помощь, предоставленную австрийским правительством, но так и не сумел собрать воедино все элементы в одной машине и, в конечном счете, умер нищим.
Еще два изобретения были запатентованы в 1804 году, одно во Франции Томасом Стоуном и Джеймсом Хендерсоном - машина, которая пыталась подражать ручному шитью, другое Скоттом Джоном Дунканом машина для вышивки, использовавшая множество игл. К сожалению, ничего не известно о судьбах этих изобретений.
А в 1830 году французу Бартоломи Тимонье был выдан патент французским правительством, так же ему был дан правительственный заказ на изготовление партии машин для пошива военной формы. К 1940-му году была построена небольшая фабрика, насчитывающая 80 машин. Но разгневанные портные, шьющие вручную, разгромили фабрику, уничтожив все машины. Тимонье с новой моделью машины уехал в Англию, где основал первую фабрику по производству одежды. К сожалению, он прогорел и умер в нищете в 1957 году.
В Америке квакер Уолтер Хунт изобрел в 1833, первую машину, которая не пробовала подражать ручному шитью, а имела почти тот же вид, что и все последующие, т.е. иглу с отверстием на конце и две шпульки. Недостатком ее являлось то, что она шила только прямо и небольшой отрезок ткани. Девятью годами позже, его соотечественник , Джон Гриноуг, изобрел рабочую машину, в которой игла полностью проходила через ткань. Хотя модель была сделана и показана, в надежде продажи ее швейным магнатам, ею никто не заинтересовался.
В 1845 году американец Элиас Хоу получает патент на первую машинку с челночным механизмом. Если вам будет интересно, как они выглядела и работала эта машинка, то этот тип машинок можно и сейчас встретить у некоторых бабушек, которую в народе называют по имени изготовителя "Поповкой". Изготавливалась она в мастерских купца Попова под маркой "Singer", "Супруги Поповы","Singer и Попов". Челнок двигался вдоль машины, игловодитель - квадратного сечения, регулировка натяжения нити была самой примитивной. Как правило, в челноке нить проходила через дырочки и чем больше, тем сильнее натяжение. Надо сказать, что при всех своих недостатках эти машины служат людям и поныне. Очень часто их используют при прошивке толстых кож (ремни) и брезента. К недостаткам можно отнести низкую скорость стачивания и плохую регулировку натяжения нити.
Коренное изменение в конструкции машин произошло в 1850 году, когда сразу три изобретателя Вильсон, Гиббс и Зингер запатентовали новые конструкции. Наиболее удачной машиной оказалась машина Зингера с так называемым "качающимся челноком". Суть изобретения - челнок стал ходить не вдоль машины, как раньше, а совершал дугообразное движение поперек станины машины. Одновременно с этим изменился вид челнока, более удобную для прохождения через него нити, а тек же более совершенную регулировку натяжения нити. Нить челнока регулировалась пружиной, а верхняя нить регулировалась чашечками нитенатяжителя.
В 1854 году в Нью-Йорке Исааком Зингером совместно с Эдуардом Кларком было учреждено товарищество "И.М.Зингер и Ко", а в штате Нью-Джерси основан завод по производству швейных машин. Предприятие росло и развивалось. Секрет успеха заключался не только в популярности самой продукции, но и в результате новаторских рыночных стратегий. Уникальная по тем временам система продаж в рассрочку позволила компании к 1863 году завоевать мировую известность и лидерство. В конце 19-го века был настоящий бум по производству и покупке швейных машин. Многие известные фирмы появились именно в это время. В Германии это "Pfaff", "Veritas","Kaizer" и несколько теперь неизвестных фирм. Так же в Германии на заводе Витенберга собирались американские Зингеры (в послевоенное время с 1948г.). Что впоследствии привело к общепринятому заблуждению относительно фирмы "Singer & K", как немецкой компании.
Одним из самых больших филиалов этой транснациональной компании до первой мировой войны, являлся Подольский филиал в России. С1904 по 1914 год на нем было произведено и собрано около 600 тысяч швейных машин разного класса. После революции предприятие национализировали и продолжали выпускать те же машинки, что и до революции, но под названием сначала "Госшвеймашина", затем "ПМЗ". После второй мировой войны "Singer" на территории СССР, в чистом виде больше не выпускался. Были выпущены: в Орше типа Singer" 115 кл. "Орша"; в Подольске - "ПМЗ-2" слизанный с финской "Tikka", являющейся довоенной разработкой фирмы Зингер. Долгое время сохранялись филиалы во многих странах мира, так же на базе этих филиалов возникло множество других известных фирм, особенно в странах бывшего соцлагеря. Это особенно заметно, если внимательно рассматривать узлы и механизмы бытовых машин соцстран, которые в своем большинстве недалеко ушли от своей прародительницы "Singer" 15 класса.
Пожалуй наиболее интересные свои разработки внедрили чехословацкие умельцы. Некоторые модели "Лады" до сих пор поражают изящностью и неординарностью инженерной мысли. Можно даже сказать непревзойденной, на уровне механики, инженерной проработкой всех узлов и механизмов машины. Следует так же отметить некоторые поистине удачные (например Коламбия) модели немецкой фирмы "Veritas" и "Konler". Очень неплохие венгерские машинки "Panonia". И уж нельзя не упомянуть о надежных и простых польских "Radom".
Что же касается "Singer". В данный момент огромная промышленная империя несет убытки, особенно после недавней покупки фирмы "Pfaff" в Германии и концерна "Подольск" в подмосковье. Не помогла ей и продажа своего филиала на Тайване. Старейшую фирму теснят по всему фронту более молодые(относительно) азиатские фирмы. Лидером по продажам на сегодня является японская фирма "Brother" известная в России так же под японским названием "Чори". Основанная в 1908 году, фирма с 1934 года выпускает бытовые машинки. К 1995 году фирма выпустила 30 миллионов швейных машин. Основные филиалы фирмы на Тайване и в Китае.
Швейные машины фирмы "Brother" отличает простота в эксплуатации, в техническом обслуживании и наличием моделей на любой вкус и кошелек. В данный момент фирма делает акцент на удешевление своей продукции. Наибольший парк продукции относится к не очень качественным, но сверх дешевым, по западным меркам, моделям машин типа "мыльница". Эти машины просты, но лишены некоторых нужных функций, например регулятора давления лапки на ткань. Так же у многих моделей много слабых мест в их конструкции, что ведет к частым поломкам.
Более надежные хотя и не намного дороже машинки фирмы "Janome". Они прекрасно зарекомендовали себя на российском рынке и имеют постоянный и неослабеваемый спрос. Основанная в 1921 году фирма на данный момент выпускает более 280 моделей швейных машин и является ведущим производителем машин с компьютерным управлением. Машины этой фирмы, а особенно серию My Style, отличает высокая надежность, бесшумность в работе и простота в обслуживании. На заводах фирмы "Janome" выпускаются и машины других известных фирм таких как немецкой "Pfaff", машинки класса "Hobby", швейцарской фирмы "Elna" и других.
Рассказ о японских компаниях нельзя завершить не рассказав еще о двух известных производителях швейных машин "Toyota" и "Jaguar". На данный момент обе фирмы растеряли завоеванные ранее позиции, их машинный парк невелик, но есть некоторые интересные модели и у этих фирм. Так машинки фирмы "Toyota" зачастую превосходят всех своих конкурентов по качеству изготовления, а фирма "Jaguar" заявила о создании первой Онлайновой машинки, подключаемой к интернету. Что же касается еще недавно знаменитых европейских фирм, таких как "Huscvarna" или "Eina" или еще с десяток других, то по всей видимости им придется уступить агрессивной и умелой политике японских фирм. "Husqvarna" делает машины изящные, красивые по дизайну, но совершенно неремонтопригодные, с малым сроком эксплуатации сложные и дорогие в обслуживании и частом ремонте. Машины других европейских фирм, при их относительно хорошем качестве, отличает непомерно высокая цена, что зачастую ведет к падению спроса на них.
1. 2. Устройство и принцип действия швейной машины.
Описание устройства основных органов швейной машины, кинематические схемы.
Все швейные машины делятся на специальные и универсальные. Специальные машины выполняют только одну определенную технологическую операцию: выполнение петель, пришив пуговиц и т. д. На универсальных машинах можно выполнять швы различных видов, строчки разной длины и направления, используя специальные приспособления можно выполнять петли и т. д.
Рабочие органы швейной машины. Рабочими органами швейной машины являются: игла, двигатель ткани, лапка, нитепритягиватель, челнок.
Работу каждого рабочего органа швейной машины обеспечивает соответствующий механизм. Образование строчки обеспечивается слаженной работой всех механизмов. В их основе, лежат механизмы преобразования вращательного движения в возвратно-поступательное. Такими механизмами преобразования являются: кривошипно-шатунный, эксцентриковый, кулачковый.





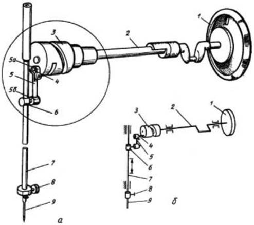
Рис. 1. Кривошипно-шатунный механизм:
а — механизм иглы, б — кинематическая схема механизма, 1—маховое колесо, 2— главный вал, 3— кривошип, 4— палец кривошипа, 5—шатун, 5а— верхняя головка шатуна, 56 — нижняя головка шатуна, 6— поводок, 7— игловодитель, 8— прижимной винт, 9— игла.
На рисунке 1 показан механизм иглы, в котором применен кривошипно-шатунный механизм. Кривошипом 3 является цилиндрический диск, который жестко закрепляется на главном валу 2 и вращается вместе с ним. На палец кривошипа 4 надет шатун 5, который представляет собой стержень с двумя головками. Верхнюю головку шатуна 5а надевают на палец кривошипа, а нижнюю головку шатуна 5б соединяют с пальцем поводка 6, который играет роль ползуна. Игловодитель 7 вставлен в поводок и закреплен установочным винтом. Игла 9 крепится в игловодителе при помощи прижимного винта 8.
Основные звенья кривошипно-шатунного механизма: кривошип , шатун и ползун .
Кривошип жестко закреплен на валу, совершает вращательное движение и является ведущим звеном. Шатун является связующей деталью между кривошипом и ползуном, соединение с ними подвижно-шарнирное, он совершает колебательные движения и является передаточным звеном. Ползун совершает возвратно-поступательное движение, которое посредством жесткого разъемного соединения передается игловодителю с иглой, он является ведомым звеном.
Механизм двигателя ткани.
Механизм двигателя ткани (рис. 2) состоит из трех узлов: узла горизонтального перемещения, узла вертикального перемещения и узлалапки.

Рис2а

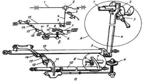
Рис. 2. Механизм двигателя ткани:
А - эксцентриковый механизм, Б — кулачковый механизм, а — механизм двигателя ткани, б — кинематическая схема механизма: 1— главный вал, 2— эксцентрик, 3— регулятор строчки, 4— шатун-вилка, 5 коромысло, 6— винт, 7—качающийся валик, 8—кулачок, 9—вилка, 10—вал подъема, 11—коромысло, 12—ролик, 13—вилка рычага, 14—зубчатая рейка, 15—вал продвижения.

В узле горизонтального перемещения используется эксцентриковый механизм (рис. 2, а), который служит для преобразования вращательного движения в возвратно-поступательное или колебательное.
Основным звеном данного механизма является эксцентрик — круглый диск, ось вращения которого не совпадает с его геометрической осью. На рисунке 3 показана общая схема эксцентрикового механизма. При вращении главного вала 1 наиболее утолщенный участок эксцентрика будет перемещаться по окружности по движению часовой стрелки. На рисунке он обращен вниз (I), влево (II), вверх (III) и вправо (IV). Как видно, схема движения эксцентрика сходна со схемой движения кривошипа и его пальца. Шатун 4 и его головка 3, надетая на эксцентрик 2, совершает колебательные движения. Ползун 5 совершает прямолинейные движения вверх и вниз по направляющим 6.
В швейной машине к узлу горизонтального перемещения (рис. 2) относится вал продвижения 15. Коромысло вала 5, соединенное с нижней головкой шатуна-вилки 4, получает движение от главного вала 1 через эксцентрик 2. При вращении главного вала шатун-вилка совершает колебательное движение. Шатун поднимается, и вместе с ним поднимается коромысло 5, поворачивая вал продвижения против часовой стрелки. Рычаг 13, закрепленный на левом конце вала, отклоняется вместе с валом и продвигает зубчатую вилку от работающего. Продольное перемещение рейки 14 регулируется с помощью рычага регулятора строки 3, который соединен с шатуном через шарнирный винт и одетый на него ползун. Ползун, в свою очередь, вставлен в паз рычага регулятора строчки. Опуская или поднимая рычаг, мы изменяем величину поворота шатуна, что приводит к большому повороту вала продвижения, т. е. увеличивается продольное перемещение рейки и, следовательно, длина стежка.
Эксцентриковый механизм
Эксцентриковый механизм состоит из эксцентрика, шатуна-вилки и коромысла.
Эксцентрик жестко закреплен на валу и совершает вращательное движение, является ведущим звеном. Шатун-вилка (как и в кривошипно-шатунном механизме) совершает колебательные движения, соединение эксцентрика с шатуном и шатуна с коромыслом — подвижное. Коромысло жестко закреплено на валу продвижения и совершает колебательные движения, является ведомым звеном.
В узле вертикального перемещения применен кулачковый механизм, который служит для преобразования вращательного движения в сложное повторяющееся, совершающееся по определенному замкнутому циклу. Основной деталью данного механизма является кулачок (различают кулачки плоские (дисковые) и цилиндрические). При колебательных движениях (рис. 2, б) качающегося валика 7 кулачок 8 нажимает на рожки вилки 9, которые его охватывают. Вилка поворачивается вместе с валом подъема 10, поднимающим коромысло 11, на конце которого находится ролик 12, вставленный в вилку рычага двигателя ткани 13. При подъеме рычаг давит на верхний рожок вилки и поднимает его вместе с рейкой. Вал подъема получает движение от главного вала и качающегося валика, который, в свою очередь, получает движение от коленчатого вала через шатун. Его конструкция позволяет регулировать высоту подъема рейки в зависимости от толщины стачиваемых тканей.
1.3. Технология выполнения ручных и машинных швов,
деталей и швейных узлов изделий.
В этот раздел входит материал, связанный непосредственно с пошивом одежды, декоративно-прикладных изделий. Выполнение швейных операций производится по определенным правилам, которые в швейной промышленности называются стандартами. Они включают терминологию ручных, машинных швов, деталей и узлов, припуски на швы, последовательность изготовления швейных изделий.
Меняется мода, создаются новые ткани, швейное оборудование, и поэтому технология изготовления одежды также претерпевает изменения, становится более современной. За основу берутся приемы быстрого шитья, в которых исключаются некоторые подготовительные операции, как, например, приложение «силков», сметывание. Ускоряется процесс пошива изделий за счет применения булавок и меловых линий.
На этот раздел в 5—9 классах отводится следующее количество учебных часов:
Класс .................................................... 5 6 7 8 9
Количество учебных часов:
занятия ........................................... 12 14 14 14 6
зачет ................................................. 2 2 2 2 2
В этом разделе даются только те ручные, машинные швы, унифицированные детали и узлы, которые обеспечивают качественное изготовление швейных изделий и выполнение самостоятельной работы — творческого проекта.
Предварительная проработка на образцах из ткани по инструкционным картам, данным в учебниках «Технология обработки ткани, 5, 6, 7—9», улучшает усвоение материала, дает возможность для самостоятельного изготовления швейного изделия.
Учащиеся осваивают приемы быстрого шитья (без сметывания стежками временного назначения), и таким образом ускоряется процесс изготовления различных изделий. Технология изготовления одежды подобрана с учетом возрастных особенностей учащихся, а преемственность и последовательность изложения материала от года к году позволяют разнообразить перечень изделии от простых до достаточно сложных, включая даже оригинальные комплекты одежды.
Каждый учитель может дать только тот необходимый объем материала по данному разделу, который позволит качественно выполнить творческую работу. Можно исключить или включить по своему усмотрению другие виды швов, деталей и узлов исходя из поставленных проектных задач, объектов выполнения.
Работа с инструкционными картами позволяет сократить время на конспектирование в рабочих тетрадях учащихся; освобождается время на выполнение практической работы. Урок проводится по таким этапам:
объяснение теоретического материала, показ образцов выполняемой работы, объяснение цели работы, ее необходимости в последующей деятельности, последовательности выполнения швейных операций;
прочтение учащимися по пунктам хода выполнения практической работы с записью в рабочей тетради и на доске в виде графических изображений, например:
Практическая работа по выполнению стачного шва вразутюжку 1. Выкраивают две детали размером 15×20 мм. 2. Складывают две детали лицевыми сторонами внутрь, совмещают срезы, скалывают булавками и намечают меловую линию для машинной строчки на расстоянии 20 мм от среза.
|
Рисунки изображают то, что учащиеся в ходе работы должны увидеть на рабочем столе.
Закрепление материала проводится при опросе учащихся у доски и повторении материала в соответствии с графическим конспектом хода работы.
Теоретическое объяснение материала проводится неоднократно, выясняются затруднения в выполнении работы, формируются навыки самостоятельности при пошиве образцов.
При работе с образцами повторяются правила безопасной работы с такими инструментами, как ножницы, игла, булавки, утюг, швейная машина. Отрабатываются приемы работы на швейной машине, а также приемы раскроя (направление долевой нити, припуски на швы).
В качестве образцов лучше использовать хлопчатобумажный лоскут. Нитки подбирать по цвету ткани.
Готовые образцы проутюживают, выравнивают (подрезают ножницами) и прикрепляют в альбом ручными стежками. Клей лучше не использовать, поскольку тогда невозможно видеть образцы с обратной стороны при самостоятельном пошиве изделий.
По окончании изучения данного раздела проводится зачет, для которого необходимо представить все выполненные образцы и ответить письменно на контрольные вопросы.
1.3.1. Перечень выполняемых работ
5 класс — стачной шов вразутюжку; стачной шов взаутюжку; шов вподгибку с открытым срезом; шов вподгибку с закрытым срезом; накладной шов (накладной карман); подкройная обтачка горловины; присбаривание ткани машинным способом; ручные стежки и строчки; обработка срезов руликом (по косой нити).
6 класс — настрочные и расстрочные швы; обработка вытачек; обработка застежки-молнии; обработка притачного пояса и выполнение обметочных петель; притачивание пояса; обработка кармана; обработка складок и кокетки.
7 класс — цельнокроеная планка; подкройная планка; обработка воротника; втачивание воротника в горловину; обработка низа рукава замкнутой манжетой; втачивание рукава в открытую пройму; обработка сложных накладных карманов; разметка и выполнение обметочных петель.
8 класс — цельнокроеный подборт; подкройной подборт; обработка обтачных петель; прорезной карман в рамку; втачивание рукава с посадкой в пройму; обработка низа рукава притачной манжетой с застежкой; разметка и выполнение обтачных петель; обработка низа швейного изделия.
9 класс — шлица; прорезной карман с листочкой; обработка и втачивание воротника-банта в горловину.
1. 3. 2. Технология обработки швейных изделий.
При обработке швейных изделий наибольшее число работ составляют задания по соединению деталей машинными строчками. В результате соединения двух или нескольких слоев материала строчкой получается шов. Соединение деталей на стачивающих машинах происходит за счет двух переплетающихся нитей: нити иглы и нити челнока. Кроме ниточного способа, соединение может быть выполнено и другими способами: клеевым, сварным, заклепочным и литьевым.
Клеевое соединение образуется за счет взаимодействия клеящего вещества (клеевого порошка, клеевой нити, клеевой пленки) со склеиваемым материалом химическим или термическим способом.
Сварное соединение образуется сваркой термопластических материалов на ультразвуковых или высокочастотных установках.
Заклепочное соединение образуется с помощью специальной фурнитуры механическим или термическим способом.
Литьевое соединение происходит за счет термической пластификации синтетических волокон материала.
Основным средством соединения деталей швейных изделий являются машинные ниточные швы. К машинным швам предъявляются высокие промышленные и потребительские требования.
К потребительским требованиям к швам относятся внешнее оформление шва, ровность строчки, ширина шва, равномерность частоты стежков, плотность их затягивания, цельность строчки, отсутствие слабины или натянутости материала по линии шва, прочность и др.
Промышленные требования к швам определяются расходом ткани и материала на швы (припуски на швы и подгиб), трудоемкостью выполнения.
Качество выполнения швов зависит от соблюдения технических условий выполнения операций: ширины шва, числа строчек и расстояния между ними, частоты стежков, затягивания их в строчке, номера ниток и игл.
При пошиве изделий на швейной машине необходимо выполнять следующие условия:
перед началом работы на лоскуте ткани регулировать натяжение верхней и нижней нитей, чтобы с обеих сторон детали оно было одинаковым;
перед стачиванием детали сметывать или скалывать булавками, машинную строчку прокладывать по меловой линии (намеченной ранее) или рядом с наметочной строчкой на расстоянии 1 мм в сторону шва;
детали изделия или изделие располагать с левой стороны от работающего, а припуски на швы — с правой стороны;
начало и конец прямой машинной строчки закреплять закрепкой, используя рычаг обратного хода;
точно выдерживать припуски на швы, для этого предварительно уточнять припуски после примерки, отмечая мелом или мылом линии стачивания;
стачивание деталей с разными припусками на швы выполнять со стороны меньшего припуска;
при соединении двух деталей из тканей разной толщины снизу располагать деталь из толстой ткани;
обрабатывать все срезы открытых швов;
строчку стачивания производить по присборенной стороне детали (при стачивании детали со сборкой);
на припусках швов, имеющих криволинейную форму (горловина, проймы, воротники), делать рассечки, не доходящие до машинной строчки на 1—2 мм;
при обтачивании деталей (пояса, воротника, манжеты) припуски на швы в углах подрезать таким образом, чтобы не образовывались излишки ткани.
1. 4. Санитарно-гигиенические требования и правила техники
безопасности при работе на швейной машине .
Санитарно-гигиенические требования и правила техники безопасности
при работе на швейной машине .
1. Сидеть за машиной надо прямо, на всей поверхности стула, слегка наклонив корпус и голову вперед.
2. Свет должен падать на рабочую поверхность с левой стороны или спереди.
3. Стул должен стоять так, чтобы игла находилась прямо пред вами.
4. Расстояние между работающим и машиной должно составлять 10-15 см.
5. Все необходимые инструменты должны лежать в ящике машины, а на платформе – только ткань или изготавливаемое изделие.
6. Перед началом шитья на машине в изделии не должно находиться булавок или игл.
7. Нельзя близко наклоняться к движущимся частям машины. Необходимо следить за правильным положением рук.
Правила техники безопасности при выполнении машинных работ.
а) Опасности в работе:
попадание волос или концов одежды во вращающиеся
поражение электрическим током;
повреждение пальцев иглой;
части швейной машины.
б) Что нужно сделать до начала работы:
проверить перед соединением деталей, не осталось ли
в них ручная игла или булавка;
проверить исправность машины;
застегнуть манжеты рукавов.
в) Что нужно делать во время работы:
установку шпульного колпачка, заправку верхней
нитки производить при выключенной машине;
не класть ножницы и другие инструменты около
вращающейся частей машины;
не передавать ножницы, изделие или детали
при включенной машине.
г) Что нужно сделать по окончании работы:
выключить машину;
убрать рабочее место.
Глава II . Методика обучения работе на швейной машине в 5-6 классах
2.1. Методика обучения при изучении темы «Машинные швы».
Методика обучения на уроках технологии.
Активизация познавательной деятельности учащихся.
При изучении темы «Машинные швы» учащиеся знакомятся с классификацией швов, с их условными и графическими изображениями, осваивают последовательные этапы выполнения шва. Наиболее эффективное усвоение материала учащимися достигается не репродуктивным методом обучения, когда идет запоминание и воспроизведение сообщаемой информации, а проблемно-поисковым методом обучения. Организация работы учащихся на уроке может быть и индивидуальной, и групповой (они сами могут выбирать). Степень сложности постановки задачи при изучении каждого нового шва должна повышаться.
Способы проверки знаний учащихся могут быть в виде тестов, контрольных вопросов, а также в виде вопросов, которые составили сами учащиеся после изученного материала. Такой способ проверки знаний удачно подходит при групповой работе учащихся. Группа заполняет технологическую карту, изготавливает шов, составляет вопросы и задает их другим группам, а для учителя это способ выявить, насколько правильно и глубоко учащиеся усвоили пройденную тему урока.
Образец технологической карты
| Название шва |
| Вид шва |
Графическое изображение |
Условное изображение |
Выполнение шва |
Образец шва |
Применение шва |
5 класс
При изучении первого шва учащиеся заполняют технологическую карту вместе с учителем, но графу применение шва учащиеся заполняют сами, потом сравнивают с образцом.
Технологическая карта
Название шва |
Стачной |
Вид шва |
соединительный |
Графическое изображение |
![]() |
Условное изображение |
![]() |
Выполнение шва |
Две детали сложить лицевыми сторонами внутрь, срезы уровнять, сметать и стачать 1см. от края. |
Образец шва |
|
Применение шва |
Для соединения деталей, приблизительно равных по величине. |
При изучении швов вподгибку с открытым и закрытым срезами, учащиеся по образцам и названиям швов сами определяют, где, какой шов. В технологической карте графу название шва, условное изображение шва и применение шва учащиеся заполняют самостоятельно. После заполнения технологической карты и выполнения швов, учащиеся сравнивают с образцом.
Технологическая карта
| Название шва | Шов вподгибку с открытым срезом | Шов вподгибку с закрытым срезом |
| Вид шва | краевой | краевой |
Графическое изображение |
|
|
Условное изображение |
|
|
Выполнение шва |
Край детали подогнуть на изнаночную сторону на 7мм, заметать и застрочить на 2мм. от сгиба. |
Край детали подогнуть на изнаночную сторону на 7мм, затем подогнуть второй раз на 10мм, заметать и застрочить на 1мм от первого сгиба. |
Образец шва |
Технологическая карта
| Название шва | Шов вподгибку с открытым срезом | Шов вподгибку с закрытым срезом |
| Вид шва | краевой | краевой |
| Графическое изображение |
|
|
Условное изображение |
|
|
| Выполнение шва | Край детали подогнуть на изнаночную сторону на 7мм, заметать и застрочить на 2мм. от сгиба. | Край детали подогнуть на изнаночную сторону на 7мм, затем подогнуть второй раз на 10мм, заметать и застрочить на 1мм от первого сгиба. |
| Применение шва | Для обработки края детали. | Для обработки края детали. |
6 класс
Работа учащихся в группах.
Класс делится на группы, каждой группе выдается технологическая карта, частично заполненная, и образец шва (варианты могут быть разные). Группа самостоятельно заполняет карту, и каждый в группе изготавливает шов, затем выбирают наиболее удачно выполненный шов и помещают его в графу «Образец шва». Группа сама себя оценивает, сравнив свою технологическую карту с образцом.
Технологическая карта
| Название шва | Накладной |
| Вид шва | ? |
Графическое изображение |
|
Условное изображение |
|
Выполнение шва |
Край детали подогнуть на изнаночную сторону на 10мм, затем эту деталь наложить на лицевую сторону другой детали, наметать и настрочить 5мм от сгиба. |
Образец шва |
|
Применение шва |
Для соединения деталей, закрепления припусков шва. |
Технологическая карта образец
| Название шва | Накладной |
| Вид шва | Соединительный |
Графическое изображение |
|
Условное изображение |
|
| Выполнение шва | Край детали подогнуть на изнаночную сторону на 10мм, затем эту деталь наложить на лицевую сторону другой детали, наметать и настрочить 5мм от сгиба. |
Образец шва |
|
| Применение шва | Для настрачивания тесьмы, планок, карманов на основную деталь. |
Технологическая карта группа №
| Название шва | Настрочной |
| Вид шва | ? |
| Графическое изображение | ![]() |
| Условное изображение | ? |
| Выполнение шва | Две детали сложить лицевыми сторонами внутрь, срезы уровнять, сметать и стачать 10мм от края, затем детали разложить, а припуски шва заутюжить и с лицевой стороны настрочить 5мм от сгиба. |
| Образец шва | |
| Применение шва | Для соединения деталей, закрепления припусков шва. |
Технологическая карта образец
| Название шва | Настрочной |
| Вид шва | Соединительный |
Графическое изображение |
|
Условное изображение |
|
Выполнение шва |
Две детали сложить лицевыми сторонами внутрь, срезы уровнять, сметать и стачать 10мм от края, затем детали разложить, а припуски шва заутюжить и с лицевой стороны настрочить 5мм от сгиба. |
Образец шва |
|
Применение шва |
Для соединения деталей, закрепления припусков шва. |
Технологическая карта
| Название шва | Запошивочный |
| Вид шва | соединительный |
Графическое изображение |
|
Условное изображение |
|
Выполнение шва |
Две детали сложить лицевыми сторонами внутрь так, чтобы один край детали выступал на 10мм, загнуть выступающий край детали на другую деталь, заметать и застрочить на 1мм от среза. Детали разложить, а припуск шва заутюжить, закрывая срез, заметать и застрочить 1мм от первого сгиба. |
Образец шва |
![]() |
| Применение шва | Для соединения деталей и закрепления припусков шва |
Технологическая карта образец
| Название шва | Запошивочный |
| Вид шва | Соединительный |
Графическое изображение |
|
Условное изображение |
![]() |
| Выполнение шва | Две детали сложить лицевыми сторонами внутрь так, чтобы один край детали выступал на 10мм, загнуть выступающий край детали на другую деталь, заметать и застрочить на 1мм от среза. Детали разложить, а припуск шва заутюжить, закрывая срез, заметать и застрочить 1мм от первого сгиба. |
Образец шва |
|
| Применение шва | Для соединения деталей нательного и постельного белья, спецодежды. |
Технологическая карта
| Название шва | Расстрочной |
| Вид шва | соединительный |
Графическое изображение |
|
Условное изображение |
|
Выполнение шва |
Две детали сложить лицевыми сторонами внутрь, срезы уровнять, сметать и стачать на 10 мм от края, затем детали и припуски шва разложить и разутюжить, расстрочить с лицевой стороны на 5мм от шва. |
Образец шва |
|
Применение шва |
Для соединения деталей и закрепления припусков шв |
Технологическая карта образец
| Название шва | Расстрочной |
| Вид шва | соединительный |
Графическое изображение |
|
Условное изображение |
|
Выполнение шва |
Две детали сложить лицевыми сторонами внутрь, срезы уровнять, сметать и стачать на 10 мм от края, затем детали и припуски шва разложить и разутюжить, расстрочить с лицевой стороны на 5мм от шва. |
Образец шва |
|
Применение шва |
Для соединения деталей и закрепления припусков шва. |
2. 2. Планы конспектов уроков по
У Р О К 1-2.
Р а з д е л: М а ш и н о в е д е н и е.
Т е м а: РЕГУЛЯТОРЫ ШВЕЙНОЙ МАШИНЫ
К л а с с: 6
Ц е л и:
1. Ознакомить учащихся с причинами возникновения дефектов машинной
строчки;
2. Научить устранять дефекты плохой строчки;
4. Воспитывать аккуратность и терпение, эстетический вкус;
5. Прививать навыки культуры труда;
6. Развивать координацию движения рук, исполнительские умения.
О б о р у д о в а н и е: швейная машина, учебник набор ручных инструментов, кусочки различной ткани, плакаты, образцы плохих строчек.
Т и п у р о к а: Изучение нового материала.
Л и т е р а т у р а:
М е с т о п р о в е д е н и я: кабинет.
Х о д у р о к а
I. О р г а н и з а ц и о н н ы й м о м е н т.
а) проверка готовности учащихся к уроку
б) приветствие
в) организация рабочего места
II. П о в т о р е н и е п р о й д е н н о г о м а т е р и а л а.
Устный о п р о с.
В о п р о с ы для закрепления:
1) По каким признакам можно определить лицевую и изнаночную стороны
ткани?
2) У какой ткани лицевая сторона определяется так же, как у
гладкокрашеной?
3) Перечислите, какие ткацкие дефекты относятся к основным?
4) Дайте определения: «утолщенная нить», «непропечатанные места».
III. А к т у а л и за ц и я о п о р н ы х з н а н и й.
1. П о в т о р е н и е п р а в и л по технике безопасности и санитарно-
гигиенических требований при работе на швейной машине.
В о п р о с ы д л я п о в т о р е н и я:
- Как должен падать свет при работе на швейной машине?
- Как правильно сидят за швейной машиной?
- Что предшествует началу работы на швейной машине?
- Чего следует опасаться во время работы на швейной машине?
- Что вы должны сделать по окончании работы на швейной машине?
- Как правильно организовать свое рабочее место?
2. О з н а к о м л е н и е учащихся с историей развития швейной
промышленности.
– Слушаем сообщения учащихся об истории возникновения швейных машин.
Швейная машина соединяет детали одежды ниточным швом, выполняет декоративную строчку, вышивку, обметывает края материала и т. п.
Первая швейная машина создана в Великобритании в 1755 году.
Различают швейные машины челночной (двухниточной) и цепной (однониточной) строчки; стежок может быть видимым или потайным.
Швейная промышленность в России получила широкое распространение в 1977 году и составила на этот период 20,6 млрд. рублей.
Среди зарубежных стран швейная промышленность развита в Германии, США, Польше, Венгрии, Великобритании, Франции и др.
– С какими основными приемами работы на швейной машине вы знакомы?
– Какие операции вы выполняли на швейной машине?
IV. И з у ч е н и е н о в о г о м а т е р и а л а.
О б ъ я с н е н и е у ч и т е л я п о т е м е «Регуляторы швейной машины»:
1. Ознакомление учащихся с регуляторами длины стежка, регулятором
натяжения верхней (игольной) нити, регулятором натяжения нижней (челночной) нити.
2. Характеристика правильной, качественной машинной строчки.
У ч и т е л ь. Перед тем как выполнить машинные работы, необходимо проверить качество строчки (показывает образец качественной строчки).
- Какую строчку можно назвать качественной, глядя на этот образец? (Ответы учащихся.)
Качественной считается такая строчка, у которой переплетение нижней и верхней ниток происходит между соединяемыми материалами.
- Давайте попробуем выполнить образец машинной строчки на ваших рабочих местах.
- Рассмотрите полученные строчки, охарактеризуйте, почему у некоторых из вас оказались некачественные строчки. Определите причину. (Не отрегулировано натяжение верхней или нижней ниток.)
3. Показ учащимся образцов плохой строчки: слабая строчка, тугая строчка, строчка петляет снизу, строчка петляет сверху. Выяснение причин возникновения дефектов строчек и объяснение путей устранения этих дефектов.
V. П р а к т и ч е с к а я р а б о т а. (№5 «Регулировка качества машинной строчки». С. 24.
Изученный материал закрепляется практической работой.
VI. З а к р е п л е н и е и з у ч е н н о г о м а т е р и а л а.
Ф р о н т а л ь н ы й о п р о с.
В о п р о с ы для закрепления (по вопросам можно сделать на карточки):
1) Какая строчка считается качественной?
2) Как отрегулировать строчку, если строчка петляет сверху?
3) Как отрегулировать строчку, если строчка петляет снизу?
VII. А н а л и з и о ц е н к а у р о к а.
Учитель анализирует урок, делает необходимые замечания, проверяет выполненную работу, выставляет оценки.
VIII. И т о г у р о к а.
- Что нового узнали об устройстве швейной машины и способах работы на ней?
- Объясните, как будете устраивать различные дефекты машинной строчки.
IX. Д о м а ш н е е з а д а н и е:§ 4; знать основные понятия по теме
урока; ответить на вопросы 1-4 (с.24). В рабочей тетради выполнить
таблицу 4 «Причины возникновения и способы устранения дефектов
машинной строчки», с.23
У Р О К 3-4.
Р а з д е л: М а ш и н о в е д е н и е.
Т е м а: УСТРОЙСТВО И УСТАНОВКА МАШИННОЙ ИГЛЫ. ПОДБОР
ИГЛЫ И НИТОК В ЗАВИСИМОСТИ ОТ ВИДА ТКАНИ.
К л а с с: 6
Ц е л и:
1. Ознакомить учащихся с разновидностью и номерами швейных ниток;
2. Научить учащихся правильному подбору иглы для шитья,
последовательности и правильности установки её в машину;
4. Воспитывать аккуратность и терпение, эстетический вкус;
5. Прививать навыки культуры труда;
6. Развивать координацию движения рук, исполнительские умения.
О б о р у д о в а н и е: швейная машина, учебник, набор ручных инструментов, плакаты, образцы номеров иголок и швейных ниток, лоскуты любой ткани, семь лоскутков из х/б ткани.
Т и п у р о к а: Изучение нового материала.
Л и т е р а т у р а:
М е с т о п р о в е д е н и я: кабинет.
Х о д у р о к а
I. О р г а н и з а ц и о н н ы й м о м е н т.
а) проверка готовности учащихся к уроку
б) приветствие
в) организация рабочего места
У ч и т е л ь. Сегодняшний урок хочу начать со стих-я, которое, на мой взгляд, характеризует и правильное отношение каждого человека к трудовой деятельности, и отражает важное значение инструментов и материала в швейном деле.
(Учитель читает стихотворение.)
Н и т к а и и г о л к а
Хвалилась нитка средь заплат:
«Я с вас не требую зарплат,
Все делаю бесплатно,
Смотрите: все залатано.
К мешку, рубашке иль белью
Из вас любую я пришью,
А без меня бы никогда
Вы не годились никуда»
Тут в стороне иголка
Отозвалась негромко:
«Ты, правда, дырки зашиваешь,
Да только, жалко, забываешь,
Что если б не было меня,
Какая польза от тебя?»
В жизни бывают типы людей:
Один поскромнее, другой понаглей,
Итоги работы зависят у них
От вклада усилий и тех и других.
Но скромный работник не любит хвалиться,
Он добросовестно будет трудиться,
А наглый, бессовестный, лодырь, хапуга
Припишет себе чужие заслуги.
II. П о в т о р е н и е п р о й д е н н о г о м а т е р и а л а.
Устный о п р о с.
-Покажите на доске графическое изображение дефектов:
а) тугая строчка;
б) строчка петляет сверху;
в) слабая строчка
г)строчка петляет снизу;
В о п р о с ы для закрепления:
1) Какие причины вызывают эти дефекты машинной строчкой?
2) Какими способами будете их устранять?
3) Охарактеризуйте качественную строчку.
4) Как отрегулировать натяжение челночной (нижней) нитки?
5) От чего зависит длина стежка?
III. И з у ч е н и е у с т р о й с т в а и у с т а н о в к и машинной иглы.
1.О з н а к о м л е н и е учащихся с видами машинных игл, их назначением,
изучение строения машинной иглы, правил подбора номеров игл и ниток в
зависимости от ткани и выполняемых работ, правил установки иглы в
машину: п о к а з о с н о в н ы х н е п о л а д о к, возникающие из-за иглы и
неправильной её установки.
2. П р а к т и ч е с к а я р а б о т а. (таблица №5 С. 26)
- рассказ и показ правила подбора номера иглы и ниток в зависимости от свойств ткани (толщины, плотности, отделки) и характера выполняемых работ(сколько деталей сразу соединяют);
- как правильно установить иглу, рассказ о назначении желобков, а также об образовании стежка, взаимодействии иглы и челнока и как происходит переплетение верхней и нижней нитей.
3. Р аз б о р с учащимися неполадок в работе швейной машины из-за неправильной установки иглы и ее неисправностей по таблице 7, с.28
4. О б ъ я с н е н и е и п о к а з последовательности и правильных приемов
установки иглы в иглодержатель:
- поворотом махового колеса поднять игловодитель в крайнее верхнее положение;
- снять ногу с педали; ослабить винт иглодержателя;
- установить иглу в иглодержатель до упора, соблюдая правильность установки и направления короткого и длинного желобков иглы, закрепить винт с помощью отвертки.
5. С а м о с т о я т е л ь н а я р а б о т а по таблице 6 « Последовательность установки машинной иглы» с.27.
IV. П р а к т и ч е с к а я р а б о т а №6 «Подбор и установка машинной
иглы».,с.29
О б ъ я с н е н и е у ч и т е л я п о т е м е «Подбор и установка машинной
иглы»:
1. Подобрать номера игл и ниток для соответствующих образцов ткани.
2. Рассмотреть иглу, зарисовать её и записать названия её частей.
3. Установить иглу в иглодержатель.
4. Сложить две детали вместе и сделать выводы: правильно ли подобраны
машинная игла и нитки для данной ткани.
5. Прикрепить образец в рабочей тетради, записать свои выводы.
VI. З а к р е п л е н и е и з у ч е н н о г о м а т е р и а л а.
В о п р о с ы для закрепления (по вопросам можно сделать на карточки):
1) Из каких частей состоит машинная игла?
2) От чего зависит выбор номера иглы и ниток?
3) Какие неполадки в работе шв.машины вызывают плохое качество иглы и неправильная установка?
VII. А н а л и з и о ц е н к а у р о к а.
Учитель анализирует урок, делает необходимые замечания, проверяет выполненную работу, выставляет оценки.
VIII. И т о г у р о к а.
- Почему нужно уметь подбирать иглы и шв.нитки?
- Какой стержень иглы толще – у номера 90 или 120?
IX. Д о м а ш н е е з а д а н и е:§ 5; знать основные понятия по теме
урока; уметь объяснить основные понятия по теме.
У Р О К 5-6.
Р а з д е л: М а ш и н о в е д е н и е.
Т е м а: классификация швейных машин и их устройство.
Цели:
1. Познакомить учащихся с классификацией швейных машин и их устройством. Обучить правилам работы на швейной машине с ножным приводом.
2. Прививать навыки работы в коллективе, помочь почувствовать уверенность в себе и в своих силах.
Оборудование:
- Машины с ручным, ножным и электрическим приводом
- Наборы этикеток с названием деталей.
- Таблицы: «Строение швейной машины», «Санитарно-гигиенические требования при работе на швейной машине».
- Текст с указанием местоположения и функций деталей.
- Инструкции:
- ТБ при работе на швейной машине.
- Подготовка машины к работе.
- Шитьё на машине без ниток.
1. Беседа.
Прежде, чем мы начнем разговор по теме сегодняшнего урока, мне бы хотелось спросить: какие машины вам известны и какое значение они имеют в вашей жизни других людей.
2. Вступительное слово учителя.
Без машины трудно представить сегодняшний день. Жизнь кажется без них невозможной: обувь, одежда, дома, мебель, посуда и т. д. – все это результат деятельности машин, созданных человеком себе в помощь.
Что же такое машина? (Машина – это устройство, которое оказывает человеку помощь в работе: заменяет его руки, ноги, помогает считать, писать, чертить и многое другое).
Швейная машина одна из немногих помогающих человеку. Раньше, лет двести тому назад, вся одежда шилась вручную. Это далеко не лёгкий труд. Вот и появилась необходимость облегчить его.
Первые машины появились в Англии в конце 18 века. Эти машины были несовершенными и малопроизводительными. Постепенно они совершенствовались и приобрели современную форму. До 20 века в России машины не производились. Существовали лишь небольшие мастерские, занимавшиеся сборкой машин из деталей, которые привозились главным образом из-за границы.
Первый завод по производству швейных машин в нашей стране был построен в 1923 году в городе Подольске Московской области. После ВОВ машины стали производиться в Белоруссии, в городе Орше.
Швейная машина значительно облегчила шитьё одежды. При помощи машины работа выполнялась в 50 раз быстрее, чем вручную.
Швейные машины бывают бытовые и промышленные. Промышленные предназначены для швейных фабрик, а бытовые для домашнего обихода.
Вот с устройством и принципами работы бытовых швейных машин нам и предстоит с вами познакомиться.
3. Демонстрация.
В зависимости от того, как приводится в движение швейный механизм, машины подразделяются на ручные, ножные и с электрическим приводом.
Машины состоят из различных деталей, название которых надо знать, чтобы понимать друг друга во время совместной работы. А не называть их «штучками» и прочими неподходящими словами.
4. Работа в группах.
Сейчас мы познакомимся с устройством машин.
Задание №1:
В пакете набор этикеток с названием деталей машины (деталь – изделие, изготовленное из какого-нибудь одного материала; её нельзя разделить на составные части) с ножным приводом. Всего их 20.
Предлагаю разбиться на группы по 3-4 человека и разложить этикетки с названиями на предполагаемые детали. (В данном случае полагаюсь на интуитивный опыт учащихся).
Задание № 2:
Получив письменные пояснения по местоположению деталей и выполняемым ими функциям , попробуйте исправить свои ошибки. Этикетки с названиями ненайденных деталей отложите в сторону. (Как правило, не могут найти только главный вал, скрытый от глаз учеников корпусом машины).
Задание № 3.
Даются схемы строения машины, вывешивается таблица. И вот уже в третий раз слово группам: назовите детали.
Самоконтроль в группах
(этикетки делятся поровну между девочками и каждая, называя детали, получает предварительную оценку группы).
5. Контрольный ответ учителю на оценку.
6. Итог.
Я верил в вас, знала, что вы справитесь. Значит, и шитьё у нас пойдет хорошо. Но перед тем как вы сядете за машины, я сообщу еще вам некоторую информацию и научу приемам безопасной работы на машине.
7. Инструктаж по ТБ:
- Волосы под косынкой.
- Не наклоняться низко к движущимся деталям.
- Сидеть прямо (между машиной и животом – кулачок).
- Руки держать подальше от иглы.
- На платформе – никаких посторонних предметов.
8. Практическая работа на незаправленной швейной машине с ножным приводом.
Возьмите кусочек ткани, сложите её вдвое и подложите под лапку так, чтобы край ткани выступал с правой стороны лапки.
Проколите ткань иглой. Опустите лапку.
Поставьте ноги на педаль (когда не работаем, ноги с педали убирать).
Правой рукой приведите маховое колесо в движение и, почувствовав ногами, куда наклоняется педаль, нажимайте на неё в эту сторону до полного наклона; затем в противоположную, тоже до полного наклона.
Примечание:
Если педаль не довести до полного наклона в одну сторону и начать отклонять её в противоположную, то маховое колесо меняет направление вращения, а это приводит к обрыву верхней нити во время шитья или застреванию её в челночном устройстве.
При правильном нажатии на педаль ткань будет двигаться только в одном направлении (от себя). А если ткань движется то в одну, то в другую сторону, это значит, что качание педали неверное. Упражнение следует начать снова.
Во время работы надо придерживать и направлять полоски ткани, чтобы она не смещалась под лапкой влево или вправо. Это упражнение надо выполнять, пока не будут свободно сочетаться движения ног с работой рук.
9. Закрепление:
- На каких машинах мы сегодня работали?
- Что приводит в движение верхнюю часть машин?
- Мы познакомились с вами со множеством деталей в машинах. Совокупность деталей, собранных воедино, называется механизмом.
- Запишем сегодня названия механизмов и приспособлений, чтобы знать, с чем еще нам предстоит познакомиться, и что еще предстоит изучить более подробно и обстоятельно.
10. Запись в тетрадях:
Механизмы швейной машины.
- Механизм иглы.
- Нитепритягиватель.
- Челночное устройство.
- Механизм продвижения ткани.
Приспособления:
- Регулятор длины стежка.
- Нитенаправители.
- Регулятор натяжения верхней нити.
- Моталка.
11. Домашнее задание : принести ткань, тетради.
Класс 5
У Р О К 5-6.
Р а з д е л: М а ш и н о в е д е н и е.
Классификация и устройство швейных машин. Работа на незаправленной машине
Заключение
В древние времена, когда еще только возникло обучение как передача человеческого опыта, методы обучения в основе своей включали подражание - обряды, ритуалы, танцы, игры. В эпоху средневековья (его первой половины), когда господствовал схоластический характер обучения, преобладали словесные методы, требовалось зазубрить, заучить, воспроизвести и т.п. В период эпохи Возрождения методы обучения переживают изменения вместе с переменами в обществе. В период открытий, изобретений, новшеств буквально во всех сферах общества ведущая роль в обучении отводится методам наглядного обучения, которые позволяют видеть, наблюдать, применять знания и добывать их, находить выход из создавшегося положения.
Сегодня каждый педагог ищет наиболее эффективные пути усовершенствования учебного процесса, повышения заинтересованности учеников и роста успеваемости учащихся. В связи с этим стремлением педагогов повышать качество обучения все настойчивее звучит призыв к переходу с отдельных методик на педагогические технологии.
Поскольку же успех обучения в решающей степени зависит от направленности и внутренней активности обучаемых, от характера их деятельности, то именно характер деятельности, степень самостоятельности и творчества и должны служить важным критерием выбора метода. В процессе обучения метод выступает как упорядоченный способ взаимосвязанной деятельности педагога и учащихся по достижению определенных учебно-воспитательных целей, как способ организации учебно-познавательной деятельности учащихся.
Литература
1. Абрамов, Д. С., Кочегаров, И. И., Юдин, А. М. Азбука домоводства.-М.,
1995. 237 с.
2. Борисова, Е. И. и др. Все о рукоделии.- М.: Внешсигма, 2000 г.
3. Бешенков, А. К., Васильченко, Е. В., Воловиченко А. И. и др. Трудовое
обучение для 4 класса: Пробное учебное пособие для 4 кл.сред.школы.- М.,
1988 г.
4. Бешенков, А. К., Васильченко, Е. В., Воловиченко А. И. и др. Трудовое
обучение для 6 класса: Пробное учебное пособие для 6 кл.сред.школы.- М.,
1989 г.
5. Володина В, Чернова А. Современная энциклопедия. Том «Мода и стиль».-
М.:Аванта + ,2002.-476 с.
6. Грекулова, А.Л. Краткая энциклопедия домашнего хозяйства.- М.:
Советская энциклопедия, 1979. 1408 с.
7. Егорова, Р.И., Монастырская, В.П. Учись шить: книга для учащихся
ср.школ.возраста.- 2-е изд.-М.:Просвещение,1989.160 с.
8. Журнал «Вокруг света».- №11(ноябрь).-1980.
9. Зюзин, А.И. Бытовая швейные машины.- Смоленск: Русич,1997.576 с.
10. Пожидаева С.П. Курсовые и выпускные квалификационные работы. –
Бирск,2007г.
11.Программа средней общеобразовательной школы по трудовому обучению(1988).
12.Рейбарх,Л.Б . Рассказы о швейных машинах.-М.,1986.
13. Симоненко, Ю. В, Крупская, О.А., Синица, Н. И. и др. Технология:Учебник для 5 класса общеобразовательных школ.
14. Симоненко, Ю. В, Крупская, О.А., Синица, Н. И. и др. Технология:Учебник для 6 класса общеобразовательных школ.
15. Соловьянюк В.Г. Подготовка учителя технологии. – Бирск, 2005г.
16. Соловьянюк В.Г. Внеклассная работа по технологии.- Бирск, 2007г.
17.Чернякова В.Н. Технология обработки ткани. 5 класс.- М.:Просвещение,2001.-160с.
18.Чернякова В.Н. Технология обработки ткани. 6 класс.- М.:Просвещение,2002.-207с.
ПРИЛОЖЕНИЕ
Порядок заправки верхней и нижней нитей


Правила Техники безопасности при заправке нитей швейной машинки щвейной машинкой
- Сидеть на стуле перед ш.м. прямо, на расстоянии 10-15 см от края стола. Неправильная рабочая поза нарушает осанку, вызывает быструю утомляемость и вредит работе органов пищеварения.
- При работе на ш.м. волосы убрать под косынку, застегнуть пуговицы рукавов одежды.
- Убрать с машины посторонние предметы.
- Следить за правильным положением рук.
- Держать иглы и булавки только в игольнице.
- Не оставлять ножницы открытыми. Передавать их, держа за замкнутые лезвия, ручками вперед.
- Обрезать нитки только ножницами.
- Если игла сломалась, найти сломанные части и отдать учителю.
- Не пользоваться ржавыми иглами.
Заправка верней нити

1. Нитенаправитель
2. Регулятор натяжения верхней нити
3. Компенсационная пружина.
4. Нитепритягиватель
5. Нитенаправитель
6. Крючок нитенаправителя
7. Игла
Верхняя нить – это нить, которая проходит от катушки к игольному ушку. Перед заправкой верхней нити нужно поднять прижимную лапку , затем вращением махового колеса установить иглу и рычаг нитепритягивателя в крайнее верхнее положение.
Заправка верхней нити производится следующим образом:
Катушку ниток ставят на катушечный стержень.
Нить от катушки проводят через верхний нитенаправитель к регулятору натяжения верхней нити. Пропускать нитенаправитель нельзя, потому что нить должна войти в регулятор натяжения под определенным углом.
Затем прокладывают нить между шайбами регулятора натяжения, огибая регулятор снизу. Заводя нить вверх за нитенаправительный крючок неподвижной шайбы регулятора натяжения, а затем в ушко компенсационной пружины и в глазок нитепритягивателя.
Проводят нить через два нижних нитенаправителя и заправляют в ушко иглы со стороны длинного желобка.
После заправки верхней нити следует вытянуть наверх нижнюю нить из ШК (конечно, если он уже установлен). Для этого, придерживая левой рукой конец нити из ушка иглы, но не натягивая нить, поворачивают на себя маховое колесо , чтобы игла с нитью сначала опустилась в отверстие игольной пластины, захватила там нить, выходящую из ШК, а затем опять поднялась в свое верхнее положение. После этого нужно потянуть за конец верхнюю нить и через отверстие в игольной пластине вытянуть нижнюю наверх . Концы обеих нитей вытягивают на 7-8 см и укладывают под прижимную лапку . На этом подготовка машины к шитью заканчивается .

1. Шпульный колпачок
2. Шпулька
3. Накладная пластина
4. Прижимной винт
5. Пластинчатая пружина
6. Прижимной винт
7. Кольцо
8. Челнок
ЗАПРАВКА ВЕРХНЕЙ НИТИ
Верхняя нить – это нить, которая проходит от катушки к игольному ушку. Перед заправкой верхней нити нужно поднять прижимную лапку , затем вращением махового колеса установить иглу и рычаг нитепритягивателя в крайнее верхнее положение.
Заправка верхней нити производится следующим образом:
Катушку ниток ставят на катушечный стержень.
Нить от катушки проводят через верхний нитенаправитель к регулятору натяжения верхней нити. Пропускать нитенаправитель нельзя, потому что нить должна войти в регулятор натяжения под определенным углом.
Затем прокладывают нить между шайбами регулятора натяжения, огибая регулятор снизу. Заводя нить вверх за нитенаправительный крючок неподвижной шайбы регулятора натяжения, а затем в ушко компенсационной пружины и в глазок нитепритягивателя.
Проводят нить через два нижних нитенаправителя и заправляют в ушко иглы со стороны длинного желобка.
После заправки верхней нити следует вытянуть наверх нижнюю нить из ШК (конечно, если он уже установлен). Для этого, придерживая левой рукой конец нити из ушка иглы, но не натягивая нить, поворачивают на себя маховое колесо , чтобы игла с нитью сначала опустилась в отверстие игольной пластины, захватила там нить, выходящую из ШК, а затем опять поднялась в свое верхнее положение. После этого нужно потянуть за конец верхнюю нить и через отверстие в игольной пластине вытянуть нижнюю наверх . Концы обеих нитей вытягивают на 7-8 см и укладывают под прижимную лапку . На этом подготовка машины к шитью заканчивается.

1. Нитенаправитель
2. Регулятор натяжения верхней нити
3. Компенсационная пружина
4. Нитенеправитель
5. Нитепритягиватель
6. Крючок нитенаправителя
7. Игла
ЗАПРАВКА НИЖНЕЙ НИТИ

1. Шпульный колпачок
2. Шпулька
3. Накладная пластина
4. Прижимной винт
5. Пластинчатая пружина
6. Прижимной винт
7. Кольцо
8. Челнок
ШК предназначен для того, чтобы разместить шпульку с ниткой внутри челночного механизма и обеспечить свободный выход из него нижней нитки. ШК представляет собой металлическую чашечку, на боковой поверхности которой имеется косая прорезь для нитки, а внутри шпиндель, на который надевается шпулька.
Заправка ШК. Прежде чем приступить к заправке ШК, необходимо проверить, чтобы нитки на шпульке были намотаны ровно и плотно.
Порядок заправки нижней нити:
- Возьмите ШК в левую руку и вставьте в него шпульку с нитью: Шпульку нужно держать таким образом, чтобы нить свешивалась в направлении, противоположном направлению косой прорези и чтобы конец нити располагался ближе к внутренней щечке шпульки. Это облегчает заправку нити.
- Протяните нить правой руки через косую прорезь под прижимную пружину, а затем в небольшую прорезь на конце пружины. Проследите за тем, чтобы при протягивании нити не сдвинулась прижимная пружина.
- Потяните за конец нити и убедитесь в том, что нить выходит из ШК с небольшим усилием, шпулька вращается свободно, не заедает.
Установка и выемка ШК
Прежде чем установить ШК в механизм челнока, нужно выполнить несколько подготовительных операций.
1. Проворачивая рукой маховое колесо, установите иглу в самое верхнее положение, чтобы она не мешала устанавливать ШК.
2. Отодвиньте задвижную пластинку так, чтобы обеспечить свободный доступ к челночному механизму.
3. Уберите ногу с педали реостата электропривода, выключите машину из сети.
Установка ШК в машину производится следующим образом. Берут заправленный ШК за крылышко защелки и отгибают ее до упора. В этом положении крылышко защелки необходимо держать постоянно указательным и большим пальцами левой руки для того, чтобы шпулька не выпала из ШК. Затем надевают ШК на шпиндель челнока. При этом установочный палец должен войти в соответствующий вырез накладной пластинки механизма челнока. Потом постепенно отпускают крылышко защелки, одновременно прижимая внутрь ШК, пока он не защелкнется.
При выемке ШК сначала отклоняют крылышко защелки до упора, а затем, постоянно удерживая ее большим и указательным пальцами левой руки, вынимают ШК вместе с находящейся в нем шпулькой. Если шпулька выскочила, то не следует пытаться вытащить ее. Гораздо проще снова вставить на место ШК и вновь аккуратно извлечь его вместе со шпулькой.
















