| Похожие рефераты | Скачать .docx |
Дипломная работа: Роль и место физических методов исследования при изучении некоторых разделов химии высокомолекулярных соединений в школе и в вузе
Роль и место физических методов исследования при изучении некоторых разделов химии высокомолекулярных соединений в школе и в вузе
Содержание
Введение
Глава 1. Физические методы исследования в химии
1.1 Химические и физические свойства молекул и веществ
1.2 Классификация физических методов исследования в химии
1.2.1 Спектроскопические методы
1.2.2 Лазерная спектроскопия
1.2.3. Дифракционные методы
1.2.4 Оптические методы
1.2.5 Масс – спектрометрия и спектроскопия электронов
1.2.6 Спектроскопические интерференции
1.2.7 Диэлькометрия и магнетохимия
1.2.8 Интеграция различных физических методов
Глава 2. ФМИ в исследовании ВМС
2.1 Метод изучения релаксации напряжения
2.2 Метод определения динамических механических характеристик эластомеров
2.3 Измерение напряжения при деформации
2.4 Прочность и модуль упругости при изгибе
2.5 Испытания на прочность при ударе
2. 6 Световая (оптическая) микроскопия
2.7 Электронная микроскопия
2.8. Рентгеноструктурный анализ
2.9 Электронография
2.10 Исследование полимеров методом УФ-спектроскопии
2.11. Оптические испытания
2.12 Инфракрасная спектроскопия (FTIR)
Глава 3. Экспериментальная часть
3.1 Мои уроки
Урок 1. Тема урок. Понятие о высокомолекулярных соединениях
Урок 2. Тема. Синтетические волокна
Урок 3. Тема. Распознание пластмасс и химических волокон
3.1.1 Констатирующий срез знаний
3.2 Изложение материала в КБГУ
3.2.1 Вводное занятие по теме: «Полимеры»
3.2.2 Закрепление знаний материалам лекции
3.2.3 Завершающий контроль знаний по теме
3.3 Семинарское занятие. Решение задач
3.4 Контрольный срез знаний (1 рейтинговая точка) Тесты
Обсуждение результатов. Выводы
Литература
Введение
Актуальность работы состоит в том, что и в школьном и в ВУЗовском курсах химии очень велик процент теоретических знаний о структуре и свойствах высокомолекулярных соединений. И это имеет место притом, что физические методы исследования при их оптимальном использовании при изучении курса могли бы весьма существенно повысить эффективность преподавания и максимально приблизить знания студентов и школьников к реальной структуре изучаемых веществ. Физические методы исследования, включаемые в содержание курса химии ВМС, не только дают представления о методах их использования, но и значительно расширяют общий кругозор учащихся. Необходимость такого использования ФМИ вытекает еще и из междисциплинарной сущности проблемы изучения физики и химии высокомолекулярных соединений.
Гипотеза работы – мы предположили, что увеличение относительного вклада сведений о физических методах исследования в соответствующие разделы химии ВМС как в ВУЗе, так и школе позволит оптимизировать содержание и повысить качество учебно-воспитательной работы.
Цель работы – теоретический поиск и экспериментальные исследования роли и места физических методов исследования при изучении некоторых разделов химии высокомолекулярных соединений в школе и в ВУЗе.
Для достижения цели были поставлены следующие задачи:
1. Провести аналитический обзор литературных данных по современным физическим методам исследования полимеров.
2. Проанализировать методические материалы преподаваемой темы «Высокомолекулярные соединения».
3. Учитывая изучаемый материал разработать различные подходы к проведению занятий по данной теме в школьном и вузовском курсе.
4. Оценить эффективность разработанных методических подходов после проведения уроков по результатам итогового тестирования.
Объект исследования – учебно-воспитательный процесс, реализуемый в средней школе и на университета.
Предмет исследования - выбор соответствующих форм организации занятий, обеспечивающих использование ФМИ при изучении дисциплины «Химия высокомолекулярных соединений».
Новизна работы – впервые ставится задача увеличеия объема сведений о ФМИ в содержании курса «Химия высокомолекулярных соединеий» помимо специальной дисциплины «Физические методы исследования»
Практическая значимость - Работа проводилась в рамках цикла исследований, которые ведутся на кафедрах химии высокомолекулярных соединений и педагогики и психологии и сразу непосредственно внедрена в учебную дисциплину.
Глава 1. Физические методы исследования в химии
Важнейшей особенностью современной химии является использование новых физико-химических и физических методов исследования. Наряду с классическими характеристиками веществ такими, как элементный состав, плотность, температура плавления и кипения, показатель преломления, активно используются структурные методы (рентгеноструктурный анализ, электронография, нейтронография), спектроскопические методы в широком диапазоне длин волн электромагнитного излучения (к новым методам можно отнести радиоспектроскопию и лазерную спектроскопию). Важное значение в химии имеют масс-спектрометрия и другие методы.
1.1 Химические и физические свойства молекул и веществ
В основе определения химических свойств находится молекулярная и структурная формулы веществ и реакционная способность. Обобщение химического эксперимента позволило создать теорию химического строения. Эта теория существенно обогатила науку о веществах, которой пользуются во многих других отраслях знаний.
Многие из химических свойств прямо или косвенно связаны с физическими свойствами. Существуют справочники, в которых приводятся все эти разнообразные физические свойства. Эти свойства важны сами по себе как характеристики вещества и для изучения взаимозависимости самих этих свойств. Так, известно различие атомной структуры алмаза и графита, а также их механических свойств.
Важно отметить, что, к сожалению, теория химического строения дает качественную или в лучшем случае полуколичественную картину соединения атомов в молекуле. Физические величины имеют определенные числовые характеристики. Поэтому мы можем в плане определения химического строения говорить о соответствии или корреляции физических величин и характеристик химического строения.
Особое значение физические методы имеют для целей определения состава веществ, то есть для аналитической химии. Это особый раздел применения физических методов в химии. Часто трудно разделить исследования состава и полной идентификации вещества. В большей степени в статье рассматривают вопросы идентификации и особенностей химического строения веществ на основе физических методов. В силу особенностей физических взаимодействий с веществом нет единого метода, который позволял бы определять все или очень большое число физических величин. Можно говорить о специализации в использовании физических методов исследования.
1.2 Классификация физических методов исследования в химии
Классификация методов не может быть абсолютно строгой, поскольку не всегда удается выделить специфические свойства, определяемые данным методом. Но в целом, возможно, оценить наиболее важные характеристики методов исследования [1].
1.2.1 Спектроскопические методы
В большинстве этих методов измеряют зависимость интенсивности излучения I, прошедшего через вещество или рассеянное веществом, от частоты v, т.е.определяют функцию I(v).
Наибольшее распространение для идентификации веществ получили колебательные и электронные спектры, лазерная спектроскопия, а также спектры ядерного магнитного резонанса.
В колебательной спектроскопии важно иметь полный интервал частот от очень низких, характерных для крутильных колебаний, до высоких значений. Частоты колебательных спектров используются также для расчета силовых полей молекул, то есть для определения различного типа сил взаимодействия атомов в молекуле. Так называемые силовые постоянные для значительного числа групп атомов обладают свойством переносимости, то есть постоянством в рядах сходных по строению молекул.
Электронная спектроскопия является очень чувствительным и удобным методом для определения спектров поглощения, пропускания и отражения, изучения кинетики реакции, сопровождающихся спектральными изменениями. В обычных условиях спектры имеют диффузный характер, что ограничивает их применение веществами, имеющими хромофорные группы. Эти спектры позволяют устанавливать наличие тех или иных групп в молекуле, то есть осуществлять групповой анализ, изучать влияние заместителей на электронные спектры и строение молекул, исследовать таутомерию и другие превращения.
Метод ядерного магнитного резонанса (ЯМР) основан на взаимодействии внешнего магнитного поля с ядрами для которых спиновое квантовое число равно ½, а также для ряда ядер со спиновым квантовым числом, большим ½. Одни и те же ядра атомов в различных окружениях в молекуле показывают различные сигналы ЯМР. Отличие такого сигнала ЯМР от сигнала стандартного вещества позволяет определить так называемый химический сдвиг, который обусловлен химическим строением изучаемого вещества. В методиках ЯМР есть много возможностей определять химического вещества. В методах ЯМР есть много возможностей определять химическое строение веществ, конформации молекул, эффекты взаимного влияния, внутримолекулярные превращения и т.п.
1.2.2 Лазерная спектроскопия
Лазерная спектроскопия позволяет исследовать вещества на атомно-молекулярном уровне с высокой чувствительностью, избирательностью, спектральным и временным разрешением. В зависимости от типа взаимодействия света с исследуемым веществом, методы лазерной спектроскопии подразделяют на линейные, основанные на одноквантовом линейном взаимодействии и нелинейные, основанные на нелинейном одноквантовом или многоквантовом взаимодействии. В спектральных приборах используют лазеры с перестраиваемой частотой - от далекой ИК области до вакуумного УФ, что обеспечивает возбуждение почти любых квантовых переходов атомов и молекул. Перестраиваемые лазеры с узкой полосой излучения, в частности, инжекционные лазеры в ИК области и лазеры на красителях в видимой области (а в сочетании с нелинейным преобразованием частоты - в ближней УФ и ближней ИК областях) дают возможность измерять истинную форму спектра поглощения образца без какого-либо влияния спектрального инструмента. Использование перестраиваемых лазеров повышает чувствительность всех известных методов спектроскопии (абсорбционных, флуоресценции и т.д.) как для атомов, так и для молекул. На основе таких лазеров были разработаны принципиально новые высокочувствительные методы: внутрирезонаторной лазерной спектроскопии, когерентного антистоксова комбинационного рассеяния, резонансной фотоионизационной лазерной спектроскопии. Последний метод основан на резонансном возбуждении частицы импульсным лазерным излучением, частота которого точно настроена на частоту резонансного перехода, и последующей ионизации возбужденной частицы путем поглощения одного или нескольких фотонов из дополнительного лазерного импульса. При достаточной интенсивности лазерных импульсов эффективность резонансной фотоионизации близка к 100%, такова же эффективность регистрации иона электронным умножителем. Это обеспечивает высокую чувствительность метода и возможность детектирования следов элементов в образцах на уровне 10-10 -10-12 % в обычных экспериментах, а в специальных - на уровне одиночных частиц. Высокая интенсивность излучения позволяет осуществлять нелинейное взаимодействие света с атомами и молекулами, за счет чего значительная часть частиц переведена в возбужденное состояние, а также становятся вероятными запрещенные одноквантовые и многоквантовые резонансные переходы между уровнями атомов и молекул, ненаблюдаемые при слабой интенсивности света.
Применение лазеров в спектроскопии резко повысило возможность традиционных методов, кроме того, позволило создать методы, основанные на принципиально новых физических принципах. Чувствительность спектроскопических методов доведена до предельного уровня, ограниченного регистрацией единичных атомов и молекул. Методы лазерной спектроскопии используются в лазерной химии , лазерном разделении изотопов.
Голография (от греческого holos - весь, полный, grapho - пишу) - способ записи и восстановления волнового поля, основанный на регистрации интерференционной картины, которая образована волной, отраженной предметом, освещаемым источником света (предметная волна ), и когерентной с ней волной, идущей непосредственно от источника света (опорная волна). Зарегистрированная интерференционная картина называется голограммой .
Голограмма, освещенная опорной волной, создает такое же амплитудно-фазовое пространственное распределение волнового поля, которое создавала при записи предметная волна. Таким образом, голограмма, за счет дифракции опорной волны на записанной в ней интерференционной картине, преобразует опорную волну в копию предметной.


1.2.3 Дифракционные методы
В дифракционных методах используются волновые свойства излучения и потока частиц электронов и нейтронов. Волновые свойства рентгеновских лучей были открыты в 1912 году немецким физиком Лауэ. Он заложил основы рентгеноструктурного анализа. В 1927 году экспериментально подтверждено явление дифракции электронов. Позднее открыта дифракция нейтронов.
Наиболее широкое применение в химии нашли два метода:
1. Рентгеноструктурный анализ, который позволяет определять координаты атомов в трехмерном пространстве кристаллических веществ от простейших соединений типа NaCI до сложных белков.
2. Газовая электронография, с помощью которой определяют геометрию свободных молекул в газах, то есть молекул, не подверженных влиянию соседних молекул, как это имеет место в кристаллах [1-4].
1.2.4 Оптические методы
Суть метода основывается на взаимодействии вещества со средой, а в качестве среды имеют электромагнитные волны оптического диапазона. В результате взаимодействия происходит изменение свойств веществ, вступивших в реакцию.
Применяется два общих способа измерения:
1) На глаз
2) Инструментальный метод
При взаимодействии вещества с электромагнитными волнами можно зафиксировать следующие изменения:
- угол преломления, который обусловлен поляризацией молекул вещества
- поглощение света веществом
- электрическая проводимость, которая может меняться и т. д.
Диапазон э\м волн l=100 – 100`000 м
J = с / l [Гц]
V = 1/ l [см -1
]
Для оптических методов анализа присущи такие характеристики, как коэффициент преломления, оптическая плотность и т.д.
L = kּc

Электромагнитное излучение |
Ультрофиолетовый | Визуальный (видимый) |
Инфракрасный |
| λ=100 - 100000нм | 100 - 360 | 380 - 760 | 760 - 100000 |
Весь спектр обладает различными свойствами.
Есть методы, основывающиеся на поглощении света веществом. Поглощать свет могут молекулы и ионы.
1) колориметрия
2) фотоколориметрия
3) спектрофотометрия (использует весь диапазон) получают спектр вещества
Также может поглощаться атомами вещества – атомноабсоркционный метод.
Вещества, находящиеся в состоянии плазмы (высокая t), могут сами излучать свет.
Атомно-эмиссионный спектральный анализ - практически самый распространенный экспрессный высокочувствительный метод идентификации и количественного определения малых содержаний элементов. Важным достоинством метода по сравнению с другими оптическими спектральными, а также многими химическими и физико-химическими методами анализа является возможность одновременного количественного определения большого числа элементов в широком интервале концентраций с приемлемой точностью при использовании малой массы пробы.
Достоинствами метода атомно-флуоресцентного анализа являются сравнительно низкий уровень фона, высокая селективность измерений, малые спектральные помехи, что позволяет детектировать слабые аналитические сигналы и соответственно очень малые абсолютные количества элементов. К недостаткам метода атомно-абсорбционной и в определенной мере атомно-флуоресцентной спектрометрии следует отнести затруднительность одновременного определения нескольких элементов.
С точки зрения возможности определения ультрамалых абсолютных содержаний элементов-примесей (#10-11-10-12 г) из оптических атомно-спектральных методов заслуживают особого внимания новые атомно-флуоресцентные и атомно-ионизационные методы с возбуждением и ионизацией атомов с помощью перестраиваемых лазеров на красителях, а также некоторые современные варианты оптических атомно-эмиссионного и атомно-абсорбционного методов анализа. В последнее время широкое распространение получил атомно-эмиссионный анализ с возбуждением спектров в высокостабильной индуктивно-связанной плазме (ИСП-АЭС). Современные анализаторы на основе этого метода обычно включают полихроматор с решеткой эшелле и приемники с зарядовой связью. Такая оптическая схема позволяет одновременно регистрировать все спектральные линии в ультрафиолетовом и видимом диапазонах. Программное обеспечение современных ИСП-АЭС-анализаторов способно автоматически рассчитывать концентрацию определяемых элементов по интенсивности их спектральных линий с коррекцией фона и возможных спектральных наложений. Соответственно такие анализаторы отличаются высокой точностью и продуктивностью.
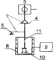
Пламенная фотометрия основана на излучении (эмиссионный метод) световой энергии элементов в пламени.
При фотометрии пламени анализируемый раствор сжатым воздухом или кислородом в виде аэрозоля вводят в пламя газовой горелки. При наличии в растворе ионов легковозбуждаемых элементов пламя окрашивается вследствие характерных излучений, которые фиксируются фотоэлементом. Возникающий фототок измеряется чувствительным гальванометром.

Рис. 1. Схема эмиссионного пламенного фотометра:
1 — компрессор; 2 — стакан с анализируемым раствором; З — распылитель; 4 — вентиль, регулирующий подачу газа; 5 — манометр; б — промывалка; 7 — горелка; 8— вогнутое зеркало; 9 линза; 10 — светофильтр (монохрома тор); 11—фотоэлемент (фотоумножитель); 12 — усилитель; 13 — стрелочный гальванометр.
1.2.5 Масс–спектрометрия и спектроскопия электронов
Эта группа методов отличается от предыдущих тем, что в результате взаимодействия какого-либо падающего излучения или потока частиц. Так, в масс-спектрометрии падающим потоком может быть поток электронов, ультрафиолетовое излучение, поток заряженных атомов или молекул, то есть ионов, которые порождают потоки молекулярных ионов, получившихся в результате распада молекулярного иона.
Методом масс-спектрометрии определяют молекулярные массы, идентифицируют вещества, устанавливают химическое строение веществ, изучают теплоты испарения и реакции, механизмы химических реакций, измеряют потенциалы ионизации и энергии разрыва химических связей.
Масс-спектрометрия представляет собой метод исследования веществ, основанный на определении массы (точнее, величины т/г) и относительного количества ионов, образованных из молекул, подвергнутых ионизации. Приборы, позволяющие получить масс-спектры, называются масс-спектрометрами.
Каждый масс-спектрометр независимо от деталей конструкции состоит из следующих основных элементов:
1)системы введения вещества в прибор;
2)источника ионов, предназначенного для получения ионов из анализируемых веществ;
3) масс-анализатора, предназначенного для разделения ионов2 по массам (вернее, по отношению массы к заряду - т/г);
4) детектора и регистрирующего устройства, предназначенного для регистрации количества образующихся ионов различной массы;
5) вакуумной системы, обеспечивающей необходимый вакуум в приборе.
Схематическое изображение устройства масс-спектрометра приведено на рис. 2. Прежде всего исследуемое вещество надо ионизировать. Наиболее распространенным методом ионизации в органической масс-спектрометрии является бомбардировка вещества электронами в газовой фазе. Система введения вещества в прибор необходима для перевода исследуемого соединения в газовую фазу и непрерывной подачи его с постоянной скоростью (так называемое мономолекулярное натекание) в источник ионов 1, где происходит ионизация. В источнике ионов в условиях глубокого вакуума (10-5-10-9 мм рт. ст.) электроны, эмитируемые раскаленным катодом 2, получают за счет ускорения между заряженными пластинами определенную энергию (обычно 70 эВ). Проходя через разреженный газ, эти электроны сталкиваются с молекулами исследуемого вещества. Как только энергия электронов окажется несколько выше потенциала ионизации3 (9-12 эВ), становится возможным процесс ионизации.

Рис 2. Схема устройства однофокусного масс-спектрометра:
1 – источник ионов; 2 – источник электронов - катод; 3- ускорительные пластины; 4 – масс – анализатор; 5 – магнит; 6 – щель; 7 – коллектор ионов; 8 – умножитель (усиление ионных токов); 9- компьютер
Например, при этой энергии процесс взаимодействия электрона с молекулой метана можно изобразить так:
СН4 + е- → СН4 + 2е-
Ион СН4 масса которого с точностью до одного электрона равна молекулярной массе метана, называется молекулярным ионом (М + ).
При энергиях бомбардирующих электронов порядка 30-100Эв происходит не только ионизация, но и разрыв химических связей в бомбардируемой молекуле с образованием положительно заряженных ионов и нейтральных осколков.
Совокупность всех процессов, приводящих к образованию ионов различного вида, называется диссоциативной ионизацией.
Таким образом, в результате диссоциативной ионизации в источнике ионов образуются положительные ионы с разной массой. Все эти ионы выталкиваются электрическим полем из камеры, формируются в пучок и, ускоряясь разностью потенциалов в 2-4кВ, вылетают в масс-анализатор 4, в котором тем или иным способом делятся на группы или пучки ионов так, что в каждой из круп содержатся только ионы одной и той же массы.
Изменяя напряженность магнитного поля H при постоянном ускоряющем напряжении U, можно последовательно подавать на коллектор регистрирующего устройства 7 ионы с той или иной массой. Таким образом осуществляется развертка спектра [3, 5-7].
1.2.6 Спектроскопические интерференции
С момента начала использования индуктивно-связанной плазмы для элементного анализа, этот метод ионизации развился в самый успешный из всех используемых. В начале он использовался как метод возбуждения в сочетании с эмиссионной спектроскопией. В последние 15 лет он широко используется в качестве источника ионов для масс-спектрометрии. Определенные технические проблемы, связанные с отбором ионов из плазмы, были успешно решены и комбинация источника с индуктивно-связанной плазмой и масс-спектрометра начала широко распространяться.
В индуктивно-связанной плазме ионы генерируются при атмосферном давлении, в то время как масс-спектрометр работает при давлении меньше чем 10-5 мБар. Между ИСП и МС используется интерфейс в виде "узкого горла", с помощью которого вытягиваются ионы из плазмы и осуществляется перепад давлений. В начале развития ИСП/МС в каечтве интерфейса просто использовалось вытянутое носиком отверстие диаметром всего 50-70 мкм, охлаждаемое водой. Проблема, связанная с такой конструкцией заключалась в том, что холодные пограничные слои впереди конуса способствовали генерации большого количества посторонних ионов. Эту проблему удалось преодолеть путем увеличения диаметра входного отверстия до 1 мм, что отодвигало пограничные слои и ионы напрямую входили в масс-спектрометр из плазмы. Эта методика известна как непрерывный отбор образца и, следовательно, конус называется конус образца.

Рис. 3. Упрощенная схема масс-спектрометра высокого разрешения с индуктивно-связанной плазмой:
1 - ИСП источник ионов; 2 - интерфейс с конусом образца и скимерным конусом; 3 - передающая и фокусирующая оптика; 4 - фокусировка пучка ионов и ускорение; 5 - входная щель; 6 - электромагнит; 7 - электростатический сектор; 8 - выходная щель; 9 - конверсионный динод; 10 - электронный умножитель
Спектроскопические интерференции вызываются атомными или молекулярными ионами, имеющими такую же номинальную массу, что и изотоп анализируемого элемента.
1.2.7 Диэлькометрия и магнетохимия
В зависимости от величин электрических дипольных моментов или магнитных характеристик веществ внешние электрическое и соответственно магнитное поля изменяют поведение вещества в этих полях по сравнению с поведением в отсутствие поля.
Измерения диэлектрической проницаемости позволяют определить величину электрического дипольного момента, который характеризует полярность молекул. Кроме того, величина является источником структурной информации при использовании аддитивных схем.
Магнетохимические исследования дают возможность оценивать по степени парамагнетизма число неспаренных электронов, в атомах вещества. Диамагнетики выталкиваются магнитным полем и степень этого выталкивания обусловлена электронным строением молекул и вещества. Особенно показательно различие молярных диамагнитных восприимчивостей, параллельных и перпендикулярных плоскости молекул бензола, нафталина и других ароматических углеводородов. Это доказывает существование электронных токов в плоскостях ароматических молекул.
1.2.8 Интеграция различных физических методов
Физические величины, получаемые разными физическими методами, дают не только более полное описание физического состояния веществ, но и более полное описание химического строения веществ. Так, если рентгеноструктурное исследование не позволило определить координаты легких атомов водорода, то метод ЯМР дополняет картину химического строения веществ.
Рентгенография и нейтронография дополняют друг друга тем, что в рентгеноструктурных исследованиях определяют полное распределение электронной плотности кристаллических веществ, а в нейтронографических исследованиях – положение ядер атомов таких веществ. При совместной обработке данных рентгенографии и нейтронографии находят распределение электронной плотности в химических связях. Этого достигают тем, что из полной электронной плотности атомов вещества вычитают электронную плотность атомных остовов, положение которых вычисляют из данных нейтронографии.
Более надежно и полно определяются геометрические параметры молекул вещества в газовой фазе, если используют одновременно данные газовой электронографии, микроволновой спектроскопии, колебательной спектроскопии и результаты квантово—химических расчетов. Только совместное использование данных перечисленных методов позволяет решить поставленную задачу.
Поляризуемость молекул в общем случае выражается тремя числами, которые характеризуют различную поляризуемость молекул в трех направлениях трехмерного пространства. Так, молекула хлорбензола имеет три так называемых главных значения для поляризуемости: наибольшие вдоль кольца и меньшие в перпендикулярном направлении. Однако для того, чтобы экспериментально определить эти значения, необходимо совместно обработать данные по измерениям показателя преломления, изучить эффект Керра, найти электрический дипольный момент.
В связи со столь сложными проблемами в использовании физических методов имеет место специализация ученных. Как и в медицине, являющиеся очень наглядным примером, специалисты работают в относительно узких областях, которые требуют очень глубоких знаний и экспериментальных навыков. Практически каждый из физических методов является областью специализации. Однако как физик, так и химик, должны иметь представление о возможностях различных методов. Химик должен правильно ставить задачу. Физик должен не только решать ее, но и знать, как его результаты сопоставлять с другими методами.
Следует отметить еще одно важное обстоятельство. В связи со сложностью и дороговизной оборудования и различными возможностями метода распространения и широта использования физических методов существенно неодинаковы. Наиболее широко используются методы колебательной спектроскопии, масс-спектроскопии, ультрафиолетовой спектроскопии и ядерного магнитного резонанса. К более огрначенным по использованию в химических исследованиях относятся методы микроволновой спектроскопии, ядерного гамма-резонанса, ядерного квадрупольного резонанса, газовой электронографии, фотоэлектронной спектроскопии и др.
В столь сложной ситуации помогает кооперация ученых, которая позволяет решать возникающие проблемы [7,8-11].
Глава 2. ФМИ в исследовании ВМС
В настоящее время общеизвестна возросшая роль полимерных материалов в различных отраслях практической деятельности человека. В связи с этим остается актуальной проблема изучения существующих и разработки новых оригинальных методов изучения структуры и свойств полимеров. Несмотря на обилие специальной литературы по вопросам изучения, например, физико-механических свойств полимеров, ощущается дефицит методических разработок для широкого спектра дисциплин и спецкурсов, предназначенных для изучения полимеров и пластмасс различного назначения.
Приводимый ниже материал предназначен для студентов химического отделения, специализирующихся по органической химии и химии и физике высокомолекулярных соединений, а также может быть полезен аспирантам, инженерам и научным работникам.
2.1 Метод изучения релаксации напряжения
Явление релаксации - это процесс перехода из неравновесного в равновесное состояние любой физико-химической системы в пределах одного и того же фазового (агрегатного) состояния. Скорость процесса релаксации зависит от молекулярной подвижности элементов структуры системы. Релаксационные процессы в полимерах следует рассматривать как макроскопическое проявление их молекулярной подвижности в широком интервале температур. Для релаксационных процессов характерно уменьшение скорости их протекания с течением времени. Понятие "релаксационные свойства" охватывает весь комплекс вопросов, связанных с зависимостью механического поведения резины от временного режима нагружения.
Растяжение является практически наиболее важным видом деформации, применяемым для оценки механических свойств полимера. В растянутом образце при условии неизменной деформации, е = const, наблюдаем процесс релаксации напряжения. Изучение релаксации напряжения позволяет получить сведения о процессах, характеризующихся большими временами (т > и 1 с). Результаты испытания, полученные этим методом, поддаются наиболее ясному физическому истолкованию и имеют непосредственное практическое приложение к резинам, работающим в статических условиях деформирования.
Для изучения релаксации напряжения используется прибор, показанный на рис. 4, в котором исследуемый образец 4 прикрепляется к неподвижному верхнему зажиму 3 и подвижному нижнему зажиму 5. Верхний зажим связан с измерительным устройством, состоящим из стальной пластины 2, закрепленной консольно, и индикатора часового типа 1. Растяжение образца и фиксирование заданной деформации осуществляется при помощи устройства 7, связанного с нижним зажимом.
При проведении эксперимента жесткая пружина 6, распрямляясь, задает нужную деформацию и фиксирует ее. Растянутый образец деформирует стальную пластину 2, по величине деформации которой можно вести отсчет напряжения.

Рис. 4. Принципиальная схема статического релаксометра
Деформация образца не остается строго постоянной: она немного увеличивается по мере того, как пружинящий элемент смещается при релаксации напряжения. Однако, если жесткость пружины гораздо больше, чем жесткость образца, то релаксация напряжения будет определять постоянство его деформации.
Термокамера имеет электрический обогрев. Температура в камере поддерживается с точностью ± 0,5° при помощи схемы, в которой включены ЛАТР, вольтметр для регулирования напряжения в зависимости от температуры и потенциометр КВШ-503 [12].
2.2 Метод определения динамических механических характеристик эластомеров
Среди разнообразных методов изучения полимеров одно из важных мест занимают методы, связанные с исследованием поведения полимеров в переменных механических полях. Эти методы позволяют изучать температурно-частотную зависимость действительной и мнимой частей комплексного модуля упругости или податливости, что дает ценную информацию о молекулярном движении в материале и не может быть получено другими методами.
На температурной зависимости коэффициента механических потерь ж при постоянной частоте обычно проявляются несколько максимумов, что свидетельствует о реализации в этих областях некоторых релаксационных механизмов. Так, например, в области перехода из стеклообразного в высокоэластическое состояние механические потери, характеризующие внутреннее трение в полимерах, проходят через максимум, и наблюдается резкое изменение динамического модуля упругости, связанное с движением сегментов полимерных цепей. Температурно-частотная область, в которой проявляется какой-либо релаксационный процесс, называется областью дисперсии, областью перехода или областью релаксации.
В полимерах реализуются несколько переходов, обусловленных различными релаксационными механизмами. Проявление этих переходов значительно лучше наблюдать при малых частотах действия внешних сил. Низкотемпературные переходы сдвигаются при повышении частоты в сторону высоких температур и могут перекрываться с другими областями дисперсии.
Часто используется метод вынужденных нерезонансных колебаний, достоинством которого является независимость частоты воздействия от температуры и свойств исследуемого материала.
Метод вынужденных нерезонансных колебаний может применяться для определения динамических величин материалов с большими потерями.
Для исследования динамических величин эластомеров в ряду других методик применяется основанная на использовании прибора ДИП (динамический испытатель полимеров) (рис. 6), состоящего из следующих основных частей: электромотора 1, редуктора 2, вибратора 3, системы для измерения усилия, приложенного к образцу и его деформации (4-7), устройства для крепления образцов (10, 11), термо- и криокамер 8, системы терморегулирования 9. Он позволяет изучать динамические механические свойства полимеров в широких темпера-турно-частотных диапазонах в режиме вынужденных нерезонансных колебаний [6]. Блок-схема прибора ДИП показана на рис. 5.

Рис. 5. Блок-схема динамического релаксометра марки ДИП:
1 - электромотор; 2 - редуктор;
3 - вибратор; 4, 5 — тензодатчики;
6 - тензоусилитель; 7 - самописец;
8 - термокамера;
9 - терморегулирующий блок;
10 - образец; 11 — нагружающий шток
Достоинствами этого метода являются: возможность варьирования частоты в широких пределах, независимость частоты от температуры и свойств исследуемого материала, а также отсутствие необходимости изменения размеров образцов при снятии частотных зависимостей. Недостатком этого метода является ограниченность диапазона охватываемых частот со стороны его верхней границы.
2.3 Измерение напряжения при деформации
Зависимости напряжения-деформации при растяжении определяют следующим образом. Образец, имеющий форму двойной лопатки, растягивают с постоянной скоростью и регистрируют приложенную нагрузку и удлинение. После этого вычисляют напряжения и деформации:

Универсальный образец для испытаний ISO R527

Диаграмма напряжений
А: Предел пропорциональности.
B: Предел текучести.
С: Предел прочности.
Х: Разрушение.
0-А: Область предела текучести, упругие свойства.
После А: Пластичные свойства.
2.4 Прочность и модуль упругости при изгибе ISO 178 (DIN 53452, ASTM D790)
2.5

Рис. 6. Современная установка для испытаний на изгиб: "Флексометр"
Прочность на изгиб является мерой, показывающей, насколько хорошо материал сопротивляется изгибу, или "какова жесткость материала". В отличие от нагрузки при растяжении, при испытаниях на изгиб все силы действуют в одном направлении. Обыкновенный, свободно опертый стержень нагружается в середине пролета: тем самым создается трехточечное нагружение. На стандартной машине для испытаний нагружающий наконечник давит на образец с постоянной скоростью 2 мм/мин.
Для вычисления модуля упругости при изгибе по зарегистрированным данным строится кривая зависимости прогиба от нагрузки. Начиная от исходной линейной части кривой, используют минимум пять значений нагрузки и прогиба.
Модуль упругости при изгибе (отношение напряжения к деформации) наиболее часто упоминают при ссылке на упругие свойства. Модуль упругости при изгибе эквивалентен наклону линии, касательной к кривой напряжения/деформации, в той части этой кривой, где пластик еще не деформировался.
Значения напряжений и модуля упругости при изгибе измеряются в МПа.

Испытания на изгиб
2.5 Испытания на прочность при ударе
Понятие прочности при ударе
При стандартных испытаниях, например, испытаниях на растяжение и изгиб, материал поглощает энергию медленно. Реально материалы очень часто быстро поглощают энергию приложенного усилия, например, усилия от падающих предметов, ударов, столкновений, падений и т.д. Целью испытаний на прочность при ударе является имитация таких условий.
Для исследования свойств определенных образцов при заданных ударных напряжениях и для оценки хрупкости или ударной вязкости образцов применяются методы Изода и Шарпи. Результаты испытаний по этим методам не должны использоваться как источник данных для проектных расчетов компонентов. Информация о типовых свойствах материала может быть получена посредством испытания разных типов испытуемых образцов, приготовленных в различных условиях, с изменением радиуса надреза и температуры испытаний.
Испытания по обоим методам проводятся на ударном маятниковом копре. Образец зажимают в тисках, а маятниковый копер с закаленной стальной ударной поверхностью определенного радиуса отпускают с заданной высоты, что вызывает срез образца от резкой нагрузки. Остаточная энергия маятникого копра поднимает его вверх. Разность высоты падения и высоты возврата определяет энергию, затраченную на разрушение испытуемого образца. Эти испытания могут проводиться при комнатной температуре либо при пониженных температурах для определения хладноломкости. Испытуемые образцы могут быть разными по типу и размерам надрезов.
Результаты испытаний на удар падающим грузом, например, по методу Гарднера или изогнутой плитой, зависят от геометрии падающего груза и опоры. Их можно использовать только для определения относительного ранжирования материалов. Результаты испытаний на удар не могут считаться абсолютными, кроме случаев, когда геометрия испытательного оборудования и образца соответствуют требованиям конечного применения. Можно ожидать, что относительное ранжирование материалов по двум методом испытаний будет совпадать, если характер разрушения и скорости удара одинаковы [12, 14-17].
Интерпретация результатов испытаний на удар - сравнение методов ISO и ASTM
Ударные характеристики могут в большой степени зависеть от толщины образца и ориентации молекул. Разные толщины образцов, используемых в методах ISO и ASTM, могут весьма значительно повлиять на значения прочности при ударе. Изменение толщины с 3 мм на 4 мм может даже привести к переходу характера разрушения от вязкого к хрупкому из-за влияния молекулярной массы и толщины образца с надрезом при использовании метода Изода, как это продемонстрировано для поликарбонатных смол. На материалы, уже показывающие хрупкий характер разрушения при толщине 3 мм, например, материалы с минеральными и стекловолоконными наполнителями, изменение толщины образца не влияет. Такими же свойствами обладают материалы с модифицирующими добавками, увеличивающими ударную прочность.

Влияние толщины и молекулярной массы образца с надрезом на результаты ударных испытаний поликарбонатных смол по Изоду
Ударная прочность по Изоду ISO 180 (ASTM D256)

Рис. 7 Лабораторный прибор для измерения ударной прочности по Изоду
Испытания образцов с надрезом на ударную прочность по Изоду стали стандартным методом для сравнения ударной прочности пластиков. Однако результаты этого метода испытаний мало соответствуют реакции формованного изделия на удар в реальной обстановке. Из-за разной чувствительности материалов к надрезу этот метод испытаний позволяет отбраковывать некоторые материалы. Несмотря на то, что результаты этих испытаний часто запрашивались как значимые меры ударной прочности, эти испытания проявляют тенденцию к измерению чувствительности материала к надрезу, а не к способности пластика выдерживать удар. Результаты этих испытаний широко используются как справочные для сравнения ударных вязкостей материалов. Испытания образцов с надрезом на ударную прочность по Изоду лучше всего применимы для определения ударной прочности изделий, имеющих много острых углов, например ребер, пересекающихся стенок и других мест концентрации напряжений. При испытаниях на ударную прочность по Изоду образцов без надреза, применяется та же геометрия нагружения, за исключением того, что образец не имеет надреза (или зажат в тисках в перевернутом положении). Испытания этого типа всегда дают более высокие результаты по сравнению с испытаниями образцов с надрезом по Изоду из-за отсутствия места концентрации напряжений.
Ударной прочностью образцов с надрезом по методу Изода является энергия удара, затраченная на разрушение надрезанного образца, деленная на исходную площадь поперечного сечения образца в месте надреза. Эту прочность выражают в килоджоулях на квадратный метр: кДж/м2. Образец вертикально зажимают в тисках ударного копра.
Обозначения ISO отражают тип образца и тип надреза:
ISO 180/1A обозначает тип образца 1 и тип надреза А. Как можно увидеть на рисунке ниже, образец типа 1 имеет длину 80 мм, высоту 10 мм и толщину 4 мм.
ISO 180/1O обозначает тот же образец 1, но зажатый в перевернутом положении (указываемый как "ненадрезанный").
Образцы, используемые по методу ASTM, имеют подобные размеры: тот же радиус скругления у основания надреза и ту же высоту, но отличатся по длине - 63,5 мм и, что более важно, по толщине - 3,2 мм.
Результаты испытаний по ISO определяют как энергию удара в джоулях, затраченную на разрушение испытуемого образца, деленную на площадь поперечного сечения образца в месте надреза. Результат выражают в колоджоулях на квадратный метр: кДж/м2.
Результаты испытаний по методу ASTM определяют как энергию удара в джоулях, деленную на длину надреза (т.е. толщину образца). Их выражают в джоулях на метр: Дж/м. Практический коэффициент пересчета равен 10: т.е. 100 Дж/м равно приблизительно 10 кДж/м2.
Разная толщина образцов может отразиться на различных интерпретациях "ударной прочности", как показано отдельно.

Образцы для измерения ударной прочности

Рис. 8. Метод измерения ударной прочности по Изоду
Ударная прочность по Шарпи ISO 179 (ASTM D256)
Основным отличием методов Шарпи и Изода является способ установки испытуемого образца. При испытании по методу Шарпи образец не зажимают, а свободно устанавливают на опору в горизонтальном положении.
Обозначения ISO отражают тип образца и тип надреза:
ISO 179/1C обозначает образец типа 2 и надрез типа CI;
ISO 179/2D обозначает образец типа 2, но ненадрезанный.


Образцы, используемые по методу DIN 53453, имеют подобные размеры. Результаты по обоим методам ISO и DIN определяются как энергия удара в джоулях, поглощенная испытуемым образцом, деленная на площадь поперечного сечения образца в месте надреза. Эти результаты выражаются в килоджоулях на квадратный метр: кДж/м2 .
Методика изучения радиотермолюминесценции (РТЛ) полимеров
Многие неорганические и органические вещества, подвергнутые при низких температурах (обычно при 77 К) проникающей радиации, при последующем разогреве начинают светиться, т.е. спектр их высвечивания находится в видимой области.
Применение метода РТЛ включает в себя три операции: облучение исследуемого образца при низкой температуре, последующий плавный разогрев облученного образца и одновременно с ним регистрацию свечения. При облучении веществ происходит стабилизация электронов и "дырок" в ловушках, которыми являются дефекты их структуры. Рекомбинация зарядов приводит к люминесценции облученного вещества. В зависимости от способа активации зарядов различаются термо-, фото- и другие виды люминесценции. На температурной зависимости интенсивности РТЛ могут быть один или несколько максимумов, что указывает на существование одного или нескольких типов ловушек в данном облученном веществе. Для неорганических веществ эти максимумы в общем случае не связаны с их молекулярной подвижностью.
Характерной особенностью РТЛ органических веществ и в первую очередь полимеров, является то, что максимумы свечения на кривой РТЛ проявляются в тех интервалах температур, где имеют место различные кинетические и структурные переходы. Посредством сравнения значений температур максимумов РТЛ и релаксационных переходов, обнаруженных другими методами (механических и диэлектрических потерь, термомеханических кривых и ЯМР), было показано, что они проявляются в областях размораживания подвижности различных кинетических единиц. Такое совпадение максимумов свечения РТЛ с областями кинетических и структурных переходов в полимерах дает основание считать, что акты рекомбинации зарядов осуществляются за счет размораживания теплового движения кинетических единиц, на которых находятся электронные ловушки или центры свечения. При этом время жизни электрона в ловушке будет определяться временем релаксации кинетической единицы, на которой находятся стабилизированные электроны.
Для каждого полимера характерна вполне определенная кривая высвечивания. Положение максимумов РТЛ зависит от дозы предварительного облучения, с увеличением дозы в результате сшивания полимера температура максимума смещается в сторону высоких температур. Для совместимых смесей полимеров характерно наличие лишь одного максимума РТЛ при температуре стеклования смеси, причем его положение меняется при изменении соотношения компонентов. Кривые РТЛ гетерогенных смесей полимеров представляют собой сумму кривых высвечивания отдельных компонентов, взятых в определенном соотношении. Все это свидетельствует о том, что РТЛ облученных полимеров в первую очередь определяется процессами молекулярного движения. Изучая РТЛ полимеров, удается определить не только температуры структурных и кинетических переходов, но и получить сведения об их характере и об активационных параметрах процессов молекулярного движения.
С помощью метода РТЛ удается надежно зарегистрировать изменение температуры стеклования даже тогда, когда оно составляет всего 2-3 градуса. К достоинствам метода РТЛ относится, несомненно, и то, что образец полимера может быть в любом виде[14, 17].
2.6 Световая (оптическая) микроскопия
Этот метод состоит в том, что исследуемый объект рассматривается в оптическом микроскопе в проходящем или отраженном свете, и в плоскости изображения объективной линзы микроскопа формируется увеличенное изображение предмета.
Обычное наблюдение полимерных образцов в оптическом микроскопе «на просвет» в неполяризованном свете малоинформативное из-за малой разности оптических плотностей различных структурных элементов. Положение существенно улучшается при использовании поляризованного света, поскольку кристаллизация и ориентация полимеров приводят к появлению эффекта двойного лучепреломления.
Длина волн видимого света составляет 0,4 – 0,8 мкм. Поэтому оптические методы позволяют различать структурные элементы размером от нескольких до многих сотен микрон.
Метод оптической микроскопии обычно не требует специального препарирования исследуемых объектов. Наиболее удобны для изучения в проходящем свете образцы в виде тонких пленок или срезов с массивных блоков.
Методы оптической микроскопии используются при исследовании структурных образований в кристаллических полимерах, для наблюдения за структурными превращениями при кристаллизации и исследования кинетики этого процесса, контроля за макроскопической структурой материала, полученного в различных технологических условиях, а также наблюдения за структурными превращениями под влиянием различных взаимодействий (деформационных, тепловых и т.п.).
2.7 Электронная микроскопия
В электронных микроскопах источником излучения служит катод, испускающий пучок электронов (электронный луч). Перемещению электронов в пространстве соответствуют колебания определенной длины волны, зависящей от ускоряющего напряжения.
Как и в световом микроскопе, в электронном микроскопе можно наблюдать увеличенное изображение объекта, которое, однако, нельзя рассматривать как снимок, сделанный простым фотоаппаратом. Для правильной интерпретации электронно-микроскопических снимков (изображений) необходимо знать законы взаимодействия электронов с исследуемым веществом.
Методом электронной микроскопии исследуют очень тонкие слои вещества порядка 1000А0 и меньше. Это могут быть очень тонкие пленки или срезы Структуру поверхности блочных материалов или поверхностей разлома исследуют с помощью метода рекчик, т.е. прозрачных отпечатков с поверхности исследуемого образца.
Возникновение контраста на электронно-микроскопических снимках связано с различной рассеивающей способностью ядер разных атомов по отношению к электронному пучку.
Атомы тяжелых металлов наиболее сильно рассеивают электроны, поэтому часто для увеличения контраста полимерных объектов их оттеняют тяжелыми металлами, такими, как хром, палладий, золото, платина и т.п.
Важными ограничением метода электронной микроскопии является его статический характер, обусловленный трудностями приготовления образцов, и возможность существенных ошибок в определении структуры.
2.8 Рентгеноструктурный анализ
Рентгеноструктурный анализ основан на использовании рентгеновского излучения, длина волн которого лежит в интервале от 0,1 до 100А0
. На практике для исследования полимеров наиболее широко используют антикатод рентгеновской трубки, изготовленной из меди. Из испускаемого излучения никелевым фильтром отбирается
- линия с длиной волны 1,54 А0
.
Теория рентгеноструктурного анализа основана на гипотезе Гюйгенса – Френеля. Согласно этой гипотезе, точка, до которой доходит электромагнитное колебание, может в свою очередь рассматриваться как центр излучения (рис. 9).
На нем показана одномерная структура, на которую падает параллельный пучок лучей S0
. Каждый узел, показанный на схеме рассматривается как источник колебаний, создающих лучи S. Эти лучи интерферируют в плоскости экрана. При этом существуют такие точки на экране, положение которых характеризуется углом
между направлением падающего угла и отражающей плоскости, в которых интенсивность интерференции лучей, дифрагированных во всех узлах структур, минимальна.

Рис. 9. Схема отражения лучей от одномерной структуры с периодом d.
Угол
определяется по формуле Вульфа – Брэгга:
(1)
где d – период одномерной структуры (расстояние между плоскостями);
длина волны падающего излучения;
n - целые числа, называемые порядком отражения (1,2,3…). Для трехмерной решетки с периодом идентичности в каждом направлении a,b и c должны выполняться три дифракционных условия:
![]()
(1.1)
![]()
где m, n, k целые числа.
Однако три угла в пространстве не могут быть выбраны произвольно поскольку углы между произвольной прямой и тремя взаимно перпендикулярными координатными осями a,b,c связаны геометрическим уравнением:
(1.2)
Уравнения (1.1) и (1.2) называются уравнениями Лауэ. Приведенные формулы позволяют вычислить размеры периодов идентичности d. Так, если используется монохроматические излучения с известной длиной волны
и экспериментально определены углы
, в которых максимальна интенсивность рассеянного излучения, то d легко находится по формуле Вульфа – Брэгга.
Структурная упорядоченность расположения макромолекул и их частей обусловливает существование нескольких уровней периодичности, характеризуемых своими размерами (величиной периода).
В полимерах различают три основных вида упорядоченности:
а) Малый период - это размеры элементарной кристаллографической решетки, т.е. наименьшего структурного элемента («кирпичика»), путем различных сочетаний, на которых построены все кристаллические тела.
б) Шаг спирали характеризует периодичность вдоль цепи и имеет размеры порядка нескольких десятков A0 . Это специфическая характеристика макромолекулы определенного химического строения.
в) Большие периоды характеризуются размерами в сотни A0 .
Рентгеноструктурный анализ позволяет получать обширную информацию о строении полимеров и его изменении в результате тепловых, механических и других воздействий, о фазовых превращениях и конформации макромолекул, о характере ориентации кристаллографических и молекулярных осей в кристаллографической ячейке и их изменении в результате внешних воздействий. Кроме того, рентгеноструктурный метод дает возможность определять средние размеры и распределение по размерам кристаллов, степень дефектности кристаллической структуры и многое другое.
Если в материале существуют упорядоченные частицы с характерными расстояниями d (межплоскостные расстояния) между ними, причем d соизмеримо или больше длины волн рентгеновского и излучения, то наблюдатель видит картину интерференции дифрагированных лучей, по которой можно судить о значениях d.
Дифракция рентгеновских лучей под малыми углами дает основание для суждения о величине большого периода и его изменение при различных термомеханических воздействиях, о состоянии (плотности) аморфных прослоек, а также позволяет регистрировать возникновение мельчайших трещин в полимерах. Особая ценность методов рентгеноструктурного анализа состоит в том, что они не требуют специального препарирования объектов и позволяют изучать структуру полимеров и ее превращения непосредственно под действием внешних полей, в частности тепловых и механических.
2.9 Электронография
Электронография – это метод исследования строения вещества, основанный на дифракции электронов. Принципы электронографии практически ничем не отличаются от основ рентгеноструктурного анализа.
Электроны интенсивно поглощаются веществом, поэтому электронографические исследования проводятся в глубоком вакууме на очень тонких слоях веществах (10-7 - 10-6 см).
Длина волны электронов значительно меньше длины волны рентгеновских лучей, поэтому метод электронографии позволяет получать информацию об упорядоченности структуры полимера на значительно более мелких участках образца. В этом состоит определенное преимущество электронографического метода перед рентгеноструктурным, однако, необходимо учитывать, что поток электронов может приводить к структурным превращениям полимеров, в частности разрушать упорядоченности и иногда даже вызывать деструкцию макромолекул с образование макрорадикалов.
Нейтронография
Метод нейтронографии основан на эффекте рассеяния потока медленных нейтронов атомными ядрами вещества. Контраст появляется вследствие различия интенсивности рассеяния монохроматического потока нейтронов на ядрах различной массы, причем существенно, что в отличие от рентгеновских лучей и электронов поток нейтронов не несет электрического заряда и, следовательно, интенсивность их рассеяния определяется только массой ядра. Практически применение метода нейтронографии основывается на сравнении интенсивности рассеяния на ядрах водорода и дейтерия при исследовании системы, содержащей некоторое количество дейтерированных молекул в среде водородосодержащих цепей, или наоборот. Контраст в этом случае особенно велик из-за двукратного изменения рассеивающей массы. Источником потока нейтронов обычно являются ядерные реакторы. Длина волны потока зависит от энергии нейтронов, области температуры 20-1000С отвечают значения
, равные 1,6 – 1,8 A0
. Используя «холодные» нейтроны, получают пучки с длинами волн до 10 A0
.
В настоящее время нейтронография применяется для оценки размера макромолекул в твердом стеклообразном полимере.
2.10 Исследование полимеров методом уф-спектроскопии
Ультрафиолетовая (УФ) спектроскопия охватывает коротковолновую область оптического диапазона и с одной стороны примыкает к видимой области спектра, а с другой – к рентгеновской. Длины волн УФ и видимой областей принято выражать в нанометрах (нм). Весь УФ-спектр делят на ближний с длиной волны 400-300 нм, дальний – 300-200 нм и вакуумный с длиной волны 200-50 нм.
В УФ-спектроскопии используют и спектры излучения, и спектры поглощения. При исследовании полимеров пользуются в основном спектрами поглощения.
При воздействии света УФ и видимого диапазонов длин волн происходит возбуждение электронных оболочек молекул вещества, что обусловлено переходом валентных электронов, а также неспаренных электронов из основного состояния в возбужденное с более высокой энергией. Это сопровождается появлением полос поглощения в спектре при длинах волн, соответствующих разности энергий возбужденного и невозбужденного уровней. Каждому электронному уровню молекулы соответствует набор колебательно-вращательных уровней. Так как энергия возбуждения электронных оболочек молекулы значительно больше энергии возбуждения ее колебаний, то переход электронов обычно сопровождается изменением колебательно-вращательного состояния молекулы. Поэтому молекулярно-электронные спектры жидкостей и твердых тел состоят из широких полос.
Избирательное поглощение в УФ и видимых областях спектра характерно для ненасыщенных соединений. Их поглощение определяется наличием в ненасыщенных связей легко возбудимых п-электронов. Группы атомов, ответственные за избирательное поглощение, называют хромофорами.
Положение полос поглощения хромофоров и их интенсивность могут значительно изменяться в зависимости от природы групп атомов, присоединенных к молекуле, содержащей хромофор, и не имеющих собственного поглощения. Такие группы называются ауксохромами.
Как и большинство насыщенных соединений, не содержащих кратных связей, полимеры прозрачны в в ближней УФ и видимой областях спектра (полиолефины, полимеры сополимеры хлор- и фторпроизводных этилена, поливиниловый спирт и т.д.). Полимеры сложных эфиров акриловых кислот (полиакрилат, полиметилакрилат), поливиниловые сложные эфиры (поливинилацетали и т.п.), а также полимерные эфиры карбоновых кислот, содержащие карбонильный хромоформ, поглощают на границе вакуумной УФ-области (около 200 нм). Полимеры, содержащие карбоксильный хромоформ или бензольные кольца, поглощают в значительной части УФ-области. Спектры полимеров в УФ-области, как правило, невыразительны и не имеют практического применения для исследования структуры.
УФ-спектры широко используются также для исследований донорно-акцепторного взаимодействия в радикальной полимеризации. Отмечено, что в спектрах молекулярных комплексов донорно-акцепторного типа могут наблюдаться полосы поглощения, характерные для свободных донора (Д) и акцептора (А), а также полосы «переноса заряда», соответствующие различным возбужденным состояниям Д и А. Коэффициент поглощения для свободных доноров и акцепторов модно вычислить из оптической плотности растворов известной концентрации чистых компонентов; в большинстве случаев только часть донора или акцептора входят в состав комплекса даже в присутствии большого избытка другого компонента.
УФ-спектроскопия позволяет исследовать твердые полимеры (пленки, порошки, таблетки, получаемые из тонкоизмельченной примеси полимера и бромида калия) и их растворы.
При исследовании растворов используют растворители, поглощающие свет в области длин волн менее 200 нм, например, предельные углеводороды (гексан, гептан), циклогексан. Можно использовать хлороформ этилацетат, дихлорэтан, этилацетат, которые поглощают свет в области менее 250 нм, а также воду, спирты, и другие соединения, прозрачные для того диапазона УФ-излучения, который обычно используют в аналитических целях. Выбор растворителя ограничивается растворимостью полимеров и также возможностью искажения спектров вследствие реакций комплексообразования и ассоциаций между растворенным веществом и растворителем.
Существует два основных типа приборов для УФ-спектроскопических исследований – однолучевой и двулучевой, каждый из которых имеет свои преимущества и недостатки. Однолучевой прибор, измеряющий оптическую плотность по отдельным точкам, в сочетании с измерительной системой по схеме уравновешенного моста является наилучшим прибором для точных количественных измерений, однако работа на нем трудоемка и долговременна. Двухлучевой регистрирующий прибор позволяет получать хорошие спектры для качественного изучения, однако для количественных целей он менее точен, чем однолучевой.
Однолучевые спектрофотометры СФ-26 и СФ-16 предназначены для измерения пропускания и оптической плотности растворов и твердых веществ в диапазоне 186-1100 нм. Спектрофотометр СФ-26 поставляется в двух вариантах – основном и дополнительном, включающем цифровой вольтметр Щ1213, который используется вместо стрелочного прибора для более объективного измерения пропускания (оптической плотности). Однолучевой спектрофотометр СФ-46 со встроенной микропроцессорной системой предназначен для измерения пропускания, оптической плотности жидких и твердых веществ в области 190-1100 нм. Диспергирующим элементом служит дифракционная решетка с переменным шагом и криволинейным штрихом.
Регистрирующие двухлучевые спектрофотометры СФ-10, СФ-14, СФ-16 предназначены для измерения пропускания и оптической плотности прозрачных и мутных сред и коэффициентов диффузного отражения твердых и порошкообразных веществ в видимой области спектра (от 400 до 750 нм). Спектрофотометры состоят из осветителя, двойного призменного монохроматора, фотометра поляризационного типа, премно усилительной части и записывающего механизма [17, 19-23].
2.11 Оптические испытания
Мутность и светопропускание ASTM D1003
Мутность вызывается рассеянием света в материале и может быть следствием влияния молекулярной структуры, степени кристаллизации либо посторонних включений на поверхности или внутри образца полимера. Мутность свойственна только полупрозрачным или прозрачным материалам и не относится к непрозрачным материалам. Мутность иногда считают противоположностью к глянцу, который собственно может быть поглощением падающего пучка света. Однако согласно методу испытания на мутность, фактически измеряют поглощение, пропускание и отклонение луча света полупрозрачным материалом.
Образец помещают на пути узкого пучка света таким образом, что часть света проходит через образец, а другая часть не встречает препятствия. Обе части пучка проходят в сферу, оснащенную фотодетектором.
Можно определить две величины:
Общую интенсивность пучка света;
Количество света, отклоненного более чем на 2,5° от исходного пучка.
По этим двум величинам можно вычислить следующие два значения:
Мутности, или процента подающего света, рассеянного более чем на 2,5° и коэффициента светопропускания, или процента падающего света, который пропускается через образец.
Глянец DIN 67530, ASTM D523
Глянец связан со способностью поверхности отражать больше света в некотором направлении по сравнению с другими направлениями. Глянец можно измерить с помощью глянцемера. Яркий свет отражается от образца под углом, а яркость отраженного света измеряют фотодетектором. Наиболее часто используют угол 60°. Более блестящие материалы можно измерять под углом 20°, а матовые поверхности - под углом 85°. Глянцемер калибруют при помощи эталона из черного стекла, имеющего значение глянца 100.
Пластики имеют меньшие значения - они строго зависят от способа формования.

Рис. 10. Метод измерения глянца
В методах испытаний мутности и глянца измеряют, насколько хорошо материал отражает или пропускает свет. Эти методы количественно определяют классификацию материала, например "прозрачный" или "блестящий". Тогда как мутность свойственна только прозрачным или полупрозрачным материалам, глянец можно измерить для любого материала. Оба вида испытаний на мутность и глянец являются точными. Но они часто используются для оценки внешнего вида, который более субъективен. Корреляция между значениями мутности и глянца, а также то, как люди оценивают "прозрачность" или "блеск" пластика, являются неопределенными [23-26, 34].
2.12 Инфракрасная спектроскопия (FTIR)
Позволяет определять химические структуры и их изменения в полимерах и добавках за счет передачи информации или прямого отражения от поверхностей деталей, пленок, покрытий, ламинатов, помутнений и загрязнений поверхности. Ее также можно использовать для изучения остаточной ненасыщенности, сшивания, развития ингредиентов, включений. Программное обеспечение для сопоставительных спектров, включая пиролизатные спектры, облегчает идентификацию полимеров и добавок.
Инфракрасная микроспектроскопия позволяет исследовать небольшие пятна, включения и прочие дефекты или разрушения местного характера. Некоторые системы предназначены для встроенной идентификации пластмасс, такие как, например, Matrix PID от Bruker Optics (см. фото 'Matrix PID', любезно предоставленное Bruker Optics)
• Жирные кислоты, их соли, сложные эфиры и амиды, используемые в качестве смазочных веществ или веществ, улучшающих обрабатываемость, термостабилизаторы PVC, эмульгаторы…
• Хвойные производные: сосновый деготь, канифоль, терпен, используемые в качестве веществ для повышения клейкости или веществ, улучшающих обрабатываемость.
• Вулканизированные растительные масла или фактисы, используемые в каучуковых рецептурах.
• Производные фенола, используемые в качестве антиоксидантов.
• Жидкий деполимеризованный натуральный каучук, используемый в качестве сшиваемого полимерного пластификатора.
• Эпоксидированное соевое масло, используемое в качестве пластификатора…

Рисунок 11: Matrix PID
FTIR может сочетаться с пиролизом, что упрощает приготовление образца, или же с гельпроникающей хроматографией, которая позволяет пролить свет на развитие химических структур [28-32].
Глава 3. Экспериментальная часть
3.1 Мои уроки
Урок 1. Тема урок. Понятие о высокомолекулярных соединениях
Цель урока: Систематизировать и углубить знания учащихся о высокомолекулярных веществах.
Задачи : 1. ввести понятия – мономер, полимер, степень полимеризации, структурное звено, средняя молекулярная масса. 2. Ознакомить с разными структурами полимеров (линейной, разветвлённой и др.). 3. научить доказывать влияние строения полимеров на их свойства. Ученики должны узнать сущность реакций полимеризации и поликонденсации, уметь записывать уравнения химических реакций.
Материалы и оборудование: моделимолекул этилена, пропилена, хлорвинила, стирола; выставка изделий из пластмасс и полимеров.
Тип урока: комбинированный, с элементами беседы и лекции.
1.Организационый момент , т.е. приветствие, проверка присутствующих (1-2 мин.).
I. Опрос домашнего задания и подготовка к восприятию нового материала (10-12 мин.).
Фронтальная беседа.
Вопросы:
Какие углеводороды вы знаете?
Ответ: В органической химии различают предельные углеводороды (алканы), непредельные (алкены, алкадиены и алкины) и ароматические углеводороды.
2.Какие углеводороды называются непредельными и как их подразделяют? Напишите общие формулы непредельных углеводородов?
Ответ. Непредельными называются углеводороды, молекулы которых содержат кратные (двойные или тройные) связи. Общая формула углеводородов, содержащих одну двойную связь (алкенов) – CnH2n . Общая формула углеводородов с двумя двойными связями (диенов) - CnH2n-2 . Такую же формулу имеют УВ с одной тройной связью (алкины).
3. Какие из углеводородов способны вступать в реакцию полимеризации?
Ответ: В реакции полимеризации способны вступать алкены, диеновые углеводороды, алкины. Из ароматических углеводородов стирол участвует в реакциях полимеризации.
4. Почему именно из этих углеводородов можно получить полимеры?
Ответ: Непредельные углеводороды вступают в реакцию полимеризации из-за наличия у них в молекулах кратных связей, которые разрываются вследствие соединения молекул друг с другом.
Участие стирола
в реакции полимеризации объясняется тем, что в боковой цепи его молекул содержится непредельный радикал винил.
II. Изучение нового материала (20-25 мин.).
Полимеры – высокомолекулярные соединения, вещества с большой молекулярной массой (от нескольких тысяч до нескольких миллионов), в которых атомы, соединенные химическими связями, образуют линейные или разветвленные цепи, а также пространственные трехмерные структуры. К полимерам относятся многочисленные природные соединения: белки, нуклеиновые кислоты, целлюлоза, крахмал, каучук и другие органические вещества. Большое число полимеров получают синтетическим путем на основе простейших соединений элементов природного происхождения путем реакций полимеризации, поликонденсации, и химических превращений.
1.Значение высокомолекулярных соединений.
2.Основные понятия (например, реакций полимеризации этилена):
мономер, полимер, структурное звено, степень полимеризации.
3. Геометрическая структура или форма макромолекулы полимеры:
линейная, разветвленная, пространственная.

4. Характеристика молекулярной массы полимера.
5. Свойства полимеров:
высокая механическая прочность, не имеют определённой температуры плавления и кипения, отсутствие летучести, вязкость растворов, нерастворимость в воде.
6. Способы получения (синтеза) полимеров:
а) Реакция полимеризации; б) Реакция поликонденсации
1. Полимеризация - это процесс образования высокомолекулярных соединений по цепному механизму без выделения низкомолекулярного соединения.
2. Полиприсоединения - это процесс образования высокомолекулярных соединений по ступенчатому механизму без выделения низкомолекулярных продуктов.
3. поликонденсация – это получение высокомолекулярного соединения по ступенчатому механизму с выделением низкомолекулярного продукта.
7. Экологические проблемы, связанные с полимерами.
Синтетические полимеры имеют определенные преимущества по сравнению с другими материалами (например, древесиной или сталью), поэтому они находят широкое практическое применение. Однако ликвидация отходов, содержащих синтетические полимеры, представляет чрезвычайно серьезную экологическую проблему. Например, при сжигании поливинилхлорида на мусоросжигательных заводах могут образовываться диоксины и выделяться тяжелые металлы. Кроме того, синтетические полимеры имеют низкую термостойкость, при нагревании они разлагаются с образованием токсичных продуктов. Некоторые синтетические полимеры выделяют вредные для здоровья пары (особенно фенолформальдегидные смолы, используемые в качестве связывающих веществ в древесно-стружечных плитах и покрытиях).
Знаете ли вы что…
1. Сложность повторного использования резины из старых шин связана с тем, что она вулканизированная.
Американские ученые обнаружили в горячих источниках Йеллоустонского национального парка бактерии, которые способны переваривать серные мостики в вулканизированной резине. Получается сырая резина, которая в количестве до 20 % можно вводить в массу для изготовления новых шин.
2. Применение отслужившим шинам свое автомобильным шинам нашла австралийская фирма «Марвел-Линк». Там из старых шин делают резиновый порошок, который можно использовать тремя способами. Во-первых, порошок из старой резины можно в количестве до 50 % добавлять в новую резину при изготовлении новых шин. Во-вторых, после специальной обработки такой порошок сильно поглощает нефть и может использоваться для сбора нефти, разлитой при разных авариях, в том числе и с поверхности воды. В-третьих, резиновым порошком можно засыпать городские свалки, ведь сейчас для этого тратится ценный стройматериал – крупный карьерный песок.
8.Общий вывод по уроку.
III. Закрепление знаний по пройденной теме (5 мин.).
1.Задание на дом.
Записи в тетради, упражнения 1-3.
2. Фронтальная беседа.
а) Почему структурным звеном полиэтилена считают − CH2 − CH2 −, а не − CH2 − ?
б) Широко распространённый полимер полихлорвинил (поливинилхлорид) имеет строение:

Найдите структурное звено полимера и определите структурную формулу мономера.
в) Полиэтилен с молекулярной массой около 500 представляет собой вязкую жидкость. Вычислите степенью полимеризации такого полиэтилена.
Урок 2. Тема. Синтетические волокна
Цель урока: 1. Обобщить и углубить знания учащихся о волокнах, их классификации, строении, свойствах. Ввести понятие синтетических волокон.
Научить записывать в общем виде уравнения получения синтетических волокон 3. Научить учащихся сравнивать, обобщать, высказывать суждение о свойствах веществ на основе их строения.
Тип урока: лекция.
Ход урока
I. Подготовка к восприятию нового материала.
Фронтальная беседа.
1. Как классифицируют волокна?
2. Какие вы знаете волокна? Каковы их свойства? Где они применяются?
II. Изучение нового материала.
1. Кратко о классификации волокон.
Демонстрация: «Коллекция волокон», «Образцы синтетических волокон».
2. Синтетическое волокно – лавсан: объяснить его название, сырьё, свойства и применения.
3. Синтетическое волокно – капрон: сырьё, свойства и применения.
III. Закрепление новых знаний.
1.Задание на дом.
Записи в тетради, упражнения 1-2, подготовка к практической работе.
Для практической работы перечертить таблицу, только написать полиэтилен, поливинилхлорид, фенол-формальдегидные смолы, капрон, полистирол. Для волокон – таблица, выписать хлопок, шерсть, лавсан, капрон.
2.Фронтальная беседа:
Самостоятельная работа по карточкам (на 10 мин.) по одному вопросу.
Карточка №1. Широко распространённый полимер полихлорвинил (поливинилхлорид) имеет строение:

Найдите структурное звено полимера и определение структурную формулу мономера.
Карточка №2. Какими признаками должны характеризоваться вещества, вступающие в реакции: а) полимеризации; б) поликонденсации? Приведите примеры.
Карточка №3. Опишите свойства полиэтилена и полипропилена. Где они применяются?
Урок 3. Тема. Распознание пластмасс и химических волокон.
Тип урока: Практическая работа
Цель урока: 1. Закрепить и углубить знания учащихся о пластмассах и химических волокнах. 2.Научить умению определять пластмассы и химические волокна, соблюдать правила по технике безопасности при работе с органическими веществами.
Ход урока
I. Подготовка к выполнению практической работы.
1. Беседа учителя о правилах по технике безопасности при работе с органическими веществами. 2. Порядок выполнения работы (беседа).
II. Проведение практической работы.
Для проведения практической работы использовать, свои таблицы и практическую работу, в учебнике для 11 класса [1].
Распознавание пластмасс следует начать с внешнего осмотра, а затем перейти к исследованию их отношения к нагреванию и горению. Потом испытывают действие на них растворителей.
Распознавание волокон начинают с их сжигания. При этом прослеживают, с какой скоростью происходит горение, исследуют запах продуктов разложения, свойства остатка, который образуется после горения. Затем проверяют действие на волокна кислот, щелочей и растворителей.
Например, в отдельных пакетах под номерами разложены разные пластмассы: № 1– поливинилхлорид; № 2 – полиэтилен; № 3 – полистирол; № 4 – фенол-формальдегидная пластмасса; №5 –капрон. В других пакетах под номерами – образцы волокон: № 1 – шерсть; № 2- хлопок; № 3 – вискоза; № 4 – ацетатное волокно; № 5 – лавсан. Учащиеся берут из каждого пакета образцы волокон и пластмасс и исследуют их (по продуктам сжигания, действию кислот, щелочей и т. д.). После определения данного образца они ставят соответствующий номер в своей таблице.
2. Приведение в порядок своего рабочего места. Выводы по работе, необходимые записи.
III. Закрепление знаний, умений, навыков.
Подготовка к следующей теме. [34, 36].
3.1.1 Констатирующий срез знаний
В качестве среза был проведен письменный опрос на следующие вопросы:
1. Что такое полимеры?
2. Что такое мономер?
3. Что такое степень полимеризации?
4. Что вы понимаете под словом полимеризация?
5. Дайте определение поликонденсации.
6. Отличие полимеризации от поликонденсации.
7. В чем отличие термопластов от термореакторов?
8. Что вы знаете о полимерах?
9. Какие изделия из полимеров вам знакомы?
Результаты ответов как оказалось не так уж и плохи, некоторые получили положительные оценки.
| Оценка | 2 | 3 | 4 | 5 |
| Количество учеников | 4 | 12 | 7 | 3 |
3.2 Изложение материала в университете
3.2.1 Вводное занятие по теме: «Полимеры»
Планируемые результаты обучения : знать основные понятия химии высокомолекулярных веществ (мономер, полимер, структурная звено, степень полимеризации, линейная, разветвленная и пространственная структуры), влияние строения на свойства полимеров. Знать сущность реакций полимеризации и поликонденсации.
Краткое содержание темы . Высокомолекулярные соединения, т.е. соединения с большой молекулярной массой называются полимерами. Низкомолекулярное вещество, из которого синтезируют полимер, называется мономером ; многократно повторяющиеся в макромолекуле группы атомов – структурными звеньями .
Напишем уравнение реакции полимеризации пропилена:
n CH2 = CH ® (–CH2 –CH–)n
| |
CH3 CH3
Молекула мономера и структурное звено макромолекулы одинаковы по составу, но различны по строению. В молекуле пропилена имеется двойная связь, в структурном звене полипропилена она отсутствует.
Число n в формуле полимера показывает, сколько молекул мономера соединяется в макромолекулу (сколько раз повторяется структурное звено). Оно называется степенью полимеризации.
Макромолекулы полимеров могут иметь различную геометрическую форму:
а) линейную, когда структурные звенья соединены в длинные цепи последовательно одно за другим (полиэтилен, полипропилен);
б) разветвленную (крахмал);
в) пространственную, когда линейные молекулы соединены между собой химическими связями (в вулканизированном каучуку-резине).
Геометрическая форма полимеров существенно сказывается на их свойствах.
Понятие молекулярная масса для полимеров имеет некоторые особенности. В процессе полимеризации в макромолекулы соединяется различное число молекул мономера в зависимости от того, когда произойдет обрыв растущей полимерной цепи. Вследствие этого образуются макромолекулы разной длины и, следовательно, разной массы. Поэтому обычно указываемая для такого вещества молекулярная масса – это лишь ее среднее значение, от которого масса отдельных молекул существенно отклоняется в ту или иную сторону.
Важным свойством полимеров является их высокая механическая прочность, что в сочетании с легкостью, химической стойкостью и обусловливают их широкое применение.
ВМС синтезируют преимущественно двумя способами – полимеризацией и поликонденсацией низкомолекулярных веществ.
Реакция полимеризации – это процесс последовательного соединения одинаковых молекул (мономеров) в более крупные.
Вступать в такие реакции могут соединения, в молекулах которых содержится двойная связь. При разрыве такой связи в молекуле освобождаются две валентности для соединения с другими молекулами, что необходимо для образования ВМС.
Процесс идет постепенно, через образование свободных радикалов. Чтобы началось образование свободных радикалов, к мономеру добавляют инициатор – неустойчивое соединение, способное распадаться на свободные радикалы R. Когда свободный радикал сталкивается с молекулой мономера, его электрон действует на p-связь и образует пару с одним из ее электронов; так устанавливается ковалентная связьрадикала с молекулой мономера. Второй электрон p-связи остается свободным, в результате чего вся частица становится радикалом:
R·
+ CH2
CH ® R: CH2
: CH ·
| |
X X
Образовавшийся свободный радикал подобным же образом действует на другую молекулу мономера, присоединяя ее е себе, в результате чего появляется новый радикал:
R: CH2
: CH2
·
+
CH2
CH®R: CH2
: CH: CH2
: CH ·
| | | |
X X X X
Такое последовательное присоединение молекул в ходе цепной реакции продолжается до тех пор, пока не произойдет обрыв цепи.
Реакция поликонденсации – это процесс образования высокомолекулярных веществ из низкомолекулярных, идущий с отщеплением побочного низкомолекулярного продукта (чаще всего воды).
Реакция осуществляется за счет наличия в молекулах исходных веществ не менее двух функциональных группа атомов.
Например, так образуются пептиды:
В реакцию поликонденсации могут вступать не только вещества с различными функциональными группами в молекуле, но и вещества с одинаковыми функциональными группами. Например, поликонденсация дикарбоновой кислоты с двухатомным спиртом:
O O O O
\\ || || ||
C–(CH2 )n –C–O–(CH2 )m –O–C–(CH2 )n –C–... + nH2 O.
/
HO
Физические свойства полимеров сильно зависят от степени полимеризации. Кроме того, они зависят от и от того, как соединяются друг с другом молекулы мономера.
Высокомолекулярные соединения, в отличии от низкомолекулярных веществ, могут быть только в двух агрегатных состояниях: твердом и жидком. Полимер из твердого состояния переходит в жидкое в интервале температур. Это объясняется наличием в полимере макромолекул с различной молекулярной массой.
Большинство полимеров в воде не растворяются. Линейные и разветвленные полимеры в органических растворителях набухают, а пространственные – не растворяются и плавятся без разложения. При длительном действии на полимер кислорода воздуха, воды, света и температуры в структуре полимера происходят изменения: полимер «стареет» - большие макромолекулы разрываются. Для предотвращения этого процесса или при необходимости его замедления нужно добавлять различные вещества: антиокислители, фотостабилизаторы и т.д.
Классификация полимеров (по происхождению):
1. природные (каучук, хлопок, лен, белки и т.д.)
2. синтетические (полученные при помощи синтеза).
Полимеры по строению делятся на:
- органические;
- неорганические.
Органическими называют те полимеры, цепь которых состоит из атомов углерода С. Если же участвуют другие атомы, их называют неорганическими.
В зависимости от атомов, участвующих в цепи разделяют на:
- карбоцепные;
- гетероцепные.
Также идет классификация по температуре:
-термопластичные (многократно перерабатываемые: полиэтилен, полипропилен, полистирол);
-термореактивные (вторичная переработка невозможна: фенолформальдегидные полимеры).
В зависимости от конечной формы полимеры также делят на:
1. пластики (стекла, пластмасс)
2. волокна (полиамидные волокна, ткани)
3. жидкие смолы (эпоксидные смолы, жидкие гвозди)
4. эластомеры (резиновые изделия, подошва).
Химическое превращение полимеров – реакции, приводящие к изменению состава, строения или степени полимеризации макромолекул. В зависимости от степени полимеризации химические превращения полимеров условно делят на типы:
1. реакции в основных или боковых цепях макромолекул, не приводящие к изменению их длины, т.е. к степени полимеризации. К ним относятся полимераналогичные превращения и внутримолекулярные реакции;
2. реакции, приводящие к соединению макромолекул друг с другом или с низкомолекулярными веществами с образованием пространственной сетчатой структуры, сопровождающиеся увеличением степени полимеризации;
3. реакции деструкции, сопровождающиеся разрывом макромолекул, т.е. уменьшением степени полимеризации.
Условность этого деления состоит в том, что в реальных случаях каждый из указанных трех типов реакции в чистом виде встречается сравнительно редко. Чаще полимераналогичные превращения сопровождаются частичной деструкцией макромолекул и сшиванием макроцепей.
Сегодня нет ни одной отрасли народного хозяйства, где бы ни использовались пластмассы. Они настолько вошли в нашу жизнь, что мы не можем без них обойтись пластмассы с успехом заменяют многие материалы, в том числе и металлы. Однако производство пластмасс в ряде случаев вызывает экологические проблемы. Они не подвергаются распаду в природе и поэтому загрязняют почву, водоемы. В настоящее время стоит острый вопрос о переработке отходов из полимерных материалов – полиэтилена, пропилена, полихлорвинила.
В реакцию полимеризации могут вступать не только одинаковые мономеры, но и разные. Такая реакция называется сополимеризацией (совместная полимеризация), а образующийся продукт – сополимер. Эти реакции позволяют получить высокомолекулярные соединения с улучшенными физико-химическими свойствами. [34, 37, 40].
3.2.2 Закрепление знаний материалам лекции
1.Мономер – это:
а) участок цепи макромолекулы;
б) низкомолекулярное вещество, из которого синтезируют полимер; b
в) многократно повторяющаяся в макромолекуле группа атомов.
2.Молекулярная масса полимера – это:
а) средняя величина, поскольку массы отдельных молекул различны; b
б) приближенная величина; в) постоянная величина.
3.Полимеризация – это:
а) процесс соединения крупных молекул;
б) процесс образования высокомолекулярных соединений из низкомолекулярных без выделения побочных продуктов; b
в) процесс образования высокомолекулярных соединений из углекислого газа и воды.
4.Наиболее прочны полимеры:
а) разветвленные; б) линейные; в) пространственные; b
5.На первой стадии реакции полимеризации происходит:
а) зарождение цепи; b б) образование макромолекулы;
в) образование димера.
3.2.3 Завершающий контроль знаний по теме
В качестве завершающего контроля знаний был проведен контрольный срез.
1. Какими общими физическими свойствами обладают полимеры? Почему полимеры не имеют постоянной температуры кипения?
2. Какие вам известны способы получения полимеров? Чем они отличаются между собой?
3. Приведите примеры термопластичных и термореактивных полимеров. В чем их основное отличие?
4. Чем отличается реакция сополимеризации от реакций: а) полимеризации, б) поликонденсации?
РЕЗУЛЬТАТЫ: школе было уделено меньше времени, но эффект был более заметным: улучшилось отношение к предмету, степень его усвояемости (качество знаний и успеваемость), дети перестали бояться приступать к улучшению объективно-сложного материала.
3.3 Семинарское занятие
Решение задач
1. Углеводород А, который легче воздуха, присоединяет в присутствии хлорида ртути (II) хлороводород и превращается при этом в вещество В, которое при определенных условиях образует вещество С, имеющее тот же качественный и количественный состав, но гораздо большую относительную молекулярную массу. Приведите формулы веществ А, В, С. Напишите уравнение реакций.
Ответ: A - C2 H2 ,, B - CH2 =CHCl, C - (-CH2 -CHCl-)n .
2. Составьте уравнение реакции полимеризации углеводорода C4 H8 с разветвленным углеродным скелетом.
Ответ: n(CH3 )2 C = CH2 →(-CH2 -C(CH3 )2 -)n .
3. Напишите уравнение между бутадиеном и стиролом, приводящее к образованию полимера регулярного строения.
Ответ: nC6 H5 CH = CH2 +nH2 C = CH-CH = CH2 →(-CH2 -CH(C6 H5 )-CH2 -CH=
= CH-CH2 -)n .
4. Исходя из неорганических веществ, получите полимер с четырьмя атомами углерода в элементарном звене.
Ответ: CaO→CaC2 →C2 H2 →HC º C-CH = CH2 →H2 C = CH-CH =
=CH2 →(-CH2 CH = CHCH2 -)n .
5 .Предложите способы получения из этанола двух полимеров с разным числом атомов углерода в элементарном звене.
Ответ: 1) C2 H5 OH→C2 H4 →(-CH2 -CH2 -)n ;
2) C2 H5 OH→H2 C = CH-CH = CH2 →(-CH2 -CH = CH-CH2 -)n .
6 . Органическое стекло представляет собой полимер метилового спирта метакриловой кислоты – простейшей непредельной карбоновой кислоты с разветвленным скелетом. Напишите уравнение реакции образования оргстекла.
Ответ:
nCH2
=
-COOCH3
→
7. Какую массу каучука можно получить из 100 кг. 96%-ного этанола, если выход реакции Лебедева составляет 60%, а реакции полимеризации – 80%?
Ответ: 27 кг. каучука.
8. Определите среднюю степень полимеризации в образце бутадиенового каучука, средняя молярная масса которого равна 100000 г/моль. Изобразите структуру мономерного звена.
Ответ: 1850.
9. Сравните массовые доли углерода в полимере и мономере, если полимер получен в результате реакции: а) полимеризации;
б) поликонденсации с выделением воды. Ответ мотивируйте.
Ответ: а) массовые доли одинаковы;
б) в полимере массовая доля углерода больше.
10. Определите строение непредельного углеводорода с открытой цепью углеродных атомов, на полное каталитическое гидрирование 1,62 г. которого потребовалось 1,34 л. водорода (н.у.). Исходный углеводород широко используется в промышленности для производства каучука.
Ответ: бутадиен-1,3.
11. К 1,12 л. бесцветного газа (н.у.), полученного из карбида кальция, присоединили хлороводород, образовавшийся при действии концентрированной серной кислоты на 2,93 г. поваренной соли. Продукт присоединения хлороводорода полимеризовался с образованием 2,2 г. полимера. Какой полимер был получен? Каков выход превращения мономера в полимер (в % от теоретического)?
Ответ: 70,4% поливинилхлорида.
12 . Определите среднюю степень полимеризации в образце природного каучука, средняя молярная масса которого равна 200 000 г/моль. Изобразите структуру мономерного звена.
Решение:
Природный каучук представляет собой полиизопрен, в котором большинство звеньев находится в цис -конфигурации. Получение каучука из изопрена можно представить как 1,4-присоединение:
.
Каждое мономерное звено имеет молекулярную формулу С5 Н8 и молярную массу 68 г/моль. В одной молекуле полимера в среднем содержится 200 000 /68=2940 мономерных звеньев.
Ответ: Степень полимеризации – 2940.
13. 28,2 г. фенола нагрели с избытком формальдегида в присутствии кислоты. При этом образовалось 5,116 г воды. Определите среднюю молярную массу полученного высокомолекулярного продукта реакции, считая, что поликонденсация протекает только линейно и фенол полностью вступает в реакцию.
Решение:
Уравнение линейной поликонденсации фенола и формальдегида можно записать следующим образом:
![]()
![]()
OH
![]()
![]()
![]()
![]()
![]()
![]()
n +(n+1)CH2
O ![]()
![]()
![]()
![]()
![]()
![]()
![]()
![]()
![]()
![]()
![]()
OH OH OH
![]()
![]()
![]()
![]()
![]()
![]()
![]()
![]()
![]()
![]()
![]()
![]()
![]()
![]()
![]()
![]()
CH2
CH2
![]()
![]()
![]()
![]()
![]()
![]()
![]()
![]()
+(n-1)H2
O
n-2
Согласно этому уравнению отношение количеств воды и фенола равно (n-1)/n, что позволяет найти значение n. Количество веществ
v(C6 H5 OH) = =28,2/94=0,300 моль, v(H2 O) =5,116/18=0,2842 моль.
v(H2 O)/ v(C6 H5 OH)=0,2842/0,300=(n-1)/n,
откуда п =19. Молярная масса продукта конденсации равна:
M=M(C6 H4 OH)+17 . M(CH2 C6 H3 OH)+M(CH2 C6 H4 OH)=
=93+17. 106+107=2002 г/моль.
Ответ: 2002 г/ моль.
14. Сколько тонн 2-метил-1,3-бутадиена можно получить из 180 тонн 2-метил-бутана, если выход продукта составляет в массовых долях 0,89, или 89%, по сравнению с теоретическим?
Решение:

Ответ: 151,3 m 2-метил-1,3-бутадиена.
15.
Сколько по объему 1,3-бутадиена можно получить из 800 л. раствора содержащего в массовых долях 0,96, или 96% этилового спирта (
г/см3
)?
Решение:

Ответ: 149,6 м3 бутадиена.
16. Составьте уравнение реакций, при помощи которых можно осуществить следующие превращения:

Ответ:
1) ![]()
![]()
2) 
поливинилхлорид
17. Напишите уравнения реакций, при помощи которых можно осуществить следующие превращения и назовите продукты реакции:

Ответ:
1) ![]()
2) ![]()
3)![]()
3) ![]()
4) ![]()
18. При полимеризации 140г изобутилена в присутствии серной кислоты был получен диизобутилен. Непрореагировавший изобутилен отогнали, а на диизобутилен подействовали бромом, причем было израсходовано 120г брома. Определите процент выхода диизобутилена.
Ответ: 60%.
19. Определите среднюю степень полимеризации в образце хлоропренового каучука, средняя молярная масса которого равна 120 000 г/моль. Изобразите структуру мономерного звена этого полимера.
Решение. Хлоропрен по строению напоминает изопрен, имея атом хлора на месте метильной группыизопрена. Полимеризация хлоропрена в положения 1,4 дает полимер:
n CH2 =C–CH=CH2 → –CH2 –C=CH–CH2 –
| |
Cl Cl n
хлоропрен
хлоропреновый каучук
Структура мономерного звена:
–СН2 −С=СН−СН2 −
|
Сl
Молярная масса М (C4 H5 Cl)= 88,5 г/моль. Средняя степень полимеризации n = M (каучука)/ М (мономера) = 120000: 88,5 = 1356.
Ответ . n=1356 [39-42].
3.4 Контрольный срез знаний (1 рейтинговая точка) Тесты
1) К природным высокомолекулярным соединениям относится:
а. полиэтилен
б. глюкоза
в. сахароза
г. клетчатка (+)
2) Белковые молекулы из аминокислот образуются по реакции.
а. замещения
б. поликонденсации (+)
в. полимеризации
г. разложения
3) Какому классу синтетических высокомолекулярных соединений родственны в химическом отношении белки?
а. полиолефинам
б. поликарбонатам
в. полиамидам (+)
г. полиэфирам
д. полиуретанам
4) Процесс соединения одинаковых молекул в более крупные молекулы:
а. поликонденсация
б. изомеризация
в. полимеризация (+)
г. гидратация
5). Структурным звеном полиэтилена является:
а. CH3 -CH=CH2
б. –CH2 –CH2 – (+)
в. –CH–CH2 –
|
СН3
г. СH2 =CH2
6). Полиэтилен получают, используя реакцию
а. полимеризации (+)
б. поликонденсации
в. гидрирование
г. изомеризации
7). Элементарным звеном бутадиенового каучука является:
а.–CH2 –CH=CH–CH2 – (+)
б. CH2 =CH–CH=CH2
в. –CH2 –CH2 –CH2 –CH2 –
г.–CH2 –CH2 –
8). Элементарное звено –CH2 –CH2 – имеется в макромолекулах:
а. бутадиенового каучука
б. полиэтилена (+)
в. полипропилена
г. бутадиенстирольного каучука
9). Высокомолекулярные соединения получают в результате:
а. гидролиза и этерификации
б. этерификации и поликонденсации
в. полимеризации и поликонденсации (+)
г. полимеризации и гидролиза
10). К биополимерам относятся:
а. белки (+)
б. капрон
в. натуральный каучук (+)
г. полистирол
д. сахароза
11). Структурное звено полипропилена:
а. CH3 –CH=CH2
б. –CH2 –CH2 –
в. –CH–CH2 – (+)
СН3
г.CH2 =CH2
12). Полиэтилен получают реакцией полимеризации:
а. бутена
б. этана
в. изопропена
г. этена (+)
13). Элементарное звено –CH2 −CH=CH−CH2 − имеется в макромолекулах:
а. полиэтилена
б. бутадиенового каучука (+)
в. бутадиенстирольного каучука
г полистирола
14). Каучук получают, используя реакцию
а. этерификации
б. дегидрирование
в. «серебряного зеркала»
г. полимеризации (+)
д. поликонденсации
15). Формула мономера для получения полипропилена
а. CH3 −CH=CH2 (+)
б. CH2 =CH2
в. –CH-CH2
СН3
г.CH2 =CH−CH=CH2
16). Какие полимеры обладают термопластичностью:
а. полистирол (+)
б. фенолформальдегидная смола
в. карболит
г. полиэтилен (+)
17). Мономер для получения полиэтилена:
а. CF2 =CF2
б. CН2 =CH−СН3
в.CH2 =CH2 (+)
г.-CH2 -CH2 -
18). В результате реакции поликонденсации может образоваться:
а. полипропилен
б. полистирол
в. бутадиенстирольный каучук
г. фенолформальдегидная смола (+)
19). Первичные спирты могут использоваться:
а. в процессе крекинга
б. в реакциях полимеризации (+)
в. для получения сложных эфиров
г. для синтеза углеводов
20). Как называется процесс получения резины из каучука при нагревании его с серой:
а. поликонденсация
б. вулканизация (+)
в. окисление
г. гидрирование
21). Полимер, имеющий следующее строение
![]()
Н СН3
\ ∕
С=С
∕ \
–СН2 СН2 – n
Смешали с избытком серы и нагрели. Продукт реакции называется:
а. резина
б. стирол
в. эбонит (+)
г. изопреновый каучук
22). Для того чтобы началась реакция полимеризации, к мономеру добавляют пероксид водорода. Какую роль выполняет пероксид водорода?
а. катализатора
б. ингибитора
в. инициатора (+)
г. индикатора
23). Сырьем для промышленного производства ацетатного волокна служит:
а. целлюлоза (+)
б. натуральный каучук
в. лавсан
г. поливинилхлорид
24). Полимеризацией, какого вещества получают волокно капрон:
а. ацетилена
б. винилхлорида
в. капролактама (+)
г. 6-аминогексановой кислоты
25). Какое из данных веществ является полиэфирным волокном:
а. целлюлоза
б. лавсан (+)
в. ацетатное
г. хлопковое
26). К каким волокнам относится вискозное волокно:
а. растительного происхождения
б. синтетическим
в. животного происхождения
г. искусственным (+)
27). В чем растворяется натуральный шелк:
а. NaOH (10%) (+)
б. NaOH (5%)
в. HCl
г. ацетоне
28). Какую реакцию дают продукты разложения хлопка:
а.окрашиваются в желтый цвет
б. окрашивают синюю лакмусовую бумажку в красный цвет (+)
в. набухают
г. обесцвечивают раствор KMnO4
29). В чем не растворяется целлулоид:
а. бензоле (+)
б. феноле
в. HNO3
г. дихлорэтане (+)
30). Сополимеризацией каких веществ получают бутадиенстирольный каучук:
а. стирола и метилметакрилата
б. фенола и формальдегида
в.1,3-бутадиена и стирола (+)
г. этиленгликоля и терефталевой кислоты
31) .Укажите название высокомолекулярных веществ природного происхождения:
а) крахмал +
б) полиэтилен
в) глюкоза
г) целлюлоза +
32) . Какое волокно содержит амидную связь:
а) лавсан
б) ацетатное +
в) капрон
г) хлопковое
33). Натуральный каучук представляет собой :
а) цис- форму полибутадиена
б) транс- форму полиизопрена
в) транс- форму полибутадиена
г)) цис- форму полиизопрена +
34). Чему равна степень полимеризации полипропилена со средней мо лярной массой 100000 г/моль?
а) 2300
б) 2375
в) 2381 +
г) 2392
35). Какие из перечисленных волокон относятся к химическим?
а) хлопковое
б) вискозное +
в) лавсан +
г) шерстяное
36). Какие два вещества из перечисленных ниже взаимодействуют между собой с образованием мономера, используемого для получения волокна лавсан:
а) этиленгликоль +
б) глицерин
в) бензойная кислота
г) терефталевая кислота +
37). К синтетическим волокнам относятся :
а) льняное
б) лавсан +
в) капрон +
г) ацетатное
38) . Укажите массовую долю хлора в поливинилхлориде (%):
а) 55,8
б) 56,8 +
в) 57,0
г) 58,8
39). Какой каучук называют дивиниловым:
а) изопреновый стереорегулярного строения
б) изопреновый с транс- формой макромолекул +
в) бутадиеновый стереорегулярного строения
г) бутадиеновый нерегулярного строения +
40 ).Волокно капрон представляет собой:
а) продукт реакции полимеризации аминокапроновой кислоты
б) продукт реакции сополимеризации этиленгликоля и терефталевой кислоты
в) продукт реакции поликонденсации 6- аминогексановой кислоты +
г) продукт реакции поликонденсации γ- аминокапроновой кислоты
41) .Какой каучук получается при полимеризации 2- хлорбутадиена- 1,3?
а) дивиниловый
б) изопреновый
в) хлоропреновый +
г) бутадиеновый
42 ).Охарактеризуйте процесс вулканизации каучука
а) повышает прочность каучука +
б) является химическим процессом +
в) является физическим процессом
г) для этой цели используется сера +
43) .Для получения искусственного волокна целлюлозу:
а) взаимодействием с хлором
б) взаимодействием с хлороводородом
в) обрабатывают азотной кислотой
г) обрабатывают уксусным ангидридом +
44 ).Сколько изопреновых звеньев должна содержать макромолекула натурального каучука при молярной массе, равной одному миллиону ?
а) 16700
б) 15700
в) 14700 +
г) 14800
45). Средняя относительная молекулярная масса целлюлозы равна 586602. Рассчитайте степень поликонденсации макромолекулы :
а) 3550
б) 3601
в) 3621 +
г) 3653 [37-41].
Обсуждение результатов. Выводы
В эксперименте принимали участие ученики 11 классов МОУ СОШ-лицей № 4 и студенты 4 курса специальности «Химия» и (выборочная совокупность составляла 40 школьников и 31 студент).
В экспериментальных классах при раскрытии темы «Высокомолекулярные соединения» были проведены разработанные лекции и уроки, приведенные в главе III.
Для констатации результата после проведения разработанных занятий были проведены контрольные работы, которые приведены в главе III. Результаты эксперимента в школе приведены в диаграммах, отражающих изменения качества знаний и успеваемости в контрольном (11 б) и экспериментальном (11 а) классах.

Диагностику знаний студентов проводили на рейтинговом контрольном мероприятии с использованием специально разработанных тестов по теме проведенных экспериментальных занятий.
Разработанная лекция была прочитана на 4 курсе специальности «Химия» по дисциплине «Высокомолекулярные соединения», где 1 группа была экспериментальной, а 2 контрольной. Первое, что обращает на себя внимание при анализе изменения качества знаний – это более высокая успеваемость студентов экспериментальной группы по сравнению с контрольной. В таблице 1 представлены результаты усвоения материалов по теме «».
Таблица 1.
| Группа | Число опрошенных студентов | Процент баллированных оценок | Средний балл | |||
| Отлично | Хорошо | Удов-но | Неуд-но | |||
Эксперимен- тальная |
25 | 23,7 | 38 | 31,5 | 1,0 | 4,2 |
| Контрольная | 21 | 7,2 | 34,3 | 26,7 | 22,6 | 3,27 |
Как видно из таблицы, в экспериментальной группе неуспевающих студентов не было, в то время как в контрольной группе процент неудовлетворительных оценок сравнительно высок – 22,6 %. Показателен и разброс оценок по баллам: подавляющее количество студентов экспериментальной группы имеют оценки в диапазоне «отлично-хорошо», в то время как в контрольной – большая часть оценок падает на диапазон «удовлетворительно-неудовлетворительно».
Таким образом, можно сделать вывод, что увеличение относительного вклада сведений о физических методах исследования в соответствующие разделы химии ВМС как в ВУЗе, так и школе позволит оптимизировать содержание и повысить качество учебно-воспитательной работы. предложенная в работе гипотеза, что свое подтвержднение в результате наших исследований.
Выводы
1. Показана возможность установления и использования связей с ФМИ при проведении занятий по курсу «Высокомолеклярные соединения» посредством проведения уроков-лекций;
2. Решена задача наполнения дисциплины «Высокомолекулярные соединения» знаниями о современных методах физических исследования полимеров путем использования заданий, задач, тестов;
3. Проведена апробация разработанных методик в школе-гимназии № 4 и на химическом факультете университета;
4. Оценен уровень сформированности знаний при изучении тем по разработанным методическим подходам;
5. Выявлено, что изучение химии высокомолекулярных соединений с применением знаний о современных физических методах исследования позволяет заметно повысить уровень знаний, научной культуры, уверенности в своих способностях студентов и школьников.
Литература
1. Пилипенко А.Т., Пятницкий И.В. Аналитическая химия. В двух книгах: кн..1 – М.: Химия, 1990. -480с.
2. Пилипенко А.Т., Пятницкий И.В. Аналитическая химия. В двух книгах: кн..2 – М.: Химия, 1990. -480с.
3. Васильєв В.П. Аналитическая химия. В 2 ч. Ч. 2. Физико – химические методы анализа: Учеб. для Химко – технол. спец. вузов. – М.: Высш. шк., 1989. – 384с.
4. Шишловский А. А. Прикладная физическая оптика. М.: Физматгиз, 1961. - 811 с.
5. Оптические спектральные приборы. Л.: Энергия, 1975. - 136 с.
6. Толмачев Ю.А. Новые спектральные приборы. Принципы работы. Л.: ЛГУ, 1976. - 126 с.
7. И.Р.Шен. Нелинейная оптика. М.: Наука,1989.
8. . В.Демтредер. Лазерная спектроскопия. М.: Наука 1985.
9. Юинг Г. Инструментальные методы химического анализа / Пер. с англ. М.: Мир, 1989.
10. Булатов М.И., Калинкин И.П. Практическое руководство по фотометрическим методам анализа -5-е изд., перераб.- Л.:Химия, 1986. - 432 с.
11. Булатов М.И., Калинкин И.П. Практическое руководство по фотоколориметрическим и спектрофотометрическим методам анализа, изд. 4-е, пер. и доп., Л., «Хиимя», 1976,-376с.
12. Физические основы спектрального анализа. Райхбаум Л.Д., М.: Наука, 1980.
13. Рабек Я. Экспериментальные методы в химии полимеров.: в 2-х частях. – М.: Мир, 1983. – 384 с., 480 с.
14. В.В. Киреев. Высокомолекулярные соединения. М. Высшая школа, 1992.
15. Николаев А.Ф. Технология пластических масс. - Л.: Химия, 1977. 368 с.
16. Калинчев Э.Л., Саковцева М.Б. Свойства и переработка термопластов: Справочное пособие. - Л.: Химия, 1983. 288 с.
17. Тагер А.А. Физикохимия полимеров. - М.: Химия, 1978. 544 с.
18. Шур А.М. Высокомолекулярные соединения. - М.: Высшая школа, 1981. 656 с.
19. Тугов И.И., Кострыкина Г.И. Химия и физика полимеров. - М.: Химия, 1989. 432 с.
20. Папков С. П. Физико-химические основы переработки растворов полимеров. – М.: Химия, 1971.
21. Козлов П. В., Физико-химия эфироцеллюлозных пленок, Изд. «Искусство», 1948.
22. Козлов Л. В., Брагинский Г. И., Химия и технология полимерных пленок, Изд. «Искусство», 1965.
23. Чесунов В. М., Васенин Р. М., Высокомол. соед., А9, 2067 (1967).
24. Козлов Л. В., Брагинский Г. И., Химия и технология полимерных пленок, Изд. «Искусство», 1965.
25. Подгородецкий Е. К., Технология производства пленок из высокомолекулярных соединений, Изд. «Искусство», 1953.
26. Ultradur S. Plasty a kauc. – 1997. – v.34, № 10. – р.315.
27. Mapleston P. Glass filled PBTs have improved surface finish, reduced warpage. Mod. Plast. Int. – 1997. – v.27, № 3. – р.78.
28. Tashi M., Maiti S.N., Misra A., Mittal R.K. Polim. Compos. – 1994. – v.15, № 5. – р.349-358.
29. Сhu J., Sullivan J.L. Reciclabiliti of a glass fiber poly(butylenetere-phthalate)composite. Polym. Compos.. – 1996. – v.17, № 3. – р.523-531.
30. Шляпников Ю.А., Кирюшкин С.Г., Марьин А.П. Антиокислительная стабилизация полимеров. – М.: Химия, 1986. – 256 с.
31. Беллами Л. Инфракрасные спектры сложных молекул ИЛ, М.; 1963. С. 18.
32. Наканиси К. Инфракрасные спектры и строение органических соединений. “Мир”, М., 1965, с. 93.
33. Гурвич Я.А., Кумок С.Т. Промежуточные продукты, органические красители и химикаты для полимерных материалов. – М.: Высш. шк., 1989. – 304 с.
34. Рудзитис Г. Е., Фельдман Ф. Г. Химия: Органическая химия. Основы общей химии (Обобщение и углубление знаний):Учеб. Для 11 класса.-М.: Просвещение, 2004.- 160с.
35. Рудзитис Г. Е., Фельдман Ф. Г. Химия: 10-й класс.:Учеб. Для общеобразоват. учреждений. - М.: ООО «Издательство АСТ»: ООО «Издательство АСстрель», 2004.- 159с.
36. Хомченко Г.П. Пособие по химии для поступающих в вузы.- 3-е изд. Испр. И доп. М.:ООО Издательство Новая Волна», Издатель Умеренков, 2004.- 464с.
37. Гузей Л.С. и др. Химия, 11 класс/ Л.С. Гузей, Р.П. Суровцева, Г.Г. Лысова - М.: "Дрофа", 1999. -240c.
38. Патапов В. М., Татаринчик С. Н., Аверина А. В. Задачи и упражнение по органической химии. - М.: «Химия», 1997. - 144с.
39. Мовсумзаде Э.М. и др. Химия в вопросах и ответах с использованием ЭВМ./Э.М. Мовсумзаде, Г.А. Аббасова, Т.Г. Захарочкина. - М.: Высш. школа,1991. - 191с.
40. Кузьменко Н.Е., Еремин В.В. Химия. 2400 задач для школьников и поступающих в вузы.- М.: Дрофа, 1999.- 560 с.
41. Исидоров В.А. Экологическая химия: Учебное пособие для вузов. – СПб: Химиздат, 2001. – 304 с.
42. Селезнев А.В. Некоторые представления о свойствах поливинилхлорида и материалов на его основе // Экология и промышленность России.- 2001.- №11.- с. 35-37.
43. Микитюк А.Д. Обобщение сведений о реакциях полимеризации // Химия в школе.- 2002.- №4.- с. 56-62.
Похожие рефераты:
Разработка системы защиты атмосферы при производстве поливинилхлорида
Разработка школьного элективного курса "Полимеры вокруг нас"
Программа для поступающих в вузы (ответы)
Межпредметные связи в курсе школьного предмета химии на предмете углерода и его соединений
Влияние технологических добавок на структуру и свойства резин
Анализ сополимеризации индена с малеиновым ангидридом
Перспективы развития экологического сознания школьников при изучении темы "Полимеры" в курсе химии
Развитие, становление и основные аспекты фармации
Композиционные хемосорбционные волокнистые материалы "Поликон К", наполненные углеродными волокнами
Структура и адгезионные свойства отверждённых эпоксидных смол