| Скачать .docx |
Реферат: Конструирование гражданских зданий
Введение
В нашем языке существует немало слов, имеющих несколько значений. "Строительство" - одно из таких слов.
Мы говорим: "Значительную долю продукции, производимой в нашей стране, дает сегодня строительство" - и видим за этим словом гигантскую отрасль народного хозяйства, превратившую нашу страну в строительную площадку небывалых размеров.
Словом "строительство" мы называем и самостроящееся здание или сооружение, и то место, где оно строится, и род занятий строителей... Очень емкое слово.
А главное - очень важное. Потому что без строительства невозможно представить себе нашу сегодняшнюю жизнь.
На снежной северной зимовке людей спасает от мороза и пурги теплый домик экспедиции. У экватора здания прячут людей от палящего солнца или ливней. По автострадам, мостам, тоннелям вереницы автомашин везут людей на работу - в цехи и лаборатории, на учебу - в школы и институты. По железнодорожным путям грохочут поезда, мчат людей и грузы в новый город в Заполярье или к курорту у теплого моря. Всюду окружают человека, кроме лесов и полей, рек и гор, дома, города, дороги. Окружает его как бы вторая природа, созданная его собственными руками, удобная для жизни искусственная среда.
Созданием этой искусственной среды и занимается та огромная отрасль человеческой деятельности, которая называется "строительство". Машины и масштабы
Более 1000 новых городов выросло за годы Советской власти, возведены десятки тысяч промышленных предприятий, сооружены сотни тысяч школ, кинотеатров, десятки миллионов квартир.
Таких огромных масштабов и высоких темпов строительства не знала ни одна предшествующая эпоха. Каждый год мы выполняем строительных работ на 5-7% больше, чем в предыдущем, и строители продолжают наращивать темпы. Это стало возможным благодаря тем изменениям, которые произошли в строительстве за годы Советской власти.
Главные среди них - индустриализация строительного производства, механизация строительства, максимальная замена всех видов ручного труда машинным.
Сегодня с помощью машин выполняют почти все тяжелые строительные работы: роют и перемещают грунт, приготавливают и укладывают бетонную смесь, транспортируют и монтируют многотонные конструкции. Машины облегчают труд людей и на других работах - помогают штукатурить и красить, сваривать металл, завинчивать гайки и забивать гвозди.
Широкое применение машин позволило по-новому организовать строительное производство. Самое сложное и трудоемкое в строительстве - изготовление конструкций, элементов будущих построек,- как правило, выполняется сегодня в заводских условиях, на конвейере. Тысячи специальных заводов, сотни домостроительных комбинатов снабжают сегодня стройки конструкциями, деталями и материалами. А на строительной площадке стремятся оставить только процессы сборки и монтажа готовых элементов.
Изменилось и многое другое: разработаны новые, высокопрочные, легкие и долговечные строительные материалы и конструкции, усовершенствованы способы выполнения многих строительных работ, возникли новые методы строительства, более быстрые, более дешевые, требующие меньших затрат труда и времени.
Все это позволило почти в 40 раз увеличить, по сравнению с дореволюционным временем, объем строительства в стране и резко повысить производительность труда строителей.
Современное строительство - это высокоиндустриальная, гигантская по своему размаху, по масштабам и по своему значению отрасль человеческой деятельности.
Первые постройки человека: примитивные заслоны от ветра, землянки, шалаши и хижины - такие, как в этой затерявшейся в тропических джунглях деревушке,- мало отличались от окружавшей их природы и друг от друга.
Характеристика здания
Проектируемое здание жилое, которое имеет размеры в плане 36 м × 12.9 м.
Здание трёхэтажное. Высота - 2.8 м.
Здание бесподвальное, бескаркасное.
Пространственная жесткость и устойчивость здания обеспечивается за счёт стен и плит перекрытия .
По долговечности здание относится к 1 степени, так как его конструктивные элементы рассчитаны на срок службы 100 лет.
По огнестойкости в соответствии с CY< 2/02/01 – 85 здание относится к 1 степени.
Класс ответственности здания по СНиП 2.01.07 – 85 -2 класс ответственности.
Здание размещается на участке со спокойным рельефом.
Ширина дорог – 12м., проездов – 8м, тротуаров – 12м.
Выполнена координатная привязка здания к осям строительной геодезической сетки. Абсолютная отметка, соответствующая условной нулевой,137,47 м.
здание имеет благоприятную ориентацию по сторонам горизонта: окна фасада 1 – 11 сориентированы на северо - восточную сторону горизонта, окна фасада А – Д на юго – восточную сторону горизонта.
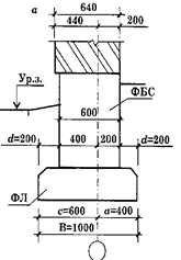
Фундаменты
В данной курсовой работе запроектированы сборные железобетонные ленточные фундаменты, состоящие из фундаментных блоков плит и стеновых фундаментных блоков. Глубина заложения фундаментов-2,6м. Отметка подошвы-2,3м.
Так как толщина стены 640мм, то привязка к координационной оси двусторонняя 200мм и 440мм.

Под внутренние несущие, как наиболее загруженные, принимаем фундаментные плиты шириной 1200 мм.
Под наружные несущие стены - на порядок ниже:1000мм. Под наружные самонесущие стены также принимаем фундаментные плиты шириной 1000 мм.
Плиты ленточных фундаментов укладывать на тщательно спланированную и утрамбованную поверхность основания. Монолитные участки выполнять из бетона класса В12,5.

В зависимости от толщины стены принимаем фундаментные блоки, толщиной:
А) Для наружных стен – 600мм.
Б) Для внутренних стен – 400мм.
Их следует укладывать на цементном растворе М50 с обязательной перевязкой швов. Число вертикальных рядов фундаментных блоков-4.
Фундамент под наружные стены
Внутреннюю грань стены совмещаем с внутренней гранью фундаментного блока. Привязка фундаментного блока к координационной оси:200мм и 400мм. Фундаментную плиту располагаем симметрично толщине фундаментного блока. Размеры уступов:
d = (1000-600):2=200мм.
Привязка фундаментной плиты: 
а=200+200=400мм
с=200+400=600мм
Фундамент под внутренние стены
Привязка фундаментного блока к оси центральная 200мм и 200мм.
Размеры уступов:
d = (1200-400):2=400мм

Привязка фундаментной плиты центральная:
В/2=200+400=600мм.
Монолитные участки выполняются из бетона класса В12,5.
Для защиты фундаментов от поверхностных вод по периметру здания выполняем асфальтобетонную отмостку, шириной 800мм по щебёночному основанию, толщиной 150мм, с уклоном от здания 3%.
Ведомость расчёта фундаментных плит
Таблица 1
Пози- ция |
Марка |
Документа- ция |
Размеры,мм |
Масса,т |
Кол-во, шт |
||
| L | B | H | |||||
3 |
ФЛ10.24-1 | ГОСТ 13580-85 | 2380 | 1000 | 300 | 1,38 | 4 |
| 4 | ФЛ12.24-1 | ГОСТ 13580-85 | 2380 | 1200 | 300 | 1,63 | 8 |
| 2 | ФЛ10.12-1 | ГОСТ 13580-85 | 1180 | 1000 | 300 | 0,65 | 34 |
| 1 | ФЛ12.12-1 | ГОСТ 13580-85 |
1180 | 1200 |
300 |
0,78 |
81 |
| 5 | ФЛ10.8-1 | ГОСТ 13580-85 | 780 | 1000 | 300 | 0,42 | 18 |
| 6 | ФЛ12.8-1 | ГОСТ 13580-85 | 780 | 1200 | 300 | 0,5 | 1 |
В здании устроена горизонтальная и вертикальная гидроизоляция. Первый слой горизонтальной гидроизоляции укладывают по верху фундаментных подушек из цементного раствора толщиной 30 мм.
Второй слой горизонтальной гидроизоляции (рулонной) устраивают в цоколе наружных стен на 200мм выше отмостки.Во внутреннх стенах этот слой распологается на 200мм ниже уровня пола.
Вертикальная гидроизоляция подвальных стен осуществляется обмазкой их поверхностей, соприкасающихся с грунтом, горячей битумной мастикой за два раза.
Стены
В проектируемом здании внутренние стены выполнены из пустотного керамического кирпича плотностью 1400 кг/м3 с размерами 250×120×65мм сплошной кладки. Толщина внутренних стен 380мм.
Во внутренних стенах, разделяющих санузлы и кухни, предусмотрены вентиляционные каналы размерами 270×140мм.Участки стен в местах прохода вентиляционных каналов армированы двумя продольными стержнями Ø 5 Вр І с приваркой поперечных стержней с шагом 100мм, минуя отверстия вентиляционных каналов.
Теплотехнический расчёт наружных стен:
1.Находим требуемое сопротивление теплоотдачи:
tв - расчётная тем
пература внутреннего воздуха(табл.12)
tн- расчётная температура наружного воздуха
αв-коэф.теплоотдачи(табл.8)
n- коэфециент, принимаемый в зависимости от положения наружной поверхности ограждающей конструкции , для наружных стен он равен 1.
2.Требуемая толщина стены:
=(0.93-0.115-0.002-0.043)![]()
Принимаем стену толщиной 640мм.
Наружные стены выполнены из пустотного керамического кирпича плотностью 1400 кг/м3 с размерами 250×120×65мм сплошной кладки на цементно-известковом растворе. Толщина наружных стен 640мм( наружная верста-120мм,воздушная прослойка-50мм,пенополистерол-90мм,внутренняя верста-380мм).
Утеплитель устанавливаем, плотно прижимая его к внутренней версте, предварительно раскроив его на высоту 5-ти рядов. Для установки гибких связей в пенополистероле вырезают борозды 3
3см с шагом 500мм, куда укладывают гибкие связи и заполняют раствором.


![]()
![]()
![]()
![]()
![]()
![]()
![]()
![]()
![]()
![]()
![]()
![]()
![]()
![]()
![]()
![]()


Над проёмами в стенах уложены сборные железобетонные перемычки. Перемычки укладывают на кирпичные стены по слою цементного раствора М50.
Спецификация элементов перемычек
Позиция |
Обозначение |
Наименование |
Количество на этаж | Всего |
Масса ед., кг |
Примечание |
|||
| 1 | 2 | 3 | |||||||
| 1 | Серия 1.038.1-1 выпуск 1 |
5ПБ25-27 | 28 | 24 | 24 | 78 | 338 | ||
| 2 | 3ПБ21-8 | 12 | 12 | 12 | 36 | 137 | |||
| 3 | 5ПБ18-27 | 12 | 14 | 14 | 40 | 250 | |||
| 4 | 3ПБ18-8 | 6 | 7 | 7 | 20 | 119 | |||
| 5 | 3ПБ25-8 | 2 | - | - | 2 | 162 | |||
| 6 | 3ПБ13-37 | 66 | 66 | 66 | 198 | 85 | |||
| 7 | Серия 1.038.1-1 выпуск 1 |
1ПБ10-1 | 12 | 12 | 12 | 36 | 20 | ||
| 8 | 1ПБ13-1 | 8 | 8 | 8 | 24 | 25 | |||

Ведомость перемычек
Марка |
Схема сечения |
Проёмы №: 1;5;6;10;11;12;13; 15;16;18;19;20 |
|
Проёмы №: 2;3;4;7;8;9; 14;17 |
|
Позиция 1 |
|
Позиция 2 |
Перекрытия
В здании запроектированы сборные железобетонные перекрытия из многопустотных плит (что повышает их звукоизоляцию и улучшает термоизоляционные свойства) толщиной 220мм. В местах пропуска комуникаций и вентблоков запроектированы ребристые плиты перекрытий.

Плиты перекрытия опираются на несущие стены короткими сторонами по слою свежего цементно-песчаного раствора на 200мм.
Пустоты в торцах плит перекрытия на глубину 200мм заделываются бетоном. Это предохраняет концы плит от продавливания вышележащей стеной, а также улучшает тепло- и звукоизоляцию перекрытий.
Анкерные связи устанавливают цепочкой через всё здание в каждой третьей- четвёртой плите ряда. После установки анкеров подъёмные петли загибают, анкеры и петли накрывают для защиты от коррозии слоем цементно- песчаного раствора толщиной 30 мм.


Спецификация элементов плит покрытий
Пози- ция |
Обозна- чение |
Наимено- вание |
Количество на этаж |
Всего |
Масса еденицы, кг |
Приме- чание |
||
| 1 | 2 | 3 | ||||||
| 1 | Серия 1.141-1 выпуск 60 |
ПК36.12-3Т | 18 | 18 | 18 | 54 | 1280 | |
| 2 | ПК36.15-3Т | 58 | 58 | 58 | 168 | 1700 | ||
Лестницы
В здании запроектированы лестницы основного назначения из сборных железобетонных лестничных маршей и площадок, расположенных в лестничных клетках, ограждённых капитальными стенами. Лестничный марш и площадки подобраны по каталогу на основании расчёта.
Расчёт лестничной площадки:
Высота этажа- 2,8м
Уклон лестницы- 1:2
Размеры ступеней-150
300мм
Ширина марша-1,75м
1.Определяем ширину лестничной клетки:
В=2В+100+2
1,75+100=3,6м
2. Высота одного марша:
Hэт / 2=2800
2=1400мм
3.Число подступёнков в одном марше:
N=1400
150=9
4.Длина горизонтальной проекции:
α=300×(N-1)=300×8=2400мм
5.Число проступей:
9-1=8
Принимаем ширину лестничной промежуточной лощадки- 1650мм.
Ширина этажной площадки- 1650мм.
Тогда полная ширина лестничной клетки:
2400+1650+1650=5700мм.
Перегородки
Перегородки в здании из керамического кирпича. Толщина перегородок: межкомнотных-120мм, межквартирных-380мм.
Перегородки санитарных узлов выкладывают по металлическому шаблону. После укладки двух рядов его убирают.Кладку ведут с перевязкой швов на растворах М100.
Зазоры между перегородками и стенами тщательно конопатят.
Устойчивость перегородок обеспечивается укладкой арматуры в горизонтальные швы и вертикальные штрабами, оставленные в местах примыкания к капитальным стенам.
Кровля
В здании запроектирована чердачная стропильная крыша.Кровля выполнена из металлочерепицы, с холодным чердаком.
Кровлю поддерживает стропильная система, состоящая из мауэрлатов- опорных брусьев, укладываемых на наружные стены, стоек и прогонов устанавливаемых в середине здания; стропил- балок, уложеных по скату, и опалубки из досок, скомбинированой с обрешёткой из брусков, на которые непосредственно укладывается кровельный материал. Шаг стропил-1 м.
Металлочерепица представляет собой профилированые листы с продольными волнами и поперечными гофрами, конфигурация которых воспроизводит вид традиционной черепицы.Толщина-0,5мм ; полезная ширина- 1100мм; максимальная длина- 7м.Шаг поперечного рисунка – 350мм.
Обрешётка крепится к стропилам при помощи гвоздей. Между стропилами и обрешёткой укладывается слой пароизоляции. Листы металлочерепицы крепятся к обрешётке при помощи шурупов, с учётом 6 штук на 1 м2.
Наружный организованный водосток равен:
Общая площадь кровли:
Sобщ=573 м2
Из расчёта одна воронка обслужит 33 м2 кровли
Количество водосточных труб:
Nтруб= штук.
Наружная и внутренняя отделка
Наружная отделка:
Цокольная часть здания облицовывается плитками декоративного камня.
Наружная стена облицована керамическим кирпичом.
Внутренняя отделка:
В коридорах стены отштукатурены и покрыты специальными красками.
В комнатах стены оклеены обоями. В кухнях на высоту рабочей зоны(1 метр от уровня пола) стена облицована плиткой. Остальная часть стены оштукатурена и покрыта специальной краской.
Санузел облицован керамической плиткой.
Полы
Дощатые полы
Для покрытия деревянных полов применяются древесина хвойных и лиственных пород. Это строганные шпунтованные доски первого и второго сорта. Толщина досок составляет 29мм. Ширина досок после острожки, выборки гребней и пазов, составляет 115мм.
Для лаг применяются доски 2-го и 3-го сорта влажностью не более 18%.Толщина лаг-50мм, а подкладок-30мм; ширина лаг-100мм.
В качестве звукоизоляции служат звукоизоляционные ленточные подкладки .
Устройство досчатого пола заканчивается установкой плинтусов между полом и стеной по всему периметру помещения. Для крепления плинтусов в стенах через каждые 70см электродрелью просверливается отверстие и забиваются деревянные пробки.
Для обеспечения звукоизоляции между плинтусом и стеной устраиваются прокладки из мягкой древесноволокнистой плиты или другого материала.
Плиточные полы
Плиточные полы устраиваются в санузлах. Эти полы представляют собой конструкцию, в которую входят следующие элементы:
Покрытие из керамических плиток.
Прослойка, связывающая покрытие с перекрытием.
Стяжка из цементно-песчаного раствора.
Гидроизоляционный слой.
Звукоизоляционный слой.
Плита перекрытия.
В коридорах предусмотрены линолиумные полы.
Основанием под линолиумный пол служит лёгкий бетон. При устройстве пола покрытие из синтетических материалов укладывается на древесноволокнистые плиты. Раскладка плит по огрунтованному основанию выполняется в разбежку с зазорами между листами 3-5 мм. Наклеиваются плиты на горячей битумной мастике.
При примыкании полов к стенам особое внимание уделяется звукоизоляции. Полы отделяются от стен упругими прокладками. Зазоры около 10 мм в примыканиях полов к стенам перекрываются деревянными плинтусами.
В санузлах гидроизоляционный ковёр подстилающего слоя заводится на стену на высоту 0,3 м.Поверх него устраивается плинтус из керамических плиток на армированном стальной сеткой цементно-песчаном растворе
Номер помеще-ния |
Тип пола |
Схема пола |
Элементы пола и их толщина, мм |
Площадь, м2 |
2.8. Окна и двери.
Окна запроектированы с тройным остеклением (со стеклопакетами и стеклом изнутри) со спаренными переплётами, двухстворчатые.
Всего запроектировано 2 типа окон:
Эскизы окон

Запроектировано 3 типа дверей:
Эскизы дверей

Ведомость проёмов
| Марка поз | Размер проёма в кладке bxh, мм. |
| ОК1 | 1790×1500 |
| ОК2 | 1330×1500 |
| ОК3 | 1200×1500 |
| ДБ1 | 900×2000 |
| ДБ2 | 600×2000 |
| ДБ3 | 1930×2100 |
Спецификация элементов заполнения
| Позиция | Обозначение | Марка | Кол-во |
| ОКНА | |||
ОК1 ОК2 ОК3 |
О3С15 – 17,9СПС О3С15 – 13,3СПС ОС12 – 13,3СП |
15 – 17,9 15 – 13,3 12 – 13,3 |
36 18 2 |
| ДВЕРИ | |||
Д1 Д2 Д3 |
ДВДГ 20-9Ф ДВДГ 20-6Ф ДВДГ 21-19,3Ф |
20 – 9 20 – 6 21 – 19,3 |
66 36 2 |
Спецификация основных сборных железобетонных конструкций
| Поз | Обозначение | Наименование | Количество | Масса ед., кг | Примечание |
| Плиты перекрытий | |||||
| 1 | Серия 1.141-1 выпуск 60 |
ПК36.12-3Т | 54 | 1280 | |
| 2 | ПК36.15-3Т | 168 | 1700 | ||
| Фундаменты | |||||
| 1 | ГОСТ 13580-85 |
ФЛ12.12-1 | 81 | 780 | |
| 2 | ГОСТ 13580-85 | ФЛ10.12-1 | 34 | 650 | |
| 3 | ГОСТ 13580-85 | ФЛ10.24-1 | 4 | 1380 | |
| 4 | ГОСТ 13580-85 | ФЛ12.24-1 | 8 | 1630 | |
| 5 | ГОСТ 13580-85 | ФЛ10.8-1 | 18 | 420 | |
| 6 | ГОСТ 13580-85 | ФЛ12.8-1 | 1 | 500 | |
| Лестничные марши и площадки | |||||
| ЛП1 | Серия 1.152.1-8 выпуск 1 |
2ЛП22.15-4-К | 6 | 1200 | |
| ЛП2 | ЛПФ28.11-5 | 6 | 900 | ||
| ЛМ1 | Серия 1.151.1-6 выпуск 1 |
1ЛМ27.12.14-4 | 8 | 1520 | |
| ЛМ2 | Серия 1.251.1-4 выпуск 1 |
2ЛМФ42.15.18-5 | 2 | 1160 | |
| Перемычки | |||||
| 1 | Серия 1.038.1-1 выпуск 1 |
5ПБ25-27 | 78 | 338 | |
| 2 | 3ПБ21-8 | 36 | 137 | ||
| 3 | 5ПБ18-27 | 40 | 250 | ||
| 4 | 3ПБ18-8 | 20 | 119 | ||
| 5 | 3ПБ25-8 | 2 | 162 | ||
| 6 | 3ПБ13-37 | 198 | 85 | ||
| 7 | Серия 1.038.1-1 выпуск 1 |
1ПБ10-1 | 36 | 20 | |
| 8 | 1ПБ13-1 | 24 | 25 | ||
Список литературы
Л.М.Ржецкая,Т.П.Макогон «Гражданские и промышленные здания» – Мн.Дизайн «Про».2002.
А.С.Козловский «Кровельные работы» - М. «Высшая школа» .1973
В.Н.Дамье-Вульсон, Н.Н.Завражин «Устройство полов» - М. «Высшая школа». 1986.
В.М.прасол «Проектирование жилых и общественных зданий» - Гомель 2005.
А.З.Буханов, Е.Н. Белоконев, Т.М.Белоконева, А.А.Чистяков «Основы архитектуры зданий и сооружений» - Феникс 2008.
Б.А.Миткин, А.И.Титов «Справочное пособие по отделочным работам»- Мн. «Вышейшая школа» 1977.
В.И.Рыженков «Кровли, крыши, мансарды» - М. «Оникс» 2005.
А.С.Стаценко, А.И.Тамкович «Технология и организация строительного производства» - Мн. «Вышэйшая школа» 2000.