| Скачать .docx |
Реферат: Методические рекомендации к лабораторным работам для студентов специальности 200106 «Информационно-измерительная техника и технологии»
Федеральное агентство по образованию
Бийский технологический институт (филиал)
государственного образовательного учреждения
высшего профессионального образования
«Алтайский государственный технический университет
им. И.И. Ползунова»
Е.В. Сыпин, Е.С. Повернов, Е.В. Берестова
ПРИНЦИПЫ ПОСТРОЕНИЯ ЦИФРОВЫХ
ИЗМЕРИТЕЛЬНЫХ ПРИБОРОВ
Методические рекомендации к лабораторным работам
для студентов специальности 200106
«Информационно-измерительная техника и технологии»
Бийск
Издательство Алтайского государственного технического
университета им. И.И. Ползунова
2010
УДК 621.382.08 (035.5)
| Рецензент: |
доцент кафедры ИУС БТИ АлтГТУ Г.С. Ломакин |
Работа подготовлена на кафедре методов и средств
измерений и автоматизации
Сыпин, Е.В.
| Принципы построения цифровых измерительных приборов: мето-дические рекомендации к лабораторным работам для студентов специальности 200106 «Информационно-измерительная техника и технологии» / Е.В. Сыпин, Е.С. Повернов, Е.В. Берестова; Алт. гос. техн. ун-т, БТИ. – Бийск: Изд-во Алт. гос. техн. ун-та, 2010. – 33 с. |
В методических рекомендациях приведены задания к лабораторным работам по курсу «Цифровые измерительные устройства». Представлена подробная информация обо всех изучаемых методах построения цифровых измерительных устройств. Приведены алгоритмы выполнения лабораторных работ и образец отчёта.
УДК 621.382.08 (035.5)
Рассмотрены и одобрены
на заседании кафедры МСИА.
Протокол № 59 от 12.11.2009 г.
| © Сыпин Е.В., Повернов Е.С., Берестова Е.В., 2010 |
| © БТИ АлтГТУ, 2010 |
СОДЕРЖАНИЕ
| ВВЕДЕНИЕ……………………………………………………………. |
4 |
| 1 ПЛАН ВЫПОЛНЕНИЯ ЛАБОРАТОРНОЙ РАБОТЫ…………… |
4 |
| 2 ВОЗМОЖНЫЙ ВАРИАНТ ОТЧЁТА О ЛАБОРАТОРНОЙ РАБОТЕ………………………………………………………………... |
5 |
| 3 ЗАДАНИЯ К ЛАБОРАТОРНЫМ РАБОТАМ……………………. |
5 |
| ПРИЛОЖЕНИЕ А. Измерение постоянного напряжения и тока времяимпульсным методом………………………………………….. |
9 |
| ПРИЛОЖЕНИЕ Б. Измерение ёмкости и сопротивления методом дискретного счёта…………………………………………………….. |
14 |
| ПРИЛОЖЕНИЕ В. Измерение частоты методом электронно-счётного частотомера………………………………………………… |
18 |
| ПРИЛОЖЕНИЕ Г. Метод измерения сдвига фаз с времяимпульсным преобразованием………………………………... |
22 |
| ПРИЛОЖЕНИЕ Д. Логический анализатор………………………… |
24 |
| ПРИЛОЖЕНИЕ Е. Лабораторный стенд для изучения метода измерения напряжения и тока. Схема электрическая принципиальная………………………………………………………. |
27 |
| ПРИЛОЖЕНИЕ Ж. Лабораторный стенд для изучения метода измерения ёмкости и сопротивления. Схема электрическая принципиальная………………………………………………………. |
28 |
| ПРИЛОЖЕНИЕ И. Лабораторный стенд для изучения метода измерения частоты. Схема электрическая принципиальная……….. |
29 |
| ПРИЛОЖЕНИЕ К. Лабораторный стенд для изучения метода измерения фазового сдвига. Схема электрическая принципиальная… |
30 |
| ПРИЛОЖЕНИЕ Л. Лабораторный стенд для изучения принципов работы логических анализаторов. Схема электрическая принципиальная……………………………………………………….. |
31 |
| ЛИТЕРАТУРА…………………………………………………………. |
32 |
ВВЕДЕНИЕ
Развитие цифровой электроники, низкая стоимость цифровых устройств, удобство и скорость изменения алгоритма работы – всё это привело к тому, что область применения цифровых устройств стремительно расширяется.
Развитие цифровой электроники затронуло и сферу измерений. Это позволило создать принципиально новые измерительные устройства, в которых, используя достижения цифровой микропроцессорной техники, удаётся получить более высокие технические характеристики по сравнению с аналоговыми измерительными приборами. Математическая обработка результатов измерения, программная коррекция систематической погрешности, запоминание результатов измерения и построение измерительных систем с применением персональных компьютеров – далеко не полный список появившихся возможностей в цифровых измерительных устройствах.
Широкое использование цифровой техники для построения измерительных приборов привело к появлению новых методов измерений. Изучение этих методов является необходимым условием для подго-товки грамотного специалиста по информационно-измерительной тех-нике.
Лабораторный комплекс на основе внутрисхемного эмулятора микроконтроллеров промышленного стандарта MCS-51 позволяет освоить наиболее распространённые методы построения различных цифровых измерительных приборов, провести измерения, используя эти методы, обработать результаты измерений. Использование микроконтроллера в качестве ядра устройства управления прибора является наиболее типичным программно-аппаратным подходом к построению цифровых измерительных устройств.
При выполнении лабораторных работ следует пользоваться методическими указаниями [2].
1 ПЛАН ВЫПОЛНЕНИЯ ЛАБОРАТОРНОЙ РАБОТЫ
1) Изучить цель лабораторной работы.
2) Изучить задание к лабораторной работе.
3) Изучить теоретические сведения по методу построения цифрового измерительного прибора, который исследуется в лабораторной работе (Приложения А–Л).
4) Изучить схему, реализующую данный метод (см. Приложе-ния А–Л). Следует помнить, что все приведённые схемы подключаются к внутрисхемному эмулятору микроконтроллера промышленного стан-дарта MCS-51.
5) Разработать блок-схему алгоритма программы для выполнения задания к лабораторной работе.
6) По блок-схеме алгоритма написать программу на языке
АССЕМБЛЕРА для микроконтроллера промышленного стандарта MCS-51 [2].
7) Отладить программное обеспечение на лабораторном стенде, используя методические указания [2]. Убедиться, что разработанная программа позволяет выполнить задание к лабораторной работе.
8) Написать отчёт о проделанной работе (возможный вариант отчёта приведён в разделе 2).
2 ВОЗМОЖНЫЙ ВАРИАНТ ОТЧЁТА
О ЛАБОРАТОРНОЙ РАБОТЕ
В отчёте о выполненной лабораторной работе необходимо отразить следующие пункты (пункты приведены в рекомендуемой последовательности):
– номер и название лабораторной работы;
– номер варианта;
– цель лабораторной работы;
– задание на лабораторную работу;
– план выполнения лабораторной работы (см. раздел 1);
– ход лабораторной работы, в частности, блок-схему алгоритма программы, текст программы, полученные результаты выполнения программы;
– вывод.
3 ЗАДАНИЯ К ЛАБОРАТОРНЫМ РАБОТАМ
3.1 Лабораторная работа № 1
Изучить электрическую принципиальную схему лабораторного стенда и метод для измерения напряжения и тока. В соответствии с изученным разработать программное обеспечение (ПО), реализующее данный метод на лабораторном стенде.
Используя вольтметр, установить измеряемое напряжение от внутреннего источника на уровень 3,7 В. Выполнить измерение напряжения, применяя разработанное ПО. Рассматривая лабораторный стенд как рабочее средство измерения напряжения, а вольтметр как образцовое, рассчитать относительную и случайную погрешности стенда и доверительный интервал.
Аналогичную последовательность действий выполнить при значениях измеряемого напряжения 2,5 В и 3 В.
Составить отчёт о проделанной работе.
3.2 Лабораторная работа № 2
Изучить электрическую принципиальную схему лабораторного стенда и метод для измерения сопротивления и ёмкости. В соответствии с изученным разработать ПО, реализующее данный метод на лабораторном стенде.
Рассматривая в качестве образцового резистор R6, выполнить измерение ёмкости конденсатора C1, применяя разработанное ПО. Рассматривая в качестве образцового конденсатор C2, выполнить измерение сопротивления резистора R7.
Сопоставить полученные значения с номинальными значениями измеряемой ёмкости и сопротивления соответственно. Обосновать несоответствие номинальных и полученных значений. Выполнить анализ возможных погрешностей стенда и метода измерения. Привести способы уменьшения этих погрешностей.
Составить отчёт о проделанной работе.
3.3 Лабораторная работа № 3
Изучить электрическую принципиальную схему лабораторного стенда и метод для измерения сопротивления и ёмкости. В соответствии с изученным разработать ПО, реализующее данный метод на лабораторном стенде.
Рассматривая в качестве образцового резистор R7, выполнить измерение ёмкости конденсатора C2, применяя разработанное ПО. Рассматривая в качестве образцового конденсатор C1, выполнить измерение сопротивления резистора R6.
Сопоставить полученные значения с номинальными значениями измеряемой ёмкости и сопротивления соответственно. Обосновать несоответствие номинальных и полученных значений. Выполнить анализ возможных погрешностей стенда и метода измерения. Привести способы уменьшения этих погрешностей.
Составить отчёт о проделанной работе.
3.4 Лабораторная работа № 4
Изучить электрическую принципиальную схему лабораторного стенда и метод для измерения частоты. В соответствии с изученным разработать ПО, реализующее данный метод на лабораторном стенде.
Рассматривая лабораторный стенд как рабочее средство измерения частоты, рассчитать его пределы измерения. Применяя разработанное ПО, выполнить N измерений частоты, значение которой находится в пределах измерения. Значение N должно быть достаточным, для того, чтобы установить зависимость погрешности измерения, от значения измеряемой частоты. Вывести эту зависимость.
Составить отчёт о проделанной работе.
3.5 Лабораторная работа № 5
Изучить электрическую принципиальную схему лабораторного стенда и метод для измерения сдвига фаз. В соответствии с изученным разработать ПО, реализующее данный метод на лабораторном стенде.
Снять перемычку с переключателей. Рассматривая лабораторный стенд как рабочее средство измерения сдвига фаз провести измерения при частотах порядка 100 Гц, 1 кГц, 10 кГц, применяя разработанное ПО. Провести теоретический расчёт сдвига фаз при указанных частотах. Сопоставить результаты и обосновать их расхождение. Рассчитать погрешность измерений.
Установить перемычку на переключатель таким образом, чтобы выводы резистора R1 оказались замкнутыми. Выполнить действия, аналогичные действиям при снятой перемычке, при частотах 50 Гц, 500 Гц, 5 кГц.
Установить перемычку на переключатель таким образом, чтобы выводы резистора R2 оказались замкнутыми. Выполнить действия, аналогичные действиям при снятой перемычке, при частотах 200 Гц,
2 кГц, 20 кГц.
Составить отчёт о проделанной работе.
3.6 Лабораторная работа № 6
Изучить электрическую принципиальную схему лабораторного стенда для изучения логических анализаторов и методы их построения на лабораторном стенде.
Разработать ПО, позволяющее в реальном времени на экране монитора графически отображать логические состояния исследуемых сигналов. Предусмотреть масштабирование по времени. Определить максимальную частоту изменения исследуемых сигналов, при которой возможна их непрерывная фиксация.
Составить отчёт о проделанной работе.
1ПРИЛОЖЕНИЕ А
Измерение постоянного напряжения и тока
времяимпульсным методом
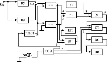
Структурная схема цифрового вольтметра (ЦВ) для измерения постоянного напряжения времяимпульсным методом приведена на рисунке А.1. Временные диаграммы, поясняющие принцип работы этой схемы при измерении положительного и отрицательного напряжений, приведены на рисунке А.2.

= = – компаратор; & – логическое И;
=1 – ИСКЛЮЧАЮЩЕЕ ИЛИ; CT – счетчик;
DC – дешифратор; G – генератор опорной частоты;
ВУ – входной усилитель; ВД – входной делитель;
ГЛИН – генератор линейно изменяющегося напряжения;
ГПИ – генератор периода измерения; ДП – детектор полярности;
ИП – индикатор полярности; ЦИ – цифровой индикатор
Рисунок А.1 – Структурная схема ЦВ
времяимпульсного типа
1
1
1

а – при измерении положительного напряжения;
б – при измерении отрицательного напряжения
Рисунок А.2 – Временные диаграммы
Рассмотрим алгоритм работы схемы при измерении положительного напряжения (см. рисунки А.1, А.2а).
При нажатии кнопки «Пуск» (момент времени t 0 на рисунке А.2) генератор периода измерения выдает импульс 7 (см. рисунок А.1) для сброса показаний десятичного счётчика и одновременно импульс 1 запускает генератор линейно изменяющегося напряжения, с которого на компараторы подается напряжение пилообразной формы 2 . Это напряжение изменяется от значения Umax до значения Umin . Измеряемое напряжение Ux подаётся через входной усилитель или входной делитель (в зависимости от выбранного предела измерений) на первый компаратор. В момент равенства измеряемого напряжения Ux и напряжения пилообразной формы, подаваемого на второй вход компаратора, компаратор переключается (момент времени t 1 ). В момент прохождения пилообразного напряжения через нуль переключается второй компаратор, на второй вход которого подается нулевой потенциал (момент времени t 2 ). Импульсы 4 и 3 соответственно с выходов компараторов подаются на схему ИСКЛЮЧАЮЩЕЕ ИЛИ, на выходе которой формируется импульс Tx , длительность которого пропорциональна входному измеряемому напряжению Ux . Импульс длительностью Tx подается на двухвходовую схему И, на другой вход которой подается сигнал с генератора опорной частоты 8 . На выходе схемы И в течение интервала Tx формируется пачка импульсов, частота которых соответствует опорной частоте. Число импульсов в пачке Nx пропорционально длительности импульса Tx и, следовательно, измеряемому напряжению. Число импульсов Nx подсчитывается десятичным счетчиком, дешифруется и отображается на цифровом индикаторе. Зависимость числа импульсов Nx от измеряемого напряжения определяется по формуле
![]()
где
– период опорной частоты, с;
– частота генератора опорной частоты, Гц;
– скорость изменения (крутизна) линейно изменяющегося напряжения, В/с;
– коэффициент преобразования напряжения Ux
во входном усилителе (или делителе);
– входное напряжение, В.
При настройке прибора подбором частоты на выходе опорного генератора f 0 и крутизны линейно изменяющегося напряжения k 1 добиваются того, чтобы значение Nx точно соответствовало значению измеряемого напряжения Ux (например, чтобы Ux = 1 В = 1000 мВ соответствовало Nx = 1000 импульсов).
Очередность срабатывания компараторов определяет полярность измеряемого напряжения. При положительном напряжении первым переключается компаратор, на один из входов которого подаётся измеряемое напряжение Ux , а затем компаратор, один из входов которого подключен к общему проводу. При отрицательном напряжении очерёдность срабатывания компараторов противоположна. Для определения очередности срабатывания компараторов служит детектор полярности. Выход детектора подключен к индикатору полярности.
Возврат генератора линейно изменяющегося напряжения в исходное состояние и подготовка схемы к очередному измерению осуществляются импульсом генератора периода измерения после истечения времени Т 1 + Т 2 .
Измерение постоянного напряжения времяимпульсным методом получило широкое распространение благодаря сравнительной простоте реализации, в том числе на интегральных микросхемах. Погрешность метода определяется нестабильностью генератора линейно изменяющегося напряжения (непостоянством k 1 ), нестабильностью порога переключения компараторов, нестабильностью генератора опорной часты. Основной недостаток метода – невозможность подавления напряжения помех. Для устранения этого недостатка на входе прибора включают фильтр, что приводит к существенному увеличению времени измерения.
Поскольку напряжение и ток связаны по закону Ома, методы, используемые для измерения постоянного напряжения, можно использовать и для измерения тока. Измерение осуществляется косвенно (рисунок А.3).

Рисунок А.3
В разрыв цепи включается образцовый резистор Rобр . С помощью высокочувствительного прибора измеряется падение напряжения Uобр на резисторе Rобр . Измеряемый ток Ix определяется по формуле
.
Для получения минимальной погрешности сопротивления Rобр должно быть значительно меньше сопротивления цепи, в которой измеряется ток.
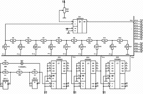
Схема электрическая принципиальная стенда для изучения метода измерения постоянного напряжения и тока времяимпульсным методом приведена в Приложении Е.
Схема выполнена со следующими упрощениями: в схеме стенда отсутствуют блоки входного усилителя и входного делителя, схема детектора полярности (измеряется только положительное напряжение); функции генератора периода измерения, счётчика, дешифратора и цифрового индикатора реализуются микроконтроллером внутрисхемного эмулятора [2].
Измеряемое напряжение подаётся непосредственно на вход компаратора, который выполнен на операционном усилителе DA1 (см. Приложение Е). Измеряемое напряжение формируется подстроечным резистором R22 .
Для получения линейно изменяющегося напряжения используется цифро-аналоговый преобразователь (ЦАП), реализованный как
резистивная матрица R-2R (компоненты R5-
R21
). Входы ЦАП подключены к порту P1
внутрисхемного эмулятора, [2]. Программно формируя код на входах ЦАП, возможно получить на выходе сигнал любой формы, в том числе и линейно изменяющийся с требуемой крутизной.
Генератор на элементах R1- R4, ZQ1, DD1.1 и DD1.2 , а также каскад двоично-десятичных счётчиков DD1, DD2, DD3 позволяют получить сигналы с известной частотой. Эти сигналы могут быть использованы как синхронизирующие, при генерации линейно изменяющегося напряжения и, главным образом, как образцовая частота f 0 , при измерении длительности импульса Tx (см. рисунок А.2).
ПРИЛОЖЕНИЕ Б
Измерение ёмкости и сопротивления
методом дискретного счёта
В основу метода положено использование апериодического процесса, возникающего при подключении заряженного конденсатора к образцовому резистору. При измерении сопротивления обеспечивают разряд образцового конденсатора через измеряемый резистор.
Структурная схема измерителя ёмкости, реализующая метод дискретного счёта, приведена на рисунке Б.1.
Перед началом измерения ключ SA
находится в положении 1
и конденсатор С
X
заряжается через ограничительный резистор RД
до
значения стабилизированного источника напряжения Е.
В момент начала измерения t
1
(рисунок Б.2а) управляющее устройство вырабатывает импульс, который сбрасывает предыдущие показания счётчика
импульсов, перебрасывает триггер (см. рисунок Б.1) из состояния логи-ческого 0 в состояние логической 1 и переводит ключ S
A
в положе-
ние 2.

& – логическое И; = = – компаратор; CT – счётчик; DC –
дешифратор; G – генератор; T – триггер; УУ – устройство
управления; ЦИ – цифровой индикатор
Рисунок Б.1 – Структурная схема измерителя ёмкости,
реализующая метод дискретного счёта

Рисунок Б.2
Конденсатор С x начинает разряжаться через образцовый резистор Rобр по экспоненциальному закону (рисунок Б.2б), который описывается выражением
,
где
– постоянная времени цепи разряда, с.
В момент
сигнал с выхода триггера, равный логической 1, разрешает прохождение с генератора импульсов с частотой f
на счётчик через элемент И
. Напряжение UC
подается на один из входов компаратора, ко второму входу компаратора подводится напряжение с делителя, состоящего из резисторов R1
и R2,
которое определяется выражением:
![]()
По мере разряда конденсатора напряжение UC
уменьшается. Через промежуток времени τ оно становится равным напряжению UR
.
В момент t
2
равенства этих напряжений (cм. рисунок Б.2б)
на выходе компаратора генерируется импульс (рисунок Б.2в), переключающий триггер в исходное состояние, равное логическому 0 (рисунок Б.2г), при этом запрещается прохождение импульсов с генератора на счётчик (рисунок Б.2д).
Если t 2 – t 1 = τ , то при UC = UR получим
,
или
![]()
Таким образом, напряжение UR , снимаемое с делителя R1 , R2 , должно иметь определенное значение, что достигается подбором резисторов R1, R2.
Через время τ на счётчик пройдёт N импульсов, где N = f· τ. Значение N дешифруется и отображается на индикаторе.
Так как τ = Rобр ·Сx , то при фиксированных значениях f и Rобр
где
,
то есть измеряемая ёмкость прямо пропорциональна показанию счётчика N.
При наличии образцового конденсатора Собр можно аналогичным образом измерить сопротивление резистора
где
.
Погрешность измерений методом дискретного счёта составляет 0,1–0,2 % и зависит, главным образом, от нестабильности сопротивлений резисторов Rобр , R1, R2 или конденсатора Собр , нестабильности частоты генератора импульсов, а также неточности срабатывания компараторов.
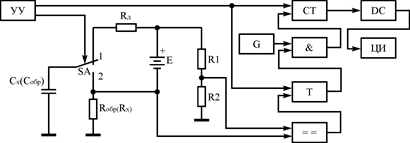
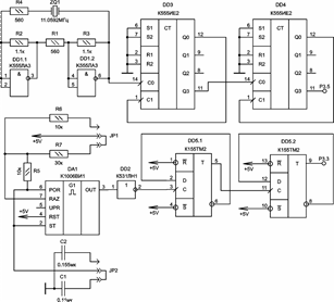
Схема электрическая принципиальная стенда для изучения метода измерения ёмкости и сопротивления методом дискретного счёта приведена в Приложении Ж.
Для удобства проведения измерений на элементах R5–R7 , C1 , C2 и DA1 собран генератор, в котором меняется частота в зависимости от измеряемой ёмкости конденсатора или от измеряемого сопротивления резистора. В качестве измеряемых конденсаторов могут выступать конденсаторы C1 и C2 (выбирается переключением перемычки JP2 ). В качестве измеряемых резисторов могут выступать резисторы R6 и R7 (выбираются переключением перемычки JP1 ). Период генерации определяется по формуле
,
где R – один из резисторов R6 или R7, Ом,
С – один из конденсаторов С 1 или С 2, Ф.
На триггерах DD5.1 и DD5.2 собран делитель частоты на 4, что позволяет увеличить период измеряемого сигнала и, как следствие, повысить точность измерений.
На элементах DD1.1, DD1.2, R1, R2, R3, R4, ZQ1, DD3 и DD4 собран генератор эталонных импульсов, который необходим для измерения длительности искомого импульса.
Все остальные функции выполняет внутрисхемный эмулятор лабораторного стенда [2].
ПРИЛОЖЕНИЕ В
Измерение частоты методом
электронно-счётного частотомера
Метод электронно-счётного частотомера основан на измерении числа периодов измеряемой частоты за интервал времени, формируемый генератором образцовой частотой. При помощи генератора образцовой частоты формируют временной интервал известной длительности ∆ t. Подсчитав количество импульсов N , следующими с неизвестной частотой fx за интервал ∆ t , можно найти измеряемую частоту по формуле
.
Принцип работы измерителя частоты, использующего метод электронно-счётного частотомера поясняется на рисунке В.1. На рису-нке В.1а приведены импульсы измеряемой частоты, на рисунке В.1б – импульс эталонной длительности ∆ t , на рисунке В.1в – результат подсчёта количества импульсов, попавших в эталонный интервал.

Рисунок В.1
Результат подсчёта числа импульсов, попавших во временной интервал ∆ t , фиксируется в цифровой форме при помощи счётчика импульсов. Обычно время ∆ t выбирают равным 10m , m – целое число, принимающее значения от минус 3 до 2. Поэтому показания электронно-счётного частотомера численно совпадают со значением измеряемой частоты.
Для измерения периодических сигналов произвольной формы необходимо сформировать из них сигнал прямоугольной формы. Формирование прямоугольных импульсов из синусоидального сигнала показано на рисунке В.2. В данном случае преобразование ведётся по простому алгоритму – положительный сигнал появляется на выходе устройства преобразования в случае, если синусоидальный сигнал больше 0. Если синусоидальный сигнал меньше или равен 0, то сигнал на выходе устройства преобразования равен 0.

Рисунок В.2
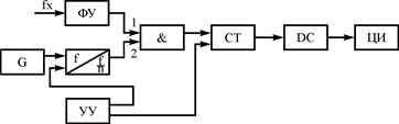
Структурная схема измерения частоты способом электронно-счётного частотомера приведена на рисунке В.3.

& – логическое И;
– делитель частоты; CT – счетчик;
DC – дешифратор; G – генератор; УУ – устройство управления;
ФУ – формирующее устройство; ЦИ – цифровой индикатор
Рисунок В.3
Периодический сигнал, частоту fx которого необходимо измерить, поступает на формирующее устройство прибора. Помимо усиления или ослабления, формирующее устройство преобразует сигнал в периодическую последовательность импульсов с частотой следования, равной fx . Импульсы измеряемой частоты и сигнал с образцового генератора (через делитель частоты) подаются на схему логического И. Делитель частоты обеспечивает увеличение периода образцового сигнала и, следовательно, точности измерения. Делитель частоты представляет собой набор двоично-десятичных счётчиков, каждый из которых уменьшает частоту следования импульсов в 10 раз. Коэффициент деления q зависит от числа включенных счётчиков.
На выходе логического И формируются пачки импульсов, которые поступают на счётчик. Устройство управления обеспечивает управление периодом измерения и сбросом показаний счётчика.
При измерении частоты методом электронно-счётного частотомера имеются две составляющие погрешности: меры и сравнения.
Погрешность меры определяется нестабильностью частоты образцового генератора, а также погрешностью установки частоты по образцовой мере при изготовлении прибора. Эта составляющая погрешности может быть ощутимой при измерении частот, период которых меньше величины изменения периода образцового сигнала.
Погрешность сравнения определяется, главным образом, погрешностью дискретности, обусловленной тем, что фронт и срез импульса ∆ t несинхронизированы.
Максимальное значение относительной погрешности дискретности измерения частоты
.
Данный способ служит для измерения сигналов высокой частоты. Если частота измеряемого сигнала значительно ниже частоты образцового сигнала, то считают количество периодов образцового сигнала в течение периода измеряемого сигнала. При этом процесс измерения сигнала низкой частоты аналогичен процессу измерения сигналов высокой частоты.
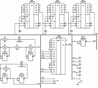
Схема электрическая принципиальная стенда для изучения метода измерения частоты приведена в Приложении И.
На элементах DD5.1, DD5.2, R5 и ZQ2 собран генератор низкой частоты, который применяется при измерении высокой частоты. На элементах DD4.1, DD4.2, R1– R4 и ZQ1 собран генератор высокой частоты, который применяется при измерении низкой частоты. Перемычка JP1 позволяет выбрать один из генераторов.
Сигнал с одного из генераторов подаётся на цепочку двоично-десятичных счётчиков DD1– DD3 , выходы которых подаются на мультиплексор DD6 . Это позволяет программным путём выбрать необходимую частоту на выходе Y мультиплексора.
Измеряемый сигнал подаётся на внутрисхемный эмулятор через элемент DD4.3 , который выполняет функцию буфера.
Все остальные функции выполняет внутрисхемный эмулятор лабораторного стенда [2].
ПРИЛОЖЕНИЕ Г
Метод измерения сдвига фаз
с времяимпульсным преобразованием
Измерение фазового сдвига через интервал времени характерно для цифровых фазометров (ЦФ) с преобразованием фазовый сдвиг– интервал времени–код. Фазометры такого вида известны также под названием фазометров с времяимпульсным преобразованием (ВИП).
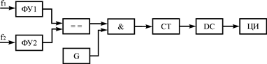
Одна из возможных структурных схем ВИП-фазометров приведена на рисунке Г.1. Два сигнала f 1 и f 2 подаются на формирующие устройства ФУ1 и ФУ2 соответственно. Эти устройства преобразуют сигналы произвольной формы в прямоугольные по алгоритму: если на входе сигнал больше 0 вольт, то на выходе сигнал, соответствующий логической 1, в противном случае, на выходе логический 0.

ФУ1, ФУ2 – формирующие устройства; & – логическое И;
= = – цифровой компаратор; G – генератор; CT – счётчик;
DC – дешифратор; ЦИ – цифровой индикатор
Рисунок Г.1
Сигналы с формирующих устройств подаются на цифровой компаратор, на выходе которого будут присутствовать импульсы положительной полярности. Длительность этих импульсов пропорциональна сдвигу фаз сигналов f 1 и f 2 .
Длительность импульса измеряется путём подсчёта количества импульсов, формируемых образцовым генератором в течение измеряемого импульса.
Элемент логическое И , принимая сигналы с цифрового компаратора и генератора образцовой частоты, формирует пачку импульсов. Число импульсов в пачке N подсчитывается счётчиком, дешифруется и отображается на цифровом индикаторе. Таким образом, индикатор в конце измерения отображает число N , по которому можно определить измеряемый сдвиг фаз.
Сдвиг фаз в градусах находится по формуле
![]()
где
– длительность периода импульсов образцового генератора, с;
– длительность периода входного сигнала (f
1
и f
2
), с.
Электрическая принципиальная схема стенда для изучения метода измерения сдвига фаз приведена в Приложении К.
ФУ1 и ФУ2 собраны на операционном усилителе DA1.1 и DA1.2 соответственно, устройство сравнения – на элементе DD1.1 .
Все остальные функции выполняет внутрисхемный эмулятор лабораторного стенда [2].
Синусоидальный сигнал, подаваемый на стенд, неизменно поступает на вход элемента DA1.2. На вход элемента DA1.1 сигнал поступает через схему сдвига фаз, собранную на элементах C1 , R1– R3 и JP1 . Переключение перемычки JP1 позволяет изменять значение сдвига фазы.
ПРИЛОЖЕНИЕ Д
Логический анализатор
Принцип работы логических анализаторов заключается в том, что изменения логических состояний в исследуемых точках, переходы из одного логического состояния в другое при наличии внешних воздействий записываются во внутреннюю память анализатора, а затем воспроизводятся на экране индикатора в виде, удобном для восприятия оператором. Наличие в анализаторе внутренней памяти позволяет контролировать как периодические, так и однократные логические процессы.
В зависимости от наличия внутреннего генератора и вида индикации, логические анализаторы подразделяются на анализаторы логических состояний (АЛС) и анализаторы временных диаграмм (АВД).
Структурные схемы использования АЛС и АВД приведены на рисунке Д.1. Основное отличие АЛС от АВД состоит в использовании внешнего сигнала для определения моментов времени запоминания очередного состояния исследуемых сигналов. У АВД для этой цели используется внутренний сигнал стробирования.
Таким образом, АЛС запоминает информацию в момент изменения одного из управляющих сигналов схемы, что позволяет запоминать информацию только в те моменты времени, когда произошло её изменение. АВД производит регистрацию информации через стабильные интервалы времени, что иногда приводит к запоминанию избыточной информации, но даёт возможность воспроизвести процесс в реальном времени.
Структурная схема, приведенная на рисунке Д.2, верна как для АЛС, так и для АВД. Тактовые импульсы могут быть и внешними, и внутренними. В зависимости от типа анализатора некоторые узлы структурной схемы могут отсутствовать.
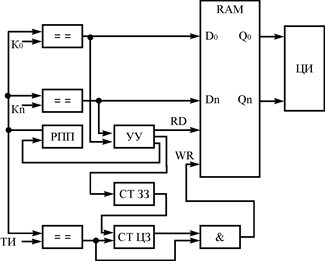
Узлы схемы имеют следующее назначение:
– компараторы обеспечивают преобразование уровней сигналов, формируемых тестируемым устройством, к уровням соответствующим логическим 0 и 1 анализатора;
111

а – анализатор логических состояний;
б – анализатор временных диаграмм
G – генератор; RAM – память; ВВ – возмущающее воздействие;
ТУ – тестируемое устройство; ЦИ – цифровой индикатор
Рисунок Д.1– Структурные схемы логических анализаторов
1
– память предназначена для хранения информации. Запись в память осуществляется при помощи внешнего (АЛС) или внутреннего (АВД) тактового импульса;
– устройство управления разрешает запись в память приходящей информации после появления на входной шине управляющего слова, управляет регулятором порога переключения компараторов;
– счётчик цифровой задержки задерживает разрешение записи в память на заданное число тактовых импульсов;
– счётчик задержки запуска блокирует разрешение записи в память на заданное число запускающих слов;
– цифровой индикатор преобразует информацию, записанную в память, к виду, удобному для восприятия.
1111
11111
1
= = – компаратор; & –логическое И; RAM – память;
РПП – регулятор порога переключения;
СТ ЗЗ – счётчик задержки запуска;
СТ ЦЗ – счётчик цифровой задержки;
УУ – устройство управления;
ЦИ – цифровой индикатор
Рисунок Д.2 – Обобщенная структурная
схема логического анализатора
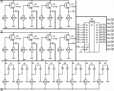
Схема электрическая принципиальная стенда для изучения методов построения логических анализаторов приведена в Приложении Л.
Эмиттерные повторители на элементах VT1 –VT8, R1– R16 выполняют роль буферов. Перемычки JP1 –JP8 и резисторы R17– R24 позволяют задавать различные логические состояния на входах. Регистр DD1 необходим для фиксации логических уровней в заданные моменты времени. Все остальные функции выполняет внутрисхемный эмулятор лабораторного стенда [2].1
ПРИЛОЖЕНИЕ Е
Лабораторный стенд для изучения метода измерения напряжения и тока.
Схема электрическая принципиальная

ПРИЛОЖЕНИЕ Ж
Лабораторный стенд для изучения метода измерения емкости и сопротивления.
Схема электрическая принципиальная

ПРИЛОЖЕНИЕ И
Лабораторный стенд для изучения метода измерения частоты.
Схема электрическая принципиальная

ПРИЛОЖЕНИЕ К
Лабораторный стенд для изучения метода измерения фазового сдвига.
Схема электрическая принципиальная

ПРИЛОЖЕНИЕ Л
Лабораторный стенд для изучения принципов работы логических анализаторов.
Схема электрическая принципиальная

ЛИТЕРАТУРА
1. Кузнецов, В.А. Измерения в электронике: справочник /
В.А. Кузнецов [и др.]. – М.: Энергоатомиздат, 1987.
2. Сыпин, Е.В. Лабораторный комплекс на основе внутри-схемного эмулятора микроконтроллеров стандарта MCS-51: мето-дические рекомендации по выполнению лабораторных работ для студентов специальностей 200106 «Информационно-измерительная техника и технологии», 230201 «Информационные системы и технологии» / Е.В. Сыпин [и др.]. – Бийск: Изд-во Алт. гос. техн. ун-та, 2009. – 34 с.
3. Сыпин, Е.В. Цифровые измерительные устройства: курс лекций / Е.В. Сыпин [и др.]. – Бийск: Изд-во Алт. гос. техн. ун-та, 2009. – 84 с.
4. Сыпин, Е.В. Цифровые измерительные устройства: методи-
ческие рекомендации по курсовому проектированию / Е.В. Сыпин, Н.Ю. Тупикина, Е.С. Повернов. – Бийск: Изд-во Алт. гос. техн. ун-та, 2009. – 108 с.
|
Учебное издание
Сыпин Евгений Викторович
Повернов Евгений Сергеевич
Берестова Екатерина Викторовна
ПРИНЦИПЫ ПОСТРОЕНИЯ ЦИФРОВЫХ
ИЗМЕРИТЕЛЬНЫХ ПРИБОРОВ
Методические рекомендации к лабораторным работам
для студентов специальности 200106
«Информационно-измерительная техника и технологии»
Редактор Малыгина И.В.
Технический редактор Малыгина Ю.Н.
Подписано в печать 19.02.10. Формат 60´84 1/16
Усл. п. л. 1,92. Уч.-изд. л. 2,06
Печать – ризография, множительно-копировальный
аппарат «RISO TR-1510»
Тираж 50 экз. Заказ 2010-28
Издательство Алтайского государственного
технического университета
656038, г. Барнаул, пр-т Ленина, 46
Оригинал-макет подготовлен ИИО БТИ АлтГТУ
Отпечатано в ИИО БТИ АлтГТУ
659305, г. Бийск, ул. Трофимова, 27