| Скачать .docx |
Реферат: Учебное пособие: Методические указания к проведению практических занятий по курсу “Железобетонные конструкции”
Методические указания
к проведению практических занятий
по курсу
“Железобетонные конструкции”
Министерство образования Российской Федерации
Сибирская государственная автомобильно – дорожная академия
Инженерно строительный институт (ИСИ СибАДИ)
Кафедра “Строительные конструкции”
Методические указания
к проведению практических занятий
по курсу “Железобетонные конструкции”
(IV ПГС)
Составители: Саунин В. М.
Тютнева В. Г.
Омск - 2003
Практические занятия по ж/б
конструкциям III ПГС, IV семестр
1. Отдельная тетрадь, предъявляется при зачете с подписью проверяющего практические занятия. Обязателен СНиП.
2. Рассматривается ж/б конструкция.

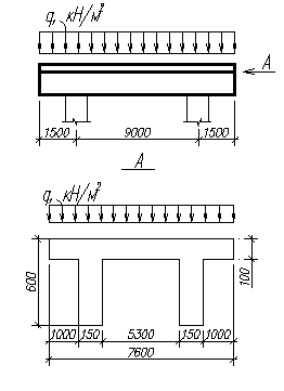
3. Тема : Прямоугольное сечение с одиночной арматурой
(см. лекции).
Рассчитывается консольный свес:
Конструктивная схема:

Расчетная схема:

кН/м – расчетная нагрузка
Определяем усилия:
![]()
Расчетное сечение:

Предварительно
см (см. п. 5.5; п. 5.6)
тогда
см
Исходные данные:
Бетон В20: (п.2.11)
МПа, если ![]()
(тяжелый)
МПа, если ![]()
Арматура: (п.2.27) А-III Ø 6-8
МПа
Вр-I Ø 3
МПа
Ø 4
МПа
Ø 5
МПа
Расчет сечений, нормальных к продольной оси элемента, следует произ-
водить в зависимости от соотношения между значением относительной высоты сжатой зоны бетона
и значением граничной высоты сжа -
той зоны бетона
;
- по арматуре
- по бетону и арматуре
; (см. п. 3.12)
![]()
МПа
МПа (
)
![]()

![]()
![]()
;
на 1 м
или
на 1 м
Должно соблюдаться условие ![]()
(см. п. 5.16)
![]()
Принимаем Æ 6 А-III с
мм с ![]()
Распределительную арматуру принимаем
Æ 3 Вр – I c
мм (см. п.5.22)
Проверка прочности нормального сечения:
(см. п. 3.15)
Уточняем рабочую высоту сечения:

Определяем высоту сжатой зоны бетона:
![]()
Прочность обеспечена
Тема: Прямоугольное сечение с двойной арматурой
(см. лекции)
![]()
При
- двойное армирование
Конструктивная схема:

Расчетная схема:

q1 =7.75 кН/м (на 1 м ширины)
ℓ0 =5.3 м
![]()
Расчетное сечение:


Исходные данные: те же с добавлением
для А – III Æ ![]()
![]()
требуется сжатая продольная арматура с ![]()
-
(у нас Ø 6А-III из предыдущего расчета)
У нас есть Ø 6А-III с
c
, принимаем это, и ![]()
![]()
![]()
![]()
![]()
Принимаем Æ 14 A – III с
мм с ![]()
Распределительную Æ 4 Вр – I с
мм
Уточняем по 3.15 –
см
см
Проверка прочности:

Прочность обеспечена.
Есть смысл увеличить шаг, но в учебных целях оставим так.
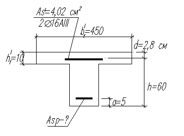
5. Тема: Тавровое сечение
5.а. Контрольная часть (опорное сечение), отрицательный момент.
Конструктивная схема:

Расчетная схема:


Расчетное сечение:

Исходные данные: (см. ранее) ![]()


Принимаем 2 Æ 16 A – III с Аs 3 =4.02 см2 (в расчете на 2 каркаса п.5.22)
Если установить их под арматурой (см.п.3)
![]()


а по п. 5.5

Проверка прочности опорного сечения:

Прочность обеспечена
5.б. Пролетная часть, момент положительный
Конструктивная схема:

Расчетная схема:


Расчетное нормальное сечение:

Назначение
(п. 3.16): между продольными ребрами (свесы)
а) ![]()
б)![]()
![]()
![]()
2) консольные свесы – при ![]()
(студентам читать самим)
![]()
Назначаем, а=5 см (в ожидании двухрядного расположения арматуры).
![]()
Определение положения границы сжатой зоны бетона:
Границы сжатой зоны в полке,

![]()

Принимаем 4 Æ 32 A – III с Аs =32.17 см2
Размещение арматуры:

Принимаем 40 мм
Проверка прочности нормального сечения:

Определение положения границы сжатой зоны:

Граница сжатой зоны в полке


Прочность обеспечена, при недостатке желательно сблизить или поставить рядом стержни.
6. Тема: Расчет прочности наклонных сечений
(см. лекции)
![]()
Расчетная схема наклонного сечения:

По изгибающему моменту расчет не проводится, т.к. подбором верхней арматуры 2Æ16 A-III обеспечена прочность как нормальных, так и наклон -
ных сечений из-за гарантии анкеровки этой арматуры. Поэтому расчет на поперечную силу.
![]()
– проекция опасного наклонного сечения
Необходимость расчета хомутов при невыполнении (п.3.32) условия (84):
![]()
Расчетное наклонное сечение:


Левая часть условия (84) равна:
![]()
что не меньше ![]()
Условие (84) не выполняется – необходима поперечная арматура – нанесем ее на расчетную схему и сечение.
Из условия (83) определим ![]()
![]()
где
(нет полок в сжатой зоне)
![]()
из п. 5.27 ![]()
(81)
арматура А - III
Æ 6 – 8
Мпа
Æ
10
Мпа
К Æ 32 продольной арматуры можно как минимум приваривать
Æ 8 А – III –
см
2 – число каркасов

Мпа - см. примечание табл. 22
(80)
![]()
![]()


![]()
Прочность наклонного сечения обеспечена.
Хомуты Æ 8 А - III на
шаг 200 мм, а на остальной части
(см.п.5.27) Принимаем 400 мм.
7. Тема: Конструирование арматурных элементов

С - 1
Расстояние между крайними рабочими Æ 6 A - III поперечными стерж -
нями п.5.9 и ![]()
Целым числом шагов 200 набирается:
;
Остается два шага по
Длина стержней Æ 6 A - III : ![]()
Расстояние между крайними распределительными стержнями Æ 3 Вр - I
![]()
Целым шагом 600 набирается: ![]()
Остается два шага по ![]()
Длина Æ 3 Вр – I: ![]()
С - 1

С – 2
Расстояние между крайними рабочими Æ 14 A – III поперечными стержнями:
![]()
Целым числом шагов 120 набирается ![]()
Остается два шага по ![]()
Длина стержней Æ 14 A – III - 5450 мм

Расстояние между крайними распределительными продольными стержнями Æ 4 Вр – I:
![]()
Целым шагом 600 набирается:
![]()
Длина Æ 4 Вр – I - ![]()
С - 2

Сетка С-1 и С-2 могут набираться из отдельных частей, получаемых расчленением по распределительной арматуре с учетом стыкования в нерабочем направлении п.5.41.
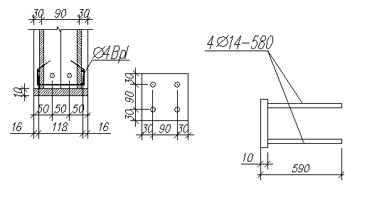
К-1
Расстояние между рабочими продольными стержнями Æ16 и Æ 32 А III (см. схему и расчеты)

Расстояния между Æ16 и Æ 32 (верхним): ![]()
Расстояния между Æ16 и Æ 32 (нижним): ![]()
Принимаем технологически удобные размеры 440 и 520, оставляя 28 (базовым).
Длина стержней Æ16 и Æ 32 (п.5.9.): ![]()
Расстояние между крайними поперечными стержнями:
![]()
Оно набирается шагом 200 (от половины вылета консоли и 1/4 пролета – (от опор) и 400 в оставшихся частях.
Зона 1500/2 + 9000/4 = 3000 набирается шагом
, остав -
шаяся средняя часть пролета 9000/2=4500 мм набирается целым шагом
400х10=4000 мм и переходными шагами 250х2=500 мм.
Оставшиеся части консолей:
![]()
Набирается одним шагом 400 и одним переходным 310 мм.
Длина поперечных стержней: ![]()
К - 1

Расход основной рабочей арматуры на плиту
![]()
где 6,31 кг/м-масса 1 пог. метра Æ 32
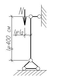
8.Тема: Расчет внецентренно-сжатых элементов прямоугольного сечения.
Конструктивная схема:


Расчетная схема:


; (см. п. 1.21)
;
; ![]()
а) Симметричное армирование:
Расчетное сечение
; ![]()

Материалы: Бетон В20;
(c
)
Арматура класса А- III;
(
)
по п. 5.17 ![]()
Задаемся в учебных целях ![]()
;
;
![]()
Целесообразно симметричное армирование , т.к. случайный эксцентриси -
тет
в любую сторону;
из (37) п.3.20
;
![]()
(определение
см. пример выше).
Значит
(с учетом знака
).
Из (36) ![]()
для
и
;
и ![]()
![]()
![]()

Из (38), (39)
;
Для
, ![]()
Для
,
,
, наносим характер зависимости – по третьей точке
Для
(ближе к ожидаемому пересечению)
наносим по пересечению получаем
Принимаем
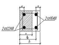
2 Æ 22 AIII
Проверка прочности
Оставим
;
;
(см. выше);
;
Из (38), (39) уточняем
;
;
Из (39)
что меньше
и по абсолютной величине ![]()
Из (36)![]()
Прочность обеспечена
б) Несимметричное армирование:
Допустим, что наш эксцентриситет только в одну сторону и
Из проведенных выше расчетов из (36) имеем:
при
![]()
при
(max)
![]()
Имеет смысл взять наименьшую, тем более, что она больше
(2 16 A - III)см.пособие по ненапряженному железобетону п.5.56
Не подбирая стержни, с этой
,
и соответственно
из (38) из (39):

Принимаем сжатую арматуру 2 22 A - III с
, растянутую или менее сжатую 2 16 A - III (конструктивно) с ![]()
Размещение оставим то же (по
,
), но можно и уточнить:

Рис. 27

Проверка прочности:
Из (37) 
значит,
; уточняем
из (38) и (39);

при этом из (39)
;
;
Из (36): 
Что больше
Прочность обеспечена.
в) Конструирование арматурных элементов.
Ствол колонны армируется пространственными каркасами: в случае симметричного армирования КП-1 и несимметричного КП-2, армирования
КП-1 (4 22 A - III )
Расстояние между осями продольных стержней
.
Длина продольных стержней
. (п.5.9)
Минимальный диаметр поперечной арматуры по свариваемости с 22 - 6мм
Принимаем 6 A - III
Шаг поперечных стержней (п.5.22)

Принимаем
(технологически удобный размер).
Расстояние между крайними поперечными стержнями
, набирается
Длина поперечных стержней ![]()
КП-1

Рис. 28
КП-2
К изложенному выше в КП-1 изменения только в шаге
, в части
(16 – min )
Принимаем 300 мм и 3930 набираем ![]()
КП-2

Рис. 29
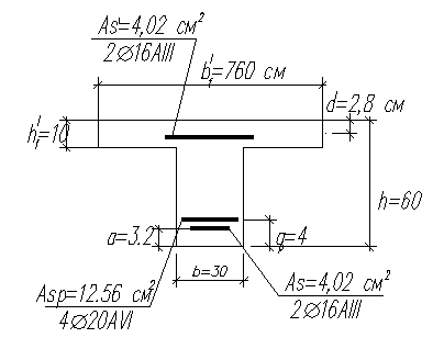
9. Предварительно-напряженные конструкции
9.1. Расчет прочности по нормальным сечениям изгибаемых элементов.
Расчетное сечение (см.п.5.б ) среднее

Рис. 30

Задаемся напряженной арматурой А - VI; ![]()
Граница сжатой зоны в полке (см. п.5.б), там же ![]()
Определяем
(см. п. 3.12 по СНиПу),
(см. п. 3)
- предварительно принимаем так

п. 3.13 , ![]()
принимаем ![]()
итак, граница сжатой зоны в полке,
из (28)
![]()
Принимаем 4 Æ 20 А - VI с ![]()
Размещение арматуры (п.5.5, 5.6, 5.12)

Рис. 31
- с учетом охватывающей арматуры из Æ 4 Вр – I (конструктивно)
Проверка прочности
![]()
Определение границы сжатой зоны:
-она в полке

Прочность обеспечена
Расход 1Æ 16 + 2 Æ (Аsp )
9.2. Конструирование арматурных элементов для преднапряженной конструкции
По сравнению с предыдущим каркас К-1 должен быть изменен. Вместо
2 Ø 32 A - III ставится конструктивно монтажный, стержень принимается
Ø 16 A - III и ставится на место нижнего Ø 32 A – III с опусканием. Итак:


Рис. 32
Для конструирования арматурных элементов, связанных с предваритель -
ным напряжением следует задаться значением начального предваритель -
ного напряжения арматуры и определить величину предварительного нап -
ряжения перед передачей напряжения с упоров на затвердевший бетон п.1.23, механический способ натяжения на упоры стенда
(п.2.25) для А - VI
Из (1) 
Принимаем ![]()
П.1.24 табл. 5
Первые потери:
1) релаксация ![]()
2) температурный перепад ![]()
длина натягиваемых стержневых заготовок ![]()
3) деформация анкеров
(п. 2.30,т. 29)
![]()
- нет огибающих приспособлений
- натяжение группы в 2 стержня
- это уже больше 100МПа
Усилие обжатия бетона при передаче напряжения с упоров
![]()
п.5.58 – Дополнительная ненапрягаемая поперечная арматура на всю высоту торцевого сечения: ![]()
Принимаем 4 Ø 14 A - III c
Нижние концы стержней привариваются к пластине, которая кроме этого служит для выполнения требований п.5.7, а.
Толщина пластины (приложение 4):
![]()

Рис. 33
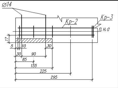
Гнутый каркас Кр-2
Из условия свободного надевания на анкера закладной детали, а также п.5.61 и п.2.29

Принимаем 280 мм;
![]()
максимум из
и ![]()
принимаем ![]()
принимаем Ø 4 Вр – I для Кр – 2; Кр – 3
вид сбоку

126 – по осям охватывающей арматуры


Рис. 33
На оставшейся по длине части
12000-295х2=11410 мм
ставится Кр-3 того же поперечного сечения, что и Кр-2, но с шагом согласно п.5.22-150х2=300мм.
Чертежи Кр-2 и Кр-3 можно совместить (см. рисунок выше). Расход основной рабочей арматуры
Æ 20 А – VI -
(см. п.7)
9.3. Определение момента трещинообразования (стадия I НДС- II группа предельных состояний)
9.3.1. Геометрические характеристики приведенного сечения (п.1.28)

Рис. 34
- табл. 18. Бетон подвергается тепловой обработке при атмосферном давлении.
(А III) – табл. 29
(А VI)
Коэффициенты приведения: 
Площадь приведенного сечения:

Статический момент относительно нижней грани:

Расстояние от центра тяжести нижней грани:

Момент инерции относительно центра тяжести:

Упругий момент сопротивления относительно нижней грани –

относительно верхней грани –

относительно центра тяжести напрягаемой арматуры –

Упругопластический момент сопротивления относительно нижней грани допускается определять (
для таврового с полкой в сжатой зоне):
![]()
9.3.2. Определение полных потерь в напрягаемой арматуре.
Расчет ведется для стадии передачи напряжения на бетон: изготовление конструкции на месте ее расположения.
Нормативный изгибающий момент от собственной массы конструкции:

Потери напряжений от быстронатекающей ползучести бетона в момент передачи напряжений на него определяются по п.6 табл. 5 в зависимости от

Потери от усадки бетона –
(п.8, табл. 5)
Потери от ползучести бетона –
![]()
(п. 1.28) ![]()
(п. 9 табл. 5)


Сумма всех потерь и усилие обжатия с учетом этого:
![]()
![]()
9.3.3. Определение
– момент трещинообразования (п.4.5.)
К исходным данным:
; ![]()
Примем нормативное значение изгибающего момента в среднем сечении 80% от расчетного
![]()
Определим
для формулы (135)

(135)
;
;
Радиус ядра сечения (ядровая точка - верхняя)
![]()
(без учета ненапрягаемой арматуры)
Доля момента трещинообразования, определенная усилием обжатия
(129) ![]()
Момент трещинообразования:
(125) ![]()
Поскольку ![]()
Условие (124) выполняется и трещин нормальных к продольной оси не будет.
9.4.4. Определение прогибов при отсутствии трещин в растянутой зоне.
(п.4.23 а и последний абзац; п.4.24)
Прогибы определяются по средней кривизне без учета разгружающего влияния консолей, т.е. заведомо получается завышенный прогиб из-за нулевого момента на опоре.
Примем разделение полного нормативного момента на кратковременную –
![]()
и длительную –
; части
![]()
![]()
![]()
Для формул (159)
;
;
Для определения
:
В стадии передачи напряжений на бетон –

Поскольку в верхней грани растяжение
![]()
![]()
значит ![]()
(если
, то
и
определять – см.выше)
Итак, ![]()
![]()
;
![]()
что больше ![]()
поэтому ![]()
Полная кривизна:
;
Для балки загруженной равномерно распределенной нагрузкой
: ![]()
Прогиб ![]()
По дополнению, раздел 10к СНиП для ![]()
(высота помещений до 6м) ![]()
для
![]()
Для
по интерполяции: ![]()
В нашем случае
жесткость обеспечена, что и следовало ожидать из-за отсутствия трещин в растянутой зоне.