| Скачать .docx |
Реферат: Релейная защита
и автоматика паралельной линии с двухсторонним питанием, и блока мощностью 200 Мвт.
Введение.
Энергетическая программа на длительную перспективу предусматривает дальнейшее развитие ЕЭС. Ввод в эксплуатацию линий электропередач высокого и сверхвысокого напряжения, электростанций большой мощности, интенсивное развитие основных и распределительных сетей черезвычайно усложнили проблему управления
В связи с этим идет непрерывный процесс развития и совершенствования техники релейной защиты. Создаються и вводяться в эксплуатацию новые защиты для дальних ЛЭП, для крупных генераторов, трансформаторов и энергоблоков. Разрабатываються новые виды полупроводниковых дифференциально-фазных защит, которые проще и надежнее в эксплуатации.
Релейная защита являеться оновным видом электрической автоматики, без каторой невозможна надежная работа современных энергетических систем. Она осуществляет непрерывный контроль за состоянием и режимом работы всех элементов энергосистемы и реагирует на возникновение повреждений и ненормальных режимов. При возникновении повреждений защита выявляет и отклбчает от системы поврежденный участок. При возникновении ненормальных режимов защита выявляет из и в зависимости от характера нарушения производит операции необходимые для востановления нормального режима или подает сигнал дежурному персоналу.
В современных электрических системах релейная защита тесно связана с электрической автоматикой, предназначенной для быстрого автоматического восстановления нормального режима и питанее потребителей.
Основные требования предъявляемые к релейной защите:
Селективность.
Быстрота действия.
Чувствительность.
Надежность.
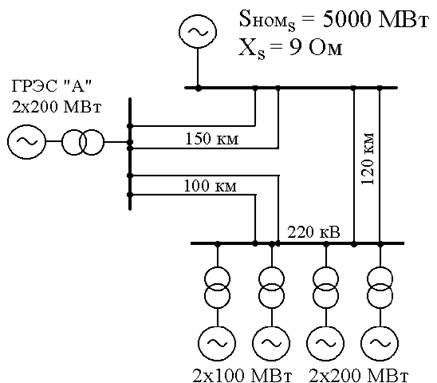
2. Защита линии 220 кВ.
Согласно ПУЭ раздела релейной защиты, параграф 3.4.115 - “на параллельных линиях с двухсторонним питанием на напряжение 220 кВ и длинной 120 км, в качестве основной целесообразно использовать ДФЗ от междуфазных коротких замыкании и коротких замыканий на землю”. Согласно ПУЭ раздел 3.2.116 - ”на параллельных линиях с двухсторонним питанием на напряжение 220 кВ и длинной 120 км, в качестве резервных защит целесообразно поставить трех ступенчатую защиту от междуфазных коротких замыканий и ступенчатую токовую защиту нулевой последовательности от замыканий на землю”.
Перечень защит линии с двухсторонним питанием с напряжением 220 кВ и длинной 120 км.
Основная: Диференциально-фазная защита от междуфазных коротких замыкании и коротких замыканий на землю, типа ДФЗ-201.
Резервные: Дистанционная от междуфазных коротких замыканий. Токовая защита нулевой последовательности типа КЗ-15.
Токовая отсечка.
Автоматика “АПВ”
Расчетная схема.

Дифференциальнофазная защита с ВЧ блокировкой.
Данная защита работает на линиях любой длинны в сетях любой конфигурации и отключает мгновенно любой вид короткого замыкания в пределах защищаемой линии.Принцип действия основан на сравнении фаз по концам защищаемой линии, при помощи ВЧ (высоко частотного сигнала).
Схема ВЧ оброботки линии.
ВЧ обработке подвергаеться одна фаза линии и ВЧ сигнал замыкаеться по контуру фазфземля. В комплект ВЧ апаратуры входит: генератор ВЧ (ГВЧ), приемник ВЧ (ПВЧ), загородительный фильтр который представляет собой колебательны контур, он настраиваеться врезонанс с частотой ВЧ сигнала по этому ВЧ сигнал не может сквозь этот фильтр пройти. С - конденсатор связи устанавливаеться для того, чтобы отделить ГВЧ и ПВЧ от высокого напряжения и не пропустить ток промышленной частоты в ВЧ аппаратуру.

ВЧ сигнал = (50¸300 кГц.
Считаем ток положительным если он идет от шин своей подстанции в защищаемую линию.
Особенности работы ВЧ аппаратуры.
ГВЧ управляються токами промышленной частоты, причем ГВЧ начинает выробатывать ВЧ сигнал только в том случае когда на его вход подаеться положительная полуволна тока промышленной частоты.
ПВЧ принемают ВЧ сигналы и от своего генератора и от генератора стоящего на противоположном конце линии.
Если на вход приемника сплошной ВЧ сигнал то на выходе ПВЧ ток равен нулю. А если на входе сигнал отсутствует или идет прерывистый ВЧ сигнал то на выходе ПВЧ появляеться ток вызывающий работу реагирующего органа защиты.

Глядя на диаграммы токов при внешнем коротком замыкании можно зделать вывод что, если токи по концам линии находяться в противофазе то ГВЧ работают поочередно по этому в ВЧ канале идет сплошной сигнал и на выходе ПВЧ ток равен нулю следовательно защита не работает.
Привнутреннем коротком замыкании ток по концам линии совпадает по фазе поэтому в ВЧ канале идет прерывный сигнал а значит на выходе ПВЧ пояляеться импульсный ток который сглаживаеться и подаеться в реогирующий орган а следовательно защита срабатывает.
Принципиальная схема ДФЗ-201
Схема каждого из полукомплектов состаит из трех органов:
Пусковой орган.
Орган манипуляции (управление ГВЧ)
Орган сравнения фаз.
Пусковые органы подразделяються на:
Пусковые органы работающие при несиметричных коротких замыканиях, это реле КА1, КА2.
Пусковые органы работающие при симметричных коротких замыканиях, реле KAZ1, KAZ2, каторые стоят на выходе фильтра токов обратной последовательности (ФТОП).
Пусковые органы также подразделяютьса на:
чувствительные KA1, KAZ1
и грубые KA2, KAZ2. Установки грубых реле в 1.5¸2 раза выше чем у чувствительной.

Эта разделения необходимы для того чтобы защита ложно не работала при внешних коротких замыканиях. Чувствительные пусковые органы запускают ГВЧ а грубые собирают цепочку на реагирующий орган реле KL3 на веходе ПВЧ. Чувствительный пусковой орган обладает большей чувствительностью чем грубый пусковой орган на противоположном конце.
Орган манипуляции состоит из комбинировании фильтра токов прямой и обратной последовательности. Он необходим для того чтобы преобразовать трехфазную систему токов в однофазную. И еще состоит изоргана управления ГВЧ.
Орган сравнения фаз находиться на выходе ПВЧ в него входит реагирующий орган KL3 контакт которого замыкаясь отключает выключатель при повреждениях на линии.
Расчет ДФЗ-201
Расчет пусковых органов реагирующие на симметричные короткие замыкания.
Ток срабатывания защиты реле КА1
Iсз,ка1 = Котс/Кв*Iраб.max
Котс = 1.2 - коэфицент надежности, отстройки, учитывает погрешность реле и погрешность в расчете.
Кв = 0.8 - коэфицент возврата реле.
Iраб.mах = Smax/(Ö3*Uном)
Smax = P/cos a
P = 150 (Мвт) - переток мощности по линии электро передач в нормальном режиме.
Smax = 150/0.8 = 187500 (кВ*А)
Iраб.max = 187500/(Ö3*220) = 492 (А)
Iсз,ка1 = 1.2/0.8*492 = 738 (А)
Ток срабатывания защиты реле КА2
Iсз,ка2 = 2*Iсз,ка1 = 1467 (А)
Кч = Iкз(кз-1)/Iсз(ка1) ³ 1.5
Если Кч£ то используеться реле сопротивления которое входит в комплект
ДФЗ-201
Iср(ка1) = Iсз(ка1)/Ki ном * Ксх
Кi ном = Iном/5 - коэфицент трансформации.
Для расчета Iкз,min возьмем точку короткого замыкания К-2 при отключенной линии подпитки и одного генераторного блока.

Iкз,min = (E’*Uср)/(Ö3*(Xл+X7)
Е’ = 1.13 для G = 100 и 200 (Мвт.)
Iкз,min = (1.13*280)/Ö3*56.5 = 2.6 (кА)
Кч = 2600/738 = 3.5
Защита прошла по чувствительности т.е. реле сопротивления в схеме не используеться.
Расчет пусковых органов реагирующих на несимметричные короткие замыкания.
Ток срабатывания защиты реле KAZ1.
Iсз,kaz1 > Iнб,фтоп
Iнб,фтоп = I’нб+I”нб
I’нб = 0.02*Iраб,max - обусловленно погрешностями самого фильтра.
I’нб = 0.02*492 = 9.84 A - обусловленно несеметрией токов в фазах.
I”нб = 0.01*Iраб,max
I”нб = 0.01*492 = 4.92 А
Iсз,kaz1 = (Kотс/Кв)*(0.02+0.01)*Iраб,max
Котс = 1.2 - коэфицент надежности, отстройки, учитывает погрешность реле и погрешность в расчете.
Кв = 0.5 - коэфицент возврата для поляризованного реле
Iсз,kaz1 = (1.2/0.5)*0.03*492 = 35.42 A
Ток срабатывания защиты реле KAZ2.
Iсз,kaz2 = 2*Iсз,kaz1
Iсз,kaz2 = 2*35.42 = 70.8 A
Кч = (0.5*Iном)/Iсз,kaz1 ³ 1.5
Если Кч£1.5 то помимо фильтра токов обратной последовательности подключаем фильтр токов нулевой последовательности.
Iном = Iраб,max/1.5
Iном = 492/1.5 = 328 А
Кч = (0.5*328)/35.42 = 4.6
Защита прошла по чувствительности, т.е. в схеме ФТНП не используеться.
Фазная хоректеристика защиты.

Расчет КЗ-15
I ступень: Токовая отсечка мгновенного действия
tсз,I £ 0.1 (сек)
I. Режим короткого замыкания.
Пояснительная схема.

Дла расчета максимального тока одну линию отключают выключателюми
Q1 и Q2.
Для расчетного режима составляем схемы замещения прямой, обратной и нулевой последовательностей.
Хт1 = Хт2 = Хт,0 (Ом)
Хл1 = Х л2 = 24 (Ом)
Хл,0 = 5*Хл1 = 5*24 = 120 (Ом)
Хs = 1.5*Xs1 = 1.5*9 = 13.9 (Ом)
Определяем резусьтирующие сопротивления.
Х1S ; Х2S ; Х0S
Схема замещения прямой и обратной последовательности.

Х1S = Х2S = Хs+Хл = 9+24 = 33 (Ом)
Схема замещения нулевой последовательности.

Х’0S = Xs,0 = 14 (Ом)
Х’’0S = Xл,0 = 120 (Ом)
Xтр,2 = 14 (Ом)
Х0S = 14½½120½½14 = 6.6 (Ом)
Х0S = 6.6 < Х1S = 33 (Ом) - следовательно расчетным являеться ток двухфазного короткого замыкания на землю.
Составляем схему замещения для двухфазного короткого замыкания на землю.
