| Скачать .docx |
Реферат: Знакомство с экстракционной хроматографией
.
Принцип экстракционной хроматографии несложен и заключается в том, что в качестве неподвижной фазы используется экстрагент, нанесенный на порошкообразный пористый материал. Этим материалом заполняется хроматографическая колонка, которая представляет собой стеклянную трубку с краном внизу. Жидкость (элюент) в колонку поступает сверху под действием собственной силы тяжести.
Безусловно, такое оформление процедуры эксперимента не способствует большой эффективности разделения хроматографируемых веществ. Величины ВЭТТ в большинстве случаев не превышает 1-2 мм. При длине колонки в 200 мм получается, что число теоретических тарелок составляет 100-200 штук. Такая невысокая эффективность хроматографических экстракционных систем предполагает специфическую сферу применения: разделение веществ, обладающих большими различиями характеристик удерживания. В связи с этим, в экстракционной хроматографии распространены 3 схемы организации процесса разделения. Первая схема решает задачу по отделению примесей от основного вещества пробы. Предполагается, что основное вещество хорошо удерживается экстрагентом в отличие от примесей. Беспрепятственно проходя через колонку, примеси, отделенные от основного вещества, поступают на анализ. Вторая схема заключается том, что на первом этапе методики все компоненты смеси поглощаются экстрагентом колонки. Затем компоненты последовательно вымываются элюентом, состав которого меняется по необходимости. Третья схема является сочетанием первых двух. Примером последней схемы может служить разделение Ni2+ и Fe3+ трибутилфосфатом. Использование в качестве элюента 4М HCl приводит к тому, что никель не удерживается на колонке, а железо садится на экстрагент. После того как весь никель вымывается, меняется состав элюент на 0,01М раствор HCl. После такой замены из колонки начинает выходить железо. Таким образом происходит разделение никеля и железа.
Познакомившись вкратце с возможностями экстракционной хроматографии, невольно возникает мысль о целесообразности перехода от классической экстракции к экстракционной хроматографии. Есть ли преимущества у хроматографии, если эффективность колонок невысока? Несмотря на это, тем не менее, преимущества есть! Во-первых, степень очистки, при применении экстракционной хроматографии, несомненно, выше. Во-вторых, хроматографическая технология проще, поскольку отсутствуют некоторые трудоемкие стадии экстракции, например, разделение фаз.
Рассмотрев самые общие принципы, остановим свое внимание на деталях эксперимента, которые не мене важны.
1. Носители и экстрагенты.
Для экстракционной хроматографии требуются носители, которые обладают рядом определенных важных свойств:
прочным удерживанием экстрагента;
удовлетворительной емкостью по отношению к экстрагенту;
развитой пористой поверхностью;
механической прочностью;
гидрофобной поверхностью.
Поясним необходимость только некоторых свойств, так как не все изложенные пункты нуждаются в пояснении.
Развитая пористая поверхность нужна носителю для того, чтобы пленка экстрагента на поверхности была как можно тоньше, поскольку это влияет на эффективность хроматографической колонки. Чем тоньше пленка, тем выше эффективность.
Упоминание о гидрофобной поверхности сделано в связи с тем, что некоторые носители, имеющие развитую поверхность, гидрофильны. Речь идет о силикагеле и окиси алюминия. Для того чтобы можно было их использовать в экстракционной хроматографии, следует специально гидрофобизировать их поверхность. Гидрофобизация проводится парами диметилдихлорсилана, а также триметилхлорсилана, гексаметилдисилазана. Процесс протекает 1-2 суток. После обработки носитель сушат при 120 0 С 15-120 минут. Гидрофобизировать можно также, перемешивая диметилдихлорсилан с носителем.
Однако, для экстракционной хроматографии, еще чаще чем силикагель и окись алюминия, применяются различные полимеры, которые не нуждаются в гидрофобизации: фторопласт-4, политрифторхлорэтилен, кель-F и др.
От экстрагента требуется только два важных свойства: как можно меньшая растворимость в элюенте и хорошая обратимость перехода экстрагируемого вещества в органическую фазу и обратно.
2. Изготовление хроматографической колонки.
Перед заполнением колонки, носитель должен быть приготовлен к работе, т.е. пропитан экстграгентом. Существует несколько способов нанесения экстрагента. Применение того или иного способа нанесения экстрагента зависит в большой степени от его летучести. Нелетучие экстрагенты наносятся следующим образом: готовится раствор экстрагента в летучем органическом растворителе, полученным раствором пропитывается носитель, растворитель подвергается принудительной отгонке или испаряется самостоятельно. Для летучих экстрагентов необходимо использовать 2-ой способ. Он состоит в том, что носитель заливают избытком экстрагента. Из этой смеси готовится колонка, а затем экстрагент постепенно вытесняется из колонки порциями элюента. Третий способ нанесения экстрагента отличается от второго только тем, что носитель заливается не чистым экстрагентом, а раствором экстрагента в растворителе, который в свою очередь растворим в элюенте. Если это возможно, то лучше применять третий способ, так как его преимущество состоит в том, что он позволяет равномерно распределять на носителе малые количества экстрагента. Помимо того, расслаивание экстрагента при контакте с элюентом происходит не так быстро, что благотворно сказывается на качестве набивки колонки.
Хроматографическая колонка может быть заполнена носителем 2-мя способами. Первый способ ("сухой") состоит в заполнении колонки сухим носителем. После заполнения через колонку пропускается элюент для того, чтобы избавиться от пузырьков воздуха. Второй способ, называемый суспензионным, состоит в том, что в колонку помещается суспензия наполнителя в элюенте или экстрагенте. Суспензия добавляется малыми порциями и аккуратно утрамбовывается стеклянной палочкой. Опыт показывает, что лучше использовать 2-ой способ, так как позволяет обойти утомительный этап борьбы с пузырьками воздуха.
3. Детектирование.
К большому сожалению, в экстракционной хроматографии не используются универсальные датчики, которые бы производили аналитические измерения в потоке. Необходимые измерения проводятся не непрерывно, а дискретно, проводя регулярный отбор проб. Отобранные пробы анализируются самыми разнообразными методами: от фотометрии до радиометрии. Я не случайно упомянул радиометрию, так как простота и высокая чувствительность анализа с использованием радиоактивных изотопов привлекают большое число исследователей.
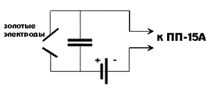
Пробы на анализ отбирают либо, считая капли элюента, либо набирая элюент в специальную мерную посуду. Лучше использовать метод счета капель, так как он позволяет более точно производить отбор проб. Для счета капель используется разнообразное оборудование. Например, в институте Гидроцветмет применялась конструкция, схема которой отражена на рисунке.

Из рисунка видно, что устройство состоит из электродов, которые замыкает падающая капля элюента. Момент замыкания отражается импульсом в электрической цепи, а импульс регистрирует счетчик импульсов ПП-15А. Конденсатор в схеме нужен для того, чтобы сократить время импульса, так как слишком длительные импульсы прибор не регистрирует.
4. Определение параметров колонки.
Только одна закономерность отличает теорию экстракционной хроматографии от классической:
Vr = D Vs ,
где Vr
- удерживаемый объем хроматографируемого вещества;
D - коэффициент распределение этого вещества между органической и водной фазой;
Vs
- общий объем экстрагента, находящегося в колонке.
В остальном расчеты ничем не отличаются от общепринятых (см. Расчеты в хроматографии). Однако проще делать расчеты, пользуясь фронтальным методом хроматографии, благо техника экстракционной хроматографии позволяет это сделать. Для фронтальной кривой число теоретических тарелок рассчитывается по следующей формуле [1,2]:
N=Vmr Vr /(V mr - V 0.159 )2 ,
где Vmr - общий удерживаемый объем, т.е. удерживаемый объем плюс свободный объем колонки.
Остальные обозначения можно понять, посмотрев на рисунок.

Эта формула расчета выведена мной и хороша тем, что является следствием расчетов, учитывающих общее перераспределение вещества в хроматографической колонке. Предлагаемая же вниманию читателей книги "Экстракционная хроматография"(под редакцией Т.Брауна и Г.Герсини) формула, имеет ярко выраженный эмпирический характер, что несколько преуменьшает ее ценность:
N=Vmr V0.157 /(V mr - V 0.157 )2 .
Список литературы
1. Немировский А.М., Сухоручко В.И. Расчет эффективности хроматографических систем/ Заводская лаборатория. 1994. т.60. N6. С. 1-4.
2. Немировский А.М. Расчеты во фронтальной хроматографии /Заводская лаборатория. 1996. N3. С. 13-15.