| Скачать .docx | Скачать .pdf |
Реферат: Интраскопия Лазерные методы диагностики и термографии
ОГЛАВЛЕНИЕ
ÎÃËÀÂËÅÍÈÅ
ËÀÇÅÐÍÛÅ ÌÅÒÎÄÛ ÄÈÀÃÍÎÑÒÈÊÈ
ÎÏÒÈ×ÅÑÊÈÅ ÊÂÀÍÒÎÂÛÅ ÃÅÍÅÐÀÒÎÐÛ
ÎÑÍÎÂÍÛÅ ÍÀÏÐÀÂËÅÍÈß È ÖÅËÈ ÌÅÄÈÊÎ-ÁÈÎËÎÃÈ×ÅÑÊÎÃÎ ÈÑÏÎËÜÇÎÂÀÍÈß ËÀÇÅÐÎÂ.
ËÀÇÅÐÍÀß ÄÈÀÃÍÎÑÒÈÊÀ Â ÎÔÒÀËÜÌÎËÎÃÈÈ
ÀÍÃÈÎÃÐÀÔÈß
ÄÈÀÃÍÎÑÒÈ×ÅÑÊÈÅ ÂÎÇÌÎÆÍÎÑÒÈ ÃÎËÎÃÐÀÔÈÈ
ÒÅÐÌÎÃÐÀÔÈß
ÁÈÎÔÈÇÈ×ÅÑÊÈÅ ÀÑÏÅÊÒÛ ÒÅÏËÎÂÈÄÅÍÈß.
ÌÅÒÎÄÈÊÈ ÒÅÏËÎÂÈÇÈÎÍÍÎÃÎ ÈÑÑËÅÄÎÂÀÍÈß.
ÒÅÏËÎÂÈÇÈÎÍÍÀß ÒÅÕÍÈÊÀ È ÏÅÐÑÏÅÊÒÈÂÛ ÅÅ ÑÎÂÅÐØÅÍÑÒÂÎÂÀÍÈß.
ËÈÒÅÐÀÒÓÐÀ
Лазерные методы диагностики
ОПТИЧЕСКИЕ КВАНТОВЫЕ ГЕНЕРАТОРЫ
Лазеры представляют собой источники света, работающие на базе процесса вынужденного (стимулированного, индуцированного) испускания фотонов возбужденными атомами или молекулами под воздействием фотонов излучения, имеющих ту же частоту. Отличительной чертой этого процесса является то, что фотон, возникающий при вынужденном испускании, идентичен вызвавшему его появление внешнему фотону по частоте, фазе, направлению и поляризации. Это определяет уникальные свойства квантовых генераторов: высокая когерентность излучения в пространстве и во времени, высокая монохроматичность, узкая направленность пучка излучения, огромная концентрация потока мощности и способность фокусироваться в очень малые объемы. Лазеры создаются на базе различных активных сред: газообразной, жидкой или твердой. Они могут давать излучение в весьма широком диапазоне длин волн - от 100 нм (ультрафиолетовый свет) до 1.2 мкм (инфракрасное излучение) - и могут работать как в непрерывном, так и в импульсном режимах.
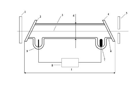
Лазер состоит из трех принципиально важных узлов: излучателя, системы накачки и источника питания, работа которых обеспечивается с помощью специальных вспомогательных устройств. Упрощенная конструктивная схема гелий-неонового лазера показана на рисунке ниже.
Излучатель предназначен для преобразования энергии накачки (перевода гелий-неоновой смеси 3 в активное состояние) в лазерное излучение и содержит оптический резонатор, представляющий собой в общем случае систему тщательно изготовленных отражающих, преломляющих и фокусирующих элементов, во внутреннем пространстве которого возбуждается и поддерживается определенный тип электромагнитных колебаний оптического диапазона. Оптический резонатор должен иметь минимальные потери в рабочей части спектра, высокую точность изготовления узлов и их взаимной установки. В лазере, показанном на рисунке, оптический резонатор выполнен в виде двух параллельных зеркал 1 и 5,расположенных вне активной части среды 3,которая отделена от окружающей среды колбой 6 разрядной трубки и двумя окнами 2,4 с плоскопараллельными границами, образующими с осью излучения угол Брюстера. Внешние зеркала 1 и 5 обеспечивают многократное прохождение излучения через активную среду с нарастанием мощности потока лазерного излучения. Для выхода излучения одно из зеркал (5) делается с отверстием или полупрозрачным.

Система накачки предназначена для преобразования энергии источника электрического питания 8 в энергию ионизированной активной среды 3 лазера. Накачка осуществляется электрическим разрядом, для чего в нем устанавливаются два электрода - катод 7 и анод 9, между которыми подается напряжение от источника питания. Атомы гелия возбуждаются при соударениях с быстрыми электронами и, сталкиваясь с атомами неона, передают им свою энергию. В некоторых типах лазеров применяют фокусирующие магниты или обмотки и специальные отводные трубки для циркуляции активной среды.
ОСНОВНЫЕ НАПРАВЛЕНИЯ И ЦЕЛИ МЕДИКО-БИОЛОГИЧЕСКОГО ИСПОЛЬЗОВАНИЯ ЛАЗЕРОВ.
Современные направления медико-биологического применения лазеров могут быть разделены на две основные группы :
|
К первому типу отнесено воздействие на ткани патологического очага импульсным или непрерывным лазерным излучением при плотности мощности, недостаточной для глубокого обезвоживания, испарения тканей и возникновения в них дефекта. Этому типу воздействия соответствует применение лазеров в дерматологии и онкологии для облучения патологических тканевых образований, которое приводит к их коагуляции. Второй тип - рассечение тканей, когда под влиянием излучения лазера непрерывного или частотно-периодического действия часть ткани испаряется и в ней возникает дефект. В этом случае плотность мощности излучения может превосходить используемую при коагуляции на два порядка и более. Этому типу воздействия соответствует хирургическое применение лазеров. К третьему типу можно отнести влияние на ткани и органы низкоэнергетического излучения, обычно не вызывающего явных морфологических изменений, но приводящего к определенным биохимическим и физиологическим сдвигам в организме, т.е. воздействие типа физиотерапевтического. Сюда же следует включить применение гелий-неонового лазера в целях биостимуляции при вяло текущих раневых процессах, трофических язв и др.
Несмотря на всю условность схемы (нетрудно видеть, например, что при рассечении тканей наблюдается одновременно гибель части клеток, т.е. реализуется и воздействие по первому типу, рассечение и коагуляция тканей сопровождается определенными физиолого-биохимическими изменениями и др.),она дает представление о тех основных эффектах, которые достигаются с помощью лазерного облучения и практически используются специалистами медико-биологического профиля. Задача исследований по механизму биологического действия лазерной радиации сводится к изучению тех процессов, которые лежат в основе интегральных эффектов, вызываемых облучением — коагуляции тканей, их испарения, биостимуляционных сдвигов в организме.
Лазерная диагностика в офтальмологии
АНГИОГРАФИЯ
Исследование сосудистой системы и гемодинамики глазного дна является одним из важнейших средств ранней диагностики тяжелых патологических изменений органа зрения и, в конечном счете, профилактики преждевременной слепоты.
Наибольшее распространение для исследования гемодинамики в настоящее время получили флюоресцентная ангиография и ангиоскопия глазного дна. Эти методы обладают большой информационной емкостью.
Флюоресцентная ангиография (ФАГ) с фоторегистрацией позволяет зафиксировать результаты исследования, но нарушает целостность динамической картины кровообращения.
Перед исследователем, который работает над усовершенствованием и разработкой аппаратуры для исследования гемодинамики глазного дна, встают следующие задачи:
1) выбор фотоприемника, имеющего достаточно высокую чувствительность как в видимом, так и в ближнем инфракрасном диапазоне и дающего возможность оперативно регистрировать и воспроизводить в реальном времени динамическую картину кровообращения глазного дна
2) выбор соответствующего источника освещения глазного дна, который излучает в диапазоне возбуждения применяемых контрастирующих красителей и позволяет достаточно простым способом изменять длину волны излучения.
Желательно, чтобы источник освещения в нужном диапазоне излучения имел возможно более узкую ширину спектра, лучше всего излучение на одной линии максимального поглощения соответствующего красителя. Применение источника освещения с такой характеристикой исключает высокую общую засветку глаза.
Выбранный фотоприемник должен обладать как можно большей чувствительностью в рабочем диапазоне, что даст возможность снизить уровень освещенности глазного дна.
Фотоприемник должен иметь разрешающую способность, достаточную для передачи мелких деталей глазного дна, и высокое отношение сигнал-шум для воспроизведения изображения глазного дна с необходимым контрастом.
Проведенные эксперименты показали, что оптимальным с точки зрения всех требований, предъявляемых к фотоприемнику, является использование в качестве такового телевизионной передающей трубки. Телевизионный фотоприемник преобразует оптическое изображение на его мишени в последовательность электрических импульсов— телевизионный видеосигнал. Видеосигнал передается на устройства отображения - телевизионные мониторы с экранами различного размера для непосредственной визуализации, и записывается на магнитную ленту с помощью видеомагнитофона. В видеосигнал чисто электронными методами может быть введена дополнительная информация. Наблюдение гемодинамической картины производилось в реальном масштабе времени, а регистрация сигнала на видеомагнитофоне позволяла многократно просматривать сделанную запись для детального диагностического анализа. При использовании соответствующего видеомагнитофона можно просматривать запись с пониженной скоростью воспроизведения и в обратном движении, а также возможна остановка изображения.
Необходимая разрешающая способность телевизионной трубки определяется величиной самых мелких деталей глазного дна, которые необходимо передать, и увеличением оптического канала, формирующего изображение. Если принять размер самых мелких деталей в 50 мкм, то для фундус-камеры "Opton" с увеличением фотоканала 2.5 получим необходимую разрешающую способность телевизионного фотоприемника 8 мм. Изображение участка глазного дна, создаваемое фундус-камерой, представляет собой круг диаметром 20 мм. Следовательно, если изображение занимает всю поверхность мишени, то требуется не более 200 строк разложения, чтобы обеспечить требуемое разрешение. Таким образом, стандартная телевизионная развертка позволит передавать детали мельче 50 мкм.
Проведенные исследования позволили выбрать следующую структурную схему телевизионной системы для ангиографических исследований. В качестве источника освещения глазного дна используется перестраиваемый лазер, длина волны которого выбирается в полосе максимального поглощения используемого красителя. При помощи специального электронного блока оптимальным образом связаны модуляция лазерного луча и параметры развертки телевизионной системы. Вид зависимости выбирается исходя из необходимости обеспечить минимальную паразитную засветку глазного дна, то есть так, чтобы получить максимальное отношение сигнал-шум в тракте телесигнала. При этом на экране телевизионного дисплея получается наиболее контрастное изображение. Применение в качестве источника света лазера позволяет получить максимальную спектральную плотность излучения в нужном участке спектра и исключить засветку глазного дна на других длинах волн, при этом отпадает необходимость в применении узкополосного фильтра с низким коэффициентом пропускания. Для регистрации видеосигнал записывается на магнитную ленту. Параллельно видеосигнал поступает на спецвычислитель, при помощи которого непосредственно во время исследования или во время воспроизведения ранее сделанной записи могут быть определены следующие параметры: калибр сосудов в некотором выбранном сечении глазного дна; площадь занимаемая сосудами на глазном дне; доля сосудов определенного заданного калибра; распределение сосудов по калибрам; скорость распространения красителя и др.
ДИАГНОСТИЧЕСКИЕ ВОЗМОЖНОСТИ ГОЛОГРАФИИ
Особый интерес для голографической диагностики представляет орган зрения. Глаз является органом, позволяющим получать изображение его внутренних сред обычным освещением извне, так как преломляющие среды глаза являются прозрачными для излучения видимого и ближнего инфракрасного диапазона.
Наибольший подъем исследований и разработок систем объемного отображения в офтальмологии связан с появлением лазеров, когда появились потенциальные возможности широкого использования голографического метода.
Для голографической записи изображения глазного дна использовалась стандартная фотографическая фундус-камера Цейса, в которой ксеноновый источник света был заменен лазерным источником излучения.
Недостатком являются низкое (100 мкм) разрешение и невысокий (2:1) контраст получаемых изображений.
Традиционные методы оптической голографии сталкиваются с принципиальными трудностями их практической реализации в офтальмологии , в первую очередь из-за низкого качества получаемых объемных изображений.
Существенного повышения качества объемных изображений можно ожидать лишь в случае использования однопроходной голографической регистрации, каковой является регистрация прозрачных микрообъектов методами голографии.
Метод флюоресцентной ангиографии, состоящий в возбужждении люминесценции красителя, введенного в кровь, и одновременной фото-регистрации изображения глазного дна.
В результате проведенных исследований был разработан способ получения однопроходной голограммы глазного дна. Данный способ позволяет существенно улучшить качество восстановленных изображений в результате устранения когерентного шума и паразитных бликов.
Термография
Биофизические аспекты тепловидения.
В человеческом организме вследствие экзотермических биохимических процессов в клетках и тканях, а также за счет высвобождения энергии, связанной с синтезом ДНК и РНК, вырабатывается большое количество тепла-50-100 ккал/грамм. Это тепло распределяется внутри организма с помощью циркулирующей крови и лимфы. Кровообращение выравнивает температурные градиенты. Кровь благодаря высокой теплопроводности, не изменяющейся от характера движения, способна осуществлять интенсивный теплообмен между центральными и периферическими областями организма. Наиболее теплой является смешанная венозная кровь. Она мало охлаждается в легких и, распространяясь по большому кругу кровообращения, поддерживает оптимальную температуру тканей, органов и систем. Температура крови, проходящей по кожным сосудам, снижается на 2-3°. При патологии система кровообращения нарушается. Изменения возникают уже потому, что повышенный метаболизм, например, в очаге воспаления увеличивает перфузию крови и, следовательно, теплопроводность, что отражается на термограмме появлением очага гипертермии.
Температура кожи имеет свою вполне определенную топографию. Правда, у новорожденных, как показала И.А.Архангельская, термотопография кожи отсутствует. Самую низкую температуру (23-30°) имеют дистальные отделы конечностей, кончик носа, ушные раковины. Самая высокая температура подмышечной области, в промежности, области шеи, эпигастрия, губ, щек. Остальные участки имеют температуру 31-33,5°С. Суточные колебания температуры кожи в среднем составляют 0,3-0,1°С и зависят от физической и психической нагрузок, а также других факторов.
При прочих равных условиях минимальные изменения температуры кожи наблюдаются в области шеи и лба, максимальные—в дистальных отделах конечностей, что объясняется влиянием высших отделов нервной системы. У женщин часто кожная температура ниже, чем у мужчин. С возрастом эта температура снижается и уменьшается ее изменчивость под воздействием температуры окружающей среды. При всяком изменении постоянства соотношения температуры внутренних областей тела включаются терморегуляторные процессы, которые устанавливают новый уровень равновесия температуры тела с окружающей
средой.
У здорового человека распределение температур симметрично относительно средней линии тела. Нарушение этой симметрии и служит основным критерием тепловизионной диагностики заболеваний. Количественным выражением термоасимметрии служит величина перепада температуры. Перечислим основные причины возникновения температурной асимметрии:
Врожденная сосудистая патология, включая сосудистые опухоли.
Вегетативные расстройства, приводящие к нарушению регуляции сосудистого тонуса.
Нарушения кровообращения в связи с травмой, тромбозом, эмболией, склерозом сосудов.
Венозный застой, ретроградный ток крови при недостаточности клапанов вен.
Воспалительные процессы, опухоли, вызывающие местное усиление обменных процессов.
Изменения теплопроводности тканей в связи с отеком, увеличением или уменьшением слоя подкожной жировой клетчатки.
Существует так называемая физиологическая термоасимметрия, которая отличается от патологической меньшей величиной перепада температуры для каждой отдельной части тела. Для груди, живота и спины величина перепада температуры не превышает 1,0°С.
Терморегуляторные реакции в человеческом организме управляются гипоталамусом.
Кроме центральных, существуют и местные механизмы терморегуляции. Кожа благодаря густой сети капилляров, находящихся под контролем вегетативной нервной системы и способных значительно расширить или полностью закрыть просвет сосудов, менять свой калибр в широких пределах, -прекрасный теплообменный орган и регулятор температуры тела.
Температура кожи и подлежащих тканей может иметь мозаичный характер вследствие неоднородности температур внутренних органов или даже отдельных участков того или иного органа. Следует обратить внимание на высокие термоизолирующие свойства кожного покрова, который благодаря разветвленной подкожной сосудистой сети, препятствует контактной передаче термических воздействий вглубь тела и в обратном направлении. Все эти общие и местные механизмы терморегуляции оказывают влияние на физические и физиологические факторы, обусловливающие в конечном счете особенности теплоизлучения кожи, а следовательно, и характер тепловизионной картины.
Таким образом, термография—метод функциональной диагностики, основанный на регистрации инфракрасного излучения человеческого тела, пропорционального его температуре. Распределение и интенсивность теплового излучения в норме определяются особенностью физиологических процессов, происходящих в организме, в частности как в поверхностных, так и в глубоких и органах. Различные патологические состояния характеризуются термоасимметрией и наличием температурного градиента между зоной повышенного или пониженного излучения и симметричным участком тела, что отражается на термографической картине. Этот факт имеет немаловажное диагностическое и прогностическое значение, о чем свидетельствуют многочисленные клинические исследования.
МЕТОДИКИ ТЕПЛОВИЗИОННОГО ИССЛЕДОВАНИЯ
Колебания температуры кожи зависят от ряда факторов. К ним относятся: сосудистые реакции, скорость кровотока, наличие локальных или общих источников тепла внутри тела, регуляция теплообмена одеждой, испарением. Кроме того, возможны погрешности в измерении температуры за счет воздействия излучающих предметов окружающей среды. Пока влияние всех этих факторов не исключено или не учитывается при окончательном определении результата измерения, до тех пор невозможно объективно судить о температуре человеческого тела после единичного измерения температуры. По расчетам Г. Рудовского разница между истинной и кажущейся температурой чаще всего составляет 1-3 градуса.
Точность исследования возрастает, если снять с исследуемого одежду, а из помещения удалить объекты, более теплые или более холодные, чем воздух в комнате. Оптимальной для исследования считается температура воздуха 22 градуса.
Перед проведением тепловизионного исследования больной должен адаптироваться к температуре окружающей среды. По мнению В.Ф. Сухарева и В.М. Курышевой, оптимальным и достаточным является 20-минутный период адаптации. Эти авторы выделили три типа адаптации у людей:
Первый—устойчивый. Характеризуется высокой степенью адаптации. У людей, относящихся к этой группе, вначале отмечается небольшое падение температуры на 0.3-0.5 С при естественном охлаждении и быстрое восстановление температуры кожи до первоначального уровня.
Второй—уравновешенный. Степень адаптации при этом несколько понижена и наблюдается замедленное восстановление температуры кожи.
Третий—неустойчивый. В этом случае имеют место нарушения физической терморегуляции или функциональные расстройства сосудистой системы без клинических проявлений. Температура несколько стабилизируется к 40-60-й минуте периода адаптации, оставаясь пониженной.
У больных с патологией сосудов отмечаются резкие нарушения адаптационных процессов.
Выбор расстояния от больного до экрана тепловизора зависит от технических возможностей прибора.
Оптимальное расстояние от тепловизора до объекта составляет 2-4 метра.
В литературе описывается несколько методов тепловизионных исследований. Выделяют два основных вида термографии:
1.Контактная холестерическая термография.
2.Телетермография.
Телетермография основана на преобразовании инфракрасного излучения тела человека в электрический сигнал, который визуализируется на экране тепловизора.
Контактная холестерическая термография опирается на оптические свойства холестерических жидких кристаллов, которые проявляются изменением окраски в радужные цвета при нанесении их на термоизлучающие поверхности. Наиболее холодным участкам соответствует красный цвет, наиболее горячим—синий. Нанесенные на кожу композиции жидких кристаллов, обладая термочувствительностью в пределах 0.001 С, реагируют на тепловой поток путем перестройки молекулярной структуры. Падающий на кристаллы рассеянный дневной свет разделяется на две компоненты, у одной из которых электрический вектор поворачивается по часовой стрелке, а другой—против.
После рассмотрения различных методов тепловидения встает вопрос о способах интерпретации термографического изображения. Существуют визуальный и количественный способы оценки тепловизионной картины.
Визуальная (качественная) оценка термографии позволяет определить расположение, размеры, форму и структуру очагов повышенного излучения, а также ориентировочно оценивать величину инфракрасной радиации. Однако при визуальной оценке невозможно точное измерение температуры. Кроме того, сам подъем кажущейся температуры в термографе оказывается зависимым от скорости развертки и величины поля. Затруднения для клинической оценки результатов термографии заключаются в том, что подъем температуры на небольшом по площади участке оказывается малозаметным. В результате небольшой по размерам патологический очаг может не обнаруживаться.
Радиометрический подход весьма перспективен. Он предполагает использование самой современной техники и может найти применение для проведения массового профилактического обследования, получения количественной информации о патологических процессах в исследуемых участках, а также для оценки эффективности—термографии.
ТЕПЛОВИЗИОННАЯ ТЕХНИКА И ПЕРСПЕКТИВЫ ЕЕ СОВЕРШЕНСТВОВАНИЯ
Успехи медицинской науки во многом зависят от качества используемой медицинской аппаратуры. Тепловизоры, применяемые сейчас в тепловизионной диагностике, представляют собой сканирующие устройства, состоящие из систем зеркал, фокусирующих инфракрасное излучение от поверхности тела на чувствительный приемник. Такой приемник требует охлаждения, которое обеспечивает высокую чувствительность. В приборе тепловое излучение последовательно преобразуется в электрический сигнал, усиливающийся и регистрирующийся как полутоновое изображение.
В настоящее время применяются тепловизоры с оптико-механическим сканированием, в которых за счет пространственной развертки изображения осуществляется последовательное преобразование инфракрасного излучения в видимое.
В термовизионной аппаратуре видимое изображение высвечивается на экране ЭЛТ поэлементно, т.е. кадр изображения формируется, как в телевидении, путем перемещения луча по горизонтали и вертикали. Получение поэлементной развертки обеспечивает оптико-механическое сканирование. В результате на выходе преобразователя формируется видеосигнал, подобный телевизионному. Поскольку спектральный состав части излучения, которая вызывает сигнал на выходе преобразователя, определяется областью пропускания оптической
системы и спектральной характеристикой преобразователя, термовизионная аппаратура имеет более широкую область спектральной чувствительности, чем та, которая построена на базе электронно-оптического преобразователя.
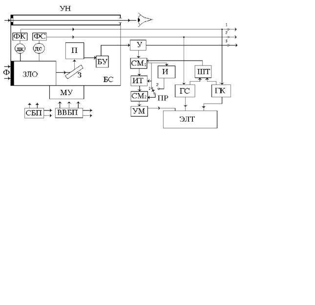
Упрощенная функциональная схема термовизора приведена на рисунке
|
Основное усиление сигнала осуществляется линейным усилителем У, выходные сигналы с которого поступают на сумматор СМ1. На другой вход сумматора подается серия пилообразных импульсов от блока формирования шкалы температур ШТ. Помимо этого для получения сложных синтезированных изображений на сумматор могут подаваться сигналы и с других устройств и блоков. Таким образом СМ1 формирует видеосигнал, обеспечивающий получение основного изображения с яркостной отметкой, где наибольшая плотность потока излучения соответствует наиболее яркому свечению экрана ЭЛТ (позитивное изображение). Результирующий сигнал, заполняющий все время кадра, с выхода СМ1 поступает на блок формирования изотерм ИТ и на сумматор СМ2 (в положении 1 переключателя ПР).
При анализе негативного изображения сигнал с выхода СМ1 передается к СМ2 через инвертор И (положение 2 переключателя ПР), который изменяет знак выходного сигнала сумматора СМ1 на противоположный.
Термовизоры в простейшем варианте имеют два крупных конструктивных блока: блок сканирования БС, где размещены элементы оптической системы, устройства сканирования, преобразователь, балансно—усилительный блок, устройства для создания запускающих импульсов развертки, и электронно-осциллографический блок, содержащий основную массу электронных устройств, блоки питания и ЭЛТ. Электронно-осциллографический блок в последнее время часто совмещается с микропроцессорной системой или с мини-ЭВМ. Блок сканирования размещается на механизме установки МУ в виде стойки или треноги с устройствами для поворота и наклона, чтобы направить его на контролируемый объект, и часто делается переносным.
Изображение, получаемое термовизором, может быть зафиксировано и обработано с помощью средств вычислительной техники, например, как это показано на рис. 4

От термовизора к блоку управления БУ подводится видеосигнал изображения и импульсы синхронизации (точки 1, 2 и 3 на рис. 3 и рис 4). БУ организует работу всей системы обработки информации, задаваемую оператором с пульта управления ПУ. Видеосигнал термовизора преобразуется аналого-цифровым преобразователем АЦП в цифровую форму с помощью интерфейса ИНТ, связывающего АЦП с общей шиной ОШ, после чего цифровые сигналы поступают в измерительный магнитофон МГ и в память ЭВМ. Обработку информации может производить микропроцессор МКП или мини-ЭВМ, которые используют при этом постоянное запоминающее устройство ПЗУ. Сформированные изображения и другая полученная информация отображаются на видеоконтрольных устройствах ВКУ1 и ВКУ2.
Общим недостатком существующих тепловизоров является необходимость их охлаждения до температуры жидкого азота, что обусловливает их ограниченное применение. В 1982 году ученые предложили новый тип инфракрасного радиометра. В его основе - пленочный термоэлемент, работающий при комнатной температуре и обладающий постоянной чувствительностью в широком диапазоне длин волн. Недостатком термоэлемента является низкая чувствительность и большая инерционность. С целью увеличения выходного сигнала и повышения чувствительности в радиометре используется термобатарея, состоящая из 70-80 соединенных последовательно и сжатых в плотный пакет термоэлементов. При этом резко уменьшаются потери за счет излучения и конвекции воздуха, что в конечном счете приводит к повышению чувствительности примерно на порядок. После оптимизации высоты батареи, которой прямо пропорциональна чувствительность прибора, точность измерения температуры достигла примерно 0.1 С. В настоящее время радиометр проходит клинические испытания.
Особенного внимания заслуживают тепловизионные приборы, работающие в миллиметровых диапазонах длин волн. Сконструировано и испытано два новых типа тепловизоров, чувствительных к миллиметровым электромагнитным волнам. Эти аппараты улавливают волны на три порядка длиннее, чем инфракрасные. Такие волны проникают на большую глубину по сравнению с теми, которые улавливает обычный инфракрасный тепловизор. Приборы могут различать колебания температуры до доли градуса в тканях, расположенных на несколько миллиметров внутрь от поверхности кожи. Обычный же тепловизор регистрирует излучение только с поверхности тела.
Радиотермографы, работающие в диапазоне ММВ, предназначены для обнаружения злокачественных образований молочных желез, щитовидной железы и некоторых областей головного мозга. Они незаменимы для обнаружения опухолей и воспалений неглубокого залегания, потому что позволяют обеспечить наиболее высокую разрешающую способность и усреднение температуры по наименьшему объему. Это особенно ценно для выявления опухолей в начальной стадии, когда различие их температуры с окружающей средой невелико.
Подводя итог обзору современной тепловизионной техники, нужно указать на основные пути и перспективы ее совершенствования. Это, во-первых, повышение уровня четкости и степени контрастности тепловизионных изображений, создание видеоконтрольных устройств, дающих увеличенное воспроизведение теплового изображения, а также дальнейшая автоматизация исследований и применение ЭВМ. Во-вторых, совершенствование методики тепловизионных исследований различных видов заболеваний. Тепловизор должен давать информацию о площади кожного участка с измененной температурой и координатах фиксированного теплового поля. Предполагается создать аппараты, в которых можно произвольно менять увеличение изображения, фиксировать амплитудное распределение температуры по горизонтальным и вертикальным осям. Кроме того, необходимо сконструировать прибор, способный интенсифицировать развитие исследований механизма теплопередачи и корреляции наблюдаемых тепловых полей с источниками тепла внутри тела человека. Это позволит разработать унифицированные методики тепловизионной диагностики. В-третьих, следует продолжить поиск новых принципов работы тепловизоров, работающих в более длинноволновых областях спектра с целью регистрации максимума теплового излучения тела. В перспективе также возможно совершенствование аппаратуры для сверхчувствительного приема электромагнитных колебаний дециметровых, сантиметровых и миллиметровых диапазонов.
Литература
Дударев А.Л. Лучевая терапия, Л.: Медицина, 1982, 191 с.
Лазерная и магнитно-лазерная терапия в медицине, Тюмень, 1984, 144 с.
Современные методы лазерной терапии, Отв. Ред. Б.И. Хубутия, - Рязань.: 1988 г., 126 с.
Терапевтическая эффективность низкоинтенсивного лазерного излучения., А.С. Крюк, В.А. Мостовников и др., - Минск.: Наука и техника, 1986 г., 231 с.
Лазерные методы лечения и ангиографические исследования в офтальмологии, Сб. науч. тр. Под ред. С.Н. Федорова, 1983 г., 284 с.
Лазеры в клинической медицине , Н. Д. Девятков, - М.: Медицина, 1981 г., 399 с.
Лазеры в хирургии. Под ред. О.К. Скобелкина .- М .: Медицина, 1989, 254 с.
Журнал "Медтехника" ,1995 г. -№3; 1996 г. -№4
Госсорг Ж. Инфракрасная термография, 1988 г.,
Воробьев Тепловидение в медицине, 1985 г., 63 с.
снижает влияние электромагнитных помех.