| Похожие рефераты | Скачать .zip |
Реферат: Математическое моделирование электропривода
Введение 2
1. Физическое описание объекта исследования 4
2. Математическое моделирование 7
2.1 Построение уравнения 7
2.1 Построение уравнения 7
2.2 Определение свойств системы 12
2.2 Определение свойств системы 12
3. построение Имитационной Модели 14
1.1. Построение имитационной модели в Simulink 14
1.1. Построение имитационной модели в Simulink 14
1.2. Эксперименты с варьированием параметров модели 16
1.2. Эксперименты с варьированием параметров модели 16
заключение 19
Список используемой литературы 20
Введение
В данной курсовой работе описано применение развитой теории конструирования алгоритмов управления движением систем с одной степенью свободы. Рассмотрение происходит на примере моделирования электропривода. Здесь взяты методики синтеза алгоритмов по линейным и нелинейным математическим моделям управляемых процессов. Процедура построения алгоритмов предусматривает последовательный синтез контуров управления ускорением, угловой скоростью вращательного движения и положением. Такой подход позволяет выполнить декомпозицию задачи, упростить её решение и наиболее полно учесть требования к синтезируемой системе. В ходе работы будут представлены результаты математического моделирования процессов управления приводом и даны рекомендации по практической реализации алгоритмов.
Математическое моделирование представляет собой формальное описание систем (статических и динамических) на математическом языке. Динамическая система является способом формализованного описания процессов, развивающихся во времени. Под динамической системой понимают объекты материального мира, которые характеризуются следующими свойствами:
1) Наличием входных и выходных переменных, отражающих причинно следственную связь процессов, происходящих в системе.
2) Динамическая система характеризуется наличием памяти (наличием инерционных свойств). Это означает, что в любой момент времени t значение выходной переменной не может быть однозначно определено соответствующим значением входной переменной и зависит от предыстории системы. Таким образом, для полного описания динамической системы недостаточно задания только входных и выходных переменных.
В курсовой работе ставятся следующие задачи:
Рассмотреть задачу математического моделирования электропривода;
Установить свойства динамических процессов в заданном электроприводе;
Построить имитационную модель с помощью средств программы Simulink пакета Matlab;
С помощью полученной модели провести ряд экспериментов, варьируя параметры модели.
Проанализировав результаты экспериментов, подтвердить правильность сделанных выводов, полученных при математическом исследовании представленных процессов.
1.Физическое описание объекта исследования
Рассмотрим управляемую систему, движение которой подчиняется уравнению
(1)
Отметим особенности рассматриваемой системы.
При
уравнение (1)
описывает
колебательную
систему с переменным
демпфированием.
Качественный
характер свободного
движения такой
системы определяется
величиной
.
При малых
(сравнительно
с единицей)
значениях
в системе
устанавливаются
почти синусоидальные
колебания,
период которых
незначительно
отличается
от
.
А при
колебания имеют
релаксационный
характер с
периодом намного
большим
.
Синтезируем
для системы
(1) такой алгоритм
управления,
при котором
ее движение
в точку
проходит в
окрестности
решения дифференциального
уравнения
, (2)
где
- постоянная
времени,
- декремент
затухания
колебаний. В
случае же
длительность
процесса
в системе (2) равна
.
Запишем уравнение (1) в следующем виде
. (3)
Тогда уравнения замкнутой системы будут иметь вид
(4)
Параметры
эталонной
системы известны.
Коэффициент
ускорения
контура ускорения
подлежит определению
из условия,
чтобы процесс
в синтезируемой
системе (4) проходил
в окрестности
решения уравнения
(2). Искомое значение
можно найти
по формуле
,
где
находят из (3)
,
,
.
Отсюда, подставляя
значение производных
в точке
,
имеем
(5)
По этому
соотношению
можно вычислить
требуемый
коэффициент
усиления для
заданных значений
,
если назначена
величина
.
В Таблица 1
представлены
соотношения
,
соответствующие
различным
значениям
параметра
для случая,
когда усиление
в контуре ускорения
принято равным
и
.
В соответствии
с (5) величина
,
при расчетах
принималось
.
Таблица 1
|
|
0,2 | 0,4 | 0,6 | 0,8 | 1,0 | 3,0 |
|
|
|
4,4 | 4,3 | 4,2 | 4,1 | 4,0 | 3,0 | 9 |
| 3,0 | 2,9 | 2,8 | 2,7 | 2,6 | 1,6 | 6,2 |
Видно
что в алгоритме
управления
с усилением
отношение
постоянных
времени
при изменении
параметра
в пределах
.
Это свидетельствует
о слабой параметрической
чувствительности
системы (4). Напротив,
если принять
,
то при изменении
в указанном
диапазоне
соотношение
между постоянными
времени
(по
управляемой
переменной)
и
(контура
ускорения)
будет меньше
трех. В данном
случае процесс
будет заметно
отличаться
от эталонного
при
.
В Таблица 2
приведены
числовые данные,
показывающие
зависимость
перерегулирования
от
.
Эти данные
соответствуют
переходной
характеристике
системы для
случая
.
Коэффициент
усиления
изменялся таким
образом, что
отношение
было равным
значением,
Таблица 2
|
|
1,6 | 2,6 | 3 | 4 |
|
|
17 | 9 | 4 | 0 |
указанным
в верхней строке
таблицы. Как
следует из
приведенных
данных, заметное
отклонение
от переходной
характеристики
эталонной
системы
наблюдается
при
.
В случае
величина
исчезающе мала,
но переходный
процесс завершается
за время
,
что соответствует
эталонной
системе (2).
2.Математическое моделирование
Построение уравнения
Синтезируем алгоритм управления по линейной модели. В практике проектирования приводных систем различного назначения часто используются именно такие модели. Это позволит синтезировать структуру и найти приближенные значения параметров алгоритмов управления. Часто оказывается, что найденные таким образом параметры обеспечивают выполнение требований, предъявленных к системе. Итак, решение задачи синтеза алгоритмов управления по линейным моделям представляет практический интерес.
Общепринятые уравнения исполнительного двигателя имеют вид
(6)
где
- ток,
- индуктивность
якорной цепи.
Процессы в электрических цепях двигателя протекают существенно быстрее, чем в механических. Поэтому обычно пренебрегают влиянием цепи с передаточной функцией
и рассматривают следующие уравнения динамики:
(7)
Эта модель будет использоваться для построения алгоритмов управления угловой скоростью вращения и углом поворота вала двигателя.
Исключим
из (7) переменную
.
Имеем
(8)
Следовательно, управляющее ускорение примет вид
(9)
Задающим
воздействием
для контура
угловой скорости
является величина
.
В установившемся
режиме обеспечивается
,
если
и коэффициент
усиления
.
Эти параметры
должны быть
рассчитаны
с учетом
электромеханических
характеристик
двигателя.
Параметр
характеризует
скорость уменьшения
ошибки
в соответствии
с экспоненциальным
законом
,
где
.Величина
есть постоянная
времени контура
угловой скорости.
Она должна быть
не меньше
механической
постоянной
двигателя.
Следовательно
(10)
От сюда
видно, что
быстродействие
контура угловой
скорости уменьшается
с уменьшением
величины
.
При
быстродействие
контура предельно.
После
определения
параметра
следует рассчитать
значение коэффициента
усиления
контура ускорения.
Исходим из
уравнения
управляемого
процесса по
угловой скорости,
при
![]()
(11)
Согласно принятым обозначениям
поэтому частные производные
(12)
Расчетное
соотношение
для
можно вывести,
анализируя
динамику контура
ускорения.
Дифференцируя
первое уравнение
(11) по времени
и подставляя
затем в него
выражение для
из второго
уравнения,
будем иметь
(13)
где
.
Это уравнение
описывает
процессы в
контуре ускорения.
Постоянная
времени
,
подставляя
выражения для
частных производных
из (12), этого контура
равна
(14)
Процесс
управления
угловой скоростью
будет соответствовать
назначенному
закону, если
быстродействие
контура ускорения
существенно
выше контура
,
т.е.
.
В свою очередь,
величина
не может быть
назначена
произвольно,
поскольку
управляемый
двигатель
обладает
инерционностью.
Нижний предел
постоянной
времени
определяется
электрическими
свойствами
якорной цепи.
Действительно
из уравнения
(6) можно найти
Как
видно, скорость
изменения
ускорения
определяется
электрической
постоянной
времени
.
Отсюда чтобы
предъявляемые
требования
по быстродействию
контура ускорения
были физически
реализуемыми,
величина
не может быть
меньше
.
Из (14) имеем
(15)
Поскольку
то формула (15)
всегда дает
.
В случае
реализуется
наибольшее
быстродействие
контура ускорения.
Если наряду
с этим согласно
(10) принимается
,
то найденные
параметры
обеспечивают
предельное
(по физическим
возможностям)
быстродействие
контура обработки
угловой скорости.
В таком случае
по (10) и (15) имеем
(16)
Итак, параметры алгоритма управления угловой скоростью вращения вала двигателя рассчитываются по формулам (10) и (15).
В нашем
случае контур
управления
угловой скоростью
может быть
построен без
измерения
ускорения
.
Для этого управляющую
функцию
необходимо
формировать
не по (11), а учитывая
что
(16.1)
и интегрируя обе части равенства по времени. В этом случае уравнения замкнутого контура будут
(17)
Построим
теперь алгоритм
управления
углом поворота
вала двигателя(угловым
положением).
Примем, что
контур управления
угловой скоростью
синтезирован
и его параметры
расчитываются
из условия,
чтобы процесс
изменения
подчинялся
(16.1). Получаем, что
исходными
уравнениями
управляемого
процесса будут
(18)
где
- угол поворота
вала системы,
связанного
с валом двигателя
через редуктор
с передаточным
отношением
.
Требуется
синтезировать
алгоритм управления,
который обеспечивает
поворот вала
двигателя на
угол
таким образом,
чтобы ошибка
рассогласования
подчинялась
кинематическому
закону
(18.1)
Управляющей
функцией в
данном случае
выступает
величина
,
которая является
задающим воздействием
для контура
угловой скорости.
Запишем уравнение (18) в виде
(19)
Подставим
вместо
выражение для
из (18.1). Получим
программную
управляющую
функцию
![]()
и закон управления с обратной связью
(20)
Подставляя (18) в (20) получим
(21)
Потребуем, чтобы решение этого уравнения соответствовало процессу в эталонной системе
(22)
где
- постоянная
времени по
регулируемой
переменной.
Эта величина
при проектировании
задается. Для
наилучшего
переходного
процесса
постоянная
времени
примерно в 3
раза превосходит
величину
.
Поэтому для
расчета параметров
,
учитывая (21) и
(22) будут справедливы
соотношения
(23)
которые представляют
собой уравнения
относительно
.
Следовательно,
на основании
(20) можно записать
(24)
Проведенное рассмотрение исчерпывает задачу построения алгоритмов управления угловой скоростью и углом поворота вала двигателя. Все необходимые уравнения для последующей работы были построены.
Определение свойств системы
Определение свойств динамической системы - это нахождение особых точек системы и анализ устойчивости положения равновесия.
Для нахождения положений равновесия используем уравнение
Приравняем
нулю
и подставим
в наше уравнение,
получим
Это уравнение подставим в формулу
Получившийся результат подставим в
В итоге имеем
Из чего получаем
.
Это равенство определяет угол поворота вала двигателя, на котором останавливается система. Для нашей задачи очевидно, что вал двигателя повернется на задаваемый нами угол, что подтверждает наш вывод.
Поскольку
для любых значений
параметров
системы, положение
равновесия
не является
устойчивым.
3.построение Имитационной Модели
Построение имитационной модели в Simulink
Реализуем имитацию нашей математической модели. Для чего используем параметры модели как у двигателя постоянного тока с независимым возбуждением типа ДПМ-25:
J=6,2*10-6 Н*м*с2; km=0,023 Н*м*А-1; R=3,8 Ом; L=0,0057 Гн; kw=0,098 в*с*рад-1.
Механическая постоянная времени рассматриваемого объекта управления
Постоянная
времени электрической
цепи
Здесь отношение
.
Что позволяет
не учитывать
электрические
процессы при
синтезе алгоритмов,
поскольку они
протекают
существенно
быстрее механических.
Уравнения исследуемой системы:
Законами управления по угловой скорости и угловому положению являются последние два соотношения.
Рассчитаем
остальные
параметры
,
и
.
Примем постоянную
времени по
угловой скорости
Таким образом
мы реализуем
не наиболее
быстрые переходные
процессы. В
этом случае
.
Вычислим постоянную
времени
Теперь можем
вычислить
Назначим
постоянную
времени
Коэффициент
передачи редуктора
принят равным
![]()
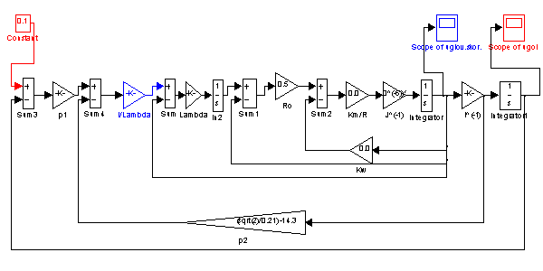
На ниже приведенном рисунке изображена модель электропривода, реализованная в MATLAB с помощью программы Simulink.

Рис 3.1 Имитационная модель в Simulink

Рис 3.2 Зависимость угловой скорости от времени

Рис 3.3 Зависимость угла поворота от времени
На , приведены результаты моделирования осуществлённого с помощью системы изображенной на
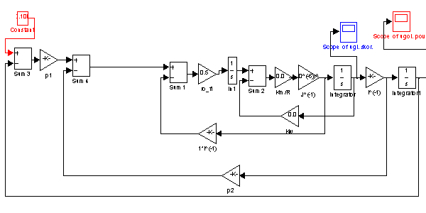
В процессе выполнения курсовой работы была также построена математическая модель электропривода по общей методике. Для этого применялись формулы:
Ниже приводится описанная модель

Рис 3.4 Имитационная модель в Simulink, построенная по общей методике
Результаты работы данной модели:

Рис 3.5 Зависимость угловой скорости от времени

Рис 3.6 Зависимость угла поворота от времени
Эксперименты с варьированием параметров модели
Для понимания поведения системы при различных значениях параметров проведем следующие эксперименты.
Рассмотрим реакцию системы при разных значениях параметра i.

Рис 3.7 Зависимость угловой скорости от времени при варьирование параметра i
На Рис 3.7 приведена реакция системы при различных значениях i (цифрами обозначены: 1 - i =10-2; 2 - i =10-3; 3 - i =10-4;). Динамика изменения угла поворота при варьировании параметра i практически не изменяется. Из эксперимента видно, что коэффициент передачи редуктора i природным образом влияет на динамику системы, и ,что увеличение коэффициента приводит к увеличению максимальной амплитуды угловой скорости.
Рассмотрим реакцию системы при разных значениях параметра J.

Рис 3.8 Зависимость угла поворота от времени при варьирование параметра J
На Рис 3.8 приведена реакция системы при различных значениях J (цифрами обозначены: 1 - J =6,2*10-4,8; 2 - J =6,2*10-5; 3 - J =6,2*10-6;). Динамика изменения угловой скорости при варьировании параметра J соответствует динамике изменения угла поворота, в связи с чем здесь не приводится. Из эксперимента видно, что увеличение момента инерции J приводит к уменьшению времени переходного процесса, что соответствует использованной модели, так как в ней применяется блок со значением J-1.
Также был проведен эксперимент, задачей которого ставилось достичь наиболее быстрых переходных процессов. Для чего был осуществлен пересчет следующих переменных
![]()
Ниже приведены результаты работы данной модели:

Рис 3.9 Зависимость угловой скорости от времени

Рис 3.10 Зависимость угла поворота от времени
заключение
В процессе создания данной курсовой работы был проанализирован динамический процесс на примере электропривода. Представлена блок-схема данной приводной системы в Simulink, на основе которой был проделан ряд экспериментов, которые описывают физические свойства данной системы. На основе полученных результатов можно сделать вывод, что алгоритмы управления по ускорению придают системам выраженные свойства адаптивности.
Список используемой литературы
Савельев И. В. “Курс общей физики”, том 2, М., “Наука”,1988
Любчик Л.М. “Курс лекций”.
Крутько П.Д. "Обратные задачи динамики управляемых систем", М., “Наука”,1988
МІНІСТЕРСТВО ОСВІТИ І НАУКИ УКРАЇНИ
НАЦІОНАЛЬНИЙ
ТЕХНІЧНИЙ
УНІВЕРСИТЕТ
“ХАРКІВСЬКИЙ
ПОЛІТЕХНІЧНИЙ
ІНСТИТУТ”
Кафедра “Системного аналізу та управління”
Оцінка
голова комісії
каф. САУ,
/ /
« » 200 р.
Курсова робота
Дисципліна: “Теорія керування”
Тема: “ Математичне моделювання електропривода ”
Керівник роботи:
каф. САУ, / /
“ ” 200 р.
Виконавець:
студент групи ІФ-50б /Карнаух О.О./
“ ” 200 р.
Харків – 2004
Похожие рефераты:
Разработка алгоритмов контроля и диагностики системы управления ориентацией космического аппарата
Основы проектирования и конструирования
Оборудование летательных аппаратов
Синхронные машины. Машины постоянного тока
Методы решения уравнений, содержащих параметр
Испытательная станция турбовинтовых двигателей ТВ3–117 ВМА–СБМ1 серийного производства
Модернизация двигателя мощностью 440 квт с целью повышения их технико-экономических показателей
Организация поста технического обслуживания и ремонта карбюраторов двигателей легковых автомобилей
Анализ эффективности работы двигателя внутреннего сгорания
Анализ погрешностей волоконно-оптического гироскопа
Кинематический анализ механизма транспортирования ткани
Лекции по физике В.И.Бабецкого
Механика, молекулярная физика и термодинамика
Повышение эффективности процессов обжима трубчатых заготовок давлением импульсного магнитного поля