| Скачать .docx | Скачать .pdf |
Реферат: Алгебра Дж. Буля и ее применение в теории и практике информатики
Алгебра Дж. Буля и ее применение в теории и практике информатики
Информация, с которой имеют дело различного рода автоматизированные информационные системы, обычно называется данными., а сами такие системы — автоматизированными системами обработки данных (АСОД). Различают исходные (входные), промежуточные и выходные данные.
Данные разбиваются на отдельные составляющие, называемые элементарными данными или элементами данных. Употребляются элементы данных различных типов. Тип данных (элементарных) зависит от значений, которые эти данные могут принимать.
В современной безбумажной информатике среди различных типов элементарных данных наиболее употребительными являются целые и вещественные числа, слова (в некотором подалфавите байтового алфавита) и так называемые булевы величины. Первые два типа величин нуждаются в пояснении только в связи с конкретными особенностями их представления в современных ЭВМ.
Прежде всего различают двоичное и двоично-десятичное представления чисел. В двоичном представлении используется двоичная система счисления с фиксированным числом двоичных разрядов (чаще всего 32 или, для малых ЭВМ, 16 разрядов, включая разряд для представления знака числа). Если нулем обозначать плюс, а единицей — минус, то 00001010 означает целое число +(23 +2l )= + l0, а 10001100— число— (23 + 22 ) = —12 (для простоты взято 8-разрядное представление). Заметим, что знак числа в машинном представлении часто оказывается удобным ставить не в начале, а в конце числа.
В случае вещественных чисел (а фактически, с учетом ограниченной разрядности, дробных двоичных чисел) употребляются две формы представления: с фиксированной и с плавающей запятой. В первом случае просто заранее уславливаются о месте нахождения занятой, не указывая ее фактически в коде числа. Например, если условиться, что запятая стоит между 3-м и 4-м разрядами справа, то код 00001010 будет означать число 00001,010= (1 + 0 • 2-1 + 1 • 2-2 + 0 • 2-3 ) = 1,25. Во втором случае код числа разбивается на два кода в соответствии с представлением числа в виде х = а • 2 b . При этом число а (со знаком) называется мантиссой, а число b (со знаком) — характеристикой числа х. О положении кода характеристики и мантиссы (вместе с их знаками) в общем коде числа также устанавливаются заранее.
Для экономии числа разрядов в характеристике b ее часто представляют в виде b = 2 k b 1 , где k — фиксированная константа (обычно k =2). Вводя еще одну константу m и полагая b = 2k b2 —m, можно избежать также использования в коде характеристики знака (при малых b2 > 0 число b отрицательно, а при больших — положительно).
В двоично-десятичном представлении обычные десятичные цифры (а также запятая и знак) кодируются двоичными цифрами. При этом для экономии места часто используется так называемый упакованный код, когда с помощью одного байта кодируется не одна, а две десятичные цифры. Подобное представление позволяет в принципе кодировать числа любой значности. На практике обычно все же ограничивают эту значность, хотя истоль большими пределами, что можно считать их неограниченными.
Тип данных «произвольное слово во входном алфавите» не нуждается в специальных пояснениях. Единственное условие — необходимость различать границы отдельных слов. Это достигается использованием специальных ограничителей и указателей длины слов.
Тип булева переменная присваивается элементарным данным, способным принимать лишь два значения: «истина» (и) и «ложь» (л). Для представления булевых величин обычно используется двоичный алфавит с условием и = 1, p = 0.
Как известно, моделью в математике принято называть любое множество объектов, на которых определены те или иные предикаты. Под предикатом здесь и далее понимается функция у = f(xi , ..., xn ), аргументы (xi , ..., xn ) которой принадлежат данному множеству М, а значение (у) может являться либо истиной, либо ложью. Иными словами, предикат представляет собой переменное (зависящее от параметров (Xi , ..., Х n } высказывание. Оно описывает некоторое свойство, которым может обладать или не обладать набор элементов (Xi, ..., Xn) множества М.
Число п элементов этого набора может быть любым. При л = 2 возникает особо распространенный тип предиката, который носит наименование бинарного отношения или просто отношения. Наиболее употребительными видами отношений являются отношения равенства (=) и неравенства (¹). Эти отношения естественно вводятся для элементарных данных любого данного типа. Тем самым соответствующий тип данных превращается в модель.
Применительно к числам (целым или вещественным) естественным образом вводятся также отношения порядка >, <, >, £, ³. Тем самым для соответствующих типов данных определяются более богатые модели.
Любое множество М, как известно, превращается в алгебру, если на нем задано некоторое конечное множество операций. Под операцией понимается функция у = f ( Xi , . .., Хп), аргументы н значение которой являются элементами множества М. При л = 1 операция называется унарной, а при п = 2 — бинарной. Наиболее распространенными являются бинарные операции.
Для целых чисел естественным образом вводятся бинарные операции сложения, вычитания и умножения, а также унарная операция перемены знака числа. В случае вещественных чисел к ним добавляется бинарная операция деления и (если необходимо) унарная операция взятия обратной величины. Разумеется. при необходимости могут быть введены и другие операции.
Особое место в машинной информатике занимает булева алгебра, вводимая на множестве величин типа булевых. Ее основу составляют две бинарные операции: конъюнкция («и»), дизъюнкция («или») и одна унарная операция: отрицание («не»). Конъюнкция обозначается символом /\ и задается правилами 0 /\ 0 = 0, 0 /\ 1=0, 1 /\ 0 = 0 , 1 /\ 1=1. Для дизъюнкции используются символ V и правила 0 V 0 = 0, 0 V 1 == 1, 1 V 0=1, 1 V 1 = 1. Наконец, отрицание ù меняет значение булевой величины на противоположное: ù 0=1, ù 1=0. Последовательность выполнения операций производится в порядке убывания приоритетов от ù к /\ и далее к V (если специальной расстановкой скобок не оговорено противное). Например, порядок действий в формуле ùa /\ b \/ c /\ ùd соответствует прямо указанному скобками порядку:
((ù a) /\ b) V (с /\ ù a)).
В принципе могут быть введены и другие операции, однако оказывается, что любую такую операцию можно выразить в виде формулы, использующей только конъюнкции, дизъюнкции и отрицания. Таким образом, введенный набор операций является для булевой алгебры универсальным.
Поскольку любая алфавитная (буквенно-цифровая) информация может быть закодирована в двоичной форме, то подобным образом могут быть закодированы условия и решения задач ил любой области знаний. Если число таких задач конечно (хотя, может быть, и очень велико), то существуют максимальная длина т кода условий этих задач и максимальная длина n кода nх решений. В таком случае решения всех данных задач (в двоичном коде) могут быть получены из их условий с помощью некоторой системы булевых функций yi = fi ( xi , х2 , ... ..., xm ) ( i == 1, ...,n). В свою очередь все эти функции могут быть выражены через элементарные булевы операции конъюнкции, дизъюнкции и отрицания.
Существуют различные способы представления булевых величин (двоичных цифр) в виде тех или иных физических (обычно электрических) сигналов (высокое и низкое напряжение, импульсы тока разной полярности и т. п.).
Выбрав форму представления (двоичных) сигналов, можно построить элементарные устройства, называемые обычно логическими вентилями (или логическими элементами), которые реализуют элементарные булевы операции. Иными словами, выходные
сигналы этих устройств представляют собой элементарные булевы функции (результат выполнения элементарных булевых операций) от входных сигналов, как это показано на рис. 1.
Имея запас таких элементов, можно строить более сложные
х ![]()
|
|
y![]()
|
|
![]()
y
![]()
![]()
x![]()
![]()
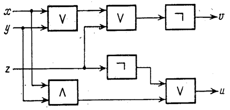
схемы, подсоединяя выходы одних элементов к входам других. Если при таких соединениях избегать возникновения замкнутых контуров (например, подсоединения выхода элемента на один из его собственных входов), то возникает класс схем, называемых обычно комбинационными схемами. Такие схемы находятся в однозначном соответствии с формулами булевой алгебры, так что с их помощью может быть выражена любая система булевых функций. Например, схема, изображенная на рис. 2, реализует систему булевых функций
u = x /\ y \/ ùz и v = ù (x Vy Vz).
На практике построение комбинационных схем усложняется, поскольку сигналы при прохождении через вентили ослабляются, искажают свою первоначальную форму, запаздывают. Поэтому необходимо наряду с логическими элементами включать в схему различного рода согласующие элементы (усилители, формирователи сигналов и др.). Задача этих элементов—сделать схему работоспособной и надежной.

Из сказанного ясно, что можно построить комбинационную схему для решения любого конечного множества задач, решения которых однозначно определяются их условиями (подаваемыми на вход схемы). В частности, если ограничиться какой-либо фиксированной точностью представления вещественных чисел (разрядностью), то можно в принципе построить комбинационную схему, вычисляющую любую заданную вещественную функцию у = f ( xi , ..., xn ) (в двоичных кодах).
На практике, однако, оказывается, что уже схема умножителя (вычисляющая функцию у = X 1 • Х2 ) при разрядности (двоичной) 32 и более оказывается столь сложной, что умножение в современных ЭВМ предпочитают реализовать другим, так называемым алгоритмическим способом, о котором речь пойдет ниже.
В то же время многие, более простые функции, например функции сложения двух чисел, реализуются комбинационными схемами приемлемой сложности. Соответствующая схема носит наименование параллельного сумматора.
Следует заметить, что успехи микроэлектроники делают возможным построение все более сложных схем. Если еще в 60-е годы каждый логический элемент собирался из нескольких физических элементов (транзисторов, диодов, сопротивлений и др.), то уже к началу 80-х годов промышленностью выпускаются так называемые интегральные схемы, содержащие многие сотни и даже тысячи логических вентилей. При этом важно подчеркнуть, что не только сами логические элементы, но и соединения между ними (т. е. вся схема в целом) изготовляются одновременно в едином технологическом процессе на тонких пластинках химически чистого кремния и других веществ размерами в доли квадратного сантиметра. Благодаря этому резко уменьшилась стоимость изготовления схем и повысилась их надежность.
Обладая возможностью реализовать любые ф и к с и р о в а н н ы е зависимости между входными и выходными сигналами» комбинационные схемы неспособны обучаться, адаптироваться к изменяющимся условиям. На первый взгляд кажется, что такая адаптация обязательно требует структурных изменений в схеме,. т. е. изменения связей между ее элементами, а возможно, и состава этих элементов. Подобные изменения нетрудно реализовать путем механических переключении. Однако такой путь практически неприемлем из-за резкого ухудшения практически всех параметров схемы (быстродействия, габаритов, надежности и др.).
Существует гораздо более эффективный путь решения указанной проблемы, основанный па введении в схему в дополнение к уже перечисленным логическим элементам так называемых элементов памяти. Помимо своих входных и выходных сигналов, элемент памяти характеризуется еще третьим информационным параметром—так называемым состоянием этого элемента. Состояние элемента памяти может меняться (но не обязательно) лишь в заданные дискретные моменты времени t1, t2 , ... под влиянием сигналов, появляющихся на его входах в эти моменты. Наиболее употребительна так называемая синхронная организация работы элементов памяти, при которой моменты их возможных переключении (изменении состояния) следуют друг за другом через один и тот же фиксированный промежуток времени Dt = const, называемый тактом. Эти моменты определяются обычно с помощью импульсов, вырабатываемых специальным тактирующим синхрогенератором. Количество тактовых импульсов, выдаваемых им в течение одной секунды, называется тактовой частотой.
В современной электронике употребляются в основном двоичные элементы памяти, состояние которых представляет собой булеву величину. Иными словами, элемент памяти способен запомнить всего лишь один бит информации. При необходимости запоминания большего количества информации используется составная память (запоминающее устройство), состоящая из некоторого множества элементов. В реальных условиях это множество, разумеется, всегда конечно, хотя в теоретических исследованиях бывает удобно рассматривать и бесконечную память (по крайней мере потенциально).
В простейшем случае множество элементов памяти организуется в так называемый регистр, т. е. в (конечную) линейно упорядоченную последовательность элементов, называемых разрядами (ячейками) регистра. Разряды нумеруются последовательными натуральными числами 1, 2, ..., п. Число п этих разрядов называется длиной регистра.
Состояния в, отдельных разрядов составляют (булев) вектор о, называемый состоянием регистра. Входные и выходные сигналы отдельных разрядов рассматриваемого регистра (также предполагаемые булевыми) составляют соответственно входной х и выходной у (векторные) сигналы данного регистра.
Заметим еще раз, что в подавляющем большинстве случаев у = а.
Обычная последовательностная схема, называемая также конечным автоматом, составляется из регистра памяти и двух комбинационных схем.
Условность подобного представления заключается прежде всего в том, что в схеме с чисто двоичными сигналами нельзя переключить сигнал и на один из выходов, а на других выходах де иметь ничего (это был бы третий вид сигнала, отличный как от 0, так и от 1). Кроме того, в подавляющем большинстве случаев схемы нецелесообразно строить отдельно одну от Другой, так как при этом, вообще говоря, возрастает общее число используемых логических элементов. Однако эти условности не меняют главного — сделанных оценок для числа различных комбинационных схем, реализуемых конечным автоматом. Кроме того, при некоторых реализациях двоичных сигналов (например, импульсами различной полярности) в электронных схемах естественным образом реализуется и третий вид сигнала, а именно, отсутствие каких-либо импульсов. В этом случае предложенная интерпретация фактически теряет свою условность и может быть реализована практически.
Процессоры
Процессором называется устройство, способное выполнять некоторый заданный набор операций над данными в структурированной памяти и вырабатывать значение заданного набора логических условий над этими данными.
Стандартная схема процессора состоит из двух устройств, называемых обычно арифметико-логическим устройством (АЛУ) и устройством управления (УУ). В схему АЛУ включается структурированная память, состоящая, как правило, из регистров, к которым может добавляться один или несколько стеков, С помощью специальных комбинационных схем в структурированной памяти может осуществляться тот или иной набор преобразований.
Как уже отмечалось выше, преобразования (операции), задаваемые комбинационными схемами, на сегодняшнем этапе развития микроэлектроники предпочитают делать достаточно простыми. Поэтому операции, выполняемые АЛУ за один такт синхронизирующего генератора, называются микрооперациями, а соответствующий их выполнению такт — микротактом. Выбор той или иной микрооперации осуществляется путем подачи кода этой микрооперации на специальный управляющий вход АЛУ.