| Скачать .docx | Скачать .pdf |
Реферат: Многомерные и многосвязные системы
Контрольная работа
«Многомерные и многосвязные системы»
Задание
Для многомерной системы, заданной матрицами А, В, С, получить:
1. Передаточную функцию
;
2. Частотную передаточную функцию
;
3. Годограф;
4. Импульсную характеристику
;
5. Переходную характеристику
;
6. ЛАЧХ
;
7. ФЧХ
.
Составить структурную схему системы.
Дано:
;
;
.
Решение:
1. Передаточная функция
Рассматриваем линейную систему с постоянными параметрами:
,
.
Преобразуем по Лапласу матричные уравнения:
; (1)
, (2)
где
;
; ![]()
– лапласовы преобразования координат состояния
, выходных
и входных
сигналов.
Преобразуем уравнение (1):
![]()
Выносим за скобки:
![]()
где
– единичная матрица.
Умножаем слева на обратную матрицу:
![]()
Откуда получаем:
.
Подставляем в уравнение (2):
![]()
Получаем:
![]()
Выражение
называют передаточной функцией
системы.
Находим её:
![]()
Находим обратную матрицу:

Подставляем:
.
2. Частотная передаточная функция
Для получения частотной передаточной функции производим замену в передаточной функции
:
,
получаем:
.
Выделим действительную и мнимую части:
,
для этого умножим числитель и знаменатель
на комплексно – сопряжённый знаменатель:
;
;
;
.
3. Годограф
Годограф – это график частотной передаточной функции
на комплексной плоскости при изменении частоты
от нуля до бесконечности.
Изменяя частоту, производим расчёт действительной
и мнимой
частей частотной передаточной функции.
Результат расчёта записываем в таблицу 1.
Таблица 1. Расчёт годографа
| 0 | 2,8750000 | 0,0000000 | 10 | -0,0512719 | 0,4570747 | 200 | -0,00018 | 0,020008 |
| 1 | 2,7230769 | 0,9846154 | 20 | -0,0163435 | 0,2074170 | 300 | -0,000078 | 0,013336 |
| 2 | 1,9500000 | 1,9000000 | 30 | -0,0075500 | 0,1355448 | 400 | -0,000044 | 0,010001 |
| 3 | 0,8344828 | 1,9862069 | 40 | -0,0043030 | 0,1009350 | 500 | -0,000028 | 0,008001 |
| 4 | 0,2250000 | 1,5500000 | 50 | -0,0027705 | 0,0804792 | 600 | -0,000019 | 0,006667 |
| 5 | 0,0130624 | 1,1611030 | 60 | -0,0019302 | 0,0669441 | 700 | -0,000014 | 0,005715 |
| 6 | -0,0500000 | 0,9000000 | 70 | -0,0014209 | 0,0573176 | 800 | -0,000019 | 0,005000 |
| 7 | -0,0645030 | 0,7269777 | 80 | -0,0010893 | 0,0501171 | 900 | -0,000009 | 0,004445 |
| 8 | -0,0634615 | 0,6076923 | 90 | -0,0008614 | 0,0445267 | 1000 | -0,000007 | 0,004000 |
| 9 | -0,0578113 | 0,5216604 | 100 | -0,0006982 | 0,0400600 | 2000 | -0,000002 | 0,002000 |
Можно построить график на комплексной плоскости – рис. 1.

Рис. 1. Годограф
4. Импульсная характеристика
Импульсная характеристика вычисляется как обратное преобразование Лапласа от передаточной функции:
.
Найдём полюса передаточной функции:
![]()
![]()
Видим – полюса расположены в правой полуплоскости, а это значит, что процесс будет расходящимся.
Разложим передаточную функцию на простые дроби:
.
Используя табличные значения, находим:
,
.
Таким образом, получаем:
.
Изменяя время от нуля до 5 секунд, производим расчёт по формуле, результаты заносим в таблицу 2.
Таблица 2. Импульсная характеристика
| 0 | 0,5 | 1 | 1,5 | 2 | 2,5 | 3 | 3,5 | 4 | 4,5 | 5 | |
| -4 | 11,28 | 62,69 | 100,8 | -167,1 | -1236 | -2395 | 2097 | 23854 | 54578 | -15944 |
Строим график импульсной характеристики – рис. 2.

Рис. 2. Импульсная характеристика
5. Переходная характеристика
Переходная характеристика вычисляется как обратное преобразование Лапласа от передаточной функции, делённой на р:
.
Найдём полюса передаточной функции:
![]()
;
.
Видим – полюса расположены в правой полуплоскости, а это значит, что процесс будет расходящимся.
Разложим передаточную функцию, делённую на р, на простые дроби:
.
Приводим к общему знаменателю:
.
Приравниваем коэффициенты при равных степенях р:
,
,
.
Откуда находим:
,
,
.
Используя табличные значения, находим:
,
,
.
Таким образом, получаем:
![]()
.
Изменяя время от нуля до 5 секунд, производим расчёт по формуле, результаты заносим в таблицу 3.
Таблица 3. Переходная характеристика
| 0 | 0,5 | 1 | 1,5 | 2 | 2,5 | 3 | 3,5 | 4 | 4,5 | 5 | |
| 0 | 0,654 | 17,59 | 62,52 | 69,32 | -243 | -1209 | -1744 | 3830 | 24151 | 42653 |
Строим график переходной характеристики – рис. 3.
![]() |
Рис. 3. Переходная характеристика
6. ЛАЧХ
Для получения ЛАЧХ найдём модуль частотной передаточной функции:
.
далее находим 20 десятичных логарифмов от найденного модуля:
.
Это и есть выражение для ЛАЧХ.
Расчёт значений ЛАЧХ ведём в логарифмическом масштабе. Результаты записываем в таблицу 4. Размерность ЛАЧХ – децибелы (дБ).
Таблица 4. ЛАЧХ
| -1 | 0,1 | 9,17406 | 0,1 | 1,25893 | 9,20891 | 1,2 | 15,8489 | -11,426 |
| -0,9 | 0,12589 | 9,17482 | 0,2 | 1,58489 | 9,08243 | 1,3 | 19,9526 | -13,614 |
| -0,8 | 0,15849 | 9,17601 | 0,3 | 1,99526 | 8,70564 | 1,4 | 25,1189 | -15,738 |
| -0,7 | 0,19953 | 9,17788 | 0,4 | 2,51189 | 7,83066 | 1,5 | 31,6228 | -17,818 |
| -0,6 | 0,25119 | 9,18077 | 0,5 | 3,16228 | 6,23375 | 1,6 | 39,8107 | -19,869 |
| -0,5 | 0,31623 | 9,18519 | 0,6 | 3,98107 | 3,94960 | 1,7 | 50,1187 | -21,902 |
| -0,4 | 0,39811 | 9,19182 | 0,7 | 5,01187 | 1,26946 | 1,8 | 63,0957 | -23,923 |
| -0,3 | 0,50119 | 9,20135 | 0,8 | 6,30957 | -1,5050 | 1,9 | 79,4328 | -25,936 |
| -0,2 | 0,63096 | 9,21400 | 0,9 | 7,94328 | -4,1982 | 2 | 100 | -27,944 |
| -0,1 | 0,79433 | 9,22792 | 1 | 10 | -6,7459 | 2,1 | 125,893 | -29,950 |
| 0 | 1 | 9,23483 | 1,1 | 12,5893 | -9,1470 | 2,2 | 158,489 | -31,953 |
Строим график ЛАЧХ – рис. 4.

Рис. 4. ЛАЧХ
7. ФЧХ
ФЧХ – угол поворота вектора
на комплексной плоскости в зависимости от частоты:
.
Расчёт значений ФЧХ ведём в логарифмическом масштабе. Результаты записываем в таблицу 5. Размерность ФЧХ – радианы (рад).
Таблица 5. ФЧХ
| -1 | 0,1 | 0,03263 | 0,1 | 1,25893 | 0,44997 | 1,2 | 15,8489 | 1,66382 |
| -0,9 | 0,12589 | 0,04110 | 0,2 | 1,58489 | 0,58831 | 1,3 | 19,9526 | 1,64958 |
| -0,8 | 0,15849 | 0,05177 | 0,3 | 1,99526 | 0,77030 | 1,4 | 25,1189 | 1,63592 |
| -0,7 | 0,19953 | 0,06524 | 0,4 | 2,51189 | 0,99225 | 1,5 | 31,6228 | 1,62384 |
| -0,6 | 0,25119 | 0,08227 | 0,5 | 3,16228 | 1,22480 | 1,6 | 39,8107 | 1,61359 |
| -0,5 | 0,31623 | 0,10383 | 0,6 | 3,98107 | 1,42316 | 1,7 | 50,1187 | 1,60513 |
| -0,4 | 0,39811 | 0,13123 | 0,7 | 5,01187 | 1,56064 | 1,8 | 63,0957 | 1,59824 |
| -0,3 | 0,50119 | 0,16622 | 0,8 | 6,30957 | 1,63913 | 1,9 | 79,4328 | 1,59268 |
| -0,2 | 0,63096 | 0,21126 | 0,9 | 7,94328 | 1,67427 | 2 | 100 | 1,58822 |
| -0,1 | 0,79433 | 0,26981 | 1 | 10 | 1,68250 | 2,1 | 125,893 | 1,58466 |
| 0 | 1 | 0,34696 | 1,1 | 12,5893 | 1,67633 | 2,2 | 158,489 | 1,58182 |
Строим график ФЧХ – рис. 5.

Рис. 5. ФЧХ
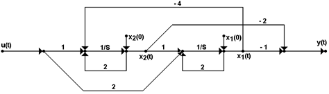
8. Структурная схема системы
Записываем матричные уравнения системы:
;
.
Подставляем исходные данные:
;
.
Производим умножение матриц:
,
,
.
Получили систему уравнений, на основе которой строим структурную схему – рис. 6.

Рис. 6. Структурная схема системы
Часть 2:
Осуществить синтез замкнутой системы с собственными числами
{–1; –4; ± 5 j }.
Построить наблюдатель полного порядка.
Дано:
,
,
.
Решение:
1. Синтез замкнутой системы
Рассматриваем линейную систему с постоянными параметрами:
,
.
Пусть управление линейно зависит от координат состояния системы:
,
где
– входной командный сигнал,
К – матрица коэффициентов обратной связи.
После замыкания эта система имеет структуру, изображённую на рис. 7.

Рис. 7. Структура исходной системы
Движение системы описывается линейным дифференциальным уравнением:
.
Таким образом, динамические свойства системы полностью определяются матрицей А – ВК, её характеристическими числами.
Характеристический многочлен исходной системы равен:

.
Спектр характеристических чисел (корни характеристического многочлена):
.
Желаемый характеристический многочлен замкнутой системы
по условию имеет 4 собственных числа, но наша исходная система имеет третий порядок, поэтому одно из собственных чисел необходимо убрать, убираем собственное число (–1), тогда:
.
Пусть матрица коэффициентов обратной связи
, тогда характеристический полином замкнутой системы:

.
Приравниваем коэффициенты при равных степенях многочленов
и
:
,
,
,
.
Решая полученную систему уравнений, получаем:
,
,
.
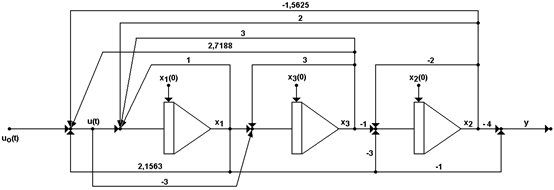
Искомое управление принимает вид:
.
Структура синтезированной системы представлена на рис. 8.
Она построена по уравнениям:
,
,
,
,
.

Рис. 8. Структура синтезированной системы
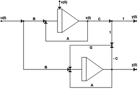
2. Построение наблюдателя полного порядка
Система
![]()
называется асимптотическим наблюдателем полного порядка, если для любого начального состояния х(0) и всех
оценка
с ростом времени асимптотически приближается к вектору состояния
.
Найдём структуру асимптотического наблюдателя, для чего определим ошибку восстановления
и найдём модель её изменения:
![]()
.
Затем потребуем, чтобы
при всех
и
.
Это равенство возможно при:
,
.
Таким образом, структура асимптотического наблюдателя полного порядка определяется моделью вида:
.
На рис. 9 изображена структура системы и её наблюдателя.

Рис. 9. Структура системы с наблюдателем
Задача синтеза наблюдателя системы состоит в том, чтобы найти матрицу
. Это можно сделать, исходя из условия асимптотической сходимости оценки
к вектору состояния
при любых начальных состояниях наблюдателя и системы.
Пусть ошибка восстановления
, тогда
.
Ошибка восстановления описывается линейным однородным дифференциальным уравнением с матрицей
и ненулевыми начальными условиями, а поэтому асимптотическая сходимость ошибки к нулю возможна тогда и только тогда, когда собственные числа матрицы
, которые называют полюсами наблюдателя, располагаются в левой полуплоскости.
Пусть матрица
,
тогда матрица
.
Полюса наблюдателя определяются уравнением:

.
Переходные процессы в наблюдателе будут несравнимы с процессами в системе, если полюса наблюдателя будут значительно левее полюсов системы. Поскольку характеристические числа замкнутой системы равны:
{– 4; ± 5 j },
то расположим полюса наблюдателя в точках:
.
Желаемый характеристический полином наблюдателя принимает вид:
,
что будет иметь место тогда, когда:
,
,
.
Решая полученную систему уравнений, получаем:
;
;
.
Находим матрицу:

Модель асимптотического наблюдателя системы принимает вид:
,
,
,
.
Структура системы со своим асимптотическим наблюдателем полного порядка представлена на рис. 10.
Она построена по уравнениям:
,
,
,
,
,
,
.
