| Скачать .docx | Скачать .pdf |
Реферат: Проектирование фундамента 4-хэтажного администратиного здания маслоперерабатывающего завода в пос. Ахтырский Абинского района
Кубанский государственный аграрный университет
Кафедра оснований и фундаментов
Курсовой проект
На тему:
“Проектирование фундамента 4-хэтажного административного здания масло перерабатывающего завода в пос. Ахтырский Абинского района”
Выполнила : Озерная В.Е
СТ-41
Проверил : Горелик М. З.
Краснодар 2000г.
Содержание
Введение................................................................................................................................................ 3
1. Инженерно–геологические условия для строительства................................................ 4
2. Сбор нагрузок, действующих на основание в расчетных сечениях........................... 6
3. Выбор рациональной конструкции фундамента........................................................... 10
3.1. Проектирование ф-та на естественном основании............................................................. 10
3.1.1 Выбор глубины заложения фундамента........................................................................... 10
3.1.2 Подбор размеров подошвы фундамента.......................................................................... 10
3.1.3 Проверка прочности подстилающего слабого слоя........................................................ 13
3.1.4 Определение конечных осадок основания....................................................................... 15
3.1.5 Проектирование котлована............................................................................................... 18
3.2. Расчет и конструирование свайных фундаментов.............................................................. 18
3.2.1 Выбор типа и размеров свай............................................................................................. 18
3.2.2 Расчет несущей способности одиночной сваи................................................................. 19
3.2.3 Определение к-ва свай, размещение их в плане и конструирование ростверка............. 20
3.2.4 Размещение свай в кусте и конструирование ростверка................................................. 21
3.2.5 Определение конечных осадок основания свайного фундамента. Окончательный выбор свайного фундамента...................................................................................................................... 22
3.2.6 Проектирование котлована............................................................................................... 26
3.3. Технико-экономическое сравнение вариантов.................................................................... 26
4. Расчет стены подвала.............................................................................................................. 29
4.1. Расчет ленточного фундамента под стену подвала............................................................. 29
4.2. Проверка выбранного фундамента....................................................................................... 30
4.2.1 Проверка условий по подошве фундамента по оси А-А..................................................... 30
4.2.2 Проверка условий по подошве фундамента по оси 3-3................................................... 32
4.2.3 Проверка условий по подошве фундамента от совместного действия моментов........ 33
4.3. Определение конечных деформаций основания................................................................. 33
5. Расчет подпорной стены......................................................................................................... 35
5.1. Исходные данные.................................................................................................................... 35
5.2. Расчет вспомогательных данных........................................................................................... 35
5.3. Расчет устойчивости стенки.................................................................................................. 37
6. Список испльзованной литературы................................................................................... 38
Введение
1. На основании технического задания на проведение инженерно-строительных изысканий предприятием «Кубанькомплекссистема» были выполнены топографические и инженерно-геологические работы на объекте: «Завод по производству масел в пос. Ахтырский-2».
2. Топографическая съемка была выполнена в октябре 1997 года
3. Исследованная территория находится в Абинском районе Краснодарского края, на западной окраине поселка Ахтырский-2 по ул. Шоссейной. Площадка частично свободная от застройки, частично занята старыми, находящимися в эксплуатации, и строящимися зданиями производственного назначения. По южной границе площадки растут деревья.
4. Геоморфологическое положение: вторая левая надпойменная терраса реки Кубань.
1. И нженерно–геологические условия строительства
1.1. В геологическом строении исследуемой территории принимают участие аллювиальные и делювиальные отложения, перекрытые с поверхности почвами и насыпными грунтами.
1.2. На основании полевых и лабораторных исследований по типам, видам и разновидностям, согласно ГОСТ 25100-95, выделено 6 инженерно-геологических элементов (ИГЭ).
ИГЭ-1. Насыпные грунты не слежавшиеся, представлены почвами со строительным и бытовым мусором, насыпями щебенисто-насыпных дорог, навалами грунта (на площадке идут строительные работы, отрыта траншея). Мощность насыпных грунтов не велика, их физико-механические свойства не изучались.
ИГЭ-2. Почва темно-бурая суглинистая, твердая и полутвердая, высокопористая, влажная, кислая, с корне- и червеходами, сохранилась на незатронутой строительством части территории и под насыпными грунтами. Содержание гумуса в почвах изменяется от 0,7-0,8% (под насыпными грунтами) до 5,4% (на не затронутых строительством участках).
ИГЭ-3. Глина желтовато-коричневая, коричневато-серая, полутвердая, влажная.
ИГЭ-4. Суглинок коричневато-желтый, твердый, влажный и водонасыщенный, легкий, пылеватый с включением карбонатов. В подошве слоя карбонатные включения составляют 10-20% по массе крена.
ИГЭ-5. Суглинок коричневато серый, полутвердый, водонасыщенный, легкий.
ИГЭ-6. Песок желтовато-серый, гравелистый, водонасыщенный, плотного сложения, с тонкими прослоями суглинка легкого, мягкопластичного.
1.3. Грунты, на изученной территории, набухающими свойствами не обладают.
1.4. Грунты ИГЭ-2,3 обладают сильной степенью агрессивного воздействия на бетонные и железобетонные конструкции на портландцементе по ГОСТ 10178-76 по содержанию сульфатов в перерасчете на SO4 2- .
Грунты ИГЭ-4,5 обладают слабой степенью агрессивного воздействия для бетонов на портландцементе, шлакопортландцементе по ГОСТ 10178-76 и сульфатостойких цементах по ГОСТ 22266-76 по содержанию хлоридов в перерасчете на CI- .
1.5. Литологические особенности грунтов обуславливают формирование в периоды интенсивных осадков временного горизонта грунтовых вод типа «верховодка» на глубине0,5-1,2м. Таким образом, сооружение и эксплуатация подвалов без надежной гидроизоляции не рекомендуется. Во избежании режима подземных вод и подтопления участка грунтовыми водами типа «верховодка» или техногенными водами следует предусмотреть организацию поверхностного стока, а также мероприятия по снижению утечек из водонесущих коммуникаций.
1.6. Подземные воды обладают слабой степенью агрессивного воздействия на арматуру ж/б конструкций при периодическом смачивании по содержанию хлоридов в перерасчете на CI- . Подземные воды обладают средней степенью агрессивного воздействия на металлические конструкции по суммарному содержанию сульфатов и хлоридов и водородному показателю рН.
Инженерно–геологические условия
Сводная таблица физико-механических характеристик грунтов
Табл. 2.1.
| №№ п/п | Полное наименование грунта | Мощность, м | Удельное сцепление с , кПа | Угол внутреннего трения j , град | Модуль общей деформации E , МПа | Табличное значение расчетного сопротивления грунта R0 , кПа |
| 1 | Растительный слой | 0,90 | – | – | – | – |
| 2 | Почва суглинистая твердая | 0,80 | 47 | 10 | 5 | 200 |
| 3 | Глина полутвердая | 1,20 | 45 | 16 | 15 | 300 |
| 4 | Суглинок твердый | 3,50 | 36 | 21 | 18 | 200 |
| 5 | Суглинок полутвердый | 4,50 | 37 | 21 | 20 | 250 |
| Песок гравелистый | 1,40 | 1 | 40 | 40 | 500 |
2. Сбор нагрузок, действующих на основание в расчетных сечениях
Здание запроектировано с продольными несущими стенами из кирпича. Наружные стены толщиной 51 см, внутренняя несущая стена толщиной 38 см, перегородки между квартирами (соседними помещениями) – 250мм, Внутренние перегородки толщиной 12 см из кирпича. Окна двойного остекленения размером 150 см по длине и 180см по высоте. Кровля – металлочерепица по обрешетке по стропилам с утеплителем – минераловатные плиты. Перекрытия – сборные ж/б панели, в том числе и пола 1-го этажа. Цоколь высотой 70 см с отделкой темным цветом из кирпича. Между осями А; Б и 1;2 предусмотрен технический подвал ( для расчета стены подвала это приняли условно) высотой (глубиной) 2м. Лестничный марш ж/б шириной 1,35м, ступени размером 15х30 см. Высота этажа – 3м, высота мансардной части стены (до крыши) – 2м.
Сбор нормативных постоянных нагрузок на покрытие (кровля).
Табл. 2.2.
№ № |
Вид нагрузки | Нормативная нагрузка, NII , кПа | Коэффициент надежности по нагрузке g f | Расчетная нагрузка, NI , кПа | |
| 1 | Металлочерепица, вес 1м2 горизонтальной проекции 80 кг/м2 =0,8 кПа | 0,8 | 1,3 | 1,04 | |
| 2 | Сплошной деревянный настил d=16 мм по стропилам | 0,5 | 1,3 | 0,65 | |
| 3 | Минераловатные плиты g=125 кг/м3 ; d=50мм; 1,25х0,05=0,0625 | 0,0625 | 1,2 | 0,075 | |
| 4 | Пароизоляция – 1 слой рубероида | 0,04 | 1,2 | 0,048 | |
| 5 | Деревянная обрешетка (настил) d=16мм, g=5 кН/м3 ; 5х0,016=0,08 кПа | 0,08 | 1,2 | 0,096 | |
| 6 | Гипсокартон d=10мм; r=1200кН/м3 ; 12х0,01=0,12 кПа | 0,12 | 1,1 | 0,132 | |
| Итого: покрытие | 1,6 | - | 2,04 | ||
Сбор нормативных нагрузок на перекрытие
Табл.2.3.
№ № |
Вид нагрузки | Нормативная нагрузка, NII , кН | Коэффициент надежности по нагрузке g f | Расчетная нагрузка, NI , кН | |
| 1 | Покрытие линолеум ПВХ на тканевой основе d= 2,5мм | 0,1 |
1,2 |
0,12 |
|
| 2 | Прослойка из быстротвердеющей мастики – 10 мм | ||||
| 3 | Стяжка из легкого бетона М75 r=1300 кг/м3 ; d=20мм; 13х0,02=0,26 | 0,26 | 1,3 | 0,338 | |
| 4 | Теплоизоляционный слой ДВП d=25мм; r=200кг/м3 ; 2х0,025=0,05 кПа | 0,05 | 1,3 | 0,0645 | |
| 5 | Ж/б плита перекрытия приведенной толщины hпр =8см; 25х0,08=2кПа | 2 | 1,1 | 2,2 | |
| Итого: перекрытие | 2,41 | - | 2,723 | ||
Кладка наружных стен из кирпича g=18кН/м3 , внутренних - g=14кН/м3 ; перегородок – тот же кирпич. Вес 1м2 горизонтальной проекции лестничного марша – 3,6 кПа, лестничной площадки – 3кПа. Временные нагрузки на перекрытия – 1,5 кПа, на лестничный марш – 3кПа. Коэф-т снижения временной нагрузки для здания из 4-х этажей на перекрытия y=0,8. Намечаем для сбора нагрузок три сечения:
Сечение 1-1 под наружную стену под лестничный ф-т (без подвала) на длине между оконными проемами – 2,34м;
Сечение 2-2 также под наружную стену (для здания с подвальным помещением) на длине 2,34м. Между серединами оконных проемов и сечения 2-2 на 1м длины внутренней стены. (Все эти сечения показаны на плане 1-го этажа).
Сечение 3-3 под наружную стену под лестничный ф-т (без подвала) на длине между оконными проемами – 2,34м;
А1 =А3 =2,24х2,34=5,24м2 ;
А2 =2,24х2=4,48м.
Сбор нагрузок для сечения 1-1 А1 =5,24м2
Табл. 2.4.
| Вид нагрузки | Нормативная нагрузка, NII , кН | Коэффициент надежности по нагрузке g f | Расчетная нагрузка, NI , кН |
| 1. Постоянная | |||
Покрытие (кровля) NII = 1.6х5,24=8,38 кН NI = 2,04х5,24=10,7 кН |
8,38 | - | 10,7 |
Перекрытие на 4-х этажах (включая и мансарду) NII =4х2,41х5,24=50,52кН NI = 4х2,723х5,24=57,1кН |
50,52 | - | 57,1 |
Вес стены от пола 1-го этажа высотой 9,9м+2м мансарды g=18кН/м3 d=51см на длине 2,34м за вычетом веса оконных проемов размером 1,05х1,8см + вес цоколя высотой 1м 18х[(9.9+2)2.24-1,05х1,8]0,51+18х0,51х2,34х1= =259,75кН |
259,75 | 1,1 | 285,7 |
| Итого: постоянная нагрузка | 318,65 | - | 353,5 |
| 2. Временная | |||
| Снеговая нагрузка (1-й район) 0,5х5,24=2,62 | 2,62 | 1,4 | 3,67 |
Полезная на перекрытие на 4-х этажах при коэф-те снижения yп = 0,8 4х0,8х1,5х5,24 = 25,16кН |
25,16 | 1,2 | 30,19 |
| Итого: временная нагрузка | 27,78 | - | 33,86 |
При учете двух и более временных нагрузок они принимаются с коэф-м сочетаний и расчете на основное сочетание: j1 =0,95 – для длительных нагрузок и j2 =0,9 – для кратковременных. При расчете на основное сочетание нормативная нагрузка (по II группе) на 1мдлины стены для сеч. 1-1 составит:
NII
=
кН/м
Сбор нагрузок для сечения 2-2 А2 =4,48м2
Табл. 2.5.
| Вид нагрузки | Нормативная нагрузка, NII , кН | Коэффициент надежности по нагрузке g f | Расчетная нагрузка, NI , кН |
| 1. Постоянная | |||
Покрытие (кровля) NII = 1.6х4,48=7,27кН NI = 2,04х4,48=9,14кН |
7,17 | - | 9,14 |
Перекрытие на 4-х этажах (включая и мансарду) NII =4х2,41х4,48=43,19кН NI = 4х2,723х4,48=48,79кН |
43,19 | - | 48,79 |
Вес внутренней стены g=14кН/м3 ; d=38см; высотой 9,9м 14х0,38х9,9=52,67 |
52,67 | 1,1 | 57,93 |
| Итого: постоянная нагрузка | 103,03 | - | 115,87 |
| 2. Временная | |||
| Снеговая нагрузка 0,5х4,48=2,24кН/м | 2,24 | 1,4 | 3,14 |
Полезная на перекрытие на 4-х этажах при коэф-те снижения yп = 0,8 4х0,8х1,5х4,48=91,5кН/м |
21,5 | 1,2 | 25,8 |
| Итого: временная нагрузка | 23,74 | - | 28,94 |
Нормативная нагрузка на основное сочетание по сеч.2-2
NII = 103.03+2,24х0,9+21,5х0,95=125,46кН/м
Сбор нагрузок по сечению 3-3 А3 =5,24м2 (с подвалом)
Табл. 2.6.
| Вид нагрузки | Нормативная нагрузка, NII , кН | Коэффициент надежности по нагрузке g f | Расчетная нагрузка, NI , кН |
| 1. Постоянная | |||
Покрытие (кровля) NII = 1.6х5,24=8,38 кН NI = 2,04х5,24=10,7 кН |
8,38 | - | 10,7 |
Перекрытие на 4-х этажах NII =4х2,41х5,24=50,52кН NI = 4х2,723х5,24=57,1кН |
50,52 | - | 57,1 |
Вес стены от пола 1-го этажа высотой 10,5м+2м мансарды g=18кН/м3 d=51см на длине 2,34м за вычетом веса оконных проемов размером 1,05х1,8см + вес цоколя высотой 1м 18х[(10,5+2)2.24-1.05x1.8]0.51+18х0,51х2,34= =229,68кН |
229,68 | 1,1 | 252,65 |
Вес стены с теплоизоляцией высотой 1,7-9,9=2,8м в один кирпич g= 14кН/м3 , толщиной d= 120 мм на длине 2,34м NII =14х2,8х0,12х2,34=11кН |
11 | 1,1 | 12,1 |
| Итого: постоянная нагрузка | 299,58 | - | 332,55 |
| 2. Временная | |||
| Снеговая нагрузка 0,5х5,24=2,62 | 2,62 | 1,4 | 3,67 |
Полезная на перекрытие на 4-х этажах при коэф-те снижения yп = 0,8 4х0,8х1,5х5,24 = 25,16кН |
25,16 | 1,2 | 30,19 |
| Итого: временная нагрузка | 23,74 | - | 28,94 |
Нормативная нагрузка на 1м длины стены по сеч. 3-3
NII
=
кН/м
3. Выбор рациональной конструкции фундамента
3.1. Проектирование фундамента на естественном основании
3.1.1. Выбор глубины заложения фундамента
Глубину с учетом толщины почвы 0,8м примем равной d1 =1,2м.
3.1.2. Подбор размеров подошвы фундамента
Рис.3.1. К определению глубины заложения фундаментов
В соответствии со СНиП 2.02.01–83 условием проведения расчетов по деформациям (второму предельному состоянию) является ограничение среднего по подошве фундамента давления p величиной расчетного сопротивления R :
,
где p – среднее давление под подошвой фундамента, кПа ;
R – расчетное сопротивление грунта основания, кПа .
Предварительная площадь фундамента:
,
где NII – сумма нагрузок для расчетов по второй группе предельных состояний, кПа
R0 – табличное значение расчетного сопротивления грунта, в котором располагается подошва фундамента, кПа;
g ’с р – осредненное значение удельного веса тела фундамента и грунтов, залегающих на обрезах его подошвы, g ’с р = 20 кН /м 3 ;
d1 – глубина заложения фундаментов безподвальных сооружений или приведенная глубина заложения наружных и внутренних фундаментов от пола подвала.
,
где hS – толщина слоя грунта выше подошвы фундамента со стороны подвала, м ;
hcf – толщина конструкции пола подвала, м ;
g cf – расчетное сопротивление удельного веса конструкции пола подвала, кН /м 3 .
![]()
.
Для ленточного ф-та b=А/ =0,55м; принимаем b=0,6м с укладкой стеновых блоков на бетонную подготовку толщиной 10см.
Рис.3.2. Ленточный фундамент
Определяем расчетное сопротивление грунта основания R для здания без подвала:
,
где gс1 и gс2 – коэффициенты условий работы, учитывающие особенности работы разных грунтов в основании фундаментов, gс1 = 1,1и gс2 = 1,2;
k – коэффициент, принимаемый k = 1,1, т. к. прочностные характеристики грунта приняты по таблицам СНиП.
kz – коэффициент, принимаемый k = 1 (b <10м);
b – ширина подошвы фундамента, м ;
g II и g ’II – усредненные расчетные значения удельного веса грунтов, залегающих соответственно ниже подошвы фундамента и выше подошвы фундамента;
с II – расчетное значение удельного сцепления грунта, залегающего непосредственно под подошвой фундамента, кПа;
db – глубина подвала – расстояние от уровня планировки до пола подвала;
Mr , Mq , Mc – безразмерные коэффициенты;
Mr = 0,32; Mq = 2,29; Mc = 4,85
d1 – глубина заложения фундаментов безподвальных сооружений или приведенная глубина заложения наружных и внутренних фундаментов от пола подвала.
gII =g/ II =18,8 кН/м3 – ниже и выше подошвы один и тот же грунт;
b=0,6м;
d1 =1,2м
![]()
Фактические напряжения под подошвой фундамента (фундамент центрально нагружен):
,
где NII – нормативная вертикальная нагрузка на уровне обреза фундамента, кН ;
GfII и GgII – вес фундамента и грунта на его уступах;
A – площадь подошвы фундамента, м 2 .
GfII = 24х0,6х1,2=17,3кН/м – 1м длины;
GgII = 0 – вес грунта на обрезах;
<R=283.2кПа
Условие
выполняется, недогруз фундамента составляет 3,1%, следовательно, размер b=0,6м принимаем окончательным.
3.1.3. Проверка прочности подстилающего слабого слоя
Рис. 3.3. К проверке прочности подстилающего слоя
Подстилающий слой – суглинок твердый, имеет Rо =200кПа<Rо =300кПа предыдущего слоя, следовательно, требуется проверка его прочности. Проверка проводится из условия , чтобы полное давление на кровлю слабого слоя не превышало расчетной на этой глубине:
sg(z+d) +szp £ Rz+d , где
sg(z+d) – природное давление на кровлю слабого слоя;
szp - дополнительное давление на кровлю слабого слоя от нагрузки на фундамент;
sg(z+d) =18,8х2=37,6 кПа
szpо =18,8х1,2=22,6 кПа – природное давление под подошвой ф-та;
szp =aро
ро =р-szpо =274,5-22,6=251,9 кПа – дополнительное вертикальное давление на основание;
a - коэф-т рассеивания определяется в зависимости от относительной глубины.
x=
=![]()
a=
;
szp =0,439х251,9=110,6 кПа
Находим ширину условного ф-та bусл из условия:
Аусл
= bусл
=
, где
NII +GII – нормативная нагрузка на подшву фундамента;
szp – дополнительное напряжение на кровлю слабого слоя;
NII +GII =147,4+17,3=164,7 кН/м
bусл
=
м;
Расчетное сопротивление на глубине z+d=2м.
, где
gс1 =1,25
gс2 =1
k=1,1
kz =1
gII =19.3 кН/м – ниже подошвы (для суглинка) условного ф-та;
gII / =18,8 кН/м – выше подошвы;
сII =30 кПа – для суглинков;
by =1.49 м;
d+z=2м;
при j=20о ;
кПа,
т.к условие:
sg(z+d) +szp =37,6+110,6=148,2 кПа£ Rz+d =340,4 кПа,
то прочность этого слоя обеспечена.
3.1.4. Определение конечных осадок основания
Расчет основания по деформациям производим исходя из условия:
,
где S – совместная деформация основания и сооружения, определяемая расчетом;
Su – предельное значение совместной деформации основания и сооружения,
Для определения осадок используем метод послойного суммирования осадок. Для этого, построим эпюры вертикальных напряжений от собственного веса грунта (эпюру s zg ) и дополнительных вертикальных напряжений (эпюра s zp ).
Вертикальные напряжения от собственного веса грунта:
,
где g ‘– удельный вес грунта, расположенного выше подошвы фундамента;
dn – глубина заложения фундамента;
g i , hi – соответственно удельный вес и толщина i –го слоя;
Удельный вес грунтов, залегающих ниже уровня подземных вод, но выше водоупора:
![]()
Дополнительные вертикальные напряжения на глубине z от подошвы фундамента:
,
где a – коэффициент, принимаемый по таблицам СНиП в зависимости от формы подошвы фундамента, соотношения его сторон и относительной глубины, равной x = 2z /b ;
p0 = p – s zg0 – дополнительное вертикальное давление на основание;
p – среднее давление под подошвой фундамента;
szg0 – вертикальное напряжение от собственного веса грунта на уровне подошвы фундамента.
Разбиваем грунт на слои толщиной hi =0.46=0.4х0,6=0,24м,
Ро =251,9 кПа – найдено в предыдущем пункте расчета,
szg0 = 22,6 кПа,
Расчет осадок проводим по формуле:
,
где b – безразмерный коэффициент, b = 0,8;
s zp,i – среднее значение дополнительного вертикального напряжения в i – том слое;
hi ,Ei – соответственно толщина и модуль деформации i –того слоя грунта.
Расчет ведем до тех пор пока szp £0.2szg
Расчет осадки ленточного фундамента
Табл. 3.1.
| Z .м | x = 2Z/b | a | s zp , кПа | s zg , кПа | 0,26 zg, кПа | Е, МПа | Si (см) |
| 0 | 0 | 1 | 251,9 | 22,6 | 4,5 | 15 | - |
| 0,24 | 0,8 | 0,881 | 222 | 27,0 | 5,4 | 15 | 0,38 |
| 0,48 | 1,6 | 0,642 | 161,7 | 31,6 | 6,3 | 15 | 0,31 |
| 0,72 | 2,4 | 0,477 | 120,2 | 36,1 | 7,2 | 15 | 0,225 |
| 0,96 | 3,2 | 0,374 | 94,2 | 10,6 | 8,1 | 18 | 0,143 |
| 1,2 | 4,0 | 0,306 | 77,1 | 45,3 | 9,0 | 18 | 0,114 |
| 1,44 | 4,8 | 0,258 | 65 | 50,10 | 10,0 | 18 | 0,095 |
| 1,68 | 5,6 | 0,233 | 58,7 | 54,6 | 10,9 | 18 | 0,082 |
| 1,92 | 6,4 | 0,196 | 49,4 | 59,2 | 11,8 | 18 | 0,072 |
| 2,16 | 7,2 | 0,175 | 44,1 | 63,9 | 12,8 | 18 | 0,062 |
| 2,4 | 8,0 | 0,158 | 39,8 | 68,5 | 13,7 | 18 | 0,056 |
| 2,64 | 8,8 | 0,143 | 36 | 73,1 | 14,6 | 18 | 0,05 |
| 2,88 | 9,6 | 0,132 | 33,2 | 77,7 | 15,5 | 18 | 0,046 |
| 3,12 | 10,4 | 0,122 | 30,7 | 82,4 | 16,5 | 18 | 0,043 |
| 3,36 | 11,2 | 0,113 | 28,4 | 87,0 | 17,4 | 18 | 0,04 |
| 3,6 | 12,0 | 0,106 | 26,7 | 91,6 | 18,3 | 18 | 0,036 |
| åSi = | 1.75см |
Из табл. Следует, что граница нижней сжимающей толщи не достигается, но даже в этом случае S=båSi =0,8х1,75=1,4см<Sп =10см – для зданий с кирпичными несущими стенами.
Рис 3.4. Схема распределения вертикальных напряжений в линейно–деформируемом полупространстве
3.1.5. Проектирование котлована
Размеры котлована в плане определяются расстояниями между наружными осями сооружения, расстояниями от этих осей до крайних уступов фундаментов, размерами дополнительных конструкций, устраиваемых около фундаментов с наружных сторон, и минимальной шириной зазора, позволяющего возводить подземные части здания, между дополнительной конструкцией и стенкой котлована (принимаем 1 м ). Величину откоса стенок котлована принимаем 1:0,67.
3.2. Расчет и конструирование свайных фундаментов
3.2.1 Выбор типа и размеров свай
В курсовом проекте необходимо запроектировать свайный фундамент из забивных висячих, квадратного сечения железобетонных свай. Размеры свай и глубину их забивки назначаем исходя из следующих факторов:
– геологических условий;
– действующих нагрузок;
– типа ростверка.
Глубину заложения ростверка назначаем, исходя из конструктивной схемы здания. А также принимая во внимание те же условия, которые мы учитывали, назначая глубину заложения фундамента на естественном основании:
– для безподвальной части здания – df = 0,2 м ;
Сопряжение сваи с ростверком назначаем свободным. Длину сваи назначаем исходя из геологических условий (Рис. 6) – l = 3,0 м .
Рис. 3.5. Расчетная схема к определению несущей способности одиночной сваи
3.2.2. Расчет несущей способности одиночной сваи
Несущую способность Fd (кН ) висячей забивной сваи, работающей на сжимающую нагрузку, определяем по формуле:
,
где gс = 1 – коэффициент условий работы сваи в грунте;
R – расчетное сопротивление грунта под нижним концом сваи, определяемое из табл. 6.21 [1];
А – площадь опирания на грунт сваи, принимаемая по площади поперечного сечения сваи брутто;
u – периметр поперечного сечения сваи, м ;
fi – расчетное сопротивление i –того слоя грунта основания на боковой поверхности сваи, определяемое по табл. 6.20[1];
hi – толщина i –того слоя грунта, соприкасающегося с боковой поверхностью, м ;
gсК и gс f – коэффициент условий работы грунта соответственно под нижним концом и на боковой поверхности сваи, учитывающие влияние способы погружения на расчетные сопротивления грунта, принимаемые независимо друг от друга (табл. 6.22 [1]).
R=8300 кПа;
А=d2 -0.22 =0,04 м2 ;
u=4d=4х0,2=0,8м;
Разбиваем толщу на слои hi =2м и находим:
| h1 =2м | h2 =2м |
| z1 =1.5м | z2 =3м |
| J 1 <0 | J 2 <0 |
| f1 =38.5 кПа | f2 =48 кПа |
;
Допустимая нагрузка на сваю N=
кН
3.2.3. Определение количества свай, размещение их в плане
и конструирование ростверка
Рис. 3.6. Расположение свай в плане под стенами
Число свай в кусте определяем по формуле:
,
где gk – коэффициент надежности, назначаемый в зависимости от способа определения несущей способности сваи;
NI – расчетная нагрузка, действующая по обрезу фундамента, кН ;
GfI – ориентировочный вес ростверка и грунта на его обрезах, кН ;
Fd – несущая способность одиночной сваи, кН ;
![]()
Шаг свай :
а=![]()
Шаг свай должен находится в пределах:
d=3х0,2=0,6м<а<6d=1,2м,
Т.к. шаг свай большой, т.е. а>6d, то необходимо либо уменьшить длину сваи, либо выбрать сваи меньшего сечения, т.к. сваи очень мощные, но этого сделать нельзя, т.к. нет свай меньшей длины и меньшего сечения, поэтому примем шаг свай а=6d=1,2м.
3.2.4. Размещение свай в кусте и конструирование ростверка
Шаг свай по расчету - а=1,2м (принят) . Сваи располагаются в один ряд, расстояние от оси сваи до края ростверка ³0,2м , а т.к. ширина стены равна 51см, то ширину ростверка примем bp =3d=0.6м . Ростверк проектируем жесткий, монолитный высота ростверка hp =ho +0.25м , где величина заделки головы сваи в ростверк, принимается при жесткой заделке ho =0,3м . Тогда hp =0,3+0.25=0,55 м , примем hp =0,6м.
3.2.5. Определение конечных деформаций основания свайного фундамента. Окончательный выбор параметров свайного фундамента .
Расчет осадок выполняется по II группе предельных состояний. Расчет по деформациям выполняем как для условного массивного ф-та на естественном основании. Границы условного ф-та:
- сверху – уровнем планировки «а-б»;
- снизу – поверхностью «г-в» в уровне нижних концов свай условного ф-та;
- сбоку – вертакальными полосками «а-б» и «б-в».
Средневзвешенное значение угла внутреннего трения грунтов:
,
где hi – глубина i -того слоя;
j i – угол внутреннего трения i -того слоя;
![]()
a=
;
Ширина подошвы условного ф-та:
By =d+2ltga=0,2+2х3хtg4.6o =0.68м.
Среднее давление по подошве условного фундамента:
,
где NII – нормативная нагрузка по обрезу фундамента, кН ;
Gуф – вес ростверка, свай и грунта в пределах объема условного фундамента, за вычетом объема свай, кН ;
lуф , bуф – ширина и длина подошвы условного фундамента, м .
Аусл =bусл =0,68 – для ленточного ф-та – площадь подошвы;
Gуф =Gp +Gсв +Gгр =24х0,36=8,64 кН/м – 1м длины
Объем ростверка:
Vр =1х0,62 =0,36 м3
Вес 1 м сваи 0,22т=2,2кН/м, сваи длиной l =3м,
Gсв =2,2х3=6,6 кН,
Учитывая, что на 1 м длины находится 1/а=1/1,2 сваи, находим вес сваи, приходящейся на 1м длины
Gсв
=
кН/м.
Вес грунта в объеме условного ф-та за вычетом объема ростверка:
Gгр =0,68(18,8х2+19,3х2)-18,8х0,36=45,1 кН/м
Gуф =8,64+5,5+45,1=59,24 кН/м
Рис 3.7. Схема условного фундамента для расчета по второй группе предельных состояний
- ниже подошвы;
- выше подошвы, при
j=20о ;
Мg =0,51;
Мg =3.06;
Мc =5.66;
кПа
<R=465,5 кПа – условие выполняется.
Выполняем расчет осадок свайного ф-та. Разбиваем на слои hi =0,4bусл =0,4х68=0,27м;
Природное давление под подошвой:
szgo =18.8х2+18,3х2=76,2 кПа;
ро =рII -szgo =303.5-76.2=227.3 rGf$
szp =a ро;
Расчет ведем в таблице 3.2.:
Расчет осадки свайного фундамента
Табл. 3.2.
| Z .м | x = 2Z/b | a | s zp , кПа | s zg , кПа | 0,26 zg, кПа | Е, МПа | Si (см) |
| 0 | 0 | 1 | 227,3 | 76,20 | 15,2 | 18 | - |
| 0,27 | 0,8 | 0,881 | 200,0 | 81,40 | 16,3 | 18 | 0,320 |
| 0,54 | 1,6 | 0,642 | 146,0 | 86,60 | 17,3 | 18 | 0,260 |
| 0,81 | 2,4 | 0,477 | 108,4 | 91,80 | 18,4 | 18 | 0,190 |
| 1,08 | 3,2 | 0,374 | 85,00 | 97,00 | 19,4 | 18 | 0,145 |
| 1,35 | 4,0 | 0,306 | 69,50 | 102,2 | 20,4 | 18 | 0,115 |
| 1,62 | 4,8 | 0,258 | 58,60 | 106,5 | 21,5 | 18 | 0,096 |
| 1,89 | 5,6 | 0,233 | 53,00 | 109,2 | 21,8 | 20 | 0,075 |
| 2,16 | 6,4 | 0,196 | 44,50 | 112,0 | 22,4 | 20 | 0,065 |
| 2,43 | 7,2 | 0,175 | 39,80 | 114,9 | 23,0 | 20 | 0,056 |
| 2,70 | 8,0 | 0,158 | 35,90 | 117,7 | 23,5 | 20 | 0,051 |
| 2,97 | 8,8 | 0,143 | 32,50 | 120,5 | 24,1 | 20 | 0,046 |
| 3,24 | 9,6 | 0,132 | 30,00 | 123,4 | 24,7 | 20 | 0,042 |
| 3,51 | 10,4 | 0,122 | 27,70 | 126,2 | 25,2 | 20 | 0,038 |
| 3,78 | 11,2 | 0,113 | 25,70 | 129,0 | 25,8 | 20 | 0,036 |
| åSi = | 1,50 см |
Из табл.8 видно, что при z=3.78м от подошвы ф-та
szp =25,8 кПа<0,2szg =25.8 кПа;
Осадка свайного ф-та:
S=båSi =0.81х1,5=1,2 см <Su =10см.
При расчете природного давления для третьего слоя – суглинка полутвердого, лежащего ниже уровня УГВ и ниже водоупорного слоя – суглинка твердого, определяется удельный вес грунта этого слоя с учетом действия воды:
gsbз
=
кН/м3
;
Окончательно принимаем сваи С3-20
Рис 3.8. Схема распределения вертикальных напряжений в линейно–деформируемом полупространстве
3.2.6. Проектирование котлована
Размеры котлована в плане определяются расстояниями между наружными осями сооружения, расстояниями от этих осей до крайних уступов фундаментов, размерами дополнительных конструкций, устраиваемых около фундаментов с наружных сторон, и минимальной шириной зазора, позволяющего возводить подземные части здания, между дополнительной конструкцией и стенкой котлована (принимаем 1 м ). Величину откоса стенок котлована принимаем 1:0,67.
3.3. Технико-экономическое сравнение вариантов
При проектировании оснований и фундаментов зданий и сооружений приходится учитывать много факторов, влияющих на выбор проектного решения и разрабатывать несколько вариантов. Выполнение оценок целесообразности того или иного типа фундамента следует производить для здания (сооружения) в целом. Однако, только в рамках курсового проекта, для предварительной оценки технико-экономических показателей запроектированных фундаментов (рис 10, 11) выполняем расчеты, приведенные в табл.
Рис. 3.9. Схема фундамента на естественном основании.
Рис. 3.10. Схема свайного фундамента.
Определение технико-экономических показателей фундамента на естественном основании
Табл. 3.3.
| №№ п/п | Наименование работ | Количество | Стоимость, руб. | Трудоемкость, чел-дн | ||
| на единицу | всего | на единицу | Всего | |||
| 1. | Разработка влажных песчаных грунтов, м3 | 10,75 | 2,3 | 24,73 | 0,32 | 3,44 |
| 2. | Устройство бетонной подготовки под фундаменты, м3 | 0,14 | 23,7 | 3,41 | 0,58 | 0,08 |
| 3. | Устройство монолитного ф-та | 1 | 59,2 | 59,2 | 0,55 | 0,55 |
| Итого | 87,34 | 4,07 | ||||
Определение технико-экономических показателей свайного фундамента
Табл. 3.4.
| №№ п/п | Наименование работ | Количество | Стоимость, руб. | Трудоемкость, чел-дн | ||
| на единицу | всего | на единицу | всего | |||
| 1. | Разработка влажных песчаных грунтов, м3 | 10,75 | 2,3 | 24,73 | 0,32 | 3,44 |
| 2. | Устройство монолитных железобетонных фундаментов и ростверков из бетона марки В15, столбчатых, м3 | 1,58 | 29,6 | 46,8 | 0,72 | 1,14 |
| 3. | Погружение железобетонных свай из бетона марки В25, длиной до 12 м в грунты I группы, шт | 3 | 85,2 | 255,6 | 1,05 | 3,15 |
| Итого | 327,13 | 7,73 | ||||
Вывод : Устройство фундамента на естественном основании для данного здания и при данных инженерно-геологических условиях представляется более рациональным, чем устройство свайного фундамента. В связи с этим предлагаем в данном здании использовать фундамент на естественном основании из сборных железобетонных фундаментов.
4. Расчет стены подвала
4.1. Расчет ленточного ф-та под стену подвала
Рис.3.11. Схема ленточного фундамента с подвалом
Приведенная глубина заложения ф-та для зданий с подвалом:
d1
=hs
+hcf
;
Определяем площадь подошвы ф-та:
А
/
=
, где
NII – нормативная нагрузка на сечении 3-3;
Rо – расчетное сопротивление грунта основания;
,
b=А/ =0,45м,
Т.к. стена толщиной 0,51м, то примем b=0,6м с опиранием блоков на бетонную подготовку толщиной 10см.
Вес фундамента:
Gф =24х0,6х2,4=34,56 кН/м;
Вес грунта на обрезах:
Gгр =0;
Расчетное сопротивление грунта основания R :
,
Mr = 0,51; Mq =3,06; Mc = 5,66;
- ниже подошвы;
- выше подошвы;
![]()
Фактические напряжения под подошвой фундамента (фундамент центрально нагружен):
,
=290,7кПа
Условие
выполняется, недогруз фундамента составляет 0,3%. Следовательнопринимаем b=0.6м.
4.2. Проверка выбранного фундамента
4.2.1 Проверка условий по подошве фундамента по оси А-А
а) давление от собственного веса грунта:
,
где g - расчетное значение удельного веса грунта;
l a – коэффициент активного давления грунта;
,
где j - угол внутреннего трения 2го слоя.
![]()
![]()
б) давление от полезной нагрузки на прилегающей к подвалу территории:
,
где q - полезная нагрузка на прилегающей к подвалу территории, q = 10 кПа ;
![]()
![]()

,
где ![]()
![]()
![]()
- Проверка условия по контакту “подошва-грунт”:
![]()
![]()
![]()
4.2.2 Проверка условий по подошве фундамента по оси 3-3

,
где ![]()
![]()
![]()
- Проверка условия по контакту “подошва-грунт”:
![]()
![]()
![]()
4.2.3 Проверка условий по подошве фундамента
от совместного действия моментов
![]()
4.3. Определение конечных деформаций основания
Вертикальные напряжения от собственного веса грунта см. Табл. 8.
Дополнительные вертикальные напряжения на глубине z от подошвы фундамента:
,
p0
= p
– s
zg0
= 116,54 – 70,80 = 45,74 ![]()
Расчет дополнительных вертикальных напряжений
Табл. 4.1.
| Z | x = 2 z /b | a | s z p |
| 0 | 0 | 1 | 45,74 |
| 0,72 | 0,8 | 0,800 | 36,59 |
| 1,44 | 1,6 | 0,449 | 20,54 |
| 2,16 | 2,4 | 0,257 | 11,76 |
| 2,88 | 3,2 | 0,160 | 7,32 |
| 3,60 | 4,0 | 0,108 | 4,94 |
| 4,32 | 4,8 | 0,077 | 3,52 |
| 5,04 | 5,6 | 0,058 | 2,65 |
| 5,76 | 6,4 | 0,045 | 2,06 |
| 6,48 | 7,2 | 0,036 | 1,65 |
| 7,20 | 8,0 | 0,029 | 1,33 |

Рис 13. Схема распределения вертикальных напряжений в линейно–деформируемом полупространстве
,
![]()
Следовательно, фундамент запроектирован верно.
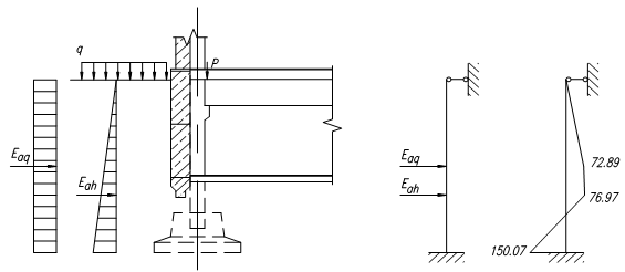
5. Расчет подпорной стены
H = 2,3 м ;
h = 0,5 м ;
j = 22°;
e 1 = 0°;
e 2 = 3°;
q = 15 кПа ;
b = 5°;
gст
= 21![]()
g
= 19,3![]()
с = 0,5 кПа .
5.2. Расчет вспомогательных данных
Эквивалентная высота грунтового слоя:
![]()
Вес призмы грунта BAa1 (BAa2 … BAa10 ):
![]()
Величины сил, действующих на стенку:
![]()
![]()
![]()
![]()
![]()


![]()
![]()
![]()
![]()
![]()
5.3. Расчет устойчивости стенки
Коэффициент устойчивости k1 :

![]()
Коэффициент устойчивости k2 :

![]()
Следовательно, подпорная стена неустойчива и будет сдвигаться.
6. Список использованной литературы
1. “Основания и фундаменты. Методические указания”, Шадунц К. Ш., Краснодар, 1998
2. “Механика грунтов, основания и фундаменты”, Б. И. Долматов, С.-П., Стройиздат, 1988
3. “Механика грунтов, основания и фундаменты”, C. Б. Ухов, М., АСВ, 1994
4. “Справочник. Основания и фундаменты”, под. ред. Г. И. Швецова, М, ВШ, 1991
5. “Технология строительного производства”, Б. Ф. Драченко, М, “Агропромиздат”, 1990