| Похожие рефераты | Скачать .docx | Скачать .pdf |
Реферат: Технология и линии производства мясокостной муки
Министерство сельского хозяйства РФ
ФГОУ ВПО «Пензенская государственная сельскохозяйственная академия»
Кафедра «Переработка продукции животноводства»
Отчет по научно-исследовательской практике
На тему: «Технология и линии производства мясокостной муки»
Выполнила: студентка 235 гр.
Мельникова Светлана
Проверил: доцент Сергеев А.Ю.
Пенза 2010 г.
Содержание
Введение
1. Обзор изучаемой проблемы
1.1 Общая характеристика мясокостной муки
1.2 Обработка муки и требования к качеству мясокостной муки
1.3 Обзор и классификация современных технологических линий по приготовлению мясокостной мукии их особенности
2. Анализ качества мясокостной муки
3. Предполагаемое строение дипломной работы
4. Характеристика исследуемого предприятия
Заключение
Список используемой литературы
Введение
На протяжении десятилетий серьезной проблемой, тормозящей развитие животноводства, являлась несбалансированность кормов, как по содержанию белка, так и по аминокислотному составу.
Это является ключевым фактором, ведущим к отставанию России по основным сельскохозяйственным показателям, касающимися животноводческой продукции, как в количественном, так и в качественном выражении. Основная часть несбалансированных кормов в России традиционно приходится на потребление крупного рогатого скота (КРС), свиней и других сельскохозяйственных животных. С этим, как, впрочем, и с иными факторами, связано негативное состояние данных секторов животноводства в России, сравнительно со странами с развитым сельским хозяйством.
Важным белковым компонентом комбикормов является мясокостная мука. Мясокостная мука производится в основном на мясокомбинатах, в технических цехах.
Целью данного исследования является технология и линии производства мясокостной муки.Актуальность данного исследования заключается в том, что являясь дополнительным ресурсом, прежде всего белкового питания, мясокостная мука обладает высокой пищевой ценностью и используются как в натуральном виде, так и в качестве премикса для изготовления комбикормов.
В исследование были поставлены следующие задачи:
1.Дать определение и характеристику мясокостной муки.
2. Уметь определять качество мясокостной муки.
3. Классифицировать и изучить технологические линии производства мясокостной муки.
4. Выбрать и провести анализ современных технологических линий.
5. Выявить особенности выбранной технологической линии.
6. Дать характеристику исследуемого предприятия.
1. Обзор изучаемой проблемы
1.1 Общая характеристика мясокостной муки
Мясокостная мука является наиболее доступным сырьем животного происхождения при производстве комбикормов.
С помощью мясокостной муки хорошего качества (1 и 2 сорт) достигается балансирование незаменимых аминокислот в комбикорме, кроме метионина и цистина. У правильно изготовленной и с низким содержанием склеропротеидов переваримость белка составляет 85-90%.
Является хорошим источником макроэлементов: кальция содержит 6,5-11,6%, фосфора 3,3-5,9%, натрия 1,5-1,6%, при этом доступного фосфора в среднем содержится 4,2% (в рыбной муке - 2,5%). Имеет ряд полезных биологически активных веществ и неидентифицированных факторов.
Отрицательные факторы:
Имеет место поступление на комбикормовые предприятия недоброкачественной муки.
Доброкачественная мясокостная мука должна иметь кислотное число жира не более 25 мгКОН/г, перекисное число жира - не более 0,5% J (42 ммоль/кг). Поступление на комбикормовые предприятия мясокостной муки с неудовлетворительными показателями ее жировой фракции свидетельствует или о ее неправильном изготовлении (перегреве), или о плохих условиях ее накопления, хранения и транспортировки. Особенно опасен перегрев мясокостной муки, при котором может произойти интенсивное разложение жира с образованием непредельного токсического альдегида акролина. А альдегиды, благодаря присутствию карбонильной группы и подвижного атома водорода, относятся к числу наиболее реакционноспособных органических соединений.
Мясокостная мука является хорошим источником витаминов В1 особенно: рибофлавина, холина, никотиновой кислоты, кобаламина.
В ней содержатся некоторые не идентифицированные экстрактивные полезные факторы, такие как кишечный ростовой фактор из желудочно-кишечного тракта свиней, фактор Аккермана, ростовой фактор, присутствующий в золе.
В мясокостную муку вместе с мышечной тканью переходят некоторые соединения, играющие важную роль в обмене веществ. Это: аденозинтрифосфорная кислота (АТФ),креатин (в виде креатинфосфата), глутамин и глутаминовая кислота.
Свободная глутаминовая кислота, содержащаяся в мышечной ткани, является носителем группы Н2 . При ее недостатке может произойти депрессия роста цыплят, в рацион которым введены синтетические аминокислоты.
Другие ростостимулирующие и регулирующие обменные процессы вещества: желчные кислоты, карнитин, пигменты, серотонин, соматропный гормон, глюкокортикоидные гормоны, тироксин и некоторые другие попадают в мясокостную муку вместе с: гипофизом, щитовидной и паращитовидной железами, яичниками, семенниками, слизистой оболочкой желудка, спинным и головным мозгом,
сычугом жвачных животных, паренхиматозными органами (легкие, селезенка, почки, печень).
Ежедневное добавление в корм мясокостной муки в кормлении животных позволит:
увеличить продуктивность,
обогатить протеинами, аминокислотами, витаминами, минералами корма и увеличить их питательную ценность,
нормализации обмена веществ,
сократить затраты корма.
В зависимости от содержания белка, жира и минеральных солей мясокостную муку подразделяют на три сорта, остальные ее виды вырабатывают одного сорта. Данные, характеризующие химический состав, наличие примесей и патогенных микроорганизмов, приведены в табл.1.
Таблица 1 – Качественные показатели мясокостной муки
| Показатель | Мясокостная мука | ||
| I | II | III | |
| Массовая доля, %: | |||
| влаги, не более | 9 | 10 | 10 |
| протеина, не менее | 50 | 42 | 30 |
| жира, не более | 13 | 18 | 20 |
| золы, не более | 26 | 28 | 38 |
| клетчатки, не более | 2 | 2 | 2 |
| антиокислителей, не более | 0,02 | 0,02 | 0,02 |
| Содержание посторонних примесей: металломагнитных, размером до 2 мм, г/т | 150 | 200 | 200 |
| минеральных, нерастворимых в соляной кислоте, %, не более | 1,0 | 1,0 | 1,0 |
| Наличие патогенных микроорганизмов | Не допускается | ||
| Общая токсичность | Не допускается | ||
1.2 Обработка муки и требования к качеству мясокостной муки
Обработка муки заключается в проведении комплекса операций, направленных на подготовку ее к измельчению. Наиболее существенными из них являются охлаждение и выделение металлических примесей.
Охлаждение муки и выделение из нее металломагнитных предметов и примесей. Муку перед измельчением охлаждают до температуры 25...30°С, выдерживая на тележках, поддонах, конвейерах и в бункере-нормализаторе. Перед дроблением от нее отделяют крупные металлические предметы, а полученную в результате измельчения шквары муку перед просеиванием обрабатывают в магнитных сепараторах с целью выделения металломагнитных примесей.
Измельчение шквары. Для измельчения шквары используют преимущественно молотковые дробилки, которые отличаются размерами корпуса и рабочих органов, их формой, конструкцией питающей части, способом транспортирования продуктов, размола и производительностью.
Для измельчения мясокостной шквары и сухой кости-паренки с транспортированием готовой продукции по трубопроводам на расстояние 100 м применяют дробильную установку В6-ФДА. Установка состоит из дробилок для грубого тонкого измельчения, воздуходувки, двух циклонов с бункерами накопителями. Дробилки соединены между собой бункером.
Дробильно-просеиваюшая установка Я8-ФДБ предназначена для дробления и просеивания обезжиренной и высушенной кости-паренки при получении кормовой муки. Агрегатирование молотковой дробилки и сита позволяет комплексно решать две задачи - измельчение и просеивание, исключив использование транспортного средства для передачи материала от одной операции к другой, сократив занимаемую площадь и число электродвигателей благодаря их установке на одной раме.
На основе модернизации установки Я8-ФДБ разработана дробильно-проссеивающая установка УДП-750, полностью заимствовавшая конструктивное решение по агрегатированию двух аппаратов для измельчения шквары и просеивания муки. В качестве сырья используется обезжиренная и высушенная кость.
Измельченную шквару просеивают с целью получения кормовой муки в виде готового продукта. Эффективность просеивания зависит от гранулометрического состава исходной шквары, ее физико-химических свойств, удельной нагрузки, размеров сита, материала его нитей и его живого сечения на единицу площади, частоты и радиуса траектории колебаний.
Для просеивания кормовой муки используют машину А1-ДСМ и бурат ПБ-1,5. Машина А1-ДСМ состоит из жесткой сварной рамы, рабочего короба с ситом, привода. Измельченная шквара подается в рабочий короб через патрубок диаметром 150 мм.
Бурат ПБ-1,5 предназначен для просеивания кормовой муки. Его просеивающий барабан набран из пяти плоских сит с ячейками диаметром 3 мм. Мука, пройдя сито, просыпается через магнитоуловители, которые периодически очищают через люки на корпусе барабана, и шнековым разгрузчиком выгружается из установки.
Обработка мясокостной муки антиокислителями. Для замедления окислительных процессов в жире кормовую муку из мясокостного сырья обрабатывают антиокислителями, для чего разрешены к применению синтетические окислители сантохин, ионол и нифлекс-Д. Муку обрабатывают двумя методами: добавлением в сырье или во влажную шквару перед высушиванием и в готовую муку. Мясокостную муку обрабатывают сантохином или ионолом из расчета 0,02%, а нифлексом-Д - из расчета 0,012% от массы жира, содержащегося в сырье или муке.
Если при переработке жиросодержащего сырья антиокислитель вводят в мясокостную шквару после слива жира, то требуемое количество антиокислителя определяют, исходя из нормы жира, установленной для мякотного сырья с небольшим его содержанием. Антиокислитель вводят в вакуумный котел. Данный способ позволяет одновременно обрабатывать антиокислителем вытапливаемый из сырья и остающийся в шкваре жир. Равномерное распределение антиокислителя в продукте обеспечивается перемешиванием массы в котле.
Упаковывание, маркирование, хранение и транспортирование кормовой муки. Выработанную кормовую муку упаковывают или хранят бестарным методом. Ее упаковывают в бумажные трех- и четырехслойные непропитанные мешки или бывшие в употреблении плотные, прочные, чистые и продезинфицированные тканевые мешки. Масса одного мешка с кормовой мукой не должна превышать 50 кг. После заполнения мешки с мукой зашивают, завязывают или закрывают другим способом и маркируют.
Бестарная система хранения кормовой муки состоит из следующих структурных элементов: бункеров хранения, оборудованных шнеками разгрузки, которые при вращении в противоположную сторону (реверсировании) можно использовать для перемешивания муки в бункерах. В качестве бункеров-накопителей можно использовать бункер-нормализатор шквары. Вместимость его принимается равной сменной выработке цеха. В систему бестарного хранения входят транспортные загрузочные средства, включающие в себя подающий шнек, норию и раздаточный мешок с разгрузочными окнами, оборудованный шиберами с дистанционным управлением; транспортные разгрузочные средства, включающие в себя разгрузочный шнек, норию и специально оборудованный автомобиль для бестарной перевозки муки.
В отечественной и зарубежной практике получил распространение способ накопления и транспортирования кормовой муки в мягких специализированных контейнерах многооборотного использования. Их изготавливают из резинотекстильного нетканного однослойного капронового материала РН-1К или резинокордных материалов.
Ориентировочные нормы выхода кормовой муки и требования к ее качеству. Обычные среднегодовые нормы выхода кормовой муки составляют 19…22% от массы мякотного сырья и малоценных субпродуктов, 21…24% от массы конфискатов.
1.3 Обзор современных технологических линий по производству мясокостной муки и их особенности
В нашей стране и за рубежом для производства сухих кормов животного происхождения, кормового и технического жира используют различные линии: линии К7-ФКЕ, В2-ФЖЛ, линии Centrimille фирмы Alfa-Laval (Швеция), StorkDuke(Нидерланды)и др.
Мы рассмотрим некоторые из них:
Линия К7-ФКЕ предназначена для выработки мясокостной муки и технического или кормового жира из смеси мякотного сырья и кости.
Процесс производства кормовой муки на этой линиивключает: обработку сырья в термоаппарате (стерилизация, частичное
обезжиривание, предварительное обезвоживание), измельчение вареного сырья, сушку, охлаждение и измельчение шквары, упаковку и взвешивание кормовой муки, маркировку тары (рисунок 1). Смесь мякотного и костного сырья змельчают до размера 50 мм и элеватором подают в шнековый обезвоживатель.
В нем сырье подвергается тепловой обработке при давлении пара внутри рубашки и в шнековом валу аппарата 0,35…0,4 МПа в течение 20 мин. Температура продукта на выходе из аппарата составляет не менее 90 °С.
В процессе варки сырья выделяется до 3 % жира, 20 % воды в виде бульона и до 25 % сокового пара. Водно-жировая смесь через решетку в днище аппарата непрерывно отводится в жироловку, над которой установлена сетка с отверстиями диаметром не более 3 мм. Потери белка с бульоном достигают 0,6 % от массы шквары. Сваренное сырье поступает в молотковую дробилку, где измельчается до частиц размером менее 25 мм, и далее по обогреваемому элеватору подается в трехсекционную сушилку. Сушка длится 40…45 мин., при этом выделяетсявторичный пар, который отводится в конденсатор, а сухой продукт с массовой долей влаги 9…10 % элеватором подается в шнековый охладитель.Предварительно охлажденную кормовую муку измельчают в молотковойдробилке (диаметр отверстий решетки – 4 мм). Кормовую муку просеивают через сито с отверстиями диаметром 4 мм, очищают от металлопримесей на магнитном уловителе, упаковывают в крафт-мешки или передают на бестарное хранение.
Выход готовой продукции из смеси, содержащей 70% мякотного сырья и 30%кости, составляет до 28%. Производительность линии К7-ФКЕ – до 600 кг костной муки в смену.
Доукомплектация линии К7-ФКЕ оборудованием для обезжиривания шквары позволяет перерабатывать на ней жиросодержащее сырье без ограничения.
Для интенсификации процесса тепловой обработки и исключения потерь предложено в качестве теплоносителя использовать горячий жир, в результате контакта с которым интенсивно испаряется влага, вытапливается жир и обеззараживается непищевое сырье. Применение такого гидрофобного теплоносителя, как жир, исключает переход в него белков и тем самым предотвращает потери сухих веществ. Такой метод используется в линии В2-ФЖЛ установках фирмы StorkDuke (Нидерланды).

Рисунок 1 – Линия К7-ФКЕ: 1— измельчитель; 2 — элеватор; 3 — обезвоживатель; 4 — жироловка; 5, 10 — дробилки; 6, 8 — элеваторы обогреваемые; 7 — сушильный агрегат; 9 — охладитель.
Линия фирмы «Stork-Duick». На этой линии перерабатывают непищевое
сырье животного происхождения, содержащее 20…50 % сырой кости (рисунок 2).
Сырье поступает в приемный бункер, разделенный на две зоны: для кости и мякотных отходов. Приемный бункер расположен ниже уровня пола и снабжен тремя шнеками, которые продвигают сырье к наклонному шнеку, подающему его в дробилку. Измельченный продукт самотеком поступает в бункер промежуточного хранения, из которого наклонным шнековым конвейером он подается в горизонтальный обогреваемый шнек закрытого типа для загрузки в стерилизационный аппарат (эквакокер) с паровой рубашкой. Эквакокер представляет собой горизонтальный цилиндрический котел, имеющий сносно установленную мешалку с вертикальными лопатками и трубами. Они укреплены на двух полых перегородках, расположенных на полом валу и разделяющих емкость на три зоны. Перегородки имеют отверстия для движения сырья из одной зоны в другую. Перерабатываемый продукт поступает в нижнюю часть эквакокера и непрерывно продвигается в сторону выгрузки, при этом жир нагревается до 130…150°С от паровой рубашки и обогреваемой паром мешалки в течение 2…3 мин. В результате соприкосновения сырья с горячим жиром испаряется влага, образующиеся пары проходят через циклон, где твердые частицы отделяются от капель жира. В хвостовой части эквакокера установлен лопастный регулятор, напоминающий колесо-черпалку. С его помощью смесь горячего жира и нагретого материала из последнего отсека стерелизационного аппарата удаляется и направляется в дренажное устройство. Последнее представляет собой корыто с отверстиями диаметром 2 мм, через которые жир стекает в приемный бак. В корыте установлен шнек, продвигающий шквару в сторону магнитного сепаратора. Далее шквара шнековым конвейером подается на пресс.
Отжатая шквара по одному из шнековых конвейеров поступает на повторную обработку или на получение кормовой муки. Сырье, направляемое на производство муки, загружается в промежуточный бункер-охладитель и далее цепным ковшовым элеватором – в роторную дробилку (производительность 2т/ч).
Полученная мука размером 0,5…1 мм поступает в вибросито для отделения не размолотых частиц. Просеянная мука направляется в бункер, и с помощью шнека, расположенного в нижней части, выгружается в тару.
Жир из сборника-накопителя насосом перекачивается в горизонтальную центрифугу и после очистки он поступает в емкость для хранения, при этом твердые частицы из центрифуги возвращаются шнеком в эквакокер.
Фирма ««Stork-Duick» выпускает линии производительностью по сырью 5800 и 1500…1800 кг/ч, по мясокостной муке 1638 и 400…700 кг/ч. Средний выход кормовой муки на линии «Stork-Duick» составляет 26…27,5%, технического жира — 18,7 % от массы перерабатываемого сырья при содержании в нем кости около 39 %.
На линии фирмы «Stork-Duick» производят кормовую муку, которая по содержанию жира и белка отвечает требованиям 1-го и 2-го сортов. Жир, полученный на этой линии, из-за темно-коричневого цвета относят к 3-му сорту.

Рисунок 2 - Линия фирмы «Stork-Duick» (Нидерланды): а — участок переработки сырья: 1— приемный бункер для сырья; 2 — наклонный шнек; 3 — электромагнит; 4 — дробилка; 5 — стерилизационный аппарат(эквакокер); 6 — центрифуга; 7—циклон; 8 — дренажное устройство; 9 — сборник для жира; 10 — шнековый пресс; 11 – щит управления. б — участок обработки муки: 1— цепной ковшовый элеватор; 2 — шнековые конвейеры; 3 — промежуточный бункер-охладитель; 4 — шнековый пресс; 5 — разгрузочный бункер; 6 — вибросито; 7 — дробилка.
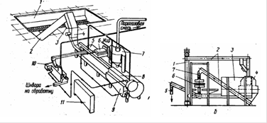
Линии В2-ФЖЛ отечественного производства по принципу работы аналогичны линиям фирмы «Stork-Duick» (рисунок 3).
По технологическому процессу, вышеуказанные линии незначительно отличаются друг от друга, в основном по количественным характеристикам.
Последовательность операций практически одинакова: силовое измельчение (40…100 мм), экстракция жира, сушка (40…45 мин), дробление (3…4 мм). В некоторых случаях, перед сушкой (К7-ФКЕ), применяют промежуточное дробление (до 25 мм). Эта технология имеет ряд недостатков. Главным из них является то, что сушка продукта происходит после операции среднего измельчения. На наш взгляд, целесообразнее сначала высушить продукт, а затем подвергнуть его механической обработке. Но существующие технологии сушки обеспечивают эффективность процесса только при сильно развитой площади поверхности обрабатываемого продукта, то есть при условии, что материал достаточно измельчен. Но существующие технологии сушки обеспечивают эффективность процесса только при сильно развитой площади поверхности обрабатываемого продукта, то есть при условии, что материал достаточно измельчен. Поэтому требуется измельчить «мокрый» материал для подготовки его к сушке. Один из путей решения данной проблемы – воздействие в процессе сушки на объем, а не на площадь обрабатываемого продукта. Такую возможность дает применение СВЧ-поля.
![]() |
Рисунок 3 - Линия В2-ФЖЛ: 1 — термокаталитический газовый реактор; 2 — скруббер для очистки газов; 3 — конденсатор; 4 — баки для хранения жира; 5 — центрифуга ОГШ-502-К-4; 6 — нории для подачи шквары и муки; 7 — бункера бестарного хранения муки; 8 — горизонтальные шнеки; 9—дробилка для шквары: 10 — вибросито; 11— бункер для шквары; 12 — пресс для обезжиривания шквары; 13 — отстойник; 14 — дренажное устройство;15 — стерилизационный аппарат; 16 — циклон для отделения частиц, уносимых паром; 17 — наклонные шнеки для подачи сырья; 18 — силовой измельчитель; 19 — электромагнит; 20 — бункер для сырья
Микроволны обладают стерилизующим эффектом в отношении стафилококков, кишечных палочек и других патогенных микроорганизмов. В некоторых случаях с помощью микроволн можно довести до кондиции испорченную продукцию. Значительное снижение энергоемкости обусловлено принципиально разными способами нагрева продукта. При использовании традиционных методов осуществляют передачу тепла от предварительно нагретого воздуха обрабатываемому продукту. Микроволновая сушка предполагает, что источником тепла является сам продукт и следовательно, тепловые потери практически отсутствуют. Кроме того, нагрев продукта происходит сразу во всем объеме, что обеспечивает равномерное распределение влаги.
Вышеизложенное позволяет предположить о возможности применения СВЧ-сушки в технологии приготовления мясокостной муки. Исходя из этого, можно модернизировать технологический процесс: СВЧ-сушка, силовое измельчение (40…100 мм), экстракция жира, дробление (3…4 мм). Преимущества такого процесса очевидны: СВЧ-сушка более экономична и качественна, затраты энергии на измельчение сухого продукта гораздо ниже чем «мокрого». Что касается экстракции жира, нами были проведены исследования по обработке кости после обвалки СВЧ-полем (при мощности излучателей 800 Вт). При этом наблюдали интенсивное жировыделение из кости, что свидетельствует о возможности решения проблемы экстракции жира путем использования СВЧ-технологий. Обращает внимание тот факт, что принцип действия на продукт вибрационных жироотделителей, применяемых в существующих линиях, и СВЧ-поля очень схожи.
Используемые для операции конечного, или промежуточного, измельчения молотковые дробилки имеют ряд недостатков. Основным из них является то, что при ударной обработке продукта трудно обеспечить требуемую однородность измельчения. Решета в дробилках гарантируют только максимальный размер частиц, при этом часть продукта просто превращается в пыль, которая не пригодна к применению и ухудшает экологию процесса измельчения. К тому же значительная часть затрачиваемой энергии уходит на совершение абсолютно бесполезной работы по вентиляции воздуха в дробилке и излишнее измельчение материала.
Таким образом, на основе обзора современных непрерывных линий по приготовлению мясокостной муки, можно предложить новую последовательность операций, для приготовления мясокостной муки из обвальной кости: СВЧ-сушка, предварительное измельчение, экструдирование. Каждая из этих операций менее энергоемка, по сравнению с существующими в настоящее время (расход энергии на измельчение будет меньше, так как сырье будет предварительно высушенно), а качество продукта будет выше, из-за сокращения времени обработки.
2. Анализ качества мясокостной муки
Оценку кормов животного происхождения проводят на основании показателей, заложенных в ГОСТы на эти кормовые продукты, а также ветеринарно-санитарных требований к этим продуктам. Согласно ГОСТам в этих продуктах не должно выявляться общая токсичность и патогенные микроорганизмы.
В ветеринарных лабораториях проводят следующие исследования: определение общей бактериальной обсемененности кормов; определение присутствия бактерий группы кишечной палочки; определение присутствия бактерий из рода сальмонелл; определения присутствия бактерий анаэробов.
Отбор проб муки для бактериологического исследования проводят сухим стерильным щупом в сухую стерильную стеклянную банку. Пробы отбирают не менее чем с пяти точек. Масса точечной пробы должна быть не менее 100 г. Масса объединенной пробы — не менее 500 г. Объединенную пробу тщательно перемешивают и делят пополам. Каждую часть упаковывают в стерильную стеклянную банку. Одну банку направляют в лабораторию, другую сохраняют на предприятии до окончания анализа. При отборе проб составляют акты в двух экземплярах, которые должны содержать следующие данные: наименование предприятия-изготовителя, номер партии, вид и массу продукта, количество упаковочных единиц, дату изготовления продукции и отбора проб.
Взятую из общей пробы навеску массой 50 г помещают в стерильную колбу или стакан гомогенизатора, содержащей 450 мл стерильного физиологического раствора, и тщательно перемешивают в течение 30 мин, получая основное десятикратное разведение. После отстаивания взвеси в течение 10—15 мин из надосадочного слоя стеклянной пипеткой берут 1 мл жидкости, вносят в пробирку с 9 мл стерильного физиологического раствора и получают очередное разведение. Таким же образом готовят последующие разведения.
Для определения общей бактериальной обсемененности мясокостной муки используют три способа: прямой подсчет микроорганизмов, количественный посев на плотные питательные среды, титрационный посев.
При прямом подсчете бактерий 1 г мясокостной муки гомогенизируют с 10 мл стерильного физиологического раствора, суспензию вводят в счетные камеры (гематологические или специальные камеры Петрова—Гаузера, Гельбера) и подсчитывают количество микробных тел в фазово-контрастном микроскопе.
При посеве на плотные питательные среды материал готовят так же, как и для прямого подсчета, и вносят либо непосредственно в стерильные чашки Петри, заливая затем расплавленным и охлажденным до 45—50 °С агаром, либо на поверхность уже застывшего в чашках стерильного агара. Чашки помещают в термостат при температуре 37 °С и через 24—48 ч подсчитывают количество выросших колоний, на основании которого устанавливают количество бактерий в 1 г муки.
Третий способ — тестированный. По этому способу 1 мл каждого разведения, приготовленного по вышеописанному методу, вносят в стерильные бактериологические чашки и заливают 10—15 мл стерильного, расплавленного и охлажденного до 45°С мясопептонного агара. После застывания среды чашки помещают (вверх дном) в термостат при температуре 37 °С. Учет результатов ведут по тем чашкам, где возможен визуальный подсчет колоний. Среднее количество колоний, приходящееся на одну чашку, множат на разведение и определяют количество бактерий в 1 г муки. Так, если в среднем на одну чашку пришлось 25 колоний при разведении 1: 10 000, то количество микробных клеток в 1 г муки составляет 250 тыс.
Для определения общей бактериальной обсемененности мясокостной муки предложен редуктазный метод, основанный на способности бактериального фермента—редуктазы (дегидразы) восстанавливать субстрат, в качестве которого берут натриевую соль резазурина, до резоруфина с изменением синего окрашивания среды до розового. По времени изменения окраски определяют общую бактериальную обсемененность: через 2 ч — до 500 тыс., менее 2 ч— более 500 тыс. микробных тел в 1 г мясокостной муки. Этот метод отличается быстротой — для проведения исследования нужно не более 4 ч.
Определение бактерий рода сальмонелл основано на установлении их характерного роста на элективных средах и ферментативных и серологических свойств.
Для этого навеску муки массой от 50 до 200 г вносят в колбу, содержащую одну из сред предварительного обогащения (физиологический раствор, пептонная вода) при соотношении муки и среды 1 :5. Содержимое колбы тщательно перемешивают и помещают в термостат при температуре 37 °С. Через 16—18 ч проводят посевы на две (по выбору) основные среды обогащения (селенитовый бульон, магниевую среду, среды Киллиана, Мюллера, Кауфмана) в соотношении 1 : 5.
После 16—18 ч термостатирования при температуре 37 °С из обогатительных сред бактериологической петлей делают посевы в чашки с твердым дифференциально-диагностическими средами — висмут-сульфитный агар, среды Плоскирева или Левина (по две чашки), которые помещают в термостат при температуре 37°С.
Засеянные чашки просматривают через 24—48 ч. На висмут-сульфитном агаре S. typhi, S. paratyphi А. растут в виде мелких нежных серовато-зеленых колоний с черным центром; S. cholraesuis в виде зеленых колоний. Колонии почти всех других сальмонелл значительно крупнее, темно-коричневого цвета с металлическим блеском, окруженные светлым ореолом, цвет участка среды под колонией — черный.
На среде Плоскирева сальмонеллы растут в виде прозрачных или нежно-розовых колоний; на среде Левина— прозрачные, бледные, нежно-розовые или розовато-фиолетовые колонии.
При обнаружении колоний, подозрительных на сальмонеллы, три - пять из них засевают на комбинированные среды — Рассела, Крумвиде — Олькеницкого в модификации Ковальчука или трехсахарную (лактоза, глюкоза, сахароза), «скошенные столбики» с мочевиной.
Высев колоний делают на короткий пестрый ряд, включающий скошенный агар и среды Гисса с лактозой, глюкозой и сахарозой, а также бульон Хоттингера для определения индола и сероводорода.
Культуры, представляющие грамотрицательные подвижные палочки, ферментирующие глюкозу с образованием газа, не ферментирующие лактозу и сахарозу, не разлагающие мочевину и не образующие индол, подвергают серологическому исследованию — испытывают в реакции агглютинации на предметном стекле с поливалентной адсорбированной О-сывороткой.
Обнаружение подвижных (кроме S. pullorum, S. gallinarum) грам-отрицательных палочек, дающих характерный рост на элективных средах, не ферментирующих лактозу и сахарозу, ферментирующих глюкозу и маннит с образованием кислоты и газа (S. typhysuis не ферментирует маннит), дающих положительную реакцию агглютинации с поливалентной адсорбированной О-сывороткой, указывает на наличие бактерий из рода сальмонелл.
3. Предпологаемое строение выпускной квалифицированной работы
Аннотация
Введение
1. Анализ производственно – хозяйственной деятельностиисследуемого предприятия
2. Обзор и классификация современных технологических линий по производству мясокостной муки и и их особенности
3. Внедрение линии по производству мясокостной муки
4. Безопасность жизнедеятельности при производстве
5. Экономическое обоснование проекта
4. Характеристика исследуемого предприятия
Исследуемым предприятием является ОАО МПК «Пензенский».
"Пензенский" МПК ОАО - одно из крупнейших мясоперерабатывающих предприятий Поволжского региона, лидер по производству мясосырья, ежегодно выпускающий около 20 000 тонн колбасных изделий. За тридцать лет работы комбинат "Пензенский" накопил большой опыт в производстве качественных мясных и колбасных изделий. Мясоптицекомбинат «Пензенский» был запущен в эксплуатацию в октябре 1966 года по шведскому проекту для мясоперерабатывающих заводов одноэтажного исполнения. Основой технологической оснастки явилось оборудование шведской фирмы «Separator». Территория мясоптицекомбината - 14 га. Производственные мощности на момент пуска предприятия составляли : мясожировой цех -40 тн/смену; птицецех -10тн/смену; цех технических полуфабрикатов-1,8тн/смену; колбасный цех -11;тн/смену.
Мясоптицекомбинат в это период производил: колбасных изделий- 10137 тонн в год, мясных полуфабрикатов - 4212 тонн в год.
Предприятие экспортировало некоторые виды продукции за рубеж – на Кубу, в Венгрию, Чехословакию, Вьетнам и др. В апреле 1993 года мясоптицекомбинат был преобразован в Акционерное Общество Открытого типа Мясоптицекомбинат «Пензенский».
В феврале 1997 года преобразован в ОАО Мясоптицекомбинат «Пензенский».
В 1998 г. Мясоптицекомбинат «Пензенский» вошел в состав ОАО «Группа «Черкизово», инвестиции которого позволили провести масштабную реконструкцию и модернизацию производства.
Группа «Черкизово» - одна из крупнейших в мясной отрасли России агропромышленных компаний, включающая 3 основных производственных блока - «мясопереработка», «свиноводство» и «птицеводство». В состав Группы входят 6 мясоперерабатывающих предприятий, 4 птицеводческих производственных комплекса, 5 свинокомплексов, 3 птицеперерабатывающих завода, 2 комбикормовых завода, 3 торговых дома с филиалами в крупнейших городах России. География деятельности охватывает всю европейскую часть территории РФ, включая Москву и Московскую область, Санкт-Петербург, Пензенскую, Липецкую, Вологодскую, и другие области.
ОАО МПК "Пензенский" - это первое российское предприятие, сертифицированное по международной системе обеспечения безопасности производства пищевой продукции ХАССП ("Анализ опасных факторов и критические контрольные точки"). Это значит, что уровень безопасности продукции для здоровья соответствует международным стандартам. На комбинате действует система качества серии ИСО 9000. 2002 год – прошла сертификация по системе менеджмента качества ГОСТ Р ИСО 9001-2001. Главный принцип работы ОАО Мясоптицекомбинат «Пензенский» – забота о здоровье населения.
Сегодня МПК "Пензенский" - это динамично развивающееся предприятие, главной целью которого является удовлетворение желаний потребителей.
Заключение
В результате проведённого исследования по теме: «Технологии и линии производства мясокостной муки» можно сделать ряд выводов:
1. Важным белковым компонентом комбикормов является мясокостная мука. Мясокостная мука производится в основном на мясокомбинатах, в технических цехах. С помощью мясокостной муки хорошего качества (1 и 2 сорт) достигается балансирование незаменимых аминокислот в комбикорме, кроме метионина и цистина. У правильно изготовленной и с низким содержанием склеропротеидов переваримость белка составляет 85-90%.
2. В зависимости от содержания белка, жира и минеральных солей мясокостную муку подразделяют на три сорта, остальные ее виды вырабатывают одного сорта.
3. Обработка муки заключается в проведении комплекса операций, направленных на подготовку ее к измельчению. Наиболее существенными из них являются охлаждение и выделение металлических примесей.
4. В нашей стране и за рубежом для производства сухих кормов животного происхождения, кормового и технического жира используют различные линии: линии К7-ФКЕ, В2-ФЖЛ, линии Centrimille фирмы Alfa-Laval (Швеция), StorkDuke (Нидерланды)и др.
5. Оценку кормов животного происхождения проводят на основании показателей, заложенных в ГОСТы на эти кормовые продукты, а также ветеринарно-санитарных требований к этим продуктам. Согласно ГОСТам в этих продуктах не должно выявляться общая токсичность и патогенные микроорганизмы. В ветеринарных лабораториях проводят следующие исследования: определение общей бактериальной обсемененности кормов; определение присутствия бактерий группы кишечной палочки; определение присутствия бактерий из рода сальмонелл; определения присутствия бактерий анаэробов.
Используемая литература
1. Poгoв И.A. и дp. Texнология мяca и мяcoпpoдyктoв. М.: Aгpoпpoмиздaт, 1988.
2. Синдеев В. А. Переработка мяса и субпродуктов. — Ростов-на-Дону: Издательство Феникс,2000.
3. http://www.pmpk.ru/about/chronicle
4. http://sankorma.ru/veterinarno-sanitarnaya-otsenka-16.html
Похожие рефераты:
Технология приготовления хлеба
Муха (diptera muscidae) как продуцент кормового белка для птиц на Востоке Казахстана
Модернизация мини-колбасного цеха
Анализ организационно-экономических условий племзавода ОАО "Восточный"
Технология производства колбас на Таганском мясоперерабатывающем заводе
Проект линии по производству кеты чанового охлажденного посола
Анализ производственно-хозяйственной деятельности ООО "Хлебзавод №5"
Микроорганизмы, выделенные из различных природных жиров
Технологическое проектирование хлебозавода
Проектирование рыбоконсервного завода
Оценка качества и конкурентоспособности муки на примере продукции Пермского мукомольного завода
Совершенствования технологических процессов переработки зерна в муку и крупу
