| Скачать .docx |
Реферат: Анализ случайных процессов в линейных системах радиоэлектронных следящих систем
БЕЛОРУССКИЙ ГОСУДАРСТВЕННЫЙ УНИВЕРСИТЕТ ИНФОРМАТИКИ И РАДИОЭЛЕКТРОНИКИ
Кафедра РТС
РЕФЕРАТ
На тему:
"Анализ случайных процессов в линейных системах радиоэлектронных следящих систем"
МИНСК, 2008
Определение статистических характеристик случайных процессов в линейных системах
Задающее воздействие
и внутренние возмущения (флуктуации частоты, фазы, задержки) являются случайными процессами с нормальным законом распределения, который не изменяется при прохождении процессов через линейные цепи. Флюктуационная составляющая напряжения на выходе дискриминатора
(t) также процесс случайный, и хотя не всегда имеет нормальный закон распределения, но при прохождении через последующие узкополосные линейные цепи нормализуется.
Случайный процесс с нормальным законом распределения определяется математическим ожиданием и корреляционной функцией. Методы определения математического ожидания рассмотрены в предыдущем разделе. Рассмотрим методы определения корреляционной функции и связанной с ней дисперсией случайных процессов.
Спектральная плотность процесса на выходе и входе линейной системы связаны зависимостью
,
где
- частотная передаточная функция системы;
- спектральная плотность процесса на входе.
Преобразовав по Фурье правую и левую часть можно определить корреляционную функцию:
.
Дисперсия случайного процесса на выходе линейной системы:
(1)
или:
, (2)
где Sv(w) –двусторонняя спектральная плотность процесса на выходе системы.
При использовании односторонней спектральной плотности N(f) выражение (2) может быть записано в виде:
,
где
;
.
Расчет дисперсии случайного процесса с помощью стандартных интегралов
Для упрощения вычисления интеграла (6.1) его приводят к стандартному виду:
,
где
─ полином четной степени частоты
;
- полином, корни которого принадлежат верхней полуплоскости комплексной переменной
; n – степень полинома
.
Вычисление производят по формулам:
;
;
.
При n>3 формулы для расчетов можно найти в справочнике.
Условие применения стандартных интегралов: полином под интегралом должен быть дробно-рациональной функцией переменной
и система должна быть устойчивой.
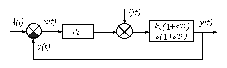
Рассмотрим пример расчета дисперсии ошибки слежения в системе, представленной структурной схемой (рис.1).

Рис.1. К примеру расчета дисперсии ошибки слежения.
Исходные данные:
─ флюктуационная составляющая, определяемая спектральной плотностью
.
Рассчитаем дисперсию ошибки слежения по формуле дисперсию по формуле:
.
Передаточная функция от воздействия к ошибке
;
;
.
Выполним расчет:
;
;
;
;
;
;
;
;
;
. (3)
Приведем
ко входу дискриминатора и упростим выражение (3)
, (4)
где
;
- спектр приведенного ко входу дискриминатора случайного процесса.
Таким образом, дисперсия ошибки слежения пропорциональна коэффициенту усиления разомкнутого контура следящей системы и спектральной плотности флюктуационной составляющей.
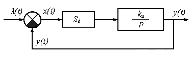
Если вместо пропорционально-интегрирующего фильтра использовать интегратор, то:
, и
;
Если на вход инерционного звена с передаточной функцией

подать шум со спектральной плотностью
, то дисперсия на выходе будет равна
;
Таким образом шум вызывает одинаковый эффект на выходе инерционной цепи и в следящих системах, содержащих одно интегрирующее звено с добротностью, обратной постоянной времени
.
Если следящая система содержит в качестве фильтра последовательное соединение инерционного звена и интегратора, то в этом случае
;
;
;
.
Следовательно, постоянная времени инерционного звена не влияет на величину флюктуационной ошибки (дисперсию). Это объясняется тем, что при увеличении
инерционного звена сужается полоса системы, но одновременно увеличивается максимум АЧХ, а площади под кривыми не изменяются (рис.2).

Рис.2. Зависимость АЧХ от постоянной времени инерционного звена.
Используя (4) можно оптимизировать параметры системы, в частности
по критерию минимума флюктуационной ошибки. С этой целью продифференцируем (6.4) по
и приравняем производную нулю.

;
;
;
;
;
при
;
;
Подставив
в (4), получим
,
где
- собственная частота следящей системы.
Если задающее воздействие представлено спектральной плотностью неточность его воспроизведения также оценивается дисперсией. Рассмотрим пример (рис.3).

Рис.3
Пусть
;
,
где
─ дисперсия задающего воздействия;
- параметр, определяющий ширину спектра.
Определим величину дисперсии ошибки слежения
, обусловленную неточностью воспроизведения задающего воздействия.
;
,
где
;
- коэффициент передачи интегратора;
- крутизна дискриминационной характеристики.
;
;
приведем выражение к стандартному виду:
;
(jw) =(
+jw) (Kv+jw) =(jw) 2 +(
+Kv) jw+
Kv;
;
;
;
;
;
;
;
;
При увеличении ![]()
уменьшается, в то время как в первом примере
увеличивается.
Эквивалентная шумовая полоса следящих систем
Под эквивалентной шумовой полосой следящей системы понимают полосу пропускания эквивалентной системы, имеющей прямоугольную АЧХ, одинаковое с исходной системой ее значение на нулевой частоте и одинаковую дисперсию на выходе при воздействии на входы систем белого шума (рис.4).

Рис.4. АЧХ исходной и эквивалентной систем.
Чтобы определить полосу пропускания
используем условие равенства дисперсий:

Отсюда
.
Использование значения эквивалентной шумовой полосы позволяет упростить вычисление дисперсии:
;
.
Если
, то
, или
,
где
─ односторонняя спектральная плотность.
Формулы для расчета эквивалентной шумовой полосы систем приведены в табл.1
Таблица 1. Формулы для расчета эквивалентной шумовой полосы.
Оптимизация параметров следящих систем
Для решения задачи оптимизации необходимо определить структуру системы, предъявляемые требования и ограничения, накладываемые на систему, описать воздействия и возмущения, выбрать критерий оптимизации и метод.
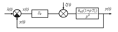
Оптимизируем параметры kи2 и T1 в системе (рис.5), в которой задающее воздействие λ(t) – детерминированная функция, а возмущение ─ случайный процесс ξ(t).
В качестве критерия оптимизации используем критерий минимума среднего квадрата ошибки:
; (5)
где
- квадрат математического ожидания ошибки слежения.

Рис.5. Структурная схема оптимизируемой системы.
Исходные данные:
;
.
Необходимо определить
и
по критерию (5).
Величина математического ожидания (динамической ошибки) определяется выражением
.
Величина дисперсии ошибки:

. (6)
Для определения оптимальных значений параметров воспользуемся методом дифференцирования:
.
Из этого уравнения определяем
. (7)
Подставив в исходное уравнение (6) вместо T1 его оптимальное значение (7) и продифференцировав по переменной kи2, найдем ее оптимальное значение
.
Пусть задающее воздействие является случайным процессом с нулевым математическим ожиданием и спектральной плотностью

Флюктуационная составляющая характеризуется спектральной плотностью
.
В качестве фильтра используется идеальный интегратор:
.
Найдем оптимальное значение коэффициента передачи интегратора
по критерию минимума суммарной ошибки слежения:
,
где
─ величина дисперсии ошибки, обусловленная неточным воспроизведением входного воздействия;
─ величина дисперсии ошибки обусловленная воздействием флюктуационной составляющей.

. (8)
Продифференцируем (8) по
и приравняем производную нулю. В результате получим
.
Память следящих систем
Радиотехнические системы работают в условиях многолучевого распространения радиоволн, поэтому при приеме сигнала наблюдается эффект замирания сигнала. Попадание на вход приемника мощной широкополосной помехи приводит к смещению рабочей точки характеристики активного элемента на нелинейный участок характеристики и в результате – к подавлению полезного сигнала мощной помехой. Сигнал на входе следящей системы пропадает, что эквивалентно размыканию контура. На структурной схеме (Рис.6) это явление можно отобразить введением двух ключей Кл1 и Кл2. Пропадание сигнала приводит к размыканию ключа Кл1 и переводу ключа Кл2 в положение 2, поскольку меняется характер флюктуаций.

Рис.6. Структурная схема следящей системы с учетом пропадания полезного сигнала на входе.
Если в режиме слежения закон распределения ошибки нормальный с нулевым математическим ожиданием и в момент времени
следящая система разомкнулась, то через время
, характер распределения ошибки слежения изменится: увеличится математическое ожидание и дисперсия. Если в момент
значение ошибки не выходит за пределы апертуры дискриминационной характеристики, то появление сигнала приведет к восстановлению режима слежения. Если же
, то происходит срыв слежения.
Вероятность того, что через
после пропадания сигнала ошибка слежения не превышает
определяет память следящей системы:
.

Рис.7. Распределение плотности вероятности ошибки слежения.

Рис.8. Дискриминационная характеристика.
Рассмотрим пример.
Пусть следящая система имеет два интегратора (рис.9).

Рис.9. Структурная схема системы.
Задающее воздействие определяется линейной зависимостью
;
Поскольку система является астатической с астатизмом второго порядка установившееся значение ошибки равно нулю, т.е.
.
Следовательно,
;
, а
,
т.е. напряжение на входе второго интегратора пропорционально скорости изменения задающего воздействия
.
Таким образом, система отслеживает скорость изменения входного процесса не по рассогласованию а по памяти. При пропадании сигнала на вход система будет отслеживать его изменение, если скорость не изменятся. При восстановлении сигнала ошибка будет минимальной, или равной нулю (в реальной ситуации срыв может произойти в результате флюктуаций управляемой величины под воздействием помех).
Память следящих систем определяется числом интегрирующих звеньев. Одно звено обеспечивает память по положению, два – по скорости, три – по ускорению.
Таким образом, система с астатизмом n –го порядка обладает памятью по n-1 производной задающего воздействия.
ЛИТЕРАТУРА
1. Коновалов. Г.Ф. Радиоавтоматика: Учебник для вузов. – М.: Высш. шк., 2000.
2. Радиоавтоматика: Учеб. пособие для вузов. / Под ред.В.А. Бесекерского. - М.: Высш. шк., 2005.
3. . Первачев С. В. Радиоавтоматика: Учебник для вузов. - М.: Радио и связь, 2002.
4. Цифровые системы фазовой синхронизации / Под ред. М.И. Жодзишского – М.: Радио, 2000