| Скачать .docx |
Реферат: Учебное пособие: Электроснабжение промышленных предприятий и установок
Содержание
1 Введение ………………………………………..……….............……………....2
2 Тематический план внеаудиторной самостоятельной работы студентов.......3
3 Требования к оформлению отчета......................................................................4
4 Расчет заземляющего устройства в MCad..........................................................5
4.1 Задание................................................................................................................5
4.2 Порядок расчета заземляющего устройства...................................................5
5 Расчет молниезащиты в MCad............................................................................8
5.1 Задание...............................................................................................................8
5.2 Порядок расчета заземляющего устройства.................................................10
6 Создание презентации «Моя будущая профессия – лучше всех в БПТ»......10
6.1 Организация конкурса.....................................................................................10
6.2 Требования к работам.....................................................................................11
6.3 Оценка конкурсных материалов....................................................................11
6.4 План проведения конкурса.............................................................................13
7 Создание интернет-странички «Моя группа».................................................13
7.1 Организация конкурса....................................................................................13
7.2 Требования к работам.....................................................................................14
7.3 Оценка конкурсных материалов....................................................................14
7.4 План проведения конкурса.............................................................................14
8 Вычерчивание однолинейной схемы электроснабжения для курсового проекта «Электроснабжение отрасли»................................................................16
8.1 Задание.............................................................................................................16
Приложение А. Лист оценки мультимедийного продукта и итоговый протокол.................................................................................................................17
Приложение Б. Лист оценки интернет-странички и итоговый протокол........18
Приложение В. Однолинейная схема электроснабжения.................................19
Литература…………………………………………………………………….....21
Чем самостоятельней мы учимся, чем активнее занимаемся самообразованием, тем сильнее нуждаемся в помощи, всегда деловой и конкретной, но становящейся со временем все более тонкой и деликатной. И начинается она с рекомендаций, как учиться, чтобы добиться успеха в этом сложнейшем деле, чтобы оно приносило удовлетворение, побуждало к дальнейшему знанию.
Такую помощь могут оказать либо те студенты, у которых уже сложился положительный опыт самостоятельного овладения знаниями, либо наши преподаватели, у которых имеется богатейшая практика и собственного овладения наукой, и приобщения к ней не одного поколения студентов.
Активизация познавательной деятельности студентов во многом зависит от инициативной позиции преподавателя на каждом этапе обучения. Характеристикой этой позиции являются: высокий уровень педагогического мышления и его критичность, способность и стремление к проблемному обучению, к ведению диалога со студентом, стремление к обоснованию своих взглядов, способность к самооценке своей преподавательской деятельности.
Содержательной стороной активизации учебного процесса является подбор материала, составление заданий, конструирование образовательных и педагогических задач на основе проблемного обучения с учетом индивидуальных особенностей каждого студента.
2 Тематический план внеаудиторной самостоятельной работы студентов
Таблица 2.1 - Тематический план внеаудиторной самостоятельной работы студентов по дисциплине «Информационные технологии в профессиональной деятельности»
| Тема | Содержание | Виды занятий | кол-во, час |
Формы и методы контроля |
| 4.1 | Расчет заземляющего устройства в MCad | индивидуальные задания | 2 | отчет |
| 4.1 | Расчет молниезащиты в MCad | индивидуальные задания | 2 | отчет |
| 4.2 | Создание презентации «Моя будущая профессия – лучше всех в БПТ» | создание презентации | 2 | конкурс презентаций |
| 4.3 | Создание Интернет-странички «Моя группа» | создание Интернет-странички | 4 | конкурс Интернет-страничек |
| 4.4 | Вычерчивание однолинейной схемы электроснабжения для курсового проекта «Электроснабжение отрасли» | индивидуальные задания | 4 | отчет |
| Всего: | 14 | |||
3 Требования к оформлению отчета
Отчет по самостоятельной внеаудиторной работе представляется в электронном варианте на любом информационном носителе, а так же в распечатанном виде на листах формата А4.
Отчет по работам, выполненным с использованием математического редактора MathCad, представляется в распечатанном виде на листах формата А4 с заданием на курсовой проект по дисциплине «Электроснабжение отрасли».
Презентации представляются в электронном виде с обязательным соблюдением следующих требований:
- первый слайд должен содержать полное наименование учебного заведения, тему презентации, ФИО автора и преподавателя;
- последний слайд должен содержать список литературных источников и интернет-ссылок, используемых при составлении презентации.
Интернет-страничка представляется в электронном виде с обязательным соблюдением следующих требований:
- страничка должна содержать полное наименование учебного заведения;
- должен быть указан автор интернет-странички и его e-mail в виде активной ссылки.
Однолинейная схема электроснабжения для курсового проекта представляется в распечатанном виде вместе с заданием на курсовой проект «Электроснабжение отрасли».
Презентация «Моя будущая профессия – лучше всех в БПТ» и интернет-страничка «Моя группа» представляются на конкурс и защищаются автором в устной форме.
4 Расчет заземляющего устройства в MCad
4.1 Задание
В данной работе необходимо показать применение полученных в ходе изучения курса умений и навыков для выполнения курсового проекта по дисциплине «Электроснабжение отрасли» с помощью MathСad. Решение поставленной задачи рекомендуется выполнять в следующей последовательности:
а) составить макет решения задачи, используя порядок расчета заземляющего устройства;
б) ввести реальные данные из своего курсового проекта и выполнить расчет;
в) вывести данные в необходимой форме с текстовыми пояснениями;
г) показать выполненное задание преподавателю.
4.2 Порядок расчета заземляющего устройства
Расчет заземляющих устройств производится с учетом естественных заземлителей.
Необходимое допустимое сопротивление заземляющего устройства
Rз = Uз/Iз, (4.1)
где Uз - напряжение на заземлителе, если заземляющее устройство одновременно используется для электроуставок до и выше 1000 В.
, (4.2)
где U нв - напряжение, кВ ;
каб. - длина кабельных линий , км ;
воз. - длина воздушных линий , км.
При Rз > 4 Ом сопротивление заземляющего устройства принимают равным R = 4 Ом.
Расчетное удельное сопротивление грунта
ρ = ρиз ∙ ψ, (4.3)
где ρиз - измеренное сопротивление грунта;
ψ- коэффициент повышения.
Сопротивление одиночного электрода:
- Rо = 0,00227 ∙ρ - для пруткового электрода диам.12 мм длиной 5 м.
- Ro = 0,0034∙ρ- для электрода из угловой стали 50x50x5 длиной 2,5м ;
- Ro = 0,00325 ∙ρ- для электрода из трубы 60 мм длиной 2,5 м.
Сопротивление искусственных электродов с учетом естественных
Rи = Re∙Rз/Re-Rз. (4.4)
Число заземлителей
n = Rо/Rн. (4.5)
Сопротивление искусственных заземлителей с учетом коэффициента экранирования
Rн = Rо /n∙η , (4.6)
где n - число заземлителей,
η - коэффициент экранирования,
η = f(n, a/
),
а - расстояние между электродами,
- длина электрода.
Сопротивление заземляющего устройства
Rз = Re∙Rи/Re+Rи. (4.7)
Если сопротивление заземляющего устройства Rз > 4 Ом, то определяют сопротивление протяженного заземлителя:
Rп = (0,366ρ/ηп
∙
п
)∙lg(2
п
/Вп∙tп
), (4.8)
где Вп - ширина полосы;
п - длина полосы;
tп - глубина заложения полосы;
ηп - коэффициент использования протяженных заземлителей.
Сопротивление заземляющего устройства с учетом Rn
R/ з = Rз∙Rп/ Rз+Rп. (4.9)
5.1 Задание
В данной работе необходимо показать применение полученных в ходе изучения курса умений и навыков для выполнения курсового проекта по дисциплине «Электроснабжение отрасли» с помощью MathСad. Решение поставленной задачи рекомендуется выполнять в следующей последовательности:
а) составить макет решения задачи, используя порядок расчета молниезащиты;
б) ввести реальные данные из своего курсового проекта и выполнить расчет;
в) вывести данные в необходимой форме с текстовыми пояснениями;
г) показать выполненное задание преподавателю.
5.2 Порядок расчета заземляющего устройства
Все здания и сооружения по выполнению молниезащиты подразделяются на 3 категории.
Молниезащита зданий и сооружений I категории выполняется отдельно стоящими стержневыми и тросовыми молниеотводами.
При расчете стержневой молниезащиты определяем импульсное напряжение в точке, которая расположена на уровне высоты защищаемого объекта:
Uт = Imax/2∙(
), (5.1)
где Rи =10 Ом - импульсное сопротивление заземлителя;
Imax = 150 кА - максимальный ток молнии;
- высота рассматриваемой точки молниеотвода над уровнем земли.
Расстояние по воздуху от молниеотвода до здания:
Sв = Uт/Е воз, (5.2)
где Е воз. = 500 кВ/м – напряженность воздуха.
Радиус защиты
rx = Sb+ В, (5.3)
где В - ширина здания.
h = (1,6hx
+rx
)/3,2+
. (5.4)
Высота молниеотводов определяется также, как и в случае использования одиночного молниеотвода.
Определяют наименьшую ширину зоны защиты
2Вх = 4rx ∙ ((7ha – a)/(14ha – a)), (5.5)
где а - расстояние между двумя молниеотводами;
ha - высота активной части молниеотвода.
6 Создание презентации «Моя будущая профессия – лучше всех в БПТ»
6.1 Организация конкурса
В конкурсе могут принимать участие студенты всех специальностей.
Для организации и проведения конкурса создается рабочая группа преподавателей, которая:
- организует информирование студентов всех специальностей о проведении конкурса и условиях участия в нем;
- организует прием конкурсных материалов;
- организует награждение победителей.
Презентации могут носить исследовательский, обучающий, ознакомительный или другой характер.
6.2 Требования к работам
К участию в конкурсе допускаются студенты техникума, самостоятельно разработавшие компьютерную презентацию. Возможны коллективные работы. Рекомендуемый порядок и объем презентации:
а) титульный слайд с указанием учебного заведения, темы и автора;
б) слайды, содержащие информацию о техникуме (1-2 слайда);
в) слайды, содержащие информацию о специальности с фотографиями лабораторий, кабинетов и т.д. (2-3 слайда);
г) слайды о будущей профессии, ее достоинствах и областях применения в нашем городе и т.д. (7-8 слайдов);
д) заключительный слайд с указанием списка используемой литературы, гиперссылок сайтов.
Объем доклада должен составлять 5-7 минут.
Конкурс считается открытым после официального объявления о проведении конкурса. Для участия в конкурсе участник должен передать проект на компакт-диске или другом электронном носителе преподавателю.
6.3 Оценка конкурсных материалов
Конкурсные работы оцениваются в соответствии со следующими критериями:
а) полнота раскрытия темы;
в) творческий подход;
г) сложность технологии изготовления;
д) оригинальность и занимательность;
ж) многообразие используемых автомакетов (разметок) слайдов: таблицы, диаграммы, автофигуры и т.д.;
к) оптимальность использования анимационных эффектов;
л) грамотность и стиль изложенного материала;
м) соотношение текста и графики;
н) цветовое оформление;
п) организация переходов между слайдами.
Награждение победителей конкурса осуществляется после подведения итогов жюри.
Участники, занявшие 1, 2 и 3-е места награждаются грамотами техникума. Компьютерная презентация зрительских симпатий определяется путем тайного голосования присутствующих студентов.
6.4 План проведения конкурса
Организация конкурса:
а) объявление о конкурсе (за две недели);
б) знакомство студентов с правилами конкурса, требованиями к мультимедийным продуктам;
в) определение состава жюри.
Проведение конкурса:
а) приветствие участников конкурса, объявление состава жюри;
б) организация голосования на “Приз зрительских симпатий”. Выдача жетонов;
в) выступление участников конкурса. Демонстрация компьютерной презентации и защита проекта;
г) подведение итогов конкурса. Подсчет количества баллов, набранных каждым участником. Заполнение протокола. Подсчет жетонов. Определение победителя в номинации “Приз зрительских симпатий”;
д) награждение. Участники, занявшие 1, 2 и 3 места и победитель в номинации “Приз зрительских симпатий” награждаются грамотами техникума.
Лист оценки мультимедийного продукта и итоговый протокол представлены в Приложении А.
7 Создание интернет-странички «Моя группа»
7.1 Организация конкурса
В конкурсе могут принимать участие студенты всех специальностей.
Для организации и проведения конкурса создается рабочая группа преподавателей, которая:
- организует информирование студентов всех специальностей о проведении конкурса и условиях участия в нем;
- организует прием конкурсных материалов;
- организует награждение победителей.
Интернет-странички могут носить любой характер в соответствии с задумкой автора.
7.2 Требования к работам
К участию в конкурсе допускаются студенты техникума, самостоятельно разработавшие интернет-страничку. Возможны коллективные работы. Рекомендуемый порядок и объем интернет-странички:
а) указание учебного заведения, темы и автора;
б) таблица или перечисление студентов группы с указанием адреса, фотографии и ссылки на e-mail;
в) перечисление преподавателей с фотографиями;
г) ссылка на сайт техникума.
Объем доклада должен составлять 5-7 минут.
Конкурс считается открытым после официального объявления о проведении конкурса. Для участия в конкурсе участник должен передать проект на компакт-диске или другом электронном носителе преподавателю.
7.3 Оценка конкурсных материалов
Конкурсные работы оцениваются в соответствии со следующими критериями:
а) полнота раскрытия темы;
в) творческий подход;
г) сложность технологии изготовления;
д) оригинальность и занимательность;
ж) многообразие используемых инструментов языка HTML: таблицы, фотографии, ссылки, анимационные эффекты;
к) грамотность и стиль изложенного материала;
л) соотношение текста и графики;
м) цветовое оформление.
Награждение победителей конкурса осуществляется после подведения итогов жюри.
Участники, занявшие 1, 2 и 3-е места награждаются грамотами техникума. Интернет-страничка зрительских симпатий определяется путем тайного голосования присутствующих студентов.
Организация конкурса:
а) объявление о конкурсе (за две недели);
б) знакомство студентов с правилами конкурса, требованиями к интернет-страничке;
в) определение состава жюри.
Проведение конкурса:
а) приветствие участников конкурса, объявление состава жюри;
б) организация голосования на “Приз зрительских симпатий”. Выдача жетонов;
в) выступление участников конкурса. Демонстрация интернет-странички и защита проекта;
г) подведение итогов конкурса. Подсчет количества баллов, набранных каждым участником. Заполнение протокола. Подсчет жетонов. Определение победителя в номинации “Приз зрительских симпатий”;
д) награждение. Участники, занявшие 1, 2 и 3 места и победитель в номинации “Приз зрительских симпатий” награждаются грамотами техникума.
Лист оценки интернет-странички продукта и итоговый протокол представлены в Приложении Б.
8 Вычерчивание однолинейной схемы электроснабжения для курсового проекта «Электроснабжение отрасли»
8.1 Задание
В данной работе необходимо показать применение полученных в ходе изучения курса умений и навыков для выполнения курсового проекта по дисциплине «Электроснабжение отрасли» с помощью КОМПАС-ГРАФИК. Решение поставленной задачи рекомендуется выполнять в следующей последовательности:
а) составить макет схемы, используя данные по расчету электроснабжения цеха;
б) начертить схему с соблюдением всех требований ГОСТ и ЕСКД в КОМПАС-ГРАФИК;
в) вывести схему на лист формата А4;
г) показать выполненное задание преподавателю.
При вычерчивании схемы рекомендуется пользоваться методическими указаниями к оформлению графической части курсовых и дипломных проектов.
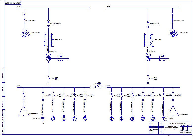
Пример однолинейной схемы электроснабжения представлен в Приложении В.
(обязательное)
Лист оценки мультимедийного продукта и итоговый протокол
Лист оценки мультимедийного продукта
ФИО участника |
Группа | Спец. | Критерии оценки | |||
Полнота |
Творческий подход | Сложность технологии изготовления | Оригинальность, занимательность. Особое мнение | |||
| 20 баллов | 10 баллов | 10 баллов | 10 баллов | |||
Итоговый протокол
| № | ФИО участника | Группа | Спец. | Количество набранных баллов | Место |
(обязательное)
Лист оценки интернет-странички и итоговый протокол
Лист оценки интернет-странички
ФИО участника |
Группа | Спец. | Критерии оценки | |||
Полнота |
Творческий подход | Сложность технологии изготовления | Оригинальность, занимательность. Особое мнение | |||
| 20 баллов | 10 баллов | 10 баллов | 10 баллов | |||
Итоговый протокол
| № | ФИО участника | Группа | Спец. | Количество набранных баллов | Место |
(обязательное)
Однолинейная схема электроснабжения
| 18 |

1 Б.Ю. Липкин. Электроснабжение промышленных предприятий и установок. – М.: Высшая школа, 1981.
2 В.Ф. Очков. Mathcad 8 Pro для студентов и инженеров. – М.: КомпьютерПресс, 1999г.
3 Ганенко А.П. и др. Оформление текстовых и графических материалов при подготовке дипломных проектов, курсовых и письменных работ. – М.:Академия, 2000.
4 ГОСТ 2.105.-95, ЕСКД. Общие требования к текстовым документам. – ИПК: Издательство стандартов, 1996.
5 Гузеев В.В. Образовательная технология ХХI века: деятельность, ценности, успех. - М.: Педагогический поиск, 2004.
6 Дьяконов В.П. Интернет. Настольная книга пользователя. Издание четвертое переработанное и дополненное / Дьяконов В.П. – М.: СОЛОН-Р, 2002.
7 Косарев В.П. Компьютерные системы и сети. М.: Финансы и статистика, 1999.
8 Леонтьев В.П. Новейшая энциклопедия персонального компьютера 2003. – М.: ОЛМА-ПРЕСС, 2003.
9 Лихачев Б.Т. Педагогика: курс лекций - М.: Прометей; Юрайт, 1998.
10 Матрос Д.Ш. Управление качеством образования на основе новых информационных технологий и образовательного мониторинга. – М.: Педагогическое Общество России, 2001.
11 Пери, Грег. Освой самостоятельно MicrosoftOffice 2000 за 24 часа.: Уч. пос. – М.: Издательский дом «Вильямс», 2000.
12 Скалеренко А.Б. Общая педагогика - М.: Юнити-Дана, 2006.
13 Справочник по электроснабжению промышленных предприятий. Под общей редакцией А.А.Федорова. – М.: Энергия, 1974.
14 Фигурнов В.Э. IBMPC для пользователя. Изд. 7-е, перераб. И доп.- М.: ИНФРА- М,1997.
15 Харламов И.Ф. Педагогика - М.: Гардарики, 2000.