| Скачать .docx |
Реферат: Шуми у роботі приймачів та детекторів
Шуми у роботі приймачів та детекторів
1 Загальні відомості
В основі роботи детектора лежить генерація електричного струму у відповідь на падаючі фотони. Від нього потрібно уловлювання навіть дуже слабкого оптичного сигналу і відтворення помітного електричного струму. Однак у дійсності електричний сигнал може бути достатньо слабким при рівні оптичної потужності від декількох десятків до декількох сотень нановатт. По цьому в приймачі відбувається посилення електричного сигналу, отриманого від детектора, і можливо спотворення його форми.
Шум є непереборним ефектом, що серйозно обмежує чутливість детектора. Шумом називається будь-яке збурювання електричного чи оптичного характеру, відмінне від корисного сигналу. Сигнал несе корисну інформацію, а шум містить випадковість. Хоча шум може бути присутнім і є присутнім у всіх частинах комунікаційної системи, особливо важливий його рівень на вході в прийомний пристрій. Причина в тім, що прийомний пристрій працює зі слабким сигналом, що втратив свою первісну потужність при передачі. По цьому слабкий у більшості контурів у порівнянні із сигналом шум стає помітним на тлі слабкого сигналу. Того ж рівня шум у передавальному пристрої звичайно несуттєвий, оскільки тут рівень сигналу набагато вище. Отже, шум впливає на поріг чутливості детекторів. Занадто слабкий оптичний сигнал неможливо розрізнити на тлі шуму, для цього необхідно або зменшити рівень шуму, або підсилити сигнал.
У процесі посилення в прийомному пристрої підсилюється не тільки сигнал, але і шум. Деякі види шуму можна отфильтровать за допомогою електронних фільтрів. Зручно мати рівень сигналу більш високий у порівнянні з рівнем шуму, а ще краще мати сильний сигнал і слабкий шум.
Деякі види шуму обумовлені самим фотодетектором. Уже згадувався шум, зв'язаний із процесом мультиплексирования в APD, що порозумівається статистичною природою самого процесу. До інших видів шумів, також важливих для розуміння роботи фотодіодів і волоконної оптики, відносяться дробовий і тепловий шум.
2. Дробовий шум
Дробовий шум виникає внаслідок дискретної природи електронів. Електричний струм не є безупинним однорідним потоком. Це потік окремих дискретних електронів. Нагадаємо, що фотодіод працює завдяки поглинанню фотонів, що ініціюють появу електронно-діркових пара, а ті, у свою чергу, – струму в зовнішньому контурі. Це триступінчастий процес: фотон, електрон-дірка, електрон. Падіння і поглинання кожного фотона і генерація пари носіїв є частинами випадкового процесу. Він протікає як серія дискретних подій, а не однорідний потік. Таким чином, у дійсності струм змінується у залежності від того, наскільки багато чи мало електронно-діркових пар виникло в даний момент часу.
Дробовий шум присутній і тоді, коли світло не падає на детектор. Навіть під час відсутності світла малий дребезг струму генерується за рахунок теплові флуктуацій, причому його рівень збільшується приблизно на 10% при зрості температури на 1 градус. Типове значення шумового струму складає 25 на при 25 градусах.
Дробовий шум визначається виразом
![]()
де q – заряд електрона (
кулон), i – середня сила струму (включаючи фоновий струм і струм сигналу) і В-ширина частотної смуги приймача. З рівняння видно, що дробовий шум підсилюється при росту струму і ширини смуги. Дробовий шум мінімальний, коли є присутнім тільки фоновий струм (коли i=фоновому струму), і росте при виникненні струму, порушуваного оптичним сигналом. Детектор з рівнем фонового струму 2 нА, що працює в частотній смузі 10 МГц, має дробовий шум на рівні 80 пА:
![]()
![]()
3. Тепловий шум
Тепловий шум, чи шум Джонсона-Найквіста, виникає завдяки флуктуаціям опору детектора. Електрони в просторі між електродами поводяться мінливо. Їхня теплова енергія дозволяє їм випадковим образом зміщатися. У кожен момент часу сумарний потік випадкового руху електронів може бути спрямований до одного або до іншого електроду. У такий спосіб з'являється постійно мінливий випадковий струм. Він накладається на корисний струм сигналу і змінює його. Тепловий струм задається виразом
![]()
де k – постійна Больцмана (
Дж/К), Т – абсолютна температура по шкалі Кельвіна, В-ширина частотної смуги приймача і
– опір навантаження. Розглянемо 510-омне навантаження, що працює при абсолютній температурі 298 К. Припустимо ширину смуги в 10 МГц. Тепловий шум дорівнює
.
Тепловий і дробовий шум у приймачі виникають незалежно від оптичної потужності що надходить. Вони визначаються структурою матерії. Вони можуть бути зменшені при поліпшенні пристрою детектора, але позбутися від них цілком неможливо. Сигнал – оптичний, електричний, чи голосовий – обов'язково існує разом із шумом. Після прийому, на стадії наступній після детектирування, відбувається посилення сигналу разом із шумом. Таким чином, сигнал повинний бути істотно сильніше шуму. Якщо амплітуда сигналу дорівнює амплітуді шуму, то це наслідок неадекватного детектирування. При адекватному детектируванні амплітуда сигналу повинна мінімум у два рази перевершувати амплітуду шуму.
4. Відношення сигнал/шум
Відношення сигнал/шум (SNR) – загальноприйнятий спосіб вираження якості сигналу в системі. Це просте відношення середньої енергії сигналу до середньої енергії шумів різної природи.
![]()
У децибелах SNR дорівнює
![]()
Якщо сигнал має потужність 50 мкВт, а потужність шуму дорівнює 50 нВт, то дане відношення дорівнює 1000, чи 30 дБ.
Великі значення SNR відповідають ситуації, коли сигнал істотно перевищує шум. Потужність сигналу залежить від потужності оптичного сигналу що надходить. У різних випадках вимагаються різні значення SNR. Відношення сигнал/шум для телефонних ліній менше аналогічного параметра для телевізійного сигналу, оскільки навіть достатньо високий рівень шумів на телефонній лінії може залишитися непоміченим. Також можна приймати великі звукові перекручування в порівнянні з прийомом телевізійного сигналу. Більш того, переданий в ефір телевізійний сигнал має більш високе значення відношення сигнал/шум, ніж телевізійний сигнал, прийнятим удома. Чому? На переданий в ефірі сигнал накладається шум. По цьому необхідно, щоб навіть після передачі і прийому відношення сигнал/шум залишалося достатньо високим і забезпечувало якісну телевізійну картинку.
5. Відношення біт/помилка
Для цифрових систем існує аналог SNR, що називається відношення біт/помилка (BER). Даний параметр є відношенням кількості правильно переданої інформації, вираженої в бітах, до кількості неправильно переданої інформації. Відношення
означає, що при передачі одного мільярда біт інформації була допущена одна помилка. Подібно SNR вимоги до величини відношення біт/помилка залежать від області застосування. Вимоги до цифрової телефонії нижче, ніж до цифрових комп'ютерних даних, вони співвідносяться як
к.
Декілька помилково переданих біт не викликають катастрофи на телефонній лінії. У той же час декілька неправильних біт інформації в комп'ютерних даних можуть істотно змінити фінансові чи інші дані про оцінки студентів і привести до неправильної роботи програми.
Параметри BER і SNR зв'язані між собою. Краще SNR відповідає краще відношенню BER. Параметр BER залежить також від формату кодування даниому пристрою приймача. Існує техніка детектирування і виправлення помилкових бітов. Неможливо представити просту формулу, що дозволяє виражати один вираз через інший, оскільки їх співвідношення визначається безліччю факторів, таких як пристрій контуру і схема корекції помилкових бітов. У якійсь системі значенню SNR = 22 дБ відповідає значення BER, рівне
. У той же час значенню SNR = 17 дБ відповідає BER =
. В іншому пристрої
BER може досягатися при SNR =18 дБ.
6. Характеристики детекторів
Чутливість детекторів
Чутливістю називається відношення вихідного струму до оптичної енергії, яка виражається в амперах/ват. Оптична енергія робить струм. Типове значення чутливості фотодіода складає від 0.4 до 0.6 А / Вт. Чутливість 0.6 А / Вт означає, що оптична потужність, що надходить, 50 мкВт виробляє струм у 30 мкА:
![]()
де
– струм діода.
Для лавинних фотодіодів типове значення чутливості складає 75 А / Вт. При цьому та ж оптична потужність 50 мкВт виробляє струм силою у 3.75 ма.
![]()
Чутливість змінюється в залежності від довжини хвилі, по цьому вона задається або при довжині хвилі, що відповідає максимуму чутливості, або при довжині хвилі 850 нм або 1300 нм. Кремній є найбільш розповсюдженим матеріалом, використовуваним у детекторах у діапазоні довжин хвиль від 800 до 900 нм. Його пікова чутливість складає 0.7 А / Вт при 900 нм. При довжині хвилі 850 нм чутливість близька до свого максимального значення. В оптичних системах, що працюють на пластикових волокнах, звичайно використовується випромінення видимого діапазону з довжиною хвилі 650 нм. При цьому чутливість фотодіода далека від максимуму і складає від 0.3 до 0.4 А / Вт.
Кремнієві фотодіоди не цілком придатні для більш довгохвильового діапазону 1300 нм і 1550 нм. У цьому діапазоні використовуються германій (Ge) і індій-галій-арсенід (InGaAs). Фотодіод pin-типу на основі InGaAs має достатньо широку область високої чутливості. Даний матеріал на відміну від Si не утворює яскраво виражений пік на кривої чутливості. У діапазоні від 900 до 1650 нм його чутливість не опускається нижче 0.5 А / Вт, що дозволяє використовувати його як для довжини хвилі 1300 нм, так і для 1550 нм.
Квантова ефективність
Квантовою ефективністю називається відношення числа первинних пар електрон-дірка до числа падаючих на матеріал діоду фотонів. Даний параметр є або безрозмірним, або виражається у відсотках. Квантова ефективність яка дорівнює 100% означає, що кожен поглинений фотон призводить до утворення електронно-діркової пари. Типове значення квантової ефективності складає близько 70%, тобто тільки 7-ма пара утвориться в результаті поглинання 10 фотонів. Квантова ефективність відноситься тільки до первинних електронів, але ні в якому разі не до вторинних, які виникають за рахунок ударної іонізації.
Квантова ефективність зв'язана з фундаментальними властивостями напівпровідникової речовини діода і його здатністю трансформувати поглинені фотони в електронно-діркові пари. Чутливість може бути визначена на підставі квантової ефективності:

де е – заряд електрона, h – постійна Планка, с– швидкість світла. Оскільки е, с и h є постійними, чутливість залежить лише від довжини хвилі і квантової ефективності.
Фоновий струм
Раніше уже згадувався фоновий (тіньовий) струм, тобто струм, що виникає через теплові ефекти. Він являє собою нижчий рівень теплового шуму. Тіньовий струм зростає приблизно на 10% з зростанням температури на 1 градус. Він істотно слабший у кремнієвому діоді, використовуваному на більш коротких довжинах хвиль, чим у германієвих чи InGaAs фотодіодах, використовуваних на більш довгих хвилях.
Мінімальна детектована потужність
Мінімальна детектована потужність визначає мінімальний рівень оптичної потужності, що може бути зафіксованим. У найпростішому випадку вона відповідає рівню потужності тіньового струму. Інші джерела шуму також впливають на рівень мінімальної детектованої потужності.
Рівнем шуму діоду p-i-n-типу, що безпосередньо вказує на мінімум детектованої потужності, називається відношення сили шумового струму до чутливості:
Рівень шуму дорівнює шум на чутливість.
Як перше наближення використовується значення тіньового струму для одержання оцінки рівня шуму. Розглянемо діод pin-типу з R=0,5 мкА/мкВт і тіньовим струмом силой у 2 нА. Мінімальна детектуема потужність дорівнює
Рівень шуму
![]()
Більш точні оцінки повинні враховувати інші види шумів, такі як теплової і дробовий. Отже, шум залежить від струму, температури, опору навантаження і смуги пропущення.
Час відгуку
Часом відгуку називається час, що потрібний фотодіоду для перетворення оптичної енергії яка надійшла в електричний струм. За аналогією з джерелами, час відгуку задається часом наростання і спаду сигналу між точками, що відповідають 10% і 90% рівням максимальної амплітуди. Час наростання коливається від 0,5 нс до десятків наносекунд і лімітується швидкістю переміщення носіїв через збіднену зону. Він також залежить від прикладеної напруги: більш високому рівню напруги відповідає менший час наростання. Діод pin-типу може мати час наростання 5 нс при 15 В і 1 нс при 90 В.
Час відгуку є зв'язаним з частотною смугою пропускання діода. Частотна смуга може бути оцінена на основі часу відгуку:

Частотна смуга пропускання, чи робочий діапазон фотодіода обмежується як часом наростання, так і постійною RC, вплив якої домінує при повільних швидкостях. Частотна смуга, лімітована RC-константою, дорівнює

де
– опір навантаження і
– ємність діода. Час наростання
контуру дорівнює
.
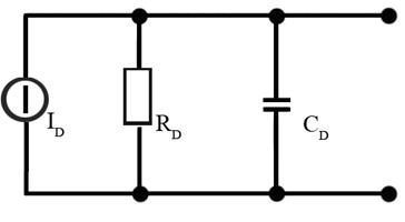
На рис. 2 зображений електричний контур, еквівалентний діоду pin-типу. Він складається з джерела струму, підключеного паралельно опору і ємності, і працює як низькочастотний фільтр, що пропускає низькі частоти і затримує високі. Частота відсічення, якій відповідає загасання у 3 дБ (чи 50%), визначає верхню границю частотного діапазону (смуги пропускання). Частоти вище частоти відсічення не є робочими.
Діоди, призначені для високошвидкісних систем, повинні мати ємності завбільшки декілька пікофарад і менші. Ємність діода pin-типу являє собою ємність контактів р-i-n шарів, а також конструктивні ємності елементів підключення і кріплення. Розглянемо фотодіод з часом реакції 1 нс і ємністю 2 пФ. Його робоча частотна смуга пропускання (BW) дорівнює
.
Для визначення діапазону параметрів, при яких відсутній вплив постійної RC на частотну смугу, потрібно обчислити максимальне значення опору, що відповідає отриманому раніше значенню ширини частотної смуги.

Рисунок 2 – Електрична модель Р-I-Nдіода