| Скачать .docx |
Курсовая работа: Автоматизированная разработка печатного узла в пакете OrCAD
Курсовая работа
По дисциплине: "Автоматизация проектирования РЭС"
По теме: "Автоматизированнаяразработка печатного узла в пакете OrCAD"
Содержание
Введение
1.Анализ схемы электрической принципиальной, выбор элементной базы
2.Автоматизированная разработка схемы и ее моделирование
3.Автоматизированная разработка конструкции печатного узла
Заключение
Литература
Введение
Курсовой проект направлен на автоматизированную разработку печатного узла в пакете OrCAD.
Исходные данные: схема электрическая принципиальная устройства «Частотный селектор с формирователем коротких импульсов».
Задачами данного проекта являются:
· Анализ схемы электрической принципиальной
· Выбор элементной базы
· Автоматизированная разработка схемы и её моделирование
· Автоматизированная разработка конструкции печатного узла
Выходными данными курсового проекта являются:
· Чертеж топологии печатной платы
· Сборочный чертеж печатного узла
Проектирование электронной аппаратуры представляет собой итерационный процесс, состоящий из этапов функционального проектирования, разработки принципиальной схемы, разработки печатной платы, ее изготовления, проведения испытаний, доработки по их результатам функциональной или принципиальной схемы, внесения изменений в печатную плату и т.д. и осуществляемый до тех пор, пока не будут удовлетворены все требования технического задания. Например, на фирме PhillipsSemiconductor при разработке радиочастотных схем приходится изготавливать три варианта печатных плат.
С повышением сложности аппаратуры, переходом к более высоким диапазонам частот, применением смешанных цифро-аналоговых устройств число итераций увеличивается. Связано это с тем, что аналитически трудно учесть паразитные эффекты, присущие как электронным компонентам, так и проводникам печатных плат, и их взаимное влияние. Единственный выход из положения заключается в организации сквозного цикла автоматизированного проектирования аппаратуры, включающего в себя моделирование как идеальной схемы, так и реальной конструкции и её испытаний при действии дестабилизирующих факторов и учета разброса параметров. Наиболее полно эти задачи решаются на рабочих станциях с применением программного обеспечения корпораций MentorGraphics, Cadence и др. Однако дороговизна такого решения делает его невозможным для широкого применения. На платформе персональных компьютеров на начальном этапе распространения в нашей стране САПР электронной наибольшее распространение получили, пожалуй, пакеты программ P-CAD и OrCAD на платформе DOS. Оба пакета решали примерно одинаковые задачи: графический ввод принципиальных схем и разработка печатных плат, моделирование цифровых устройств и проектирование программируемых логических интегральных схем (ПЛИС). Моделирование аналоговых устройств предлагалось выполнять с помощью программы PSpice фирмы MicroSim. Однако однозначно ответить на вопрос: «Что лучше, P-CAD или OrCAD?» – невозможно.
Каждый из этих пакетов имеет свои особенности, определяющие круг пользователей.
Пакет P-CAD стал фактическим стандартом на промышленных предприятиях, обеспечивая выпуск конструкторской и технологической документации. OrCAD для DOS имел очень удобный редактор принципиальных схем, что обусловило его популярность. Однако редактор печатных плат и средства вывода данных на периферийные устройства были удобнее в P-CAD. Поэтому после создания в OrCAD принципиальных схем обычно списки соединений передавались в P-CAD для вывода схем на принтер или плоттер и разработки печатной платы. Однако с появлением новых версий этих пакетов ситуация изменилась. Именно поэтому выполнение курсового проекта было предложено провести с использованием системы OrCAD, как одной из современных систем, обеспечивающих сквозное проектирование аналого-цифровой аппаратуры.
1. Анализ схемы электрической принципиальной и выбор элементной базы
Элементы DD2.1-DD2.2 представляют собой усилитель с емкостной обратной связью (конденсатор С1) для получения на его выходе резких прямоугольных перепадов. Эти перепады поступают на вход триггера делителя на 2, собранного на микросхеме DD1 (CD4013A). С прямого выхода триггера DD2 сигнал поступает на дифференцирующую цепочку R1C2 (рис. 1).

Рис. 1 – Отображение работы дифференцирующей цепочки.
С дифференцирующей цепочки сигнал поступает на вход импульсного усилителя – формирователя импульсов малой длительности (порядка 10 мкс), построенного на элементах DD2-DD6. На рисунке 2 данный сигнал показан синим цветом.

Рис. 2 – Отображение сигнала на выходе импульсного усилителя
Вторая часть схемы, включающая в себя элементы R2C3 и DD3.1-DD3.3, работает по такому же принципу.
Входными сигналами являются сигнал задающего генератора (прямоугольные импульсы частотой 40 Гц). Выходным сигналом является импульс малой длительности.
Элементная база для выполнения данной схемы выбиралась из следующих соображений:
· соответствие компонентов предъявленным к ним требованиям;
· распространенность компонентов;
· дешевизна компонентов и как следствие дешевизна конечной конструкции.
2. Автоматизированная разработка схемы и ее моделирование
Электрическая схема разрабатывается в редакторе Capture являющимся компонентом пакета OrCAD. С помощью службы ICA имеется доступ к базе данных, содержащей сведения о 200 тыс. компонентов различных фирм. Программа PSpice A/D применяется для моделирования цифровых, аналоговых и цифро-аналоговых схем, описанных в формате PSpice. Разработка печатных плат производится с помощью встроенной программы Layout. В САПР OrCAD может быть создано четыре вида исходных представлений проектов:
- Analog or Mixed – Signal Circuit – моделирование аналоговых, цифровых и цифро-аналоговых схем;
- PC Board – печатные платы с возможностью моделирования схем в PSpiceA/D и цифровых схем в ExpressPlus;
- Programmable Logic – моделирование цифровых схем и синтез программируемой логики;
- Schematic – создание и документирование принципиальных схем.
Так как необходимо моделирование схемы, то первоначально создается пакет Analog or Mixed. Для создания непосредственно самой схемы из дерева пакета выбирается элемент PAGE представляющий собой полотно с расположенной координатной сеткой (Рис. 2).

Рис. 1 – Общий вид редактора при выборе компонента PAGE
Компоненты размещаются по команде Place / Part. В диалоговом окне сначала в поле Libraries выбирается имя библиотеки, содержание которой отображается на панели Part. Для добавления библиотек нажимается кнопка Add Library и добавляется необходимая библиотека. Далее выбирается имя конкретного компонента (его изображение отображается в окне), нажимается OK и символ компонента переносится на схему. Место установки компонента фиксируется щелчком левой кнопки мышки (ЛКМ).
Установленные элементы соединяются согласно схеме электрической принципиальной проводниками по команде Place / Wire. Начало ввода цепи отмечается щелчком ЛКМ. Цепь прокладывается движением курсора. Каждый излом фиксируется щелчком ЛКМ. Ввод цепи завершился, если ее конец совпадает с выводом компонента или любой точкой другой цепи. Если Вы не попали курсором на вывод компонента, то появляется предупреждение в виде восклицательного знака. Если при этом завершить проведение цепи, то соединения не будет. Режим ввода цепи завершается нажатием клавиши ESC или выбором команды End Wire в контекстном меню, открываемом щелчком ПКМ.

Рис. 2 – Результат создания схемы
Для создания моделирования создается файл *.sim, называемый файлом моделирования. В него заносятся вид анализа и глобальные параметры моделирования.
Новый файл создается по команде PSpice / NewSimulationProfile. В появившемся окне записывается имя файла и нажимается кнопка Create.
После создания профиля производиться задание вида входных сигналов из контекстного меню источников сигнала. При моделировании возможно создание сигналов «0», «1», прямоугольных, синусоидальных и других сигналов определённой частоты и длительности. Задание сигналов производиться в окне StimulusEditor.

Рис. 3 – Окно StimulusEditor с заданными входными сигналами
Контроль выходных и входных величин осуществляется посредством установки маркеров в контрольных точках.

Рис. 4 – Вид схемы с маркерами
После того, как схема нарисована, необходимо задать профиль моделирования в меню PSpice-EditSimulationProfile.
Моделирование режимов, заданных в профиле начинается после выбора в меню PSpice команды Run или нажатию кнопки F11.
Результат анализа отображается в окне PSpiceA/D.

Рис. 5 – Окно PSpiceA/D с отображенными диаграммами работы схемы.
Рисунок 5 иллюстрирует принцип работы устройства, описанный в 1-м разделе.
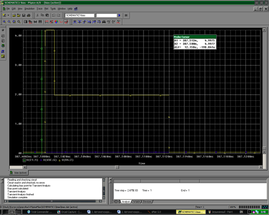
На рисунке 6 снизу виден один из коротких выходных импульсов. Установив маркеры на фронт и спад импульса можно измерить его длину. В окне ProbeCursor можно увидеть расстояние между этими двумя маркерами – dif = 12,15 мкс.

Рис. 6 – Отображение короткого импульса на выходе
3. Автоматизированная разработка конструкции печатного узла
Проектирование печатных плат производиться в модуле LAYOUT PLUS. Предварительно необходимо создать по команде Tools/Create Netlist список соединений. В окне выбирается формат Layout и устанавливается метрическая система измерений (миллиметры). Нажимается ОК. В результате создается файл *.mnl со списком соединений. После чего закрывается проект и модуль Capture.
Разработка ПП начинается с загрузки модуля Layout Plus. Далее выполняется команда File / New. В диалоговом окне запрашивается имя технологического шаблона. В шаблоны заложены различные технологические нормы.
Выбирается нужный шаблон и нажимается «Открыть». В следующем окне указывается имя файла списка соединений *.mnl из рабочего проекта.
Нажимается кнопка «Открыть». И в последнем окне устанавливается имя файла создаваемой ПП *.max. Нажимается кнопка «Сохранить». В процессе загрузки списка соединений (упаковка схемы на ПП) для каждого условного графического обозначения элемента схемы отыскивается в библиотеке корпусов компонентов соответствующий корпус. Если обнаружится компонент, не имеющий ссылок на корпус, то выводится диалоговое окно для определения корпуса.
В центре экрана расположен пунктирный прямоугольник, окружающий область DRC Box, внутри которой при разработке ПП в автоматическом режиме соблюдаются все установленные технологические ограничения.
Естественно, когда эта область совпадает с контуром ПП. Для задания новой области DRC Box выполняют команду View / Zoom DRC Route Box, устанавливают значок Z в один из углов ПП и, удерживая нажатой ЛКМ, перемещают значок диагонально в другой угол ПП. Для перемещения области DRC Box после выполнения команды View / Zoom DRC Route Box производится щелчок ЛКМ, после чего область DRC Box перемещается вместе с курсором.

Рис. 1 – Габариты элементов и межвыводные связи
Для размещения компонентов на поле печатной платывычерчивается контур ПП по команде Tool / Obstacle / New. Нажав ЛКМ в одном из углов вычерчиваемой ПП и удерживая ее, перемещаем мышку по диагонали. Создается прямоугольный контур ПП. Толщину линии контура можно отредактировать в окне, открывающемся после двойного щелчка ЛКМ на линии контура ПП.

Рис. 2 – Создание габаритов печатной платы
Размещать компоненты можно вручную, выделяя и перемещая их. Для этого надо выполнить команду выбора компонента: Tool / Component / Select Tool (значок команды). Затем выделить компонент щелчком ЛКМ на нем и перемещать компонент движением мышки. Для фиксации компонента нажать ЛКМ. В автоматическом режиме размещение производится по команде Auto / Place / Board. Перед выполнением размещения можно задать правила размещения по команде Options / PlacementStrategy. Можно необходимые компоненты перед автоматическим размещением зафиксировать на ПП (например, разъемы), выбрав компонент и в контекстном меню нажать ЛКМ на строчке Fix.

Рис. 3 – Результат изменения положения элементов на плате
После автоматической расстановки компонентов, выделив компонент, можно просмотреть его связи с соседними компонентами, и, при необходимости, переместить его, повернуть, разместить на обратной стороне ПП и т.д. (команды из контекстного меню).

Рис. 4 – Результат расстановки проводников (Верхний слой)

Рис. 5 – Результат расстановки проводников (Нижний слой)
Автотрассировка проводников производится по команде Auto/ Autoroute / Board. После окончания разводки плата увеличивается на весь экран по команде View / Zoom All, и визуально оцениваются результаты трассировки. Если видно, что некоторые элементы расставлены неоптимальным образом, (например, их желательно переместить, повернуть и т.п.), можно отменить результаты трассировки (команда Auto / Unroute / Board) и переместить элементы вручную.

Рис. 6 – Окончательный вид платы после трассировки
Заключение
В ходе выполнения курсовой работы закрепил знания приёмов работы в пакете OrCAD. Имея в качестве исходных данных схему электрическую принципиальную, смоделировал работу схемы, получил диаграммы работы схемы, выполнил разработку печатной платы, на которой произведена компоновка ЭРЭ схемы и трассировка соединений между ними с соблюдением определенных требований, например, таких как минимизация размеров печатной платы, минимизация суммарной длины печатных проводников и т.д.
Необходимо заметить, что благодаря использованию средств автоматизированного проектирования, таких как OrCAD, время и трудоёмкость разработки конечного устройства и печатной платы, в частности, значительно уменьшаются.
Литература
1. Разевиг В.Д. Система проектирования цифровых устройств OrCAD. – М.: «Солон – Р», 2000.
2. Конспект лекций по курсу «Математическое моделирование в микроэлектронике» (Часть 3) 621.396.69 (07), Таганрогский государственный радиотехнический университет.
3. Хайнеман Р. PSpice.моделирование работы электронных схем. «ДМК-Пресс», Москва, 2005.
4. Шило В.Л. Популярные микросхемы КМОП. Справочник. – «Ягуар», Москва, 1993