| Скачать .docx |
Реферат: Цифровые системы радиоавтоматики. Примеры реализации цифровых следящих систем
БЕЛОРУССКИЙ ГОСУДАРСТВЕННЫЙ УНИВЕРСИТЕТ ИНФОРМАТИКИ И РАДИОЭЛЕКТРОНИКИ
Кафедра РТС
РЕФЕРАТ
На тему:
“Цифровые системы радиоавтоматики.
Примеры реализации цифровых следящих систем”
МИНСК, 2008
Цифровой опорный генератор на линии задержки с отводами. Рассмотренные выше схемы опорных генераторов требуют для обеспечения необходимого (достаточно малого) дискрета подстройки, определяющего точность слежения, чтобы частота задающего генератора существенно превышала частоту входного сигнала. Это ограничивает применение схемы при высокой частоте входного сигнала, вследствие ограниченного быстродействия элементной базы. Ниже рассматриваются схемы опорных генераторов, позволяющие расширить частотный диапазон применения.
Опорный генератор на линии задержки с отводами (рис.1) обеспечивает формирование опорного сигнала с частотой, равной частоте задающего генератора.

Рис.1. Параметры линии задержки определяются соотношениями:
;
![]()
Дискрет подстройки фазы равен
.
На выходах линии задержки формируется многофазная импульсная последовательность (рис.2).

Рис.2. Многофазная импульсная последовательность
Мультиплексор коммутирует импульсную последовательность в соответствии с адресом, поступившим с реверсивного счетчика. Схема привязки обеспечивает привязку момента смены показаний счетчика к выходному сигналу (для предотвращения их совпадения).
В анализируемой схеме задержка формируется по закону унитарного кода.
Рассмотрим схему, в которой формирование задержки производится по принципу позиционной системы счисления. Величина дискрета задержки в разрядах (вес разряда) определяется положением разряда, а количество дискретов задержки в разряде – выбранным основанием (базисом).
Пусть ![]()
=
,
где
выбранный базис системы счисления; n ─ число разрядов позиционного кода. Суммарная задержка (
-
) может быть набрана с помощью последовательно включенных n линий задержки. Дискрет задержки каждой последующей линии возрастает пропорционально выбранному базису
. Дискрет коррекции фазы опорного сигнала определяется величиной дискрета задержки
первой линии, образующей младший разряд. Задержка первой линии равна
. Дискрет задержки второй линии ─
а суммарная задержка ─
и т.д. Дискрет задержки n-й линии равен
, а суммарная величина задержки ─
Необходимая величина относительной нестабильности линии задержки составляет ![]()
Схема дискретного фазовращателя приведена на рис.3.
Задающий генератор генерирует сигнал стабильной частоты. С помощью элементов задержки и переключателей производится задержка сигнала задающего генератора по закону управляющего кода. В качестве переключателей могут быть использованы элементы 2И-ИЛИ. Реверсивный счетчик предназначен для формирования управляющего кода. Запоминающее устройство обеспечивает хранение управляющего кода и привязку моментов его изменения к выходным сигналам элементов задержки, что исключает возможность переключения входов и выходов элементов задержки в момент присутствия на входах переключателей сигналов.
Дискрет подстройки фазы управляемого сигнала равен 2
/
. Объем оборудования, необходимый для построения цифрового фазовращателя, определяется в основном числом отводов, являющихся входами мультиплексоров. Число входов определяет сложность мультиплексоров, коэффициенты пересчета счетчиков, формирующих управляющий код. В соответствии с этим критерием оптимальным является дискретный фазовращатель с линией задержки сформированной по принципу формирования двоичного кода.

Рис.3. Функциональная схема дискретного фазовращателя:
Зг - задающий генератор; Эз1,…, Эзn – элементы задаржки; П1,…, Пn – переключатели; РС – реверсивный счетчик; ЗУ – запоминающее устройство.
Рассмотренные технические решения обеспечивают работу задающего генератора на частоте входного сигнала, что позволяет существенно расширить частотный диапазон применения ЦСФС. Однако для реализации систем необходимо наличие линий задержки с широким перечнем номиналов. Использование аналоговых линий задержки, кроме того требует применения схем согласования со входами цифровых элементов.
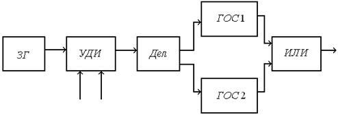
Формирование опорного сигнала методом временной трансформации. Рассмотрим сущность метода, иллюстрируемого схемой (рис.4)

Рис.4. Схема опорного генератора: ЗГ – задающий генератор; УДИ – устройство добавления-исключения; Дел – делитель; ГОС 1, ГОС 2 – генераторы опорного сигнала; ИЛИ – логический элемент.
Из высокостабильного сигнала задающего генератора ЗГ делением его частоты формируется управляемый синхросигнал, которым периодически фазируются коммутируемые генераторы опорного сигнала (ГОС). Фаза управляемого сигнала корректируется с помощью УДВ. В качестве ГОС используются генераторы ударного возбуждения, запуск которых производится по срезу управляемого синхросигнала, а гашение колебаний – по фронту. ГОС генерирует сигнал при наличии на управляющем входе уровня логического нуля.
Частоты опорного сигнала (ОС) и сигнала задающего генератора определяются одним из следующих соотношений:
(1)
или
, (2)
гдеm>>1, число, определяющее величину дискрета подстройки. Пусть соотношения частот
и
определяются выражением
=
или
=
, (3)
где
─ период сигнала ЗГ;
─ период ОС.
Период регулирования формируется путем деления импульсной последовательностизадающего генератора на 2m. При этом период синхросигнала при отсутствии коррекции равен
, а период регулирования ГОС –
, т. е.
(4)
Таким образом, период синхросигнала равен целому числу (m) периодов сигнала ЗГ и целому числу (
) периодов ОС.
Поэтому при отсутствии импульсов коррекции на входе УДИ периодическое фазирование ГОС синхросигналом не приведет к разрыву фазы опорного сигнала.
Добавление с помощью УДИ импульса коррекции в последовательность, формируемую ЗГ, приведет к уменьшению периода регулирования на величину
:
. (5)
уменьшение
в единицах периода ГОС составит:
(6)
Поскольку фаза ОС жестко “привязана” к фронту синхросигнала, то изменение периода следования последнего на величину
приведет к сдвигу на опережение временного положения фронта синхросигнала относительно нулевой фазы ОС, в силу периодичности ОС на величину:
![]()
что соответствует сдвигу по фазе опорного сигнала на дискрет, равный
.
Вычитание импульса из последовательности ЗГ приведет к увеличению периода регулирования на
:
![]()
что приведет к сдвигу на отставание временного положения фронта синхросигнала относительно нулевой фазы ОС на величину
-![]()
что соответствует сдвигу по фазе опорного сигнала на дискрет, равный
.
В качестве фазируемых ГОС могут быть использованы генераторы ударного возбуждения, поочередно коммутируемые синхросигналом, генераторы прямоугольных импульсов, в том числе генераторы релаксационного типа. Необходимость фазирования внешним сигналом, обеспечения малой длительности переходных процессов, простоты реализации предполагают использование ГОС с невысокими требованиями к их стабильности.
Требования к стабильности частоты генераторов. Определим требования к стабильности ГОС.
Пусть
определяется выражением 5. Тогда на временном интервале, равном
ГОС работает в режиме свободных колебаний. При этом “набег” фазы ОС относительно ЗГ
обусловленный взаимной нестабильностью частот
и
растет по линейному закону.
Периодическая функция
может быть определена следующим образом:
, при
, (7)
где
- взаимная нестабильность частот
и
. При высокой стабильности задающего генератора величина
определяет относительную нестабильность ГОС.
Максимальный набег фазы на интервале периода регулирования составит величину
![]()
Среднее значение процесса
и дисперсию
найдем усреднением
по времени.
; (8)
. (9)
Среднеквадратическое отклонение “набега” фазы:
. (10)
Максимальное отклонение относительно среднего значения равно
![]()
Таким образом, максимальное отклонение набега фазы относительно среднего значения равно
![]()
Интенсивность флуктуаций фазы относительно среднего значения в отсутствие шумов на входе определяет ошибку синхронизации в системе, построенной на основе анализируемого цифрового управляемого генератора, поскольку в стационарном режиме система отслеживает среднее значение.
Известно, что максимальная ошибка синхронизации ЦСФС, обусловленная дискретностью коррекции фазы в отсутствие шумов на входе равна величине дискрета подстройки фазы (2
).
Приняв величину
за максимально допустимое отклонение относительно среднего значения:
![]()
/
m,
определим допустимую нестабильность частоты ГОС
![]()
,![]()
где
– относительная нестабильность частот ЗГ и ГОС.
Выполнение этого условия позволит при расчете динамической ошибки слежения учитывать нестабильность задающего генератора.
Расчетные величины относительной нестабильности представлены в табл.1. Выполнение этого условия позволит в формуле для расчета динамической ошибки слежения учитывать нестабильность задающего генератора.
Результаты расчета показывают, что приемлемая точность может быть достигнута при относительной нестабильности
, что может быть обеспечено при использовании LC-генераторов.
Если частота эталонного сигнала меньше предельной частоты переключения элементной базы, цифровой управляемый генератор может быть выполнен по комбинированной схеме с использованием делителя. При этом увеличением дискрета подстройки снижаются требования к стабильности ГОС. Для сохранения заданной величины дискрета подстройки пропорционально увеличивается частота ЗГ и ГОС и производится последующее деление опорного сигнала до частоты эталонного.
Таким образом, использование метода временной трансформации позволяет значительно (в десятки раз) расширить частотный диапазон работы ЦСФС.
Таблица 1. Зависимость допустимых значений относительной нестабильности синхронизируемых генераторов от величины дискрета подстройки по фазе. ![]()
№ п/п |
|
|
| 1 | 3*10-5 | |
| 2 | 2*10-4 | |
| 3 | 4,8*10-4 | |
| 4 | 1,9*10-3 |
Примеры реализации цифровых следящих систем
В качестве примеров рассмотрим схемы цифровых систем ФАПЧ с астатизмом второго порядка, реализующие методы дискретного управления фазой и дискретного управления частотой.
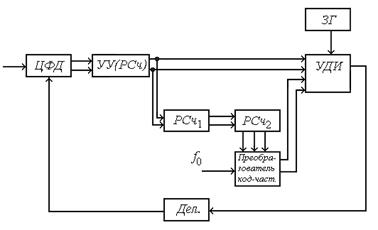
Схема ЦФАПЧ с дискретным управлением фазой приведена на рис.5.

Рис.5. Схема ФАПЧ с дискретным управлением фазой.
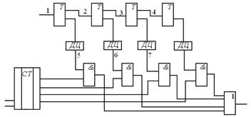
Система состоит из двух колец регулирования: пропорционального и интегрирующего, Интегрирующее включает реверсивные счетчики РСч1 и РСч2 и преобразователь код-частота. Расстройка между частотой входного и опорного сигналов приводит к преобладанию импульсов счетно - импульсного кода на одном из выходов ЦФД. В результате этого реверсивный счетчик УУ будет переполняться по одному из входов и на вход интегратора РСч1, РСч2 будут поступать импульсы переполнения. В интеграторе накопится код, пропорциональный частотной расстройке. Этот код является управляющим для преобразователя код-частота. В результате на выходе ПКЧ сформируется последовательность импульсов с постоянной частотой, пропорциональной частотной расстройке. Имульсы поступают на УДИ и осуществляют коррекцию частоты опорного сигнала, равную в установившемся режиме первоначальной частотной расстройке. В качестве ПКЧ может быть использован цифровой синтезатор частот с суммированием импульсных последовательностей (рис.6).

Рис.6. Схема цифрового синтезатора частот с суммированием импульных последовательностей: ДЦ – дифференцирующая цепь.
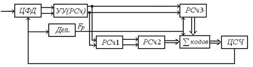
Цифровая схема ФАПЧ с дискретным управлением частотой приведена на рис.7.

Рис.7. Схема ФАПЧ с дискретным управлением частотой
Сумматор кодов содержит полный код частоты, который управляет частотой цифрового синтезатора частоты. Реверсивный счетчик 2 постоянно подключен к сумматору кодов, а РС 3 периодически подключается к сумматору и его код переписывается в сумматор, а затем сбрасывается (запись и сброс производится импульсом с делителя).
Таким образом, информация РС 3 обновляется каждый период (с частотой регулирования
). Сумматор кодов должен обладать памятью, т. е. является сумматором накапливающего типа.
ЛИТЕРАТУРА
1. Коновалов. Г.Ф. Радиоавтоматика: Учебник для вузов. – М.: Высш. шк., 2000.
2. Радиоавтоматика: Учеб. пособие для вузов. / Под ред. В.А. Бесекерского. - М.: Высш. шк., 2005.
3. Первачев С.В. Радиоавтоматика: Учебник для вузов. - М.: Радио и связь, 2002.
4. Цифровые системы фазовой синхронизации / Под ред. М.И. Жодзишского – М.: Радио, 2000.