| Скачать .docx |
Реферат: Функции алгебры логики. Логический базис
БЕЛОРУССКИЙ ГОСУДАРСТВЕННЫЙ УНИВЕРСИТЕТ ИНФОРМАТИКИ И РАДИОЭЛЕКТРОНИКИ
Кафедра радиотехнических устройств
РЕФЕРАТ
На тему:
«Функции алгебры логики. Логический базис»
МИНСК, 2008
1. Функции алгебры логики (ФАЛ)
Радиоэлектроника в настоящее время во многом определяет научно- технический прогресс и объединяет ряд отдельных областей науки и техники, развившихся из радиотехники и электроники.
Радиотехника - область науки и техники, связанная с разработкой устройств и систем, обеспечивающих генерирование, усиление, преобразование, хранение, а также излучение и прием электромагнитных колебаний радиочастотного диапазона, используемых для передачи информации.
В современных радиотехнических системах и комплексах до 90% разрабатываемых устройств реализуется на элементах цифровой и вычислительной техники и используются цифровые методы обработки сигналов.
В настоящее время бурно развивается по экспоненциальному закону вычислительная техника и ее элементная база. А не так давно первые интегральные микросхемы (1958 год) содержали до десяти транзисторов. Сегодня современные микропроцессоры содержат до 10 миллионов транзисторов на один кристалл, и менее чем через десять лет это число достигнет 100 миллионов транзисторов.
Уже отошла в историю дискретная схемотехника, когда различные узлы строились на печатных платах с использованием отдельных навесных радиоэлектронных компонентов: транзисторов, резисторов, конденсаторов и других элементов. Ранее соединения выполнялись с помощью внешнего печатного монтажа, теперь соединения и монтаж осуществляется внутри кристалла. Поэтому современный инженер электронной техники должен владеть передовыми методами и технологиями, чтобы уметь приспособить их завтра к вычислительной технике будущих поколений, овладеть практическими приемами проектирования устройств на программируемых логических интегральных схемах.
Логические выражения n двоичных переменных с помощью конечного числа логических операций можно рассматривать как некоторую функцию, отражающую взаимную связь между входными и выходными переменными. Логические операции конъюнкции
и дизъюнкции
можно представить простейшими функциями вида:
и
. Эти функции называются аналогично логическим операциям – функциями И и ИЛИ.
Такие ФАЛ подобно логическим выражениям могут быть заданы аналитическим и табличным способами.
При аналитическом способе ФАЛ задается в виде логических выражений, получаемых путем логических преобразований с помощью законов и правил Булевой алгебры.
При табличном способе ФАЛ задается таблицей истинности, где число всех возможных наборов (комбинаций) аргументов конечно. Если число аргументов ФАЛ равно n, то число их возможных наборов
, а число различных функций
, тогда при n=2, F=16. Составим таблицу истинности для функций двух аргументов.
Таблица 1.
| Аргументы | Функции | ||||||||||||||||
| 0 | 0 | 0 | 0 | 0 | 0 | 0 | 0 | 0 | 0 | 1 | 1 | 1 | 1 | 1 | 1 | 1 | 1 |
| 0 | 1 | 0 | 0 | 0 | 0 | 1 | 1 | 1 | 1 | 0 | 0 | 0 | 0 | 1 | 1 | 1 | 1 |
| 1 | 0 | 0 | 0 | 1 | 1 | 0 | 0 | 1 | 1 | 0 | 0 | 1 | 1 | 0 | 0 | 1 | 1 |
| 1 | 1 | 0 | 1 | 0 | 1 | 0 | 1 | 0 | 1 | 0 | 1 | 0 | 1 | 0 | 1 | 0 | 1 |
В таблице 1 приведены элементарные ФАЛ
двух аргументов. В левой части таблицы перечислены все возможные наборы аргументов
и
, в правой части приведены значения ФАЛ на соответствующих входных наборах. Значения всей совокупности этих наборов переменных представлены в таблице последовательностью чисел в двоичной системе счисления.
Каждая ФАЛ
обозначает одну из 16 возможных логических операций над двумя переменными
и
, имеет свою таблицу истинности, собственное название и условное обозначение.
Основные сведения об элементарных функциях
даны в таблице 2. Таблицы истинности для каждой ФАЛ составляются отдельно по таблице 1.
Таблица 2
| Операционные символы | Обозначения, названия | Зарубежные аналоги | |
| 0 | Константа 0 | Const 0 | |
PeersF. |
|||
|
|||
| Implicator |
|||
| 1 |
Генератор 1 |
Generator 1 |
В таблице 2 часто применяемыми являются функции:
-повторители 1-го и 2-го аргументов;
– инверсии 1-го и 2-го аргументов;
– функция И (конъюнкция), логическое умножение;
– функция И-НЕ (базис Шеффера);
– функция ИЛИ (дизъюнкция), логическое сложение;
– функция ИЛИ-НЕ (базис Пирса);
– функция неравнозначности, реализуется ЛЭ “Исключающее ИЛИ” (сумматор по модулю два);
– функция равнозначности реализуется ЛЭ “Исключающее ИЛИ-НЕ”.
Рассмотренные элементарные функции двух аргументов
играют важную роль при преобразованиях сложных логических выражений, а также при преобразовании функциональных цифровых узлов.
Функции n переменных, значения которых заданы во всех точках области определения, считаются полностью определенными ФАЛ. Если какая-либо функция имеет запрещенные наборы переменных и ее значения на указанных наборах не определены, то такая ФАЛ называется не полностью определенной. Такие наборы будем отмечать в таблицах истинности (*) и при необходимости доопределять их значениями 0 и 1. Эти вопросы будут рассматриваться позже.
Логические функции, которые считаются полностью определенными, могут быть представлены различными формами.
ДНФ – дизъюнктивная нормальная форма записи ФАЛ представляется в виде суммы (дизъюнкции) ряда элементарных членов (минтермов), каждый из которых является произведением (конъюнкцией) аргументов или их инверсий. Термин “нормальная форма” предполагает, что в логическом выражении, задающем функцию, последовательно выполняются не более двух базовых операций (кроме инверсии).
Запишем ФАЛ в ДНФ:
; (1)
Функцию (3.19) можно записать в виде дизъюнкции минтермов:
,
где
- конъюнкции аргументов ФАЛ, называемые минтермами.
СДНФ – совершенная дизъюнктивная нормальная форма записи ФАЛ представляется в ДНФ, где в каждом элементарном члене (минтерме), имеющем одинаковую размерность, представлены все аргументы функции или их инверсии.
Запишем ФАЛ в СДНФ:
. (2)
Если записать ФАЛ в виде:
, (3)
то форма представления данной функции не является СДНФ, так как второй минтерм не содержит аргумента
, а также не является ДНФ, так как третий минтерм
не является элементарным.
Функцию
можно упростить (минимизировать) и представить минимальной ДНФ (МДНФ).
(4)
Полученные элементарные члены МДНФ называются импликантами.
КНФ – конъюнктивная нормальная форма записи ФАЛ, представляется в виде произведения (конъюнкции) ряда элементарных членов (макстермов), которые являются суммой (дизъюнкцией) аргументов ФАЛ.
Запишем функцию
в КНФ:
. (5)
СКНФ – совершенная конъюнктивная нормальная форма записи ФАЛ представляется в КНФ, где в каждом элементарном члене (макстерме) представлены все аргументы функции либо их инверсии.
Запишем функцию
в СКНФ:
. (6)
По функциям, представленным в СДНФ и СКНФ, можно построить таблицу истинности и наоборот – по таблице истинности можно записать ФАЛ в СДНФ и СКНФ.
На основании общей табл. 1 составим таблицу истинности функции неравнозначности
и запишем ее в СДНФ и СКНФ.

На наборах N(2,3), где функция принимает значения 1, записываем ФАЛ в СДНФ, а на наборах N(1,4) – в СКНФ. При записи ФАЛ в СДНФ аргументы x=0 записываются с инверсией
, а в СКНФ – без инверсии.
При записи функции в СДНФ по таблице истинности необходимо записать столько дизъюнктивных членов (минтермов), представляющих собой конъюнкции всех аргументов, сколько единиц содержит функция в таблице. Минтермы соединяются знаком логического суммирования.
Если в наборе значение аргумента равно нулю, то в конъюнкцию входит инверсия данного аргумента.
При записи ФАЛ в СКНФ необходимо записать столько конъюнктивных членов (макстермов), сколько нулей содержит функция. Макстермы (конъюнкции аргументов) соединяются знаком логического умножения. Если в наборе значение аргумента равно нулю, то в дизъюнкцию входит аргумент без инверсии.
2. Логический базис
Логические функции могут быть реализованы простейшими логическими элементами. Совокупность логических элементов И, ИЛИ, НЕ, с помощью которых можно воспроизвести и реализовать любую ФАЛ, будем называть полным логическим базисом.
Базис И, ИЛИ, НЕ обладает избыточностью и не является минимальным. Из этой совокупности ЛЭ можно исключить логический элемент И (либо ЛЭ ИЛИ), тогда наборы И, НЕ и ИЛИ, НЕ также будут обладать свойством базиса.
При проектировании логических схем вычислительной техники самое широкое применение получили базис Шеффера И-НЕ и базис Пирса ИЛИ-НЕ, обладающие свойством логического базиса.
Следует отметить, что одну и ту же логическую функцию (операцию) можно реализовать в различных базисах. Покажем это на примерах простых логических операций дизъюнкции и конъюнкции:
;
. (7)
Используя законы инверсии
и
, преобразуем логические выражения
:
;
. (8)
Выражения (7) отражают принцип двойственности алгебры логики: если в логическом выражении операцию дизъюнкции заменить на операцию конъюнкции (либо наоборот) и проинвертировать все переменные, то результат окажется инверсным прежнему значению.
Используя принцип двойственности алгебры логики, реализуем логическое выражение (7) в различных базисах.

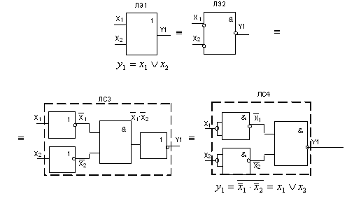
Рис. 2
Из рис.2 следует: если переименовать все входы и выходы логического элемента ЛЭ1 на инверсные значения и заменить ЛЭ
дизъюнкции на ЛЭ2 конъюнкции, то функции дизъюнкции можно выполнить с помощью элементов НЕ, И (ЛС3) либо базиса Шеффера И-НЕ (ЛС4).
Все логические схемы (рис. 2) выполняют логическую операцию (функцию) ИЛИ, которую можно реализовать на однотипных логических элементах И-НЕ, а при наличии инверсных сигналов в проектируемом устройстве – на одном ЛЭ И-НЕ.
На рис. 2 ЛС3 и ЛС4 – логические схемы, в состав которых входят несколько логических элементов ЛЭ.
Аналогично можно показать, что логическую операцию (функцию) И можно выполнить в базисах НЕ, ИЛИ либо в базисе Пирса ИЛИ-НЕ (рис. 3).

Рис. 3
Таким образом, логический базис, представляющий собой совокупность типов логических элементов, может быть выполнен на универсальных логических элементах И-НЕ и ИЛИ-НЕ, выпускаемых промышленностью в интегральном исполнении. Полный логический базис И, ИЛИ, НЕ обычно используется на начальной стадии проектирования функциональных узлов для составления функциональных схем.
ЛИТЕРАТУРА
1. Браммер Ю.А. Цифровые устройства: Учеб. пособие для вузов. –М.:Высш. шк., 2004. –229с.
2. Пухальский Г.И., Новосельцева Т.Я. Цифровые устройства: Учеб. пособие для втузов.- СПб.: Политехника, 1996.- 885 с.
3. Угрюмов Е.П. Цифровая схемотехника: Учеб. пособие для вузов.-СПб: БХВ-Петербург, 2000, 2004. – 528с.