| Скачать .docx |
Реферат: Формула габаритной мощности трансформатора. Дроссели и магнитные усилители
"Белорусский государственный университет
информатики и радиоэлектроники"
Кафедра защиты информации
Реферат
на тему:
"Формула габаритной мощности трансформатора. Дроссели и магнитные усилители "
Минск, 2009
1. Формула габаритной мощности трансформатора
Она связывает технические и эксплуатационные характеристики трансформатора (электрические) с параметрами, определяющими габариты его конструкции (площадь поперечного сечения стали сердечника (
), и площадью окна магнитопровода (
).

Рисунок 1 - Трансформатор
- полная мощность трансформатора
![]()
=![]()
(1)
(2)
- коэффициент заполнения сердечника сталью.
![]()
Если j[А/мм
] - плотность тока, тогда ток в первой обмотке и во второй:
![]()
(3)
(4)
- коэффициент заполнения окна проводами (медью).
=0,2..0,4 (плохо заполняет).
Формула габаритной мощности:
(5)
При проектировании трансформатора габариты сердечника являются искомыми. Поэтому формулу разрешают относительно искомых параметров, которые даны в виде произведения.
(6)
При учете потерь, обуславливающий реальный КПД=η, формула габаритной мощности приобретает следующий вид:
[
] (7)
j=[А/
]; f=[Гц];
=[B*A];
=[Тесла]
Приведенная формула является центральной при проведении расчетов и конструировании трансформаторов. Расчет трансформаторов ведется методом последовательного приближения (инженерного).
Вначале задаются с использованием требований ТЗ (техническое задание) и справочных данных величинами, фигурирующими в правой части формулы и вычисляют ориентировочное значение произведения
.
По величине
, с учетом выбранного критерия оптимальности (min
, minM(массы), minV(габаритов)). Выбираются из стандартных типовых размеров параметры магнитопровода.
Производится электрический расчет обмоток и тепловой расчет для трансформаторов в рабочем режиме. В случае необходимости производится перевыбор сердечника, и все расчеты осуществляются вновь для всех интересующих величин.


а) б)

в)
Рисунок 2 – Ориентировочные зависимости от мощности трансформатора: а) – плотности тока в обмотке; б) – максимального значения магнитной индукции; в) – КПД.
Нагрузочная характеристика и КПД трансформатора

Рисунок 3 – Эквивалентная схема вторичной обмотки

Рисунок 4 – Нагрузочная кривая трансформатора
Какую бы нагрузку мы не включали или как бы не изменяли, ток нам бы хотелось, чтобы напряжение
не изменялось и равнялось
. Но этого не будет.
Анализ показывает, что с ростом потребляемого тока нагрузкой, напряжение на выходе трансформатора не остается неизменным из-за увеличивающегося падения напряжения на его внутреннем сопротивлении и при индуктивном характере нагрузки убывает, а при емкостном – возрастает.
При номинальном значении тока имеются отличия от ЭДС во вторичной обмотке. Нагрузочная характеристика (зависимость напряжения на выходе от потребляемого тока) является важной для любого источника.
При построении нагрузочной характеристики удобно пользоваться не абсолютными значениями тока и напряжения, а нормированными:
![]()
(8)
КПД трансформатора в рабочем режиме складывается из полезной мощности Р и
(9)
с – сталь
м – медь
КПД является функцией коэффициента нагрузки
(
)
(10)
т.е. в разных режимах КПД разное. Причем функция
имеет экстремум:

Рисунок 5 – Зависимость КПД от коэффициента нагрузки ![]()
2. Дроссели. Магнитные усилители (МУ)
Дроссель представляет собой в основном обтекаемую переменным током катушку с ферромагнитным сердечником. Последний резко увеличивает магнитное поле. При одинаковых параметрах дроссель с ферромагнитным сердечником несравненно компактнее, чем катушка без сердечника. Подчеркнем, что при прочих равных условиях индуктивное сопротивление дросселя тем больше, чем лучше магнитные свойства ферромагнетика, т.е. чем больше его магнитная проницаемость.
Все характеристики дросселя обусловливаются свойствами его ферромагнитного сердечника. Вольтамперные характеристики при этом могут быть близкими к линейным, а могут быть и существенно нелинейными.

Рисунок 6 - Типичные конструкции однофазных дросселей открытого исполнения: а) - броневой с ленточным магнитопроводом; б) - стержневой с ленточными сердечниками и двумя катушками в) — тороидальный; г) — броневой с сердечником из штампованных пластин; д) - броневой с креплениями из пластмассы.
Особенности конструкции и работы дросселей в цепях электропитания
Во многих случаях дроссели используются как простые, сглаживающие L – фильтры на выходах выпрямительных устройств. Через дроссель протекает ток сердечника и может привести к насыщению.
Динамическая магнитная проницаемость магнитного материала сердечника уменьшается, индуктивность дросселя резко уменьшается, что приводит к уменьшению сопротивления переменному току.

Рисунок 6 – Зависимость величины магнитной индукции от тока

Рисунок 7 – Схема включения дросселя
Таким образом, желательно, чтобы подмагничивание не являлось излишне выраженным.
Для уменьшения подмагничивания в магнитном сердечнике дросселя вводится немагнитный зазор.

Рисунок 8 - Зависимость величины магнитной индукции от тока
Если ток подмагничивания равен 0, то индуктивность велика.

Рисунок 9
Введение немагнитного зазора позволяет уменьшить зависимость индуктивности дросселя от постоянного тока нагрузки и обеспечить одинаковую эффективность фильтрации при вариации нагрузки.
Если явление намагничивания сердечника в дросселях сглаживающих фильтров носит негативный характер, то в дросселе насыщения или МУ это явление используется и лежит в основе принципа действия таких устройств.
Проектирование дросселей ведется подобно проектированию трансформаторов, и используются формулы трансформаторной ЭДС.
Эквивалентная схема дросселя аналогична схеме трансформатора на ХХ.
Магнитные усилители (МУ)
МУ – это электромагнитные устройства, в которых сопротивление катушки индуктивности переменного тока изменяется посредством подмагничивания ее сердечника с помощью специального токового управления.
Принцип действия МУ:

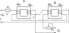
Рисунок 10 – Схема включения МУ

Рисунок 11 – Зависимость выходного тока от входного
Выбирая рабочий диапазон: А-В, можно обеспечить прямую пропорциональность между
и
, т.е. воспринимаем происходящее как усиление входного воздействия, если малое изменение
приводит к значительным изменениям
. Схема, приведенная ранее – это простейший вид МУ. С помощью его можно выполнить регулировку переменного тока в силовых цепях путем достаточно малого изменения
. В принципе
может быть выпрямлен и тогда управление, в конечном счете, будет осуществляться для тока нагрузки.
Если перед
стоит выпрямитель, то это МУ.
Приведенная электромагнитная схема хорошо объясняет принцип работы МУ, однако не работоспособна в практическом применении из-за трансформации энергии переменного тока в маломощном источнике управления.
Рабочие конструкции МУ

Рисунок 12
В приведенной схеме центральный стержень в магнитном отношении работает неэффективно. Можно разделить центральный стержень немагнитным промежутком
. В полученной конструкции два отдельных магнитопровода могут быть вообще разъединены, а
-представлено в виде двух полуобмоток.

Рисунок 13
Последняя электромагнитная схема МУ соответствует следующему рабочему принципу схемы:

Рисунок 14
Коэффициент усиления
Для МУ в стационарном режиме могут быть записаны следующие уравнения равновесия электрического воздействия в рабочей цепи и цепи управления.
![]()
![]()
(11)
Анализ показывает, что из приведенной системы уравнений, записанной для идеализированной электрической модели МУ отсутствуют потоки рассеивания, нет сопротивления проводов, потери в магнитном материале считают идеально симметричными и т.п. Необходимо выполнение следующего уравнения равновесия намагничивающих сил рабочих обмоток и обмоток управления (УРМС).