| Скачать .docx |
Курсовая работа: Курсовая работа: Формирователь импульса тока для запуска лазера
Содержание
Задание. 2
Содержание. 3
1.Принцип действия устройства. 4
1.1. Принцип действия схемы формирователя. 4
1.2. Принцип работы таймера 555 в схеме одиночного запуска. 5
2. Эскизный расчет. 7
2.1. Эскизный расчет схемы формирователя. 7
2.2. Эскизный расчет схемы с таймером. 9
3. Выбор элементов и компонентов схемы.. 11
4. Детальный расчет. 13
4.1. Каскад Дарлингтона. 13
4.2. Операционный усилитель и схема с транзистором VT1. 13
5. Принципиальная схема устройства. 14
6. Анализ качества работы устройства. 15
7. Эскиз размещения элементов и компонентов. 16
8. Определение основных массогабаритных показателей. 17
9. Список использованной литературы.. 18
1.1. Принцип действия схемы формирователя
Устройство состоит из операционного усилителя, каскада Дарлингтона и транзистора VT1, сменой режимов которого управляет таймер 555. Транзистор VT1 большую часть времени находится в режиме насыщения, когда из таймера в его базу втекает ток определенной величины. В этом состоянии VT1 работает как низкоомный резистор, понижается потенциал базы VT2, и отключается отрицательная обратная связь, образованная каскадом Дарлингтона (VT2,VT3) и резистором R1.
При запуске таймера 555, на некоторое время (а точнее на 10 мс, по условию задания) потенциал его выхода понижается. При этом транзистор VT1 переходит в режим отсечки. Сопротивление перехода коллектор-эммитер возрастает до нескольких мегаом. Вслед за этим повышается потенциал базы VT2, открывается отрицательная обратная связь.
При работе операционного усилителя в этом режиме соблюдается принцип виртуального нуля. Следовательно, на резисторе R1 будет падать напряжение Uвх. Задав определенный номинал этого резистора, получаем требуемый ток нагрузки.
Транзисторы, входящие в каскад Дарлингтона, работают в линейном режиме. Резистор R2 замыкает по цепи отрицательной обратной связи VT2. Это необходимо для стабилизации рабочей точки всего каскада. R3 ограничивает выходной ток усилителя, когда VT1 работает в режиме насыщения и практически весь этот ток течет через него.
Таким образом, схема представляет собой генератор стабильного тока: величина тока нагрузки зависит только от номинала R1 и напряжения питания Eп и практически не зависит от Rн.
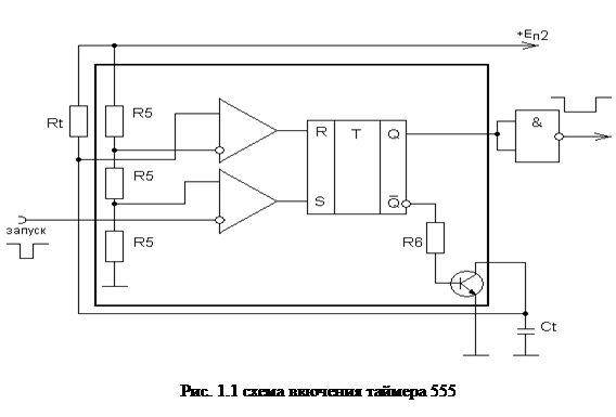
1.2. Принцип работы таймера 555 в схеме одиночного запуска
Длительность импульса зависит от параметров элементов, входящих в схему одиночного запуска таймера 555. Рассмотрим эту схему.
Внутри микросхемы таймера расположен резистивный делитель, к которому подключены два компаратора. Эти компараторы управляют работой самого таймера. При подаче низкого уровня сигнала (меньшего 1/3 * Eп2
) на вход запуск, компаратор, подключенный ко входу SRS-триггера, на выходе образует значение напряжения логической единицы.
Считаем, что в первый момент времени конденсатор Ct разряжен. Тогда второй компаратор образует на входе R логический ноль. Триггер переходит в единичное состояние. На его инверсном выходе напряжение падает до логического уровня нуля. Транзистор запирается и происходит зарядка конденсатора Ct через резистор Rt.
Конденсатор заряжается до тех пор, пока потенциал верхней обкладки не достигнет величины 2/3 Eп2 . Далее – верхний компаратор сформирует сигнал и RS триггер перейдет в состояние нуля. Транзистор, управляющий работой конденсатора, будет работать в режиме насыщения, и, по сути дела, произойдет разрядка Ct через переход коллектор-эммитер 20-25 Ом.
Сопротивление Rt выбираем несколько кОм, чтобы сопротивления перехода коллектор-эммитер насыщенного транзистора было пренебрежимо меньшим.
На выходе таймера поставлен логический инвертор ТТЛ - серии. Он формирует низкий уровень сигнала для закрытия транзистора VT1 в период действия импульса таймера.
2.1. Эскизный расчет схемы формирователя

Для начала рассмотрим работу устройства в период формирования импульса, когда транзистор VT1 работает в режиме отсечки, включая обратную связь.
Принцип виртуального нуля, который выполняется, поскольку операционный усилитель охвачен обратной связью, создает на резисторе R1 падение напряжения, равное входному Uвх. Зная максимальное значение тока нагрузки Iн = 50 A при Uвх=10 В, получаем точное значение резистора R1:
R1 = Uвхmax /Iнmax = 10 В/ 50 А = 0.2 Ом
При работе устройства, транзисторы VT3 и VT2, входящие в каскад Дарлингтона, работают в активном режиме. При этом на базе транзистора VT3 создается напряжение, большее Uвх на величину лыжи открытого диода база-эммитер. Аналогично, на базе транзистора VT2 создается напряжение, большее Uвх на величину двух лыж. Следовательно:
UбVT3 = Uвх + 0.7
UбVT2 = Uвх + 1.4
Подбираем теперь значение резистора R2. Через базу транзистора VT3 протекает ток в (bI »50..100) раз меньший, чем ток нагрузки. При максимальном токе нагрузки в базу втекает ток порядка 0.5 А. В то же самое время, падение напряжение на переходе база-эммитер остается порядка 0.7 В. Следовательно, сопротивление перехода база-эммитер при максимальном токе нагрузки составляет величину до полутора Ом.
Пусть теперь входное напряжение составляет величину порядка 1В. В этом случае протекающий ток нагрузки снизится до значения 5 A. В базу будет втекать ток около 50 мА. Сопротивление перехода база-эммитер увеличиться до величины 14 Ом. При номинале R2 порядка 50 Ом практически во всех случаях будет обеспечиваться требуемый ток базы VT3, как правило, на порядок больший тока, протекающего через R2.
Теперь подберем параметры для транзистора VT3. Схема потребляет большую часть энергии при протекании максимального тока нагрузки (50A). В этом режиме на переходе база-коллектор падает порядка 2.5 В. (на базе VT2 на 1.4 В больше, чем на эммитере VT3, на смещенном в обратном направлении переходе коллектор-эммитер падает также около вольта) Следовательно, необходим транзистор, способный потреблять мощность порядка 120-150 Вт. Кроме того, питание Eп будет составлять порядка 300 В (чтобы обеспечить ток в 50 A в 5-омной нагрузке). Поэтому нужен транзистор с максимальным значением смещения коллектор-эммитер 350-400 В.
Подберем параметры для VT2. Максимальный ток Iб3 порядка 0.5-1A (в зависимости от коэффициента усиления VT3 по току). На переходе коллектор-эммитер падает напряжение порядка 1.5-2 В. Следовательно нужен 2-3 ваттный транзистор, также способный обеспечить падение напряжение до 300 В (поскольку в режиме отсечки потенциал базы VT3 опускается до нуля)
Максимальное значение тока Iб2 порядка 5-10 мА. Входное напряжение операционного усилителя до 10 В, поэтому выбираем для него типовое напряжение питания ±15 В. При работе в цепи обратной связи, максимальное выходное напряжение, которое он может дать при данном питании составляет порядка 13 В. Отсюда находим сопротивление R3:
R3 = (UвыхОУ max – UвхОУ max – 1.4)/Iб 2 ;
R3 = 160 Ом;
Пускай теперь VT1 работает в режиме насыщения. В этом случае через него потечет практически весь ток из операционного усилителя. При максимальном значении выходного напряжения (когда ОУ находится в режиме насыщения), равного в нашем случае около 13.5 В, получаем ток, протекающий через переход коллектор-эммитер VT1:
IкэVT 3 = UвыхОУмах,нас / (R3 + 20 Ом);
IкэVT 3 =75 мА.
20 Ом – сопротивление перехода коллектор-эммитер в режиме насыщения для маломощных транзисторов.
Найдем основные параметры транзистора VT3. Максимальная потребляемая мощность:
PVT3 = IкэVT3 2 *R3 = 141 мВт.
Выбираем транзистор с мощностью порядка 200 мВт. Максимальное падение коллектор-эммитер – порядка 15..17 В.
По условию задания, запуск таймера происходит от ТТЛ-микросхемы.
Целесообразно выбрать напряжение его питания порядка 5 В, а также сделать выходное напряжение единицы порядка 2.4 – 3.0 В. (приблизить выходные значения ко входным). Чтобы ввести транзистор VT1 в состояние насыщения, достаточно на его базу подать ток, при котором он уже не сможет работать в активном режиме, пропуская ток коллектора в bI раз больший. Для значения коэффициента усиления порядка 200..250 нам достаточен ток в 0.3-0.4 мА. По этим соображениям подбираем номинал резистора R4:
R4 = 6..7 кОм;
На выходе таймера нам потребуется инвертор, поскольку схема запускается по низкому уровню сигнала. Целесообразно для этой цели также использовать ТТЛ-микросхему (U1 min = 2.4 В, I1 max = 0.4 мА)
Теперь рассмотрим устройство и схему подключения таймера 555:
2.2. Эскизный расчет схемы с таймером
Чтобы сформировать требуемую длительность импульса, следует подобрать параметры Rt и Ct в схеме с таймером (см. рис. 1.1). В момент запуска таймера триггер переходит в состояние логической единицы. В результате чего, транзистор начинает работать в режиме отсечки, его переход коллектор-эммитер повышается до нескольких мОм. Считаем, что у нас в этом месте разрыв и рассматриваем простую RC-цепь, конденсатор которой должен зарядиться до напряжения 2/3*Eп2
.
Выведем соотношения для этого случая:
Uct = Eп 2 *(1-exp(t/RtCt));
Uct = 2/3 Eп2 ; (т.к. при большем напряжении включается компаратор)
2/3 = (1-exp(t/RtCt));
t = ln3 * RtCt » 1.1*RtCt;
Возьмем Rt» 1.5 кОм (на два порядка больше чем сопротивление коллектор-эммитер маломощного транзистора в режиме насыщения.) Тогда для t = 10 мс значение емкости конденсатора будет:
Ct = 10-2 /(1.1 * 1500) »6мкф;
Для запуска схемы от ТТЛ-микросхем, следует взять Eп2 = 5В. В этом случае делитель напряжения, состоящий из трех равных по величине резисторов R5 (обычно несколько кОм для типовых микросхем таймеров 555) обеспечит пороговый уровень срабатывания схемы 5/3 В. Предельные напряжения единицы (2.4В) и нуля (0.4В) для серий ТТЛ допускают такую работу.
Временная диаграмма работы таймера в этом случае будет выглядеть следующим образом.:
3. Выбор элементов и компонентов схемы
· Операционный усилитель: К140УД9
| Напряжение питания | ±5..±15 В |
| Напряжение смещения, U см | 5 мВ |
| Входной ток, I вх | 350 нА |
| Частота единичного усиления, f пр( f 1) | 1 МГц |
| Vu вых | 0.2 В/мкс |
| Коэффициент усиления | 68 Дб |
| Потребляемая мощность | 240 мВт |
· Транзистор VT1: A747C
| Материал | Si |
| Максимальный ток коллектора | 100 мА |
| Максимальное напряжение коллектор-эммитер в режиме отсечки | 50 В |
| Мощность транзистора | 220 мВт |
| Коэффициент передачи по току | 600 |
· Транзистор VT2: 2 SD 1373
| Материал | Si |
| Максимальный ток коллектора | 3 А |
| Максимальное напряжение коллектор-эммитер в режиме отсечки | 300 В |
| Максимальное напряжение перехода коллектор-база, смещенного в обратном направлении | 300 В |
| Мощность транзистора | 2.5 Вт |
| Коэффициент передачи по току | 200 |
· Транзистор VT3: 2 SC 3991 N
| Материал | Si |
| Максимальный ток коллектора | 50 А |
| Максимальный ток коллектора в импульсном режиме | 95 А |
| Максимальное напряжение коллектор-эммитер в режиме отсечки | 500 В |
| Максимальное напряжение перехода коллектор-база, смещенного в обратном направлении | 800 В |
| Мощность транзистора | 300 Вт |
| Коэффициент передачи по току | 50 |
· Резистор R1: 0.2 Ом; 500-1500 Вт
· Резистор R2: 50 Ом
· Резистор R3: 220 Ом
· Резистор R4: 4.5 кОм
· Резистор Rб:
· Резистор Rt: 1.5 кОм
· Конденсатор Ct: 6 мкф
· Микросхема таймера 555: КР1006ВИ1
| Напряжение питания | от +5 до +15 В |
| Ток нагрузки | не более 100 мА |
| Рассеиваемая мощность | не более 50 мВт |
| Минимальная длительность импульса, генерируемая таймером | 20 мкс |
| Дополнительные замечания | при питании +5 В таймер совместим с микросхемами серии ТТЛ |
· Инвертор на выходе таймера: КМ555ЛА3
| Функциональное назначение | 4 элемента 2И-НЕ |
| Максимальное напряжение питания | 5.5 В |
| Выходной ток низкого уровня | не более 4 мА |
| Выходной ток высокого уровня | не более –0.4 мА |
| Выходное напряжение низкого уровня | не более 0.4 В |
| Выходное напряжение высокого уровня | не менее 2.5 В |
4.1. Каскад Дарлингтона
Пусть транзистор VT1 работает в режиме отсечки, Uвх = 10 В. Тогда, на R1 будет также падать Uвх и потечет ток Iн = 50 А.
Транзистор VT3 работает в линейном режиме и в базу втекает ток:
IбVT3 = 50 A / 50 = 1 A;
На R3 падает напряжение лыжи, для кремниевого диода оно составляет 0.75 В. При R2 = 50 A на резистор ответвляется ток:
IR 3 = 0.75 В / 50 Ом = 15 мА;
Это пренебрежимо мало, по сравнению с 1А. При коэффициенте передачи 200, в базу транзистора VT2 втекает ток, равный 5 мА.
Рассмотрим ситуацию, когда входное напряжение равно 1 В. Через транзистор VT3 потечет ток, равный 5 А, в базу VT3 втекает ток 100 мА, на резистор R3 ответвляется также ток 15 мА. В этом случае в базу VT2 втекает ток:
IбVT 2 = 85 мА / 200 = 0.4 мА
4.2. Операционный усилитель и схема с транзистором VT1
При максимальном входном напряжении в базу транзистора втекает ток
IбVT 2 = 5 мА
Поскольку операционный усилитель питается от напряжения ±15 В, больше 13 В в силу конструктивных особенностей в линейном режиме он обеспечить не может. Поэтому, считаем, что при максимальном напряжении питания, выходной потенциал равен 13 В. Потенциал базы VT2 равен 11.5 В. Тогда номинал R3:
R3 = (13 В – 11.5 В)/5 мА = 220 Ом
Пусть теперь транзистор VT1 работает в режиме насыщения, отключая обратную связь операционного усилителя. Потенциал базы VT2 падает практически до нуля: образуется резистивный делитель R3 – переход коллектор-эммитер насыщенного транзистора VT1. Через этот переход течет ток, порядка:
Iкэ = 13.5 / 245 Ом = 55 мА.
Коэффициент усиления по току VT1 равен 600, поэтому даже ток в 0.4 мА, поступающий из схемы одиночного запуска с таймером 555, способен перевести VT1 в режим насыщения. Выбираем номинал резистора, учитывая выходные параметры микросхемы ТТЛ:
R4 = (2.5 В – 0.75 В) / 0.4 мА = 4.37 кОм.
Выбираем R4 порядка 4.7 кОм.
5. Принципиальная схема устройства
9. Список использованной литературы
1. М.Х. Джонс Электроника – практический курс. Москва: Постмаркет, 1999 г.
2. Кауфман М., Сидман А. Г. Практическое руководство по расчетам схем в электронике: Справочник. – М: Энергоатомиздат, 1991 г.
3. Зарубежные интегральные микросхемы: Справочник / А.Ф. Нефедов и др. – М.: КубК-а, 1995 г.
4. Шило В. Л. Линейные интегральные схемы в радиоэлектронной аппаратуре. – М.: Сов. Радио, 1979.
