| Скачать .docx |
Курсовая работа: Курсовая работа: Усилитель мощности
Тольяттинский политехнический институт
Кафедра «Промышленная электроника»
КУРСОВАЯ РАБОТА
по дисциплине:
“Микроэлектроника и микросхемотехника”
УСИЛИТЕЛЬ МОЩНОСТИ
Студент: Глушенков М. С.
Группа: Э-405
Вариант: 34
Преподаватель: Певчев В.П.
Тольятти, 1998
Содержание
1. Задание на курсовую работу
2. Введение
3. Основание выбора структурной и принципиальной схем
4. Расчет усилителя мощности
4.1 расчет выходного каскада
4.2 расчет предварительного усилителя
4.3 расчет токов в цепях предварительного усилителя
Выводы
Литература.
Приложения
1. Задание на курсовую работу
Разработать усилитель мощности, с использованием операционных усилителей (ОУ), класс работ АБ (вид и спад амплитудно-частотных характеристик (АЧХ) не имеет значения) и имеющий следующие параметры:
выходная мощность Рвых=1 ВА;
ток нагрузки Iн=1 А;
входное напряжение Uвх =0,1 В;
диапазон частот fН =50 Гц fВ = 500 Гц;
напряжение питания UП =±12 В.
Графическая часть курсовой работы выполняется на двух листах формата А3, содержащих структурную и принципиальную схему усилителя
2. Введение
С развити ем ми кроэлектрони ки и микросхемотехник и стали появляться новые устройства, построенны е на новой технологической основе - интегральной технологии. Данное новш ество поз воли ло значительно уменьшить габариты проектируемы х устройств , т.к . на кристале микросхемы площ адью не более 2 5 кв. м м мож но раз местить до 10000000 транз исторов, что поэволяет строить на и х основе сложные, высокоточные устройства с огромными коэффициентами усилени я и други ми не менее вахными параметрами. И нтегральная технологи я после ее и зобретени я разош лась на два направления, это аналоговые и цифровые интегральные схемы. В аналоговой интегральной схемотехнике широкое при менение на шли так называемые операц ионные усилители, получиваие свое название от первоначального их использовани я в устройствах выполняющи х каки е-либо математические операции. На самом деле операционные усилители это уси ли тели дифференциального напряж ени я с очень большим коэффициентом усиления по напряж ении (современные ОУ уси ливают сигнал в десятки и сотни тысяч раз ) и с большим (десятки мегаом) входным сопротивлением. На операционных уси ли телях, возмож но строить разнообраз ные по своему назначений устройства к прим еру: интеграторы, дифф еренциаторы, усили тели и нвертирующие и неинвертирующие, активные фильтри на RC-элементах;и это далеко не полный список устройств в которых применяются операци онные усили тели. Но такж е ка к и другие устройства у операционных усилителей есть и свои недостатки . Они и мею т небольшой входной ток смещения, который необходи мо ком пенсировать, не равномерную АЧХ по всей полосе пропускания, и не очень большой по нынешни м требованиям частотный ди апазон, также в отличие от идеального операци онного усилителя, реальные имею т не очень большой выходной ток (5. .. 50 мА). Но не смотря на все эти недостатки операци онные усилители широко применяются в промышленной электроники в узлах автомати ки , уси лени я и вычислени й, И в качестве примера в данной курсовой работе рассматри вается схема усилителя мощности с при менени ем операционного усилителя.
3. Основание выбора структурной и принципиальной схем
При проектировании усилителей мощности ставятся две основные задачи: обеспечение требуемой выходной мощности и поддержание данной мощности во всем диапазоне требуемых частот. Исходя из данной поставленной задачи можно получить структурную схему проектируемого усилителя (лист 1 приложения). Она состоит из:
Выходного каскада усилителя мощности
Предварительного усилителя-фильтра
Источника питания
Нагрузки.
Выходной усилитель обеспечивает усиление по току необходимое для получения необходимой мощности на нагрузке. Данный каскад должен удовлетворят следующим требованиям:
Обеспечивать необходимый коэффициент усиления по току.
Иметь большое входное и малое выходное сопротивления.
В полосе пропускания не вносить искажений выше нормы т.е. обеспечить постоянную мощность на нагрузке в полосе частот от fН до fВ .
Иметь параметры, мало зависящие от температуры окружающей среды.
Предварительный усилитель-фильтр предназначен для усиления входного сигнала по напряжению и ограничения частотного диапазона входного сигнала в пределах требуемого частотного диапазона. Предварительный усилитель должен иметь следующие характеристики:
Обеспечить необходимый коэффициент усиления по напряжению.
Ограничивать частотный диапазон входного сигнала со спадами на краях диапазона не менее 20Дб/дек.
Иметь минимальный коэффициент нелинейных искажений
Источник питания должен обеспечивать требуемые выходные напряжения и токи равные максимальному пиковому значениютока потребляемого усилителем мощности.
Также он должен иметь коэффициент пульсаций не более 1% от номинального выходного напряжения при максимальном токе нагрузки, это необходимо для минимизации искажений вносимых источником питания в выходной сигнал. Нагрузка при расчете данного усилителя считается чисто активной
Исходя из вышеперечисленных требований, предъявляемых к проектируемому усилителю, была выбрана принципиальная схема усилителя.
В качестве выходного каскада усилителя мощности в задании на курсовую работу сказано применить двухтактный эмитерный повторитель работающий в режиме А-В.
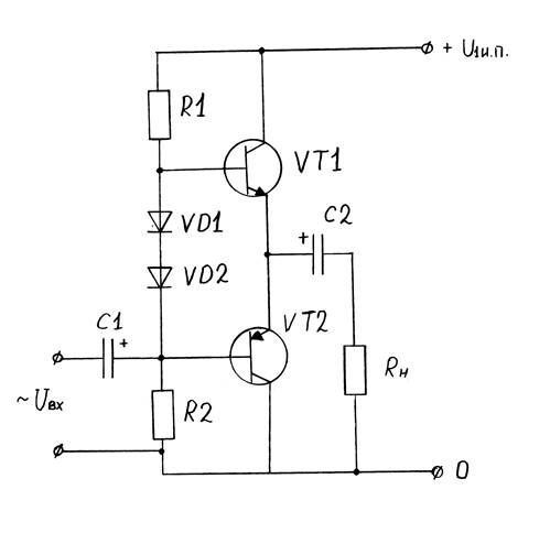
Схема двухтактного выходного каскада работающего в режиме А-В приведена на рис. 3.1.
Схема построена на двух комплиментарных транзисторах типа КТ815 и КТ814. Для уменьшения потребляемой мощности каскад питается от однополярного источника напряжения +12В. в схеме применены разделительные конденсаторы С1 и С2 обеспечивающие гальваническую развязку с предварительным усилителем и нагрузкой, а также выполняющих роль фильтра ВЧ со спадом 20 Дб/дек на частотах f<fН . С1 расчитываем исходя из сопротивления нагрузки. С помощью диодов VD1и VD2 создается компенсационное смещение на базах транзисторов для исключния в выходном сигнале искажений типа “ступенька” которая образуется вследствии нелинейности вольт-амперных характеристик (ВАХ) базово-эмиттерного перехода транзисторов. Резисторы R1 и R2 задают рабочую точку транзисторов и диодов. Для одинакового усиления положительной и отрицательной полуволн входного сигнала необходимо использовать транзисторы с одинаковым коэффициентом передачи тока, а также эти транзисторы должны образовывать комплиментарную пару имея разную структуру.
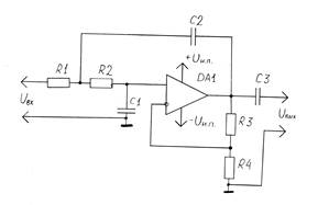
Принципиальная схема предварительного усилителя-фильтра представлена на рис. 3.2. он построен в виде фильтра Баттерворта (низкой частоты) с коэффициентом усиления по напряжению больше единицы, он задается с помощью резисторов R3 и R4. Ввиду того, что требуемый спад амплитудо-частотной характеристики (АЧХ) на частотах f >fВ должен быть больше 20 Дб/дек, будет использован фильтр Баттерворта второго порядка, который имеет спад 40 Дб/дек. Элементы С1, С2 и R1 и R2 рассчитываются согласно методу приведенному в [1] для частоты среза fВ . Операционный усилитель (ОУ) питается от двуполярного источника питания ± 12В. В качества ОУ выбран кристал К140УД7, обладающий хорошими частотными характеристиками, большим коэффициентом усиления и малым входным током. Причина выбора будет подробно рассмотрена в п. 4.3.
4. Расчет усилителя мощности
4.1 Расчет выходного каскада
Принципиальная схема усилителя мощности представлена на листе 2 графической части
Начальные данные:
выходная мощность РВЫХ =1 ВА;
ток нагрузки IН=1 А;
входное напряжение UВХ =0,1 В;
диапазон частот fН =50 Гц fВ = 500 Гц;
напряжение питания UП =±12 В.
RН = UВЫХ /IВЫХ ; (4.1)
где UВЫХ –выходное напряжение
UВЫХ = РВЫХ / IН = 1/1 =1 (В) (4.2)
RН = 1/1=1 (Ом)
Разделительный конденсатор С4 был пасчитан из условия нижней граничной частоты fН =50 Гц
С4=1/(2*p* fН * RН *Ö(МН -1) ) (4.3)
Где МН – коэффициент искажений вносимый данным конденсатором в схему, для усиления мощности. Примем МН =1,3. Тогда, произведя расчет, получим:С4=3832 (мкФ)
Примем С4: К50-6 4000 мкФ´ 15 В
Максимальное значение напряжения колектор-эммитер на транзисторах:
UКЭ max = ЕПИТ =12 (В)
Максимальный ток коллектора транзисторов определим по формуле
IК max = UВЫХ / RН =1/1 = 1 (А) (4.4)
По последним двум параметрам выбрали транзисторы комплиментарной пары:
VT1- КТ815А (п-р-п)
VT- КТ814А (р-п-р)
Их параметры идентичны и равны:
IК max = 3 (А)
bmin = 100
UКЭ max = 30 (В)
UБЭ = 0,6 (В)
Напряжение покоя на эмиттерах транзисторов равно:
UO = 0.5*ЕПИТ = 0,5*12=6 (В) (4.5)
Амплитуда базового тока:
IБ max = IК max / bmin =1/100 = 10 (тА) (4.6)
Базовый ток был выбран по входной ВАХ транзисторов [5] по началу линейного участка характеристики.
IБо = 10-3 (А) UБэо = 0,7 (В)
Далее был расчитан ток покоя коллектора по формуле:
IКо = IБо * bmin =10-3 * 100 = 0,1 (А) (4.7)
По [6] были выбраны диоды VD1 и VD2 с прямым падением напряжения UVD =0.7 (В) и прямым током равным:
IVD = 1.2* IБ max = 1.2*10-2 = 12 (тА) (4.8)
Этим параметрам соответствуют диоды КД522А
Ток через резистор R5 рассчитан из условия
IR 5 = IБо + IVD = 12*10-3 + 10-3 = 13*10-3 (А) (4.9)
Напряжение на резисторе R5 :
UR 5 = EПИТ – UO – UБэо = 12-6-0,7=5,3 (В) (4.10)
Сопротивление резистора R5 равно:
R5 = UR 5 / IR 5 = 5.3/13*10-3 = 387 Ом (4.11)
Мощность выделяемая на резисторе R5:
PR 5 = IR 5 2 R5 =(13*10-3 )2 *387 =0.165 (Вт) (4.12)
Исходя из идентичности плеч каскада приняли сопротивление R6=R5 и выбрали
R5=R6: МЛТ-0,25 390 Ом
Входное сопротивление каскада:
RВХ = R5/2 ll (RH *bmin ) = 66 (Ом) (4.13)
Амплитуда входного тока:
IВХ max = IБМ + IR 5 = 10-2 +13*10-3 =23*10-3 (А) (4.14)
Амплитуда входного напряжения каскада
UВХ max = IВХ * RВХ + UВЫХ = 23*10-3 *66+1=2,083 (В) (4.15)
Коэффициент усиления выходного каскада по напряжению
KU = UВЫХ / UВх max = 1 / 2,083 = 0,48 (4.16)
Емкость конденсатора С3 :
С3=1/(2*p* fН * RВХ *Ö(МН -1) ) (4.17)
МН =1,04 – коэффициент вносимых искажений для предварительного усилителя
С3=168*10-6 Ф
Выбираем С3: К50-16 200 мкФ ´ 15 В
|
![]() |
|
4.2 Расчет предварительного усилителя
Изначально необходимо расчитать коэффициент усиления по напряжению предварительного усилителя по формуле
А = КU общ / КU (4.18)
Где КU общ – коэффициент усиления по напряжению всего усилителя мощности.
КU общ = UВЫХ / UВХ =1 / 0,1=10 (4.19)
А=10 / 0,48 =20,83
Расчет фильтра производим по методике [1] согласно которой сначала выбираем конденсатор С1 из условия:
С1= 10-5 / fСР (4.20)
Где fСР =fВ –частота среза фильтра.
С1=10-5 / 500 = 20*10-9 (Ф)
Выбираем С1: К72П-3 22 (нФ)
Емкость конденсатора С2 расчитывается по формуле:
С2 = (А-1+в2 /4с )*С1 (4.21)
Где с и в – коэффициенты для фильтра Баттерворта второго порядка (из [таблица 3.1:1]). в=1,414 ; с=1
С2=0,4*10-6 (Ф)
Выбираем С2: К 70-8 0,4(мкФ)
Сопротивление R1 рассчитаем из условия:
R1 = (1/p*fC C1) / (в+Ö(в2 + 4*с*(А-1-С2/С1 )))=12400 (Ом) (4.22)
Выбираем R1: МЛТ –0,125 12 (кОм)
Сопротивление R2 определяется как
R2=1/(c*C1*C2*R1*(2*p*fC )2 ) = 1021 (Ом) (4.23)
Выбираем R2 : МЛТ –0,125 1 (кОм)
Исходя из значения коэффициента усиления А рассчитаем значения сопротивлений резисторов R3 и R4.
R3 = А*(R1+R2)/(А-1)= 13655 (Ом) (4.23)
Выбираем R3 : МЛТ - 0,125 13 (кОм)
R4 = А*(R1+R2) = 270790 (Ом) (4.24)
Выбираем R4 : МЛТ – 0,125 270 (кОм)
|
|||
|
|||
![]() |
4.3 Расчет токов в цепях предварительного усилителя
Для расчета токов выберем ОУ применяемый в предварительном каскаде К140УД7. И оновременно проверим возможность его эксплуатации в данной роли. Его характеристики:
UПИТ =± 12 (В) IВХ = 200 (нА)
RВХ = 3 (МОм) IПОТ =2,8 (мА)
KУ U =50000fКР =0,8 (МГц) IВЫХ =30 (мА)
Ввиду того, что входное сопротивление велико входным током ОУ можно пренебречь.
Расчет токов произведем на частоте fВ и для нее расчитаем реактивное сопротивление конденсаторов С1 и С2.
ХС1 = 1/(2*p* fВ *С1) = 16000 (Ом) (4.25)
ХС2 =1/(2*p* fВ *С1) = 795 (Ом) (4.26)
Для расчета токов составим схему замещения рис 4.3.
На схеме:
UВХ = 0,1 (В); UВЫХ ОУ = UВХ * А = 2,083 (В)
R1’= R1=12 (кОм); R2=R2+ХС2 =1000+795=1795 (Ом)
R3’=ХС1 =16 (кОм); R4’= R3 + R4 = 283 (кОм)
По законам Кирхгофа составим систему уравнений
I1
+ I3
– I2
= 0
I1 *R1+ I2 *R2 = UВХ
I2 *R2+ I3 *R3=UВЫХ ОУ
I4 *R4= UВЫХ ОУ
решив данную систему получили следующие значения токов:
I1 = 8 (мкА) I2 = -110 (мкА) I3 = -118 (мкА)
I4 = 7,36 (мкА)
Полученные токи, которые в 40 раз превосходят входной ток ОУ, но в 7 раз меньше максимального выходного, позволяют считать расчет верным т.к входной ток ОУ практически не оказывает влияния на токи в цепях предварительного усилителя-фильтра, а выходной ток не превышает максимально допустимый.
|
![]() |
|
Выводы
Расчитав схему усилителя мощности убедился, в том, что с применением операционных усилителей можно создавать малогабаритные устройства с хорошими характеристиками и малым числом дискретных элементов. Расчитанный усилитель обладает всеми параметрами представленным в задании и обеспечивает на активной нагрузке сопротивлением 1 Ом выходную мощность 1 Вт, при амплитуде входного напряжения 0,1 В, усилитель работает в частотном диапазоне 50…500 Гц и обеспечивает спад АЧХ на границах не менее 20 Дб/дек.
Данный усилитель построен с применением в качестве предъварительного усилителя-фильтра схемы фильтра НЧ Батерворта второго порядка. В качестве выходного каскада был применен двухтактный каскад на комплиментарных транзисторах, работающих в режиме А-В.
Запитывается усилитель от двуполярного источника питания с выходным напряжением ± 12 (В).
Литература
[1] “Интегральная электроника в измерительных устройствах” – Л,: Энергоатомиздат, 1988,- 304 с,: ил
[2] Хоровиц П., Хилл У., “Искуство схемотехники” пер. с англ.-М: Мир, 1983.-Т.1.598 с., ил.
[3] М.Н. Дьяконов, В.И. Кабабанов. – М.: Радио и связь,1983.-576с., ил
[4] А.Л. Булычев, В.Н. Галкин. “Аналоговые интегральные схемы”.- Минск., Беларусь; 1993
[5] “Справочник по транзисторам” / К.М. Брежнева, Е.И. Гатман и др. – М.радио и связь, 1981.-656с., ил
[6] “Диоды”: Справочник/А.В. Баюков, А.А. Зайцев.-М.: энергоатомиздат, 1982.- 744с.,ил


