| Скачать .docx |
Реферат: Усилитель звуковых частот
Муниципальное образовательное учреждение «Гимназия №5»
города Рязани
Реферат по физике
на тему: «Усилитель звуковых частот»
Рязань, 2010 г.
План
Введение
1. Классификация и основные параметры усилителя
2. Принцип построения каскада усиления
3. Усилители на лампах
4. Усилители на транзисторах
5. Интегральные усилители
6. Экспериментальное изготовление усилителя
Заключение
Список литературы
Введение
Усилитель звуковых частот (УЗЧ) ,усилитель низких частот (УНЧ) или усилитель мощности звуковой частоты (УМЗЧ) — прибор для усиления электрических колебаний, соответствующих слышимому человеком звуковомудиапазону частот (обычно от 16 до 20 000 Гц). Может быть выполнен в виде самостоятельного устройства, или использоваться в составе более сложных устройств —телевизоров, музыкальных центров,радиоприёмников,радиопередатчиков, радиотрансляционной сети и т. д.
Усилитель звуковых частот обычно состоит из предварительного усилителя и усилителя мощности (УМ). Предварительный усилитель предназначен для повышения мощности и напряжения и доведения их до величин, нужных для работы оконечного усилителя мощности, зачастую включает в себя регуляторы громкости, тембра илиэквалайзер, иногда может быть конструктивно выполнен как отдельное устройство. Усилитель мощности должен отдавать в цепь нагрузки (потребителя) заданную мощность электрических колебаний. Его нагрузкой могут являться излучатели звука:акустические системы (колонки),наушники(головные телефоны); радиотрансляционная сеть илимодулятор радиопередатчика. Усилитель низких частот является неотъемлемой частью всей звуковоспроизводящей, звукозаписывающей и радиотранслирующей аппаратуры.
Цель исследования темы: изучить работу усилителя звуковых частот.
Задачи:
1. Рассмотреть классификацию и основные параметры усилителя
2. Рассмотреть принцип построения каскада усиления
3. Рассмотреть структурные схемы лампового усилителя
4. Рассмотреть структурные схемы усилителя на биполярных транзисторах
5. Рассмотреть структурные схемы интегрального усилителя
6. Описать изготовление УНЧ на своей практике
Актуальность темы: В нашем современном мире усилитель звуковой частоты можно встретить во всей современной и даже несовременной технике: в телевизорах, музыкальных центрах,радиоприёмниках,радиопередатчиках, радиотрансляционных сетях, телефонах, мобильных телефонах, автомагнитолах и т. д. Я всегда интересовался техникой и электроникой. Будучи маленьким, всегда играл с настоящей техникой и иногда ее ломал, а когда немного повзрослел вместе с папой стал пытаться технику ремонтировать. Недавно у меня возникла идея собрать усилитель звуковой частоты. Предмет физики мне помог разобраться в некоторых терминах по сбору УЗЧ. Для более глубокого исследования усилителя звуковой частоты я сам собрал такой усилитель звуковой частоты на интегральной микросхеме TDA2003(К174УН14). Поэтому для меня выбранная тема оказалась актуальной и интересной.
1. Классификация и основные параметры
При обработке сигналов информации в большинстве случаев необходимо их предварительное усиление. Для этих целей используют усилители, назначение которых — усиление в определенное число раз соответственно напряжения, тока и мощности сигнала. Такая классификация усилителей условна, так как все они в конечном счете усиливают мощность сигнала.
Усилительные свойства усилителя характеризуются коэффициентами усиления напряжения
, тока
, и мощности
, показывающими, во сколько раз значение выходного параметра увеличилось в результате усиления по сравнению со значением входного:
;
;
,
где
,
,
и
,
,
- параметры входного и выходного сигналов.
В зависимости от диапазона усиливаемых частот различают усилители:
- звуковой частоты номинальный диапазон частот усиливаемых сигналов 16 Гц ‑ 20 кГц;
- широкополосные (видеоусилители) — диапазон усиливаемых сигналов от звуковых частот до частот, составляющих сотни мегагерц (видеоусилители телевизионных приемников должны усиливать сигналы в диапазоне 25 Гц ‑ 6,5 МГц);
- полосовые (резонансные) усиливают сигналы в ограниченной полосе радиочастот;
- постоянного тока — усиливают сигналы от
(постоянный ток) до некоторой предельной частоты.
В рабочем диапазоне частот всех без исключения усилителей наблюдается неравномерность усиления; при этом нарушается частотный состав входного сигнала - он искажается. Для анализа этих искажений, называемых частотными, используютамплитудно-частотную характеристику АЧХ усилителя, выражающую зависимость коэффициента усиления от частоты усиливаемого сигнала.
Полоса пропускаемыхчастот (полоса пропускания) — диапазон частот, в пределах которого усилитель при неизменной настройке обеспечивает заданную величину коэффициента усиления
. На рис. 1 приведена идеальная частотная характеристика усилителя. Она имеет форму прямоугольника с основанием, равным полосе пропускания. Вследствие того, что в усилителе есть реактивные сопротивления, частотная характеристика оказывается неравномерной и при проектировании усилителя необходимо обеспечить минимальное изменение величины
в пределах заданной полосы пропускания.
Избирательность — способность усилителя усиливать сигналы определенной полосы частот и не пропускать на выход сигналы других частот. Прямоугольная «форма частотной характеристики обеспечивает идеальную избирательность усилителя, так как сигналы, частоты которых лежат вне пределов полосы пропускания, совершенно не усиливаются.


|
|
В действительности, частотная характеристика может, например, иметь вид, показанный на рис. 2. Избирательность количественно выражается отношением коэффициента усиления на какой-либо частоте, лежащей на границах или за пределами полосы пропускания, к коэффициенту усиления на опорной частоте, которая обычно выбирается в середине полосы пропускания.
На частотной характеристике»(рис. 2) опорной частотой является
, поэтому при расстройке
избирательность такого усилителя ![]()
Качественным показателем усилителей звуковых частот являются нелинейные искажения искажение формы сигнала в процессе усиления. Причиной нелинейных искажений является, главным образом, нелинейность вольт-амперныххарактеристик усилительных элементов (ламп, транзисторов), а также неправильно выбранные режимы их работы. В результате нелинейных искажений при усилении чисто синусоидального сигнала в выходном сигнале появляются дополнительные гармонические составляющие, т. е. изменяется гармонический состав входного сигнала. Этот вид искажений оценивают коэффициентом нелинейных искажений.
Выходная мощность и коэффициентполезного действия. Эти параметры характерны для усилителей мощности.
Мощность на выходе усилителя
Где
и
— действующие значения напряжения итока на нагрузочном сопротивлении
.
Промышленный к. п. д. усилителя
![]()
где
— полная мощность, потребляемая усилителем от всех источников питания.
Основными параметрами усилителей являются:
- номинальная выходная мощность — максимальная мощность на выходе, при которой нелинейные искажения не превышают допустимого уровня;
- чувствительность — минимальное напряжение на входе, при котором на выходе обеспечивается номинальная мощность;
- динамический диапазон — отношение максимальной амплитуды входного сигнала, при которой его искажения имеют предельно допустимое значение, к чувствительности усилителя;
- коэффициент полезного действия — отношение полезной мощности на выходе усилителя к мощности, потребляемой им от источника питания;
- входное сопротивление
характеризующее усилитель как нагрузку для источника входного сигнала; условием передачи максимальной мощности на вход усилителя от источника сигнала является равенство внутреннего сопротивления источника входного сигнала
и входного сопротивления
;
- выходное сопротивление
, характеризующее нагрузочную способность усилителя; условием передачи усилителем максимальной мощности в нагрузку является равенство выходного сопротивления
и сопротивления нагрузки
.
2. Принцип построения каскада усиления
Минимальную часть усилителя, сохраняющую его функции, называют каскадом усиления. Обычно усилитель состоит из нескольких каскадов усиления, соединенных между собой межкаскадными связями, с помощью которых выходной сигнал одного каскада усиления передается на вход следующего. Первые каскады усиления, предназначенные, главным образом! для усиления напряжения сигнала, называют предварительными. Каскад, служащий для усиления мощности сигнала, называют оконечным.
Каскады усиления состоят из последовательно включенных управляемого элемента, параметры которого изменяются в зависимости от поступающего на его вход напряжения или тока, и резистора нагрузки
. В показанной на рис. 3 эквивалентной схеме управляемый элемент (лампа или транзистор) заменен резистором
, сопротивление которого зависит от напряжения входного сигнала
.
![]() |
|||
|
|||
При отсутствии входного сигнала
в цепи проходит постоянный ток
. При появлении входного сигнала изменяется сопротивление резистора
, а следовательно, полное сопротивление цепи
и ток в ней, т. е. кроме постоянной составляющей тока в цепи появляется переменная составляющая
Если сопротивление управляемого элемента
изменяется строго пропорционально напряжению
, то и ток
пропорционален напряжению
. Следовательно, падение напряжения
на резисторе нагрузки
создаваемое переменной составляющей тока
также пропорционально входному напряжению
, т.е. ![]()
где
— коэффициент усиления напряжения.
Основным требованием, предъявляемым к каскаду усиления, является воспроизведение формы входного сигнала на выходе, т. е. его минимальные нелинейные искажения. Выполнение этого требования обеспечивается подачей определенных напряжений и токов на выводы усилительного элемента. Транзистор во время ожидания входного сигнала находится в режиме молчания, или покоя.
Электрическому состоянию транзистора в режиме покоя соответствует определенная точка на его входных и выходных характеристиках, называемая рабочей точкой каскада усиления
. Электрические параметры транзистора в рабочей точке имеют индекс «р.т», Так, электрическое состояние транзистора, включенного с ОЭ, характеризуется токами базы
и коллектора
, а также напряжениями базы
и коллектора
по отношению к эмиттеру.
![]() |
||
|
||
Схема каскада усиления и графическое представление его работы при неправильно выбранной рабочей точке показаны на рис. 4,а,б. В режиме покоя транзистор
закрыт, так как напряжение на эмиттерном переходе
. Следовательно, его токи
и
также равны нулю. Напряжение tнa коллекторе транзистора
, так как падение напряжения на резисторе
нагрузки
.
Под действием входного сигнала
рабочая точка смещается в пределах его двойной амплитуды
. Большую часть периода напряжения
транзистор будет закрыт и только в течение части
положительного полупериода сигнала появится ток базы
. При этом транзистор откроется и его коллекторный ток
вызовет напряжение
на резисторе нагрузки
, которое и будет усиленным выходным сигналом, существенно отличающимся, но форме от входного.
![]() |
Для получения выходного сигнала с минимальными нелинейными искажениями следует выбрать такое положение рабочей точки, при котором каждому новому мгновенному значению входного сигнала
будет соответствовать новое мгновенное значение выходного. Схема такого каскада усиления и графическое представление его работы показаны на рис. 5, а, 6. Напряжением постоянного смещения
. В рабочая точка выводится на середину прямолинейного участка входной характеристикитранзистора. В режиме покоя базовый ток транзистора
, а коллекторный
, так как среднее значение
данного транзистора равно 50.
Коллекторная цепь транзистора состоит издвух участков: промежутка коллектор — эмиттер и резисторанагрузки
между которыми напряжение коллекторного источника
распределяется следующим образом:
.
Для лучшего использования транзистора напряжение
принимают равным
. Тогда при коллекторном напряжении
. равном 30 В,сопротивление загрузки
.
При подаче на базу транзистора входного сигнала, амплитуда которого
ограничена линейным участком входной характеристики (для получения малых нелинейных искажений рабочая точка не должна выходить за пределы этого участка), в цепях базы и коллектора появятся переменные составляющие их токов, соответственно имеющие амплитуды
и
. При этом амплитуда выходного сигнала
, а коэффициент усиления напряжения
.
Таким образом, мы рассмотрели принцип построения каскада усиления.
3. Усилители на лампах
На рис. 6 показана схема простейшего лампового усилителя. Управляемой в нем является анодная цепь, а управляющей — сеточная. При изменении напряжения на сетке лампы пропорционально изменяется анодный ток, который создает на нагрузочном сопротивлении
пульсирующее напряжение. Разделительный конденсатор
пропускает на выходные клеммы только переменную составляющую анодного напряжения. Подбирая соответствующие величины
,
и тип лампы, можно получить на выходных клеммах переменное напряжение, амплитуда которого будет во много раз превышать величину
.
![]() |
Ламповый усилитель усиливает не только напряжение, но и мощность входного сигнала. Для управления анодным током требуется только изменять разность потенциалов между сеткой и катодом. В этом случае в сеточной цепи лампы протекает незначительный ток и входная потребляемая мощность намного меньше, чем полезная мощность, выделяемая в нагрузке.
Важным условием нормальной работы усилителя является строгое соответствие формы выходного и входного сигналов. Анодный ток изменяется пропорционально сеточному напряжению только на прямолинейном участке ламповой характеристики. Чтобы анодный ток изменялся па прямолинейном участке и чтобы эти изменения были наибольшими, начальное значение тока
(ток покоя) должно соответствовать середине прямолинейного участка сеточной характеристики (рис. 7, а), Точка А на ламповой характеристике, определяющая значение тока покоя, называется рабочей. Положение рабочей точки определяется величиной постоянного напряжения смещения на сетке —
. На рис, 7, а приведен график, иллюстрирующий процесс изменения анодного тока
при подаче на вход усилителя переменного синусоидального напряжения с амплитудой
. Режим работы электронной лампы, при которой изменение анодного тока происходит в пределах прямолинейной части ламповой характеристики, называется режимом класса А. В режиме А анодный ток протекает в течение всего периода изменения сеточного напряжения. Этот режим характеризуется малой величиной нелинейных искажений, но является неэкономичным (к. п. д. не более 20—30%). Его обычно применяют в предварительных усилителях низкой частоты и в выходных усилителях малой мощности (до 3—4 вm). Для характеристики режимов усиления вводят понятие об угле отсечки. Угол отсечки
— это половина той части периода, в течение которой через лампу протекает ток.
![]() |
При выборе рабочей точки в начале сеточной характеристики, анодный ток протекает в течение половины периода (
). Такой режим работы лампы называется режимом В(рис. 7, б).
В данном режиме возникают большие нелинейные искажения, но к. п. д. достигает 60—65%.
Промежуточный режим, при котором
, называется режимом АВ(рис. 7, в). Режим, при котором угол отсечки
, называется режимом С (рис. 7, г). Режимы В, АВ и С применяются в двухтактных усилителях мощности низкой частоты.
К буквам, обозначающим режим, ставятся индексы: 1 — при отсутствии сеточных токов, 2 — при работе с сеточными токами. Например:
.
Анодное напряжение лампы усилителя равно разности между напряжением источника
и падением напряжения на сопротивлении
:
![]()
Изменение напряжения на сетке вызывает пропорциональное изменение анодного тока, что в свою очередь вызывает изменение анодного напряжения. С увеличением сеточного напряжения возрастает величина тока
, а анодное напряжение
уменьшается. Следовательно, сеточное и анодное напряжения изменяются в противофазе и выходной сигнал сдвинут относительно входного по фазе на угол 180°.
Динамическую анодную, или нагрузочную, характеристику усилительной лампы строят следующим образом. На осях координат семейства статическиханодных характеристик обозначаются две точки А и В (рис. 8). Точка А соответствует анодному напряжению
при
; точка В — анодному току
при ![]()
Рис. 8. Построение динамической анодной характеристики. |
Прямая линия, соединяющая точки А и В, и будет динамической характеристикой.
Рабочая точка С расположена на статической характеристике, снятой при сеточном напряжении
, и соответствует анодному напряжению
. Угол наклона динамической характеристики
.
Для количественного анализа усилительных схем часто электронную лампу заменяют эквивалентным генератором.
Генератором напряжения называют такой генератор, у которого величина вырабатываемого напряжения не зависит от потребляемого тока. К реальным генераторам напряжения относятся такие, у которых внутреннее сопротивление намного меньше сопротивления нагрузки.

У идеального источника тока величина потребляемого тока не должна зависеть от сопротивления нагрузки, подключенного к его зажимам. К реальным генераторам тока относятся такие, у которых внутреннее сопротивление намного превышает сопротивление нагрузки. Если источник переменного напряжения с амплитудой
включить непосредственно в анодную цепь усилителя (вместо лампы), то возникший переменный ток будет намного меньше, чем действующая величина переменной составляющей анодного тока
. Для получения тока с амплитудой
необходимо увеличить напряжение источника во столько раз, во сколько изменение сеточного напряжения сильнее влияет на анодный ток, чем изменение анодного напряжения, т. е. в
раз. Поэтому источникнапряжения должен вырабатывать э. д. с, равную
. Внутреннее сопротивление лампы учитывается включением в эквивалентную схему сопротивления, равного
.
На рис. 9 показана эквивалентная схема анодной цепи усилителя (рис. 6), учитывающая действие только переменных составляющих напряжений и токов, поэтому в нее не включен источник постоянного анодного напряжения. В рассматриваемой схеме общим электродом лампы для анодной и сеточной цепей является катод, поэтому она называется схемой усилителя с общим катодом.
Включив источник входного сигнала в разрыв катодного проводника, можно получить схему с общей сеткой (рис. 10, а).
В усилителе с общим анодом (катодном повторителе) нагрузочное сопротивление
включено в катодную цепь лампы (рис. 10, б).
4.Усилители на транзисторах
В транзисторном усилителе управляемой является коллекторная цепь, а управляющей — базовая.
На рис. 11 показана схема простейшего усилителя на транзисторе типа р-п-р. В коллекторной цепи транзистора имеется источник питания
, сопротивление нагрузки
и разделительный конденсатор
.
![]() |
|||
|
|||
В базовую цепь включены два источника: источник переменного напряжения с амплитудой
и источник постоянного напряжения смещения
Назначение источника смещения в транзисторном усилителе отличается от аналогичного источника в ламповом усилителе. При токе базы
в коллекторной цепи транзистора протекает настолько незначительный ток, что практически транзистор можно считать запертым. Если бы в базовой цепи отсутствовал источник смещения, то в положительные полупериоды входного напряжения транзистор запирался бы (режим В)и возникали большие нелинейные искажения. Полярность напряжения смещения такова, что оно отпирает транзистор, т. е. служит для создания начального коллекторного тока, что необходимо для режима А.Напряжение
изменяется пропорционально входному сигналу и в коллекторной цепи происходит пропорциональное изменение тока
. Ток
создает на сопротивлении
пульсирующее напряжение. Разделительный конденсатор
пропускает на выходные клеммы только переменную составляющую коллекторного напряжения. Подбирая соответствующие величины
,
и тип транзистора, можно получить на выходных клеммах усилителя переменное напряжение, во много раз превышающее амплитуду
.
Так как эмиттерный переход транзистора при работе усилителя всегда открыт, то во входной цепи протекает ток
и, следовательно, источник входного напряжения всегда расходует мощность. При одновременном воздействии на участок база — эмиттер двух напряжений
и
в цепи базы протекает пульсирующий ток. Постоянную составляющую создает источник смещения, а переменную — источник входного напряжения. Мощность, потребляемая от источника входного сигнала,
, где
и
амплитудные значения тока и напряжения в цепи базы.
Полезная мощность, выделяемая в коллекторном нагрузочном сопротивлении усилителя,
, где
и
амплитудные значения переменных составляющих коллекторного тока и напряжения.
Коэффициент усиления по мощности
;
коэффициент усиления по напряжению
; коэффициент усиления по току
. Следовательно,
.
Приближенно можно считать, что величина
равна коэффициенту усиления тока базы
:
, а
,
где
— эквивалентное сопротивление нагрузки в цепи коллектора;
— сопротивление участка база — эмиттер транзистора.
С учетом этих выражений коэффициент усиления по мощности
![]()
.
В современных усилителях величина
достигает больших значений (сотни и тысячи).
5. Интегральные усилители
В настоящее время выпускаются следующие усилители интегрального исполнения: высокой (УВ), промежуточной (УР) и звуковой (УН) частоты; широкополосные (УК); импульсных сигналов (УИ); повторители (УЕ); считыванияи воспроизведения(УЛ); индикации (УМ); постоянного тока (УТ); операционные (УД); дифференциальные (УС); прочие (УП).
Использование усилителей интегрального исполнения улучшает параметры радиоаппаратуры, особенно ее надежность, облегчает регулирование аппаратуры, уменьшает ее энергопотребление, габариты и массу. Рассмотрим в качестве примера интегральную микросхему К174УН7 (усилитель мощности звуковой частоты).
![]() |
|||
|
|||
Типовая схема включения интегральной микросхемы К174УН7 показана на рис. 12, а. Входной сигнал поступает на вывод 8 микросхемы с движка потенциометра
регулятора громкости, а нагрузка подключается к выводу 12 через разделительный конденсатор
, предотвращающий попадание в нее постоянного напряжения. Корректирующая цепь
,
обеспечивает передачу сигнала ООСсвыхода усилителя на его вход, а цепь
,
,
,
служит для коррекции АЧХ частотозависимойООСс выхода усилителя на вход одного из его промежуточных каскадов. Усилитель мощностизвуковой частоты на микросхеме К174УН7имеет коэффициент нелинейных искажений
, зависящийот выходной мощности
(рис. 3,б). При неравномерности амплитудно-частотной характеристики не более 3 дБ полоса пропускания усилителя равнаот 40 Гц до 20 кГц; напряжение источника питания +18 В.
6. Экспериментальное изготовление усилителя
УНЧ. Как много в этой аббревиатуре для сердца радиолюбителя слилось. Каждый, кто когда-нибудь занимался радиотехникой и электроникой, собирал различныеусилители низкой частоты. Простые и сложные, маломощные и мощные. Сейчас, с развитиеминтегральныхмикросхем, стало всё намного проще. Усилители не содержат каких-то уникальных радиодеталей. Одна микросхема, которая, собственно, и представляет собой уже готовыйусилитель мощности низкой частоты, и схема, практически, собрана. Как правило, выходная мощность таких усилителей и качество воспроизведения на высоте.
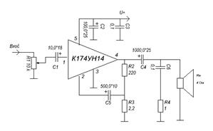
Моя исследовательская работа базируется на практическом изготовлении УНЧ на интегральной микросхеме К174УН14, что является усвоением практических знаний и навыков в макетировании радиоаппаратуры.
Микросхема К174УН14(TDA2003) предназначена для работы при напряжении источника питания 8-18 В и сопротивлении нагрузки не менее 2 Ом. При этом достигается равномерное усиление сигнала в полосе частот 30 Гц - 20 кГц, а ток покоя составляет 40-60 мА. Чувствительность усилителя - около 50 мВ. Микросхема снабжена собственным теплоотводом, допускающим работу с выходной мощностью не более 2 Вт. Для получения большей мощности обязательно требуется установка дополнительного пластинчатого либо ребристого или игольчатого радиатора.Коэффициент усиления во всей полосе воспроизводимых частот стабилизирован за счет наличия на выходе усилителя делителя напряжения сигнала 1:100 и подачей с него напряжения отрицательной обратной связи на инверсный вход усилителя.
Рассмотрим поэтапное изготовление моего усилителя:
1. Нахожу схему усилителя в справочнике «Микросхемы для бытовой радиоаппаратуры».
![]() |
2. Вырезание на текстолитовой пластине дорожки. Сверление отверстий.

3. Лужение.

4. Монтаж элементов на печатную плату.


5. Подготовка корпуса. Установка печатной платы в корпус. Корпус использован от старых электронных часов.

Полностью готовый усилитель.
Эти фотографии выложены на моем сайте радиолюбители по адресу http://radiolubiteli.net.ru/ и в группе радиолюбители вконтакте (http://vkontakte.ru/club12879376), где я постоянно общаюсь и делюсь своим небольшим опытом.
Заключение
Таким образом, мною рассмотрен и изучен принцип работы усилителя звуковых частот.
Задачи, поставленные мной в начале исследовательской работы:
1. Рассмотреть классификацию и основные параметры усилителя.
2. Рассмотреть принцип построения каскада усиления.
3. Рассмотреть структурные схемы лампового усилителя.
4. Рассмотреть структурные схемы усилителя на транзисторах.
5. Рассмотреть структурные схемы интегрального усилителя.
6. Описать изготовление УНЧ на своей практике. ВЫПОЛНЕНЫ
В нашем современном мире усилитель звуковой частоты можно встретить во всей современной и даже несовременной техники: в телевизорах, музыкальных центрах,радиоприёмниках,радиопередатчиках, радиотрансляционных сетях, телефонах, мобильных телефонах, автомагнитолах и т. д. Для меня выбранная тема оказалась достаточно интересной и увлекательной, что я и доказал на примере собственной сборки усилителя.
Список литературы
1. Важенин В.Г. Исследование усилительных каскадов при различных схемах включения транзистора. Екатеринбург: УГТУ-УПИ, 2000.
2. Гурлев Д.С. Справочник по электронным приборам, Киев 1979 г.
3. Доброневский О.В. Справочник по радиоэлектронике, Киев1971 г.
4. Интегральные схемы: Операционные усилители: Справочник. Том 1. – М.: Физматлит, 1993.
5. Колонтаевский Ю.Ф. Радиоэлектроника, Москва 1988.
6. Новоченко И.В., В.М. Петухов. Микросхемы для бытовой радиоаппаратуры, Москва 1989 г
7. Проектирование усилительных устройств: Учебное пособие под ред. М.В. Терпугова. М.: Высшая школа, 1982.
8. Справочник радиолюбителя-конструктора/под редакцией Н.И. Чистякова Москва 1983.
9. Шкритек П. Справочное руководство по звуковой схемотехнике: Пер. с нем. М.: Мир, 1991.
10. http://radiolubiteli.net.ru/
11. http://www.radiokot.ru/
12. http://www.cxem.net/
13. http://www.radiomexanik.spb.ru/
14. http://radiosait.ru/







