| Скачать .docx |
Реферат: Трансформаторы: уравнение обмотки, рабочие режимы, холостой ход, конструкция, магнитные материалы, электрические провода и изоляция
“Белорусский государственный университет информатики и радиоэлектроники”
Кафедра защиты информации
РЕФЕРАТ
на тему:
«Трансформаторы: уравнение обмотки, рабочие режимы, холостой ход, конструкция, магнитные материалы, электрические провода и изоляция»
МИНСК, 2009
Формула трансформатора. ЭДС. Уравнение равновесия для первичной обмотки

Рисунок 1 - Трансформатор
U1 (t)= U1m sin(ω1 t) (1)
ω1 =2πf (2)
Считаем, вторичная обмотка разомкнута (нет нагрузки). На первичную действует U1 (t). В цепи возникает ток:
U1 (t)=U1 => i10 => F10 = i10 * W1 => H10 =F10 /lср => В10 =μ* H10 (электромагнитная индукция). => Qc * В10 = Ф10 => ψ= W1 * Ф10 => Ф10 S => ψ=W1 * Ф10 , где Ф10 – магнитный поток; Ф10 S – поток рассеивания.
Изменяющийся во времени магнитный поток приводит к возникновению ЭДС
=>
= -W1
*
= e10
(t) (3)
=>-W1
*
= e10
(t): (4)
должны уравновешиваться.
Пока не будет уравновешено, этот процесс будет продолжаться. Приведенная зависимость электрических и магнитных процессов соответствует линейному режиму работы магнитопровода. В реальных трансформаторах такой режим является лишь приближением к реальности. В реальных трансформаторах необходимо считаться с неравенством «0» падения напряжения на сопротивлении проводов. В первичной обмотке трансформатора при i10 падение напряжения = r1 *i10 . В установившемся режиме для цепи первичной обмотки трансформатора справедливо уравнение равновесия:
U1 (t) + e10 (t) + e10S (t)= i10 (t)*r1 (5)
U1 (t)= -e10 (t) - e10S (t) + i10 (t)*r1 (6)
Этому уравнению можно поставит в соответствие:
(7)
Рассмотрим режим, соответствующий отсутствию тока во вторичной обмотке. В этом случае все магнитные процессы определяются только электрическими процессами в первичной обмотке => e20 (t) – в режиме ХХ.
(8)
(9)
n – коэффициент трансформации.
Т.к. U1 (t) – синусоидально, то и отклик в виде ЭДС, и падение напряжения, и Ф10 также изменются по гармоническому закону.
Ф10 (t)= Ф10 m *sin(ωt) (10)
=-W1
Ф10
m
(2πf)cos(ωt)=
=|cos(ωt)=-sin(ωt-π/2)|=2πfW1 Ф10 m sin(ωt-π/2) (11)
E10m =2πfW1 Ф10m (12)
E10
= E10m
/
(13)
E10 =√2*πfW1 Ф10m (14)
E10 =4,44*f*W1 * Ф10m (15)
Формула трансформатора ЭДС
U1 (t)≈-e10 (t) (16)
n= E10 / E20 ≈ U1 / U2 (17)
Режим ХХ трансформатора
Режим ХХ трансформатора рассмотрим на практическом режиме отключения нагрузки. В этом режиме путем проведения специальных измерений (опыт ХХ) могут быть оценены важные технико-эксплуатационные параметры трансформатора. Анализ режима ХХ позволяет выявить основные физические процессы в трансформаторе, знание которых важно для других режимов.

Рисунок 2 – Электрическая схема трансформатора
U1 (t)хх = -е10 (t)- е10 S (t)+ i10 (t)*r1 (18)
В режиме ХХ трансформатор подключается под номинальное напряжение, то напряжение, при котором предусматривается работа трансформатора:
(19)
Для дальнейшего рассмотрения и составления электрической модели трансформатора удобно ЭДС E10 S за счет рассеяния трактовать как падение напряжения на чисто реактивном сопротивлении индуктивности рассеяния в цепи первичной обмотки jI10 X0 .Тогда:
(20)
Для построения векторной диаграммы за точку отправления возьмем направление вектора магнитного потока

Рисунок 3 – Пример векторной диаграммы
При действии в магнитном проводнике переменного магнитного потока совершается работа по перемагничиванию реального магнитного материала (явление гистерезиса) и расходуется энергия на нагревание сердечника, возникающее в нем из-за появления вихревых токов (токов Фуко). В этой связи I10 xx имеет две составляющих:
- активную
(отражает потери на гистерезис и вихревые токи)
- составляющую в виде тока намагничивания Iμ , которую создает основной магнитный поток.
Пользуясь представленным выше уравнением (20) и поясняющей его векторной диаграммой трансформатора на ХХ (Рисунок 3), можно поставить в соответствие следующую его схему замещения (эквивалентную схему, электрическую модель трансформатора).

Рисунок 4 – Эквивалентная схема замещения трансформатора
Приведенная эквивалентная схема является строгим электрическим аналогом реального трансформатора, если должным образом определены величины сопротивлений:
r1 , x1 , r0 , x0 .
Эта схема позволяет производить все электрические расчеты токов, U, P, углов запаздывания и т.д.
Рабочий режим трансформатора: уравнение равновесия намагничивающих сил (УРНС)
В рабочем режиме трансформатор подключен под полное номинальное напряжение.

Рисунок 5 – Электрическая схема трансформатора
![]()
E2 => I2 => F2 => Ф2 ↔Ф(t) =>
Совокупный магнитный поток и совокупная магнитная сила определяется как результат взаимодействия Ф1 и Ф2 и F1 и F2 .
(21)
(22)
Можно убедиться, что при любом рабочем режиме суммарная намагничивающая сила первичной и вторичной обмотки должна быть точно такой же как и в режиме ХХ. В таком случае, для рабочего режима трансформатора справедливо следующее уравнение равновесия намагничивающих сил (УРНС):
F1 +F2 = F10 (23)
I1 *W1 + I2 *W2 =W1 *I10 (I10 – токХХ) (24)
Удобно найти из этого уравнения значение I1 , выраженное через I2 , и являющееся техническим параметром трансформатора I10 (ток ХХ).
I1 = I10 - I2 (W1 /W2 ) = I10 - I′2 (25)
где I′2 = I2 /n, где n=W1 /W2 .
I1 = I10 - I′2 (УРНС). (26)
УРНС позволяет наметить Т-образную схему замещения трансформаторов.

Рис 7 – Т-образная схема замещения трансформатора
Физические процессы в трансформаторе в рабочем режиме наглядно поясняет векторная диаграмма, соответствующая УРНС, которое удобно записать в форме:
→ → →
I1 *W1 = W1 *I10 - I2 * W2 (27)

Рисунок 8 – Векторная диаграмма работы трансформатора
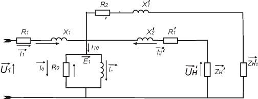
Рабочий режим трансформатора: эквивалентная схема
При формировании эквивалентной схемы необходимо обеспечить ее преемственность в схеме замещения трансформатора для ХХ. Кроме того, поиск схемы замещения будем осуществлять с учетом выявленной ранее возможности построения Т-образной эквивалентной схемы трансформатора.

Рисунок 9 – Эквивалентная схема трансформатора в рабочем режиме
Эквивалентную схему можно построить, пользуясь следующими уравнениями:
(уравнение электрического воздействия) (28)
(29)
Рабочий режим трансформатора: векторная диаграмма при нагрузке индуктивного характера

Рисунок 10 - Векторная диаграмма при нагрузке индуктивного характера
отстает от
на 90
![]()
отстает от его задающего тока
на угол запаздывания α. Ток
отстает от создающей его ЭДС
=
.
переносим параллельно вверх к
для построения
. Переносим
вверх, получаем -
.
•
-вектор параллельный
. Повернем его на 90 получаем j![]()
.
Рабочий режим трансформатора: векторная диаграмма при емкостном характере нагрузки

Рисунок 11 - Векторная диаграмма при емкостном характере нагрузки
Изменится
, он не отстает от
, а идет впереди.
![]()
![]()
![]()
Элементы схемы замещения трансформатора оценивают по данным измерений, выполняемым при проведении специально организованных опытов ХХ и КЗ.
Опыт холостого хода

Рисунок 12 – Схема проведения опыта ХХ
![]()
![]()
(30)
=
=n (31)
-потери в стали.

а) б)
Рисунок 13 - Эквивалентная схема трансформатора на ХХ.
=
(32)
•
=
=
(33)
=
(34)
=
(35)
=
(36)
=
(37)
(38)
Опыт КЗ
В отличие от ХХ нельзя проводить при номинальном входном напряжении т.к. КЗ – аварийный режим.
При проведении опыта КЗ:

Рисунок 14 – Схема проведения опыта КЗ
(примерно 1-3%)
На входе действует малое напряжение
, то мала и ЭДС (противо-ЭДС), уравновешивающей его, а значит, мал и магнитный поток, ее создающий.
При малом потоке потерями в стали можно пренебречь.
(схема)
(потери в меди) (39)
(40)
(41)
(42)
(43)
(44)
Опыт КЗ существенно дополняет опыт ХХ, и вместе они дают возможность экономично, с требуемой точностью оценит параметры эквивалентной схемы транзистора.
Конструкция, магнитные материалы, электрические провода и изоляци я
Основными элементами конструкции трансформаторов являются сердечник (магнитопровод) и обмотки: К элементам конструкции относятся также конструктивные детали, служащие для крепления сердечника и установки трансформаторов в блоках аппаратуры.
Сердечники трансформаторов изготавливают из высоколегированных горячекатаных и повыщеннолегированйых холоднокатаных сталей.
Марки электротехнических сталей, их магнитные свойства и удельные потери энергий определяет ГОCT 9925—61. При частоте тока сети 50 Гц для сердечников используют стали марок Э41, Э42, Э43 и Э310, Э320, Э33О при толщине стальных листов или ленты 0,5 и 0,35 мм. При повышенных частотах (400 Гц и выше) используют стали марок Э44, 345, Э46, Э47, 348, Э340 и Э370 с толщиной пластин или ленты 0,2; 0,15; 0,1; 0,08 и 0,05 мм.
По конструктивному выполнению сердечники трансформаторов подразделяются на три основных типа: стержневые, броневые и тороидальные. Соответственно и трансформаторы в зависимости от конструкции сердечника подразделяются на три указанных выше типа.
Сердечники мощных трансформаторов набираются из отдельных прямоугольных пластин трансформаторной стали. Сердечники трансформаторов малых мощностей выполняют либо наборными из штампованных пластин, либо ленточными. Пластины трансформаторной стали изолируются друг от друга лаком или окисной пленкой, т. е. «окалиной», для уменьшения потерь на вихревые токи. Сердечник стержневого трансформатора имеет два стержня, на которых располагаются обмотки. На каждом стержне сердечника помещается половина витков первичной и половина витков вторичной обмоток. Половины каждой обмотки соединяются между собой последовательно так, чтобы намагничивающие силы этих половин обмоток совпадали по направлению. Стержневые сердечники применяются для трансформаторов различной мощности.
Основными достоинствами стержневого трансформатора являются: большая поверхность охлаждения обмотки; малая индуктивность рассеяния вследствие размещения половинного числа витков на каждой катушке и меньшей толщины намотки; меньший расход обмоточного провода, чем у броневого трансформатора, так как уменьшение намотки вызывает уменьшение средней длины витка обмотки; значительно меньшая, чем в броневом трансформаторе, чувствительность к внешним магнитным полям, так как знаки ЭДС помех, наводимых в обеих катушках трансформатора, противоположны и взаимно уничтожаются.





а) б) в) г) д)
Рисунок 15 – Конструкция трансформаторов: а и б — пластинчатые стержневой и броневой; в и г — ленточные стержневой и броневой; д — тороидальный
В трансформаторе броневого типа первичная и вторичная обмотки помещаются на среднем стержне сердечника. Таким образом, в этом трансформаторе обмотки частично охватываются (бронируются) ярмом. Броневыми наиболее часто выолняются трансформаторы малой мощности. Броневой трансформатор обладает рядом конструктивных достоинств: наличием только одной катушки с обмотками вместо двух при стержневом сердечнике; более высоким коэффициентом заполнения окна сердечника обмоточным проводом; частичной защитой обмотки ярмом сердечника от механических повреждений.
Сердечники маломощных стержневых и броневых трансформаторов выполняются соответственно из П-образных и Ш-образных пластин трансформаторной стали, а также из ленточных сердечников подковообразной формы. В некоторых случаях пластинчатые сердечники трансформаторов делают с уширенным ярмом для уменьшения намагничивающего тока. При этом сечение ярма делают у стержневого трансформатора больше сечения стержня, а у броневого — больше ПОЛОВИНЫ сечения стержня.
Пластинчатые магнитопроводы трансформаторов собираются встык или внахлест. При сборе встык все пластины сердечника составляются вместе, располагаясь одинаково, и сердечник состоит из двух частей, которые затем скрепляются вместе. Сборка внахлест позволяет уменьшить магнитное сопротивление, но усложняет монтаж и демонтаж трансформатора. При сборке внахлест пластины чередуются так, чтобы у соседних пластин разрезы были с разных сторон сердечника. После сборки магнитопровода его стягивают болтами или шпильками.
Стержневые и броневые магнитопроводы из ленточных сердечников собирают встык. Для получения возможно меньшего магнитного сопротивления в местах стыка сердечников их торцевые оверхности шлифуют.
Обмотки и другие токоведущие части трансформатора изолируют. Изоляция должна обеспечивать надежную работу трансформатора в условиях его эксплуатации при значительных колебаниях температуры нагрева. В зависимости от нагревостойкости изоляционные материалы разделяются на семь классов (ГОСТ 8865-70) со следующими предельно допустимыми температурами: класс Y-90°С, A-105°С, E (AB)-120°С, B-130°С, F (BC)-155°С, H (CB)-180°С, и класс С – более 180°С.
Изоляция обмоток должна выдерживать длительное воздействие переменного электрического поля, имеющегося в трансформаторе, и кратковременные перенапряжения, возникающие в условиях эксплуатации трансформатора.
ЛИТЕРАТУРА
1. Иванов-Цыганов А.И. Электротехнические устройства радиосистем: Учебник. - Изд. 3-е, перераб. и доп.-Мн: Высшая школа, 200
2. Алексеев О.В., Китаев В.Е., Шихин А.Я. Электрические устройства/Под ред. А.Я.Шихина: Учебник. – М.: Энергоиздат, 200– 336 с.
3. Березин О.К., Костиков В.Г., Шахнов В.А. источники электропитания радиоэлектронной аппаратуры. – М.: Три Л, 2000. – 400 с.
4. Шустов М.А. Практическая схемотехника. Источники питания и стабилизаторы. Кн. 2. – М.: Альтекс а, 2002. –191 с.