| Скачать .docx |
Реферат: Стенд проверки устройства контроля свободности железнодорожного перегона
Реферат
На тему: Стенд проверки устройства контроля свободности железнодорожного перегона
ВВЕДЕНИЕ
Средства железнодорожной автоматики и телемеханики создают техническую базу для управления перевозочным процессом и обеспечения безопасности движения поездов.
На современном этапе развития общей инфраструктуры железнодорожного транспорта предъявляются дополнительные требования по функциональному развитию и созданию на этой основе условий для комплексного улучшения эксплуатационных показателей всей сети дорог.
Динамика старения технических средств при существующих до настоящего времени темпах их модернизации приводит к усилению факторов, негативно влияющих на безопасность движения поездов, грузооборот, вагонооборот и некоторые другие интегральные показатели функционирования железнодорожного транспорта.
Замена устаревших технических средств однотипными имеет крайне низкую эффективность и большой срок окупаемости. Наиболее эффективна модернизация технических средств, которая обеспечивает экономический эффект комплексно по службам перевозок, пути, локомотивного хозяйства, энергоснабжения и сигнализации.
Централизация управления железными дорогами сокращает эксплуатационные расходы по хозяйству перевозок за счет сокращения дежурных и их помощников на станции и минимизации потерь в поездной работе, особенно на малодеятельных участках, повысит безопасность движения на маршруте движения поезда и обеспечит необходимые условия для оптимального его ведения.
В настоящее время на сети железных дорог внедряются технические средства интервального регулирования движения подвижного состава, в том числе на участках дорог, оборудованных диспетчерской централизацией. Одним из таких технических средств является устройство контроля свободности железнодорожного перегона методом счета осей.
Применение данного устройства позволяет:
- повысить уровень безопасности движения поездов за счет уменьшения количества функций, выполняемых оперативным персоналом в управлении процессами интервального регулирования;
- благодаря получению более оперативной информации о свободности путевых участков и ее высокой достоверности, оптимизировать процесс интервального регулирования;
- совместить контроль счета количества вагонов подвижного состава с контролем состояния свободности перегона;
- автоматизировать регулирование движением поездов после получения информации о свободности или занятости перегона (включение красного или зеленого сигнала светофора, включение стрелки и т.п.).
При ремонте или производстве такого оборудования необходимы приборы, позволяющие проверить качество оборудования. Поэтому ставится задача в разработке стенда для проверки устройства контроля свободности железнодорожного перегона.
1 АНАЛИЗ НАПРАВЛЕНИЯ РАЗРАБОТКИ
Устройство свободности железнодорожного перегона содержит функционально обязательные элементы: два счетных пункта – СП1, СП2 и счетно-решающий прибор СРП. Счетные пункты СП1 и СП2 располагаются на границах контролируемого перегона, обычно у входных светофоров или стрелок. Счетно-решающий прибор СРП устанавливается в помещении дежурного по станции.
Принцип работы системы основан на счете осей колесных пар подвижного состава в пунктах СП1 и СП2, а также в последующем сравнении результатов счета прибором СРП. Фиксация прохождения каждой оси колесной пары выполняется путевыми датчиками ПД1, ПД2, ПД3. Информация, преобразованная приемопередатчиком дискретной информации, передается в СРП из СП1 и СП2. В СРП информация сравнивается. При совпадении результатов измерения, срабатывает контрольно-путевое реле и подает сигнал КП на светофор или стрелку.
В реальных условиях применяется три путевых датчика, что обусловлено жесткими требованиями к качеству системы. Система работает при наличии одинаковой информации хотя бы на двух датчиках из трех. Каждый датчик состоит из четырех зон, последовательность включения которых определяет направление движения подвижного состава.
Стенд проверки устройства контроля свободности железнодорожного перегона должен:
- формировать сигнал занятия рельсовой цепи РЦ для счетных пунктов СП1 и СП2;
- формировать сигнал ИВ для сброса показаний счетно-решающего прибора СРП при сбое;
- имитацию заданного количества осей подвижного состава;
- формировать последовательности импульсов: для зоны1 - 1Т1, для зоны2 – 2Т1, для зоны3 – 1Т2, для зоны4 – 2Т2 в двух направлениях;
- обеспечивать временные сдвиги (в зависимости от скорости движения поезда) между импульсами для различных зон, различных датчиков;
- запоминание результатов испытания;
- вывод информации на индикатор;
2 ОПИСАНИЕ И РАБОТА СТЕНДА
2.1 ОПИСАНИЕ СТЕНДА
2.1.1 ВОЗМОЖНОСТИ СТЕНДА
В этом разделе предоставлено описание основных возможностей стенда и описание действий оператора при эксплуатации стенда. Возможности стенда и действия оператора были продуманы исходя из простоты и удобства эксплуатации, обеспечения реальных условий испытаний.
Стенд позволяет:
- производить испытания устройств контроля свободности железнодорожного перегона методом счета осей, контролируя исправность или неисправность испытываемых устройств;
- запоминать в памяти число имитируемых осей подвижного состава и число сбоев при испытании;
- индицировать результаты испытаний приборов и выводить информацию на принтер;
2.1.2 ОСНОВНЫЕ КОМАНДЫ ПРИБОРА
Управление работой происходит путем ввода команд с клавиатуры, расположенной на лицевой панели стенда. При этом должно загореться приглашение к вводу в виде мигающих цифр. Расположение клавиш команд на лицевой панели стенда показано на рис.2.1.
![]()
![]()
![]()
![]()
![]()
![]()
Для ввода данных перед испытанием, необходимо установить переключатель в положение «настройка», а затем клавишами
![]()
![]()
![]()
![]()
![]()
или установить скорость движения подвижного состава (60,120 или 290 км/ч), выбрать число имитируемых осей в цикле испытания (666 и 999 или 666666 и 999999), направление движения имитируемого поезда (вперед или назад). Запоминание выбранного параметра осуществляется нажатием клавиши «вк»
![]() |
![]() |
![]()
![]()
![]()
![]()
![]()
ВК
Рис.2.1 Расположение клавиш команд на лицевой панели
Далее нужно перевести переключатель в положение «прогон». После этого начинается испытание.
2.1.3 ИНДИКАЦИЯ РЕЗУЛЬТАТОВ ИСПЫТАНИЯ
После завершения цикла испытания на индикаторе будет высвечено количество осей, сымитированных стендом.
При испытании это число постоянно увеличивалось на индикаторе с каждой новой имитацией оси поезда.
Через 30 секунд после испытания число осей на индикаторе начнет мигать, что означает готовность результата испытания. Для индикации результата необходимо снова нажать клавишу «вк».
2.2 ПРИНЦИП РАБОТЫ СТЕНДА
Стенд формирует последовательности импульсов 1Т1, 2Т1,1Т2, 2Т2 в направлении движения поезда «вперед», последовательности 2Т2, 1Т2, 2Т1, 1Т1 – в направлении «назад». Количество импульсов в каждой последовательности равно числу имитируемых осей.
Временной сдвиг между импульсами в каждой последовательности и временной сдвиг между последовательностями имитируются в зависимости от скорости поезда, расстоянием между осями и расстоянием между зонами датчика.
В задачу стенда входит также имитация сигналов путевых датчиков для ввода их на счетные пункты СП1, СП2.
Счетные пункты включаются сигналами РЦ1, РЦ2, которые формируются стендом.
В конце испытания полученные результаты испытания обрабатываются стендом и выводятся на индикатор и принтер.
3 СТРУКТУРНАЯ СХЕМА
Структурная схема стенда состоит из блока контроллера, блока индикации и шести аналогичных имитаторов путевого датчика. Три одних имитатора предназначены для воспроизведения сигналов на входе перегона (для проверки счетного пункта СП1), три других – для воспроизведения сигналов на выходе перегона (для проверки счетного пункта СП2). Кроме того необходим источник питания, для элементов стенда и испытываемых приборов: счетных пунктов СП1, СП2 и счетно-решающего прибора СРП. Структурная схема стенда приведена на рис.3.1.
3.1 БЛОК КОНТРОЛЛЕРА
Блок контроллера включает в себя микроконтроллер с внутренней памятью и внешнюю память, связанную с микроконтроллером через внешний регистр. В функции блока контроллера входит осуществление имитации осей подвижного состава (поезда), а также управление отдельных блоков стенда. В частности он должен обеспечивать:
- генерацию сигналов низкого логического уровня, имитирующих оси движущегося поезда;
- подачу этих сигналов на зоны имитаторов в последовательности, зависящей от направления движения поезда;
- формирование задержки времени между последовательностями импульсов, имитирующей время прохождения осей между зонами;
- формирование задержки времени 4с.перед началом испытания, для подготовки к работе приборов СП1, СП2, и СРП;
- формирование задержки времени 24с. после последнего импульса для получения результатов испытания;
- формирование сигнала занятия рельсовой цепи РЦ перед испытанием;
- формирование сигнала ИВ для сброса показаний прибора СРП при сбое;
- индикацию количества имитируемых осей и результатов испытания;
- хранение в памяти результатов испытания и вывод их на печать;
3.2 ИМИТАТОР ПУТЕВОГО ДАТЧИКА
Имитатор сигналов путевого датчика предназначен для преобразования электрического цифрового сигнала в электрический аналоговый сигнал. Имитатор состоит из четырех зон. С контроллера поступают последовательности импульсов: на одну зону – 1Т1, на другую – 2Т1, на третью – 1Т2, на четвертую – 2Т2.
Каждая последовательность состоит из N импульсов высокого логического уровня, где N – число имитируемых осей поезда. Порядок появления последовательностей зависит от направления движения имитируемого поезда. Длительность импульса t1 (время нахождения оси поезда в зоне датчика), задержка времени t2 (время прохождения оси между зонами датчика) и период Т (время между осями поезда) - зависят от скорости движения поезда.
При поступлении на вход имитатора последовательностей импульсов 1Т1, 2Т1, 1Т2, 2Т2 на выходе формируется синусоидальный сигнал амплитудой 200mВ с частотой 70кГц той или иной фазы. Вид этих сигналов показан на рис.3.2.
3.3 БЛОК ИНДИКАЦИИ И ПЕЧАТИ
Блок индикации предназначен для визуальной оценки оператором результатов испытания. Во время испытания, с увеличением числа имитируемых импульсов, увеличиваются показания индикатора. Таким образом можно следить за формированием импульсов осей поезда.
U1T1
![]()
![]()
t1 T
![]()
![]()
![]()
![]()
![]()
![]()
![]()
t
![]()
![]()
![]()
![]()
![]()
![]()
U2T1 t2
![]()
![]()
![]()
![]()
![]()
![]()
![]()
![]()
![]()
![]()
t ![]()
![]()
U1T2
![]()
![]()
![]()
t
U2T2
![]()
![]()
![]()
![]()
![]()
t
![]()
![]()
![]()
![]()
![]()
Рис.3.2 Последовательности импульсов 1Т1, 2Т1, 1Т2, 2Т2
По окончании испытания на дисплей индикатора выводится результат испытания, а также в блоке контроллера формируется отрицательный импульс запуска печати STROBE, длительностью 1мкс. Если сигнал BUSYc принтера при этом имеет уровень логического нуля, то импульс запуска печати подается на выходной соединитель «принтер».
4 ПРИНЦИПИАЛЬНАЯ СХЕМА
4.1 БЛОК КОНТРОЛЛЕРА
4.1.1 МИКРОКОНТРОЛЛЕР
В качестве микроконтроллера выбираем микросхему КМ1816ВЕ751, выполненную на основе высокоуровневой n-МОП технологии в корпусе БИС, имеющем 40 внешних выводов. Через четыре программируемых порта ввода/вывода Р0…Р3 микроконтроллер взаимодействует с внешними устройствами. Цоколевка корпуса КМ1816ВЕ751 показана на рис.4.1
Выходные драйверы портов Р0 и Р2, а также входной буфер порта Р0 используются при обращении к внешней оперативной памяти данных. При этом через порт Р0 в режиме временного мультиплексирования сначала вводится младший байт адреса, а затем выдается или принимается байт данных. Через порт Р2 выводится старший байт адреса, так как разрядность адреса равна 16 бит. Вывод RST предназначен для входа сигнала высокого уровня, после которого в регистры-защелки всех портов автоматически записываются единицы, настраивающие их тем самым на режим ввода.
Выходные драйверы портов Р0 и Р2, а также входной буфер порта Р0 используются при обращении к внешней оперативной памяти данных. При этом через порт Р0 в режиме временного мультиплексирования сначала вводится младший байт адреса, а затем выдается или принимается байт данных. Через порт Р2 выводится старший байт адреса, так как разрядность адреса равна 16 бит. Вывод RST предназначен для входа сигнала высокого уровня, после которого в регистры-защелки всех портов автоматически записываются единицы, настраивающие их тем самым на режим ввода.
К выводам BQ1,BQ2 подключается кварцевый резонатор, который управляет работой внутреннего генератора, который в свою очередь формирует сигналы синхронизации. Устройство управления контроллером на основе сигналов синхронизации формирует машинный цикл фиксированной длительности, равной двенадцати периодам частоты резонатора.
![]() |
1
2![]()
Р1.0 Ucc 40
![]()
Р1.1 КМ1816ВЕ751 Р0.0 39
![]()
3 Р1.2 Р0.1 38
![]()
4 Р1.3 Р0.2 37
![]()
5 Р1.4 Р0.3 36
![]()
6 Р1.5 Р0.4 35
![]()
7 Р1.6 Р0.5 34
![]()
8 Р1.7 Р0.6 33
Р0.7 32
9 RST ![]()
10
P3.0 DEMA 31
![]()
11 P3.1 ALE 30
![]()
12 P3.2 PME 29
![]()
13 P3.3 Р2.7 28
![]()
14 P3.4 Р2.6 27
![]()
15 P3.5 Р2.5 26
16
P3.6 Р2.4 25
17 P3.7 Р2.3 24
![]()
18
BQ2 Р2.2 23
19
BQ1 Р2.1 22
20 GND Р2.0 21
Рис.4.1 Цоколевка корпуса МК751 и наименование выводов
Весь машинный цикл состоит из двенадцати фаз. Дважды за один машинный цикл формируется сигнал ALE, который используется для управления процессом обращения к внешней памяти и индикации. Большинство команд контроллера выполняются за один машинный цикл, кроме команд, связанных с обращением к внешней памяти.
По выводам P1.0 ... P1.3 порта P1 подаются последователь- ности импульсов 1Т1, 2Т1, 1Т2, 2Т2 на зоны имитаторов путевых датчиков. Выводами Р1.4 … Р1.6 в определенный момент подключаются нужные имитаторы ИМ1 и ИМ4, ИМ2 и ИМ5 или ИМ3 и ИМ6. На вывод Р1.7 приходит сигнал о разряде батареи, питающей внешнюю память.
С помощью выводов Р3.0, Р3.1 контроллер управляет индикатором. С вывода Р3.2 подается стробирующий сигнал запуска печати на разъем принтера. Перед началом цикла прогона, через вывод Р3.3, подается сигнал низкого логического уровня ИВ длительностью импульса 1с. на счетно-решающий прибор СРП для сброса информации при сбое. С вывода Р3.4 подается сигнал низкого уровня РЦ на счетные пункты СП1, СП2. Выводы Р3.6 и Р3.7 предназначены для стробирующих сигналов записи во внешнюю память данных WR и чтения из внешней памяти данных RD. Формирование сигналов РЦ для счетных пунктов СП1, СП2 показано на рис.4.2, сигнала ИВ для счетно-решающего прибора СРП – на рис.4.3.
4.1.2 ОРГАНИЗАЦИЯ ВНЕШНЕЙ ПАМЯТИ
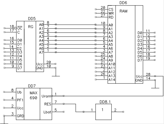
При работе микроконтроллера с внешней памятью используется внешний адресный регистр DD5, в котором по спаду сигнала ALE записываются адреса внешней памяти контроллера. Внешняя оперативная память данных выполнена на микросхеме DD6. При подаче сигнала WR во внешнюю память записывается информация, а при подаче сигнала RD из внешней памяти считывается информация. Для питания внешней памяти предназначена микросхема DD7.При включении питания на выходе микросхемы появляется сигнал низкого логического уровня RES, который инвертируется с помощью микросхемы DD8.1 и подается на микроконтроллер. Организация внешней памяти показана на рис.4.4.
DD2
![]() |
![]()
![]()
1 1 2 R1
![]()
![]()
![]()
![]()
![]()
![]()
![]()
![]()
РЦ
![]()
![]()
![]()
3 4 DA1

![]()
1 1
![]()
![]()
5 1 6
![]()
![]()
+15V СП
![]()
![]()
![]()
2 3
9 1 8
![]()
![]()
11 10
![]()
1
![]()
13 1 12
![]()
![]()
![]()
Рис.4.2 Формирование сигналов РЦ
DD3
![]()
![]()
![]()
![]()
![]()
![]()
![]()
![]()
![]()
![]()
![]()
![]()
1 1 2 R2 DA2 ИВ
1
![]()
![]()
4
![]()
![]()
![]()
3 4
1 ![]()
![]()
![]()
![]()
![]()
![]()
![]()
![]()
![]()
![]()
![]()
5 6 2 +15V СРП
![]()
![]()
![]()
![]()
1 3
![]()
![]()
9 1 8
11 1 10
![]()
13 1 12
Рис.4.3 Формирование сигнала ИВ
Рис.4.4 Организация внешней памяти
Для передачи данных на порт Р0 микроконтроллера предназначен восьмиразрядный магистральный передатчик DD10 без инверсии входной информации КР1533АП14, приведенный на рис.4.5.
![]()
![]()
DD9
DD10
![]()
![]()
![]()
![]()
![]()
![]()
К СРП 1 2 ![]()
![]()
![]()
2 D1/0 DS D0.0 3
![]()
![]()
![]()
![]()
![]()
SA1 4 D1.1 D0.1 5
![]()
6 D1.2 D0.2 7
SB1 8 D1.3 D0.3 9
![]()
![]()
![]()
![]()
![]()
![]()
![]()
+5V SB2 12 D1.4 D0.4 11
![]()
![]()
![]()
![]()
![]()
![]()
SB3 14 D1.5 D0.5 13
BUSY
![]()
16 D1.6 D0.6 15
RD 18 D1.7 D0.7 17
![]()
![]()
![]()
![]()
![]()
![]()
1 CO1 Ucc 20 +5V
DD8.2
![]()
![]()
![]()
![]()
![]()
![]()
19 CO2 GND 10
A15 3 1 4
![]()
![]()
![]()
![]()
Рис.4.5 Передача данных через магистральный передатчик
На вывод D1.0 передатчика через преобразователь уровня DD9, выполненный на микросхеме К564ПУ4 поступает сигнал КП со счетно-решающего прибора СРП. Преобразователь уровня необходим для уменьшения амплитуды импульса с 15В до 5В. На вход D1.6 поступает сигнал BUSY с принтера. На выводы D1.1,D1.2 поступают сигналы режима работы стенда «прогон» или «настройка».На выводы D1.3, D1.4, D1.5 поступают сигналы с кнопок настройки стенда ,
![]()
![]()
![]()
![]()
![]()
![]()
![]()
![]()
![]()
![]()
, вк . Передача данных осуществляется при наличие напряжения низкого логического уровня на обоих управляющих входах СО1 и СО2, когда приходит сигнал считывания RD с микроконтроллера и не подключена внешняя память.
4.2 БЛОК ИНДИКАЦИИ И ПЕЧАТИ
4.2.1 БЛОК ИНДИКАЦИИ
Индикация информации осуществляется с помощью жидкокристаллического дисплея AC162BGILY-13H. Индикатор может отображать по 16 чисел в двух рядах. Цоколевка корпуса и наименование выводов индикатора показано на рис. 4.6.
На выводы D0…D7 поступает информация в 8-разрядном коде с микроконтроллера. При поступлении на вывод RS сигнала низкого уровня вводятся адреса, при сигнале высокого уровня – данные. На вывод RW поступает сигнал низкого уровня для записи данных. Работа индикатора осуществляется по спаду импульса ALE. Вывод R1 предназначен для регулировки яркости свечения.
HL1
![]()
![]()
![]()
7
D0 DPY
8 D1 LCD
9 D2
10 D3
11 D4
12 D5
13 D6
14 D7
![]()
6 ALE
5 RS
4 RW
![]()
3 Ucc
2 R1
1GND
Рис.4.6 Цоколевка корпуса и наименование выводов индикатора
4.2.2 ВЫВОД НА ПЕЧАТЬ
Для вывода на печать результатов испытания применяется схема, приведенная на рис.4.7.
DD11
![]()
![]()
D0 1 2
![]()
![]()
![]()
1
D1 3 4
1 XS1
![]() |
![]()
![]()
![]()
![]()
![]()
![]()
D2 5 6
| Кон. | Цепь |
| 1 | D0 |
| 2 | D1 |
| 3 | D2 |
| 4 | D3 |
| 5 | D4 |
| 6 | D5 |
| 7 | D6 |
| 8 | D7 |
| 9 | |
| 10 | BUSY |
| 11 | GND |
1
![]() |
![]()
![]()
D3 9 8
![]()
![]()
1
![]()
D4 11 1 10
![]() |
![]() |
|
![]()
D5 13 12
![]()
![]()
![]()
![]()
1
DD8.3
![]() |
D6 5 1 6
![]()
![]()
![]()
D7 9 1 8
![]() |
![]()
![]()
![]()
R4
![]()
![]()
![]()
1DD8.4
2 STROBE 11 1 10
![]()
3
![]()
![]()
![]()
![]()
+5V 4
5 13 1 12 BUSY
![]()
![]()
![]()
6
7
![]()
![]()
8
Рис.4.7 Вывод на печать
![]()
![]()
![]()
На контакты 1…8 разъема XS1 поступает информация в 8-разрядном коде с микроконтроллера. Инверторы DD11, DD8.3 предназначены для компенсации потерь в кабеле принтера. Сопротивление R4 является нагрузкой для микроконтроллера. Инверторы DD8.4 необходимы для формирования сигналов STROBE и BUSY. При поступлении сигнала STROBE осуществляется вывод на печать, при условии, что имеется сигнал низкого уровня BUSY на входе микроконтроллера.
4.2 ИМИТАТОР ПУТЕВОГО ДАТЧИКА
4.2.1 СХЕМА СОВПАДЕНИЯ
При установке переключателя SA1 в положение «прогон», через 4с. начнут формироваться сигналы с микроконтроллера. С помощью схем совпадения DD12…DD14 происходит управление работой имитаторов. На рис.4.8 показано включение схем совпадения.
![]()
ИМ1, ИМ4
DD12
![]()
![]()
![]()
1
![]()
![]()
2 & 3 1Т1
5
4 2Т1
![]()
![]()
6 &
8
9 & 10 1Т2
![]()
![]()
![]()
![]()
12
13 & 11 2Т2 ИМ2,ИМ5 DD13
![]()
![]()
![]()
![]()
![]()
![]()
![]()
1
![]()
2 & 3 1Т1
![]() |
||
![]()
![]()
![]()
![]()
![]()
5
6 & 4
ИМ3, ![]()
![]()
8



ИМ6 DD14 & 10 1Т2
![]()
![]()
![]()
![]()
1 & 3 1Т1 9
2 12
![]()
![]()
5 & 11 2Т2
![]()
![]()
![]()
6 & 4 2Т1 13
![]()
8
9 & 10 1Т2
![]()
12
13 & 11 2Т2
Рис.4.8 Включение схем совпадения на ИС К564ЛА7
На выводы 1, 5, 8, 12 микросхем DD11…DD13 приходит сигнал низкого уровня с выводов Р1.0…Р1.2 микроконтроллера когда необходимо включить имитатор того или иного путевого датчика. На выводы 2, 6, 9, 13 поступают импульсные последовательности 1Т1, 2Т1, 1Т2, 2Т2 логического уровня с выводов Р1.3…Р1.6 микроконтроллера. На выводах 3, 4, 10, 11 микросхем DD11…DD13 появляются сигналы низкого уровня для четырех зон имитаторов.
4.2.2 ИНВЕРТОР
В качестве инвертора выбираем микросхему К564ЛН2, обладающую высокой нагрузочной способностью – до1mA наножку. Так как нагрузочный ток инвертора будет около 5mA, то для каждой зоны имитатора используем по шесть элементов НЕ. Микросхема К564ЛН2, состоящая из 6 элементов НЕ и расположение ее выводов показано на рис.4.9.
![]()
![]()
DD15
1 2
![]()
1
![]()
3 1 4
5 1 6
9 1 8
![]()
![]()
![]()
11 1 10
13 12
![]()
1
Рис.4.9 Микросхема К564ЛН2 и расположение ее выводов
4.2.3 ОПТО-ЭЛЕКТРОННОЕ РЕЛЕ
Для имитации наезда поезда на зону датчика применяется оптоэлектронное реле КР293КП3А. Схема включения реле приведена на рис.4.10.
![]()
![]()
DA3
1 8
![]() |
![]() |
||||
![]()
![]()
![]()
![]()
![]()
зона1 R5 2 7 R6
![]() |
||
![]()
4 5
![]()
![]()
![]()
![]()
![]()
![]()
зона2 3 6 R7
Рис.4.10 Опто-электронное реле
Принцип работы опто-электронного реле заключается в том, что при сигнале высокого уровня на входе зоны1, между выводами 1, 2 реле протекает ток, зажигая светодиод. При этом замыкается контакт между выводами 7, 8 и резистор R6 подключается параллельно первой вторичной обмотке трансформатора. Это приводит к разбалансировке моста, образованного первой и второй вторичными обмотками трансформатора Т1 на выходе имитатора и образованию сигнала радиочастоты определенной фазы.
При появлении сигнала высокого уровня на входе зоны 2 – замкнется контакт между выводами 5, 6 и сопротивление R7 приведет к разбалансировке моста, но появится сигнал радиочастоты другой фазы. Аналогично работает опто-электронное реле зоны3 и зоны4.
4.2.4 РАСЧЕТ ТРАНСФОРМАТОРА
Для имитации работы путевого датчика применяется трансформатор Т1, который должен обладать следующими данными:
Мощность трансформатора: Р=8 Вт;
Синусоидальное входное напряжение: U1 =24 B;
Частота: f=30 кГц;
Напряжение вторичной обмотки: U2 =14,5 В;
Число вторичных обмоток: 4;
Допустимый перегрев: Т =50о С;
Температура окружающей среды: T0 =70о С;
Методика расчета трансформатора взята из ( ).
РАСЧЕТ:
1 В качестве материала магнитопровода выбираем феррит марки
М2500НМС1 с параметрами:
1.1 коэффициент удельных потерь ферромагнитного материала: А=110;
1.2 удельная мощность потерь в магнитопроводе: p0 =3,4* 10-2 Вт/см3 ;
1.3 коэффициент теплоотдачи: а=1.4;
2 Определяем граничную частоту трансформатора:
fкр =(3,98* 107 А)* Т/ Р, где
А – удельная мощность потерь в магнитопроводе;
Т – допустимый перегрев;
Р – мощность трансформатора;
fкр =905 кГц
3 Определяем объем магнитопровода трансформатора:
![]()
![]()
Vм
=1,5 (А *
kдоб
kм
) *
(Р/f1/4
*
Т), где
kм – коэффициент заполнения окна магнитопровода активным материалом (берем kм =0,25);
kдоб – коэффициент увеличения сопротивления обмотки при повышенной частоте (kм =2);
f – частота;
Vм =0,54 см3
4 Рассчитанный объем реализуем на магнитопроводе К !6*10*4,5. При этом:
объем магнитопровода: Vм =0,55 см3 ;
сечение магнитопровода: Sм =0,135 см2 ;
длина средней линии магнитопровода: Lм =4,08 см;
площадь окна трансформатора: Sок =0,785 см2 ;
5 Определим токи в обмотках:
J1 =P/U1 ; J1 =0,33 A
J2 =P/U2 ; J2 =0,14 A
6 Определим коэффициент трансформации:
n=U1 /U2 ; n=1,66
7 Определим оптимальное значение магнитной индукции в магнитопроводе:
Вm =0,113 * P* (kдоб * kт )1/4 А1/4 * f7/8 * Vм 2/3 , где
kт – коэффициент увеличения сопротивления при нагреве(kт =1,4);
Bm =20 * 10-6 В * с/см2
8 Определим число витков первичной и вторичной обмоток:
w1 =U1 /4,44 * f * Sм * Bm ; w1 =20
w2 =w1 /n; w2 =12
9 Определим мощность потерь в магнитопроводе:
Рм =р0 * (f / fн )а * (Bm /Bm н )b * Vм , где
fн – нормированное значение частоты (fн =103 );
Bm – нормированное значение магнитной индукции (Bm =10-4 В*с/см2 );
Рм =0,5 Вт
10 Определим плотность тока в обмотках:
j1 =(р0 /2Vм * kм * р * kдоб * kт )1/2 ,где
р – удельное электрическое сопротивление обмотки (р=1,7* 10-6 Ом* см);
j1 =6,2 А/мм2
11 Выберем сечение и диаметр проводов обмоток:
q1 =J1 /j1 ; q1 =0,053 мм2
d1 =1,13 * q 1 ; d1 =0,26 мм
Выбираем для обоих обмоток провод ПЭВ1 диаметром d=0,35 мм.
12 Определим реальный коэффициент заполнения окна магнитопровода:
kмр =(w1* q1 + 4w2 * q1 )/Sок ; kмр =0,004<0,25
13 Определим мощность потерь в обмотках:
Рк =j1 2 * p* Vм * kR , где
kR – коэффициент, учитывающий увеличение сопротивления на повышенных частотах за счет вытеснения тока к поверхности проводника ( kR =1,2 при d=0,35; f=30 кГц);
Рк =0,8 * 10-6 Вт
14 Определим мощность потерь в трансформаторе:
Ртр =Рк +Рм ; Ртр =0,5 Вт
15 Определим активное сопротивление вторичной обмотки:
R=U2 /J1 ; R=103,5 Ом
16 Определим индуктивность рассеяния тороидального трансформатора:
LS =(м0 /p)* w1 2 * Lоб * (в / h), где
м0 – магнитная постоянная (м0 =4p* 10-9 Гн/см);
в – толщина обмотки (в=0,075 см);
h – высота обмотки (h=0,45 см);
Lоб - длина витка обмотки (Lоб =1,5 см);
LS =1 мкГн
5 АЛГОРИТМ УПРАВЛЯЮЩЕЙ ПРОГРАММЫ
Схема алгоритма управляющей программы микроконтроллера приведена на рис.5.1. При включении питания на счетно-решающий прибор СРП подается сигнал сброса ИВ, приводя его в исходное состояние.
При положении переключателя в режиме «настройка» можно ввести требуемые для испытания параметры: количество осей в цикле (N), направление движения (вперед или назад), скорость движения (60, 120, 290 км/ч). После ввода параметров необходимо перевести переключатель в режим «прогон», для запуска испытания.
В режиме «прогон» сначала считываются из памяти параметры t1 (время наезда оси поезда на зону), t2 (время задержки между наездами оси поезда на соседние зоны), t3 (время задержки между наездами оси поезда на соседние имитаторы датчиков), Т (время задержки между соседними осями имитируемого поезда). Причем параметры t1, t2, t3 и Т зависят от заданной перед испытанием скорости. Затем подается сигнал на занятие рельсовой цепи РЦ в счетные пункты СП1 и СП2.
После подачи сигнала РЦ необходима задержка времени 4с. для того, чтобы испытываемые приборы подготовились к работе.
Далее следует формирование цикла испытания. Здесь формируются сигналы, имитирующие прохождение осью поезда каждой зоны имитаторов путевых датчиков ИМ1…ИМ6 и задержек времени, необходимых для приближенности к работе датчиков в реальных условиях.
При прохождении N-сигналов, заданных перед испытанием осей, контроллер начинает ожидать сигнал КП, со счетно-решающего прибора СРП. При получении сигнала КП, контроллер должен быть готов к прохождению нового цикла. Если сигнал КП не получен контроллером в течение 30с., то должен увеличиться счетчик сбоев контроллера на единицу и эта информация отображается на индикаторе. В это же время контроллер генерирует импульс STROBE на принтер, разрешая тем самым вывод информации на печать.
5.1 АЛГОРИТМ МОДУЛЯ ФОРМИРОВАНИЯ ЦИКЛА
Схема алгоритма модуля формирования цикла показана на рис.5.2.
При движении подвижного состава вперед подаются сигналы сначала на зоны1 имитаторов ИМ1 и ИМ4, на зоны2 имитаторов ИМ1 и ИМ4, зоны3 имитаторов ИМ1 и ИМ4, зоны4 имитаторов ИМ1 и ИМ4. Затем подаются сигналы на зоны1 имитаторов ИМ2 и ИМ5, зоны2 имитаторов ИМ2 и ИМ5, зоны3 имитаторов ИМ2 и ИМ5, зоны3 имитаторов ИМ2 и ИМ5, зоны4 имитаторов ИМ2 и ИМ5. Далее сигналы подаются на зоны1 имитаторов ИМ3 и ИМ6, зоны2 имитаторов ИМ3 и ИМ6, зоны3 имитаторов ИМ3 и ИМ6, зоны4 имитаторов ИМ3 и ИМ6. Имитаторы ИМ1, ИМ2, ИМ3 имитируют путевые датчики начала перегона, а имитаторы ИМ4, ИМ5, ИМ6 – путевые датчики конца перегона. Между сигналами каждой зоны необходимо сделать задержку на время t2, а между имитаторами ИМ1 и ИМ4, ИМ2 и ИМ5, ИМ3 и ИМ6 – на время t3.
При движении поезда в другом направлении, сигналы подаются в обратном порядке: сначала на зоны ИМ3 и ИМ6, а в конце – на зоны ИМ1 и ИМ4.
![]()
![]()
![]()
![]()
да нет
|
|
||
![]() |
![]() |
|
|
![]() |
![]() |
![]() |
![]() |
|
|
![]()
![]() |
|
![]() |
|
![]() |
![]() |
![]()
![]() |
|
|
|
![]() |
|
![]() |
|
![]() |
![]() |
![]() |
Рис. 5.2 Алгоритм формирования цикла
ВЫВОДЫ
При выполнении раздела «Безопасность и экологичность проекта» были выявлены наиболее благоприятные условия труда в помещении, в котором ведутся испытания приборов. Приведена классификация данного помещения по различным параметрам условий труда. Все принимаемые в разделе проектные решения подтверждены ссылками на нормативные документы и литературные источники.
Предлагаемые мероприятия являются реальными, то есть обеспечивают выполнение требований безопасности труда при эксплуатации и изготовлении разрабатываемого в проекте стенда, предназначенного для проведения испытаний.
ЗАКЛЮЧЕНИЕ
Дипломный проект посвящен разработке стенда для проведения испытаний. Разработаны структурная и принципиальные схемы прибора, алгоритм управляющей программы, передняя панель и конструкция. Проведен расчет трансформатора имитатора путевого датчика.
В экономической части рассчитана себестоимость разработки и изготовления прибора.
При выполнении раздела «Безопасность и экологичность проекта» были выявлены наиболее благоприятные условия труда в помещении, в котором должны вестись испытания приборов. Приведена классификация данного помещения по различным параметрам условий труда.
Техническое задание выполнено полностью. Разработанные документы можно использовать в производстве прибора.
Список использованных источников
1. Сташин В.В., Урусов А.В. Проектирование цифровых устройств на однокристальных микроконтроллерах. М.: Энергоатомиздат, 1990. 224с.
3. Аналоговые интегральные схемы: Справочник/ А.Л.Булычёв, В.И.Галкин, В.А. Прохоренко. Мн.: Беларусь, 1993. 382 с..
4. Краткий справочник конструктора радиоэлектронной аппаратуры/ Под ред. Р.Г.Варламова. М.: Сов. Радио, 1973.
5. В.Л. Шило. Популярные микросхемы КМОП. М.: Ягуар, 1993. 64 с.
7. 7 Резисторы: Справочник / В.В. Дубровский, Д.М. Иванов, Н.Я. Пратусевич и др.; Под ред. И.И. Четверткова. М.: Радио и связь, 1991. 528 с.
8. Конденсаторы: Справочник / И.И. Четвертков, М.Я. Дьяконов, В.И. Присняков и др.; Под ред. И.И. Четверткова. М.: Радио и связь, 1993. 392 с.
9. Стандарт предприятия. Общие требования и правила оформления дипломных и курсовых проектов (работ) СТП УГТУ-УПИ 1-96. Екатеринбург: Ротапринт УГТУ, 1996. 33 с.
10. Организация и планирование радиотехнического производства. Управление предприятием радиопромышленности: Учеб. Для радиотехн. cпециальностей вузов/ Д.Д. Воейков, Л.Г. Головач, Т.А. Горская и др. М.: Высш. шк., 1987. 351 с.
11. Громова Р.А. Организация и планирование машиностроительного производства: Учеб. Для экон. спец. Машиностр. Техникумов. М.: Высш. шк., 1986. 319 с.
12. Долан Э.Дж., Линдсей Д. Микроэкономика. С-Пб., 1994. 448 с.
13. Долин П.А. Справочник по технике безопасности. М.: Энергоиздат, 1985. 824 с.
14. Денисенко Г.Ф. Охрана труда: Учеб. пособие для инж.-экон. спец. вузов. М.: Высш. шк., 1985. 319 с.
15. Безопасность и экологичность проекта: Методические указания к дипломному проектированию/ Фетисов И.Н., Сафронов Е.В., Тягунов Г.В. Екатеринбург: УПИ, 1992. 18 с.
16. ГОСТ 12.1.005-88 ССБТ. Общие санитарно-гигиенические требования к воздуху рабочей зоны.
17. ГОСТ 12.2.032-78 ССБТ. Рабочее место при выполнении работ сидя. Общие эргономические требования.
18. ГОСТ 12.1.030-81 ССБТ. Электробезопасность. Защитные заземления. Зануление.
19. ГОСТ 12.4.009-83 ССБТ. Пожарная техника для защиты объектов. Основные виды. Размещение и обслуживание.
20. ГОСТ 12.4.021-75 ССБТ. Системы вентиляции. Общие требования.
21. ГОСТ 12.1.013-78 ССБТ. Строительство. Электробезопасность. Общие требования.
22. ГОСТ 12.0.002-80 ССБТ. Термины и определения.
23. СНиП 2-4-79. Строительные нормы и правила. Нормы проектирования. Естественное и искусственное освещение. М.: Стройиздат, 1980. 57 с.
24. СНиП 2-68-78. Нормы проектирования. Высшие учебные заведения. М.: Стройиздат, 1979. 24 с.





























