| Скачать .docx |
Реферат: Случайный пространственный сигнал в дальней зоне источника излучения. Пространственно-временная эквивалентность и принципы пространственной обработки сигналов
БЕЛОРУССКИЙ ГОСУДАРСТВЕННЫЙ УНИВЕРСИТЕТ ИНФОРМАТИКИ И РАДИОЭЛЕКТРОНИКИ
кафедра ЭТТ
РЕФЕРАТ на тему:
« Случайный пространственный сигнал в дальней зоне источника излучения. Пространственно-временная эквивалентность и принципы пространственной обработки сигналов »
МИНСК, 2008
Случайный пространственный сигнал в дальней зоне источника излучения
Часто в плоскости излучения имеет место не регулярный, а случайный пространственный сигнал. Например, это относятся к отраженному сигналу или мешающим отражениям, когда амплитудно-фазовое распределение поля в плоскости излучения практически является пространственно-некоррелированным, корреляционная функция которого определяется двумерной дельта-функцией
,
где
- спектральная плотность пространственно-некоррелированного излучения, размерность которой -
.
Корреляционная функция случайного пространственного сигнала в дальней зоне источника излучения с учетом ограниченного размера раскрыва излучателя ХУ определяется следующим образом:

где
,
.
Полученный результат следует интерпретировать следующим образом. В отличие от направленного излучения при регулярном АФР на раскрыве источника, излучение пространственно-некоррелированногоисточника не является направленным. Диаграмма излучения такого источника является многолепестковой (рис. 1). Корреляционная функция сигнала в выходной плоскости
имеет форму
, а ее ширина, определяющая область корреляции случайного пространственного сигнала в дальней зоне источника излучения равна:
- по пространственным частотам
,
,
- по углам
,
,
- по координатам
в дальней зоне
,
.
Следует обратить внимание, что угловой размер области корреляции случайного пространственного сигнала в дальней зоне источника излучения по существу определяется шириной одного лепестка многолепестковой диаграммы направленности такого источника излучения
,
.
Пространственные характеристики отраженного сигнала, шума, мешающих излучений и отражений на раскрыве приемной антенны
Отраженный сигнал. Пространственная структура отраженного от сосредоточенного объекта наблюдения сигнала определяется хаотическим или случайным распределением его блестящих точек. Благодаря этому размеры области пространственной корреляции такого сигнала следует считать значительно меньшими размеров объекта обратного вторичного излучения. Таким образом, сигнал в плоскости обратного вторичного Излучения можно считать пространственно-некоррелированным.
В таком случае размеры области пространственной корреляции отраженного сигнала на раскрыве приемной антенны определяются длиной
, геометрическими размерами объекта
и расстоянием до него
:

.
![]() |
Рис. 1. Диаграмма излучения источника пространственно – некоррелированного сигнала
Рис. 2. Пояснение пространственной структуры мешающих отражений
Таким образом, область пространственной корреляции отраженного сигнала у раскрыва приемной антенны определяется произведением ширины лепестка диаграммы обратного вторичного излучения объекта и расстояния по него. Как правило, размеры области пространственной корреляции отраженного сигнала в зоне приема значительно превосходят геометрические размеры раскрыва приемной антенны, Такой сигнал по аналогии с соответствующим временным сигналом (
) следует называть пространственным медленно флуктуирующим случайным процессом (
).
Шумы. Источниками внутренних пространственных шумов являются каналы многоканального приемного устройства, подключенные к соответствующим элементам многоэлементной антенны. Эти шумы являются не только некоррелированными во времени, но и пространственно-некоррелированными.
Мешающие отражения. Мешающие отражения обусловлены рассеянием излученного системой сигнала распределенными отражателями. Область пространства распределенных отражателей, облучаемая или подсвечиваемая зондирующим сигналом, хотя и является ограниченной, но может быть очень большой, т.к. ее размеры определяются направленными свойствами передающей антенны и расстоянием до подсвечиваемой области отражателей
(рис. 2).
По отношению к такому источнику вторичного рассеянного излучения приемная антенна РЛС находятся не в дальней, а в ближней зоне, поскольку
.
Поэтому по отношению к приемной антенне источник рассеянного излучения должен рассматриваться как бесконечно протяженный. Вывод о том, что размер области корреляции мешающих отражений у раскрыва приемной антенны определяется размером раскрыва передающей антенны

является неверным, поскольку концепция, положенная в основу его расчета, справедлива только для дальней зоны. Учитывая, что приемная антенна по отношению к источнику рассеянного излучения находится в ближней зоне, можно считать это обратное вторичное излучение пространственно неограниченным некоррелированным случайным процессом, а мешающие отражения у раскрыва приемной антенны пространственно некоррелированным шумом.
Пространственно-временная эквивалентность и принципы пространственной обработки сигналов
Существует подобие, аналогия, эквивалентность между временными и пространственными понятиями, представлениями, категориями и характеристиками, что ведет к аналогии Принципов пространственной и временной обработки. Систематизированный перечень основных аналогий сведен в таблицу соответствия временной и пространственной обработки.
Таблица 1. Таблица соответствия временной и пространственной обработки сигналов
| Временная | Пространственная |
| 1. Междупериодная временная обработка | 1.Междупериодная пространственная обработка |
| 2. Период повторения ( |
2. Интервал между элементами раскрыва приемной антенны ( |
| 3. Время наблюдения – время обработки ( |
3. Пространство наблюдения – пространство обработки ( |
| 4. Интервал корреляции флуктуаций (интервал когерентности) случайного процесса ( |
4. Область корреляции флуктуаций (область когерентности) случайного пространственного сигнала ( |
| 5.Коэффициент междупериодной корреляции флуктуаций случайного процесса ( |
5. Коэффициент междуканальной корреляции случайного пространственного сигнала ( |
| 6. Спектральная (скоростная) селекция | 6. Спектральная (угловая) селекция |
| 7. Радиальная скорость объекта ( |
7. Угловое отклонение объекта наблюдения от нормали к раскрыву приемной антенны ( |
| 8. Доплеровское смещение частоты отраженного сигнала или мешающих отражений |
8. Пространственная (угловая) частота отраженного сигнала или мешающего излучения |
9. Доплеровский набег фазы отраженного сигнала или мешающих отражений за период повторения
|
9. Поканальный набег фазы отраженного сигнала или мешающего излучения
|
Наличие принципиального подобия временных и пространственных характеристик сигналов и помех позволяет сформулировать основные принципы пространственной обработки на базе известных принципов временной обработки.
1. Пространственная обработка сигналов делится на пространственную когерентную компенсацию мешающих излучений и пространственное когерентное накопление сигнала.
2. Пространственная когерентная компенсация мешающих излучений предназначена дляих подавления и выравнивания (обеливания) их углового спектра.
3. Пространственное когерентное накопление сигнала предназначено для полного использования энергии принятого сигнала со всего раскрыва приемной антенны с целью его выделения.
Пространственное когерентное накопление сигнала
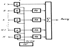
Пространственное когерентное накопление со всего раскрыва приемной антенны эквивалентно временному когерентному накоплении на всем интервале наблюдения. Если временное когерентное накопление сигнала осуществляется путем компенсации доплеровского смещения частоты сигнала (коррекции доплеровского набега фазы сигнала за период повторения) и последующего временного интегрирования (череспериодного суммирования), то пространственное когерентное накопление сигнала осуществляется путем компенсации углового направления на объект наблюдения (цель), т.е. коррекции поканального набега фазы принятого сигнала, и последующего пространственного интегрирования (междуканального суммирования) сигнала по всему раскрыву антенны (рис. 3).
С помощью фазовращателей обеспечивается синфазность сигналов, принятых отдельными элементами рвскрыва. Междуканальное суммирование приводит к синфазному (когерентному) сложению этих сигналов. Такая схема обеспечивает формирование зоны угловой фильтрации только для одного углового направления (рис. 4).
Для угловой фильтрации одновременно нескольких направлений требуется такое же число диаграммообразуюших каналов. Пространственное когерентное накопление, т.е., фазовая коррекция и между-канальное суммирование, может осуществляться как на высокой, так и на промежуточной частоте.
![]() |
Примером устройства пространственного когерентного накопления сигнала является параболическая антенна, в фокусе зеркала, которой по законам геометрической оптики происходит синфазное (когерентное) сложение сигналов со всего раскрыва антенны при условии, что фронт волны параллелен плоскости раскрыва, т.е.
![]() |
Рис. 3. Схема пространственного когерентного накопления сигнала.
Рис. 4. Диаграмма направленности антенны – зона угловой фильтрации сигнала.
![]() |
Рис. 5. Параболическая антенна – устройство пространственного когерентного накопления сигнала.
направление приема перпендикулярно плоскости раскрыва (рис. 5),
Отличительной особенностью многоэлементной антенны, т.е. антенны типа ФАР, по сравнения с зеркальной антенной является возможность формирования одновременно нескольких диаграмм направленности (зон угловой фильтрации) и возможность быстрого электронного сканирования (перемещения) диаграммы направленности в заданном телесном угле пространства наблюдения путем соответствующего управления распределением фазовых сдвигов, обеспечиваемых фазовращателями.
Эффективность пространственного когерентного накопления сигнала, по аналогии с эффективностью временного когерентного накопления, определяется числом синфазно суммируемых сигналов:
, 
т.е. общим числом элементов раскрыва приемной антенны.
Учитывая, что распределение с дискретной апертурой эквивалентно распределению с непрерывной апертурой, если элементы расположены с интервалом в половину длины волны
, эффективность пространственного когерентного накопления сигнала может быть связана с широко распространенной характеристикой-коэффициентом направленного действия антенны
:
,
откуда
.
Таким образом, эффективность пространственного когерентного накопления сигнала по величине близка к коэффициенту усиления антенны G
,
который при относительном уровне боковых лепестков, обратно пропорциональном коэффициенту направленного действия, оказывается вдвое меньше последнего:
,
.
ЛИТЕРАТУРА
1. Охрименко А.Е. Основы извлечения, обработки и передачи информации. (В 6 частях). Минск, БГУИР, 2004.
2. Девятков Н.Д., Голант М.Б., Реброва Т.Б.. Радиоэлектроника и медицина. –Мн. – Радиоэлектроника, 2002.
3. Медицинская техника, М., Медицина 1996-2000 г.
4. Сиверс А.П. Проектирование радиоприемных устройств, М., Радио и связь, 2006.
5. Чердынцев В.В. Радиотехнические системы. – Мн.: Высшая школа, 2002.
6. Радиотехника и электроника. Межведоств. темат. научн. сборник. Вып. 22, Минск, БГУИР, 2004.



