| Скачать .docx |
Курсовая работа: Селективный усилитель
Министерство образования Российской Федерации
ГОУ УРАЛЬСКИЙ ГОСУДАРСТВЕННЫЙ ТЕХНИЧЕСКИЙ УНИВЕРСИТЕТ-УПИ
Кафедра "Радиоэлектроники информационных систем"
Селективный усилитель
Пояснительная записка к курсовой работе по курсу
”Схемотехника аналоговых устройств”
Преподаватель:
Студент:
Группа:
2001г
Содержание
Техническое задание
Основная часть
Расчётная часть
Расчёт элементов Полосовых фильтров
Расчёт элементов Сумматора
Расчёт элементов Выходного усилителя
Результаты, выводы
Список литературы
Приложения
Техническое задание
| Наименование | Единицы измерения | Обозначение | Значение |
Выходное напряжение Сопротивление нагрузки Ёмкость нагрузки ЭДС источника сигнала Сопротивление источника сигнала Частота первого квазирезонанса Полоса пропускания Частота второго квазирезонанса Полоса пропускания Частота третьего квазирезонанса Полоса пропускания Диапазон плавной регулировки коэффициента передачи Коэффициент усиления |
В Ом пФ В Ом кГц кГц кГц кГц кГц кГц дБ дБ |
Uвых Rн Cн Eг Rг f1 Df1 f2 Df2 f3 Df3 |
12 100 500 0,1 500 30 20 75 35 120 40 20 40 |
Усилитель должен быть простым, надёжным, дешёвым.
Основная часть
![]() |
Выбор функциональной схемы
Рис.1. Функциональная схема селективного усилителя.
Состав функциональной схемы:
1 - Предварительный усилитель
2 - Полосовые фильтры
3 - Сумматор
4 - Выходной усилитель
Это наиболее простая функциональная схема селективного усилителя, её и возьмём за основу.
Принципиальная схема
Чтобы соответствовать требованиям ТЗ о простоте и дешевизне схемы коэффициент усиления в 40дБ разобьём таким образом:
1. Предварительный усилитель-15дБ
2. Полосовые фильтры - 5дБ
3. Сумматор - 0дБ
4. Выходной усилитель-20дБ
Расчётная часть
Расчёт элементов предварительного усилителя
Коэффициент усиления предварительного усилителя Ко =15дБ

Рис.2. Предварительный усилитель
Выбираем сопротивление R1=10кОм, а R2 находим по формуле R2= R1* Ко =56кОм.
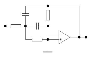
Расчёт элементов Полосовых фильтров
Схему ПФ взяли в каноническом виде так как она удовлетворяет нас и имеет наиболее простую схему.
Расчёт 1ого ПФ: f1 =30кГцDf1 =20кГцKo =1,77
C1=C4=51пф
Q= f1 /Df1 =30/20=1,5 b=2pf1 C1=2*3,14*30*103 *51*10-12 =9,6*10-6
A=Ko /Q=1,77/1,5=1,18 R3=1/ (Ab) =1/ (1,18*9,6*10-6 ) =88,3кОм
z=1/2Q=1/ (2*1,5) =0,33 R6=z/ (b (1+Az)) =0,33/ (9,6*10-6 (1+1,18*0,33)) =24,7кОм
R9=1/bz=1/ (9,6*10-6 *0,33) =315,7кОм
Расчёт 2ого ПФ: f2 =75кГцDf2 =35кГцKo =1,77
C2=C5=22пф
Q= f2 /Df2 =75/35=2,14 b=2pf2 C2=2*3,14*75*103 *22*10-12 =1,04*10-5
A=Ko /Q=1,77/2,14=0,83 R4=1/ (Ab) =1/ (0,83*1,04*10-5 ) =115,8кОм
z=1/2Q=1/ (2*2,14) =0,23 R7=z/ (b (1+Az)) =0,23/ (1,04*10-5 (1+0,83*0,23)) =18,6кОм
R10=1/bz=1/ (1,04*10-5 *0,23) =418кОм
Расчёт 3ого ПФ: f3 =120кГцDf3 =40кГцKo =1,77
C3=C6=12пф
Q= f3 /Df3 =120/40=3b=2pf3 C3=2*3.14*120*103 *12*10-12 =9*10-6
A=Ko /Q=1,77/3=0,59R5=1/ (Ab) = 1/ (0,59*9*10-6 ) =188 Ом
7
z=1/2Q=1/ (2*3) =0,17R8=z/ (b (1+Az)) =0,17/ (9*10-6 (1+0,59*0,17)) =17,2кОм
R11=1/bz=1/ (9*10-6 *0,17) =653,6кОм
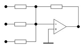
Расчёт элементов Сумматора

Все сопротивления R12…R15 сумматора возьмём по 47кОм, т.к он имеет единичное усиление.
Расчёт элементов Выходного усилителя

У выходного усилителя Ко =20дБ=10, возьмём резисторы R16=R17=10кОм,
а R18 рассчитаем.
R18=R16* Ко - R17=90кОм
Результаты, выводы
Селективные усилители применяют там, где из совокупности принимаемых сигналов необходимо выделить только сигналы, занимающие определенный участок спектра частот. Полосу частот, в которой сигналы усиливаются, называют полосой пропускания (прозрачности).
Полосу частот, в которой сигналы подавляются, называют полосой заграждения (задержания). В зависимости от взаимного расположения полос пропускания и заграждения различают следующие виды усилителей: нижних частот, верхних частот, полосовые пропускающие, полосовые заграждающие.
В селективном усилителе я использовал ОУ К574УД1. Он подходит нам по своим параметрам которые можно посмотреть в Приложении 1. Все остальные элементы рассчитаны, и в принципиальную схему внесены с условием их физического существования (имеются в продаже).
Принципиальная схема в Приложении 2. Усилитель создан по каноническим схемам т.к. они удовлетворяют по параметрам и являются простыми для реализации.
Перечень элементов находится в Приложении 2.
Таким образом, выполнение требований технического задания представляется достаточным. Цель курсовой работы, а именно разработка селективного усилителя, обладающего заданными параметрами, достигнута.
Компоновка элементов приведена в Приложении 4
Список литературы
1. Проектирование усилительных устройств с применением ЭВМ: Методические указания. - Свердловск: изд. УПИ им.С.М. Кирова, 1997
2. В.С. Гутников "Интегральная электроника в измерительных устройствах". - Ленинград "Энергоатомиздат", 1988
3. Л. Фолкенберри "Применение операционных усилителей и линейных
4. ИС". - Москва "МИР", 1985
Приложения
Приложение 1
Параметры ОУ К574УД1
| Наименование параметра | Обозначение | Значение |
| Коэффициент усиления | К, тыс. | 50 |
| Напряжение питания | ±Uп , В | 15 |
| Ток потребления | Iп , мА | 8 |
| Напряжение смещения | ±Uсм , мВ | 50 |
| Температурный дрейф | ТКUсм , мкВ/К | 50 |
| Средний ток входа | Iвх , нА | 0,5 |
| Диффиренциалное входное напряжение | ±Uдф , В | 10 |
| Синфазное входное напряжение | ±Uсф , В | 30 |
| Коэффициент ослабления синфазного сигнала | Мсф , дБ | 80 |
| Частота единичного усиления | f1 , В | 10 |
| Скорость нарастания выходного напряжения | V, В/мкс | 50 |
| Максимальная амплитуда выходного напряжения | ±Uвых , В | 10 |
| Сопротивление нагрузки | Rн , кОм | 2 |
Приложение 2
| Поз. Обоз. | Наименование | Количество | Примечание |
| РЕЗИСТОРЫ | |||
| R1 | C2-33Н-0,25-10кОм±1% -А-В-В | 1 | |
| R2 | C2-33Н-0,25-56кОм±5% -А-Д-В | 1 | |
| R3 | C2-33Н-0,25-91кОм±5% -А-Д-В | 1 | |
| R4 | C2-33Н-0,25-110кОм±5% -А-Д-В | 1 | |
| R5 | C2-33Н-0,25-180кОм±5% -А-Д-В | 1 | |
| R6 | C2-33Н-0,25-24кОм±5% -А-Д-В | 1 | |
| R7 | C2-33Н-0,25-18кОм±5% -А-Д-В | 1 | |
| R8 | C2-33Н-0,25-16кОм±5% -А-Д-В | 1 | |
| R9 | C2-33Н-0,25-300кОм±5% -А-Д-В | 1 | |
| R10 | C2-33Н-0,25-390кОм±5% -А-Д-В | 1 | |
| R11 | C2-33Н-0,25-620кОм±5% -А-Д-В | 1 | |
| R12…R15 | C2-33Н-0,25-47кОм±5% -А-Д-В | 4 | |
| R16, R17 | C2-33Н-0,25-10кОм±1% -А-В-В | 2 | |
| R18 | СП3-4а-91кОм±10% | 1 | |
| КОНДЕНСАТОРЫ | |||
| С1 | К10-17а-Н50-51пФ-В | 1 | |
| С2 | К10-17а-Н50-22пФ-В | 1 | |
| С3 | К10-17а-Н50-12пФ-В | 1 | |
| С4 | К10-17а-Н50-51пФ-В | 1 | |
| С5 | К10-17а-Н50-22пФ-В | 1 | |
| С6 | К10-17а-Н50-12пФ-В | 1 | |
| МИКРОСХЕМЫ | |||
| DA1…DA6 | К574УД1 | 6 |
