| Скачать .docx |
Курсовая работа: Розрахунок радіоприймального пристрою цифрової системи передачі інформації
ПЕРЕЛІК УМОВНИХ СКОРОЧЕНЬ
ЕРС – електрорушійна сила
ПЗЧ – підсилювач звукової частоти
ППЧ – підсилювач проміжної частоти
ПСЧ (ПВЧ) – підсилювач сигнальної (високої) частоти
ФНЧ – фільтр нижніх частот
ФВЧ – фільтр верхніх частот
ФМ – фазова маніпуляція
АМ – амплітудна маніпуляція
ЧМ – частотна маніпуляція
ВК – вхідне коло
ЗМ – змішувач
Г – гетеродин
АЦП – аналого-цифровий перетворювач
ШПФ – швидке перетворення Фур’є
ВСШ – відношення сигнал/шум
ЦСПІ – цифрова система передачі інформації
СФ – смуговий фільтр
ПАХ – поверхневі акустичні хвилі
АЧХ – амплітудно-частотна характеристика
СЧ – синтезатор частоти
ЦСП – цифровий сигнальний процесор
ВСТУП
Радіоприймальним пристроєм (радіоприймачем) називається пристрій, на вхід якого з антени подається високочастотний сигнал, модульований за певним законом, а на виході – кінцевий пристрій, на якому присутня напруга, що змінюється за законом модуляції. Радіоприймачі можна класифікувати за різними ознаками, наприклад за діапазоном частот, за характером модуляції сигналу, що приймається, за видом підсилювальних елементів, що використовуються і т.д. Найбільше поширення отримала класифікація за призначенням: професійні приймачі зв’язку, приймачі радіомовлення, телевізійні, радіо- та гідролокаційні, систем управління, радіометри.
За типом схеми розрізняють приймачі детекторні, прямого підсилення (без регенерації та з регенерацією), надгенеративні і супергетеродинні приймачі, які володіють суттєвими перевагами перед приймачами інших типів і широко застосовуються на всіх діапазонах частот.
Конструктивно приймачі виконуються з окремих (навісних) активних і пасивних елементів з печатним або об’ємним монтажем або з готових інтегральних мікросхем, що представляють собою каскади, вузли приймачів і навіть цілі приймачі.
Найбільш перспективним і високоякісним способом передачі інформації є передача інформаційних повідомлень в цифровій формі. Останніми роками безперервно зростає необхідність в ЦСПІ, таких як системи супутникового і мобільного зв’язку, цифрового радіомовлення і телебачення і т.д.
1. Обґрунтування вимог до радіоприймального пристрою цифрової системи передачі інформації
Початкові дані до розрахунку
Вид модуляції: двійкова фазова маніпуляція;
Різниця фаз: Δφ=1360;
Несуча частота: 1690…1710 МГц
Проміжна частота: 700 МГц
Швидкість передачі інформації: 1330,8 Кбіт/с
Період повторень сигналів: 750 нс
Ймовірність помилки символу коду: 10-6.
1.1 Розрахунок смуги пропускання приймача
Смуга пропускання – інтервал частот, в межах якого при даній настройці приймача частотні викривлення не перевищують заданого рівня. Смуги пропускання залежать від типу приймача і виду сигналів, що приймаються, і можуть приймати значення від декількох десятків герц для телеграфних приймачів до десятків мегагерц у радіолокаційних і телевізійних приймачах.
Смугу пропускання для фазової маніпуляції можна знайти за формулою [2]
(МГц) (1.1.1)
(1.1.2)
де В – швидкість передачі в бодах (повідомлень за секунду)
1.2 Розрахунок мінімального відношення сигнал/шум на вході приймача
Для розрахунку мінімального відношення сигнал/шум скористаємось формулою [6]
(1.2.1),
де Pпом – ймовірність прийняття помилкового символу, Ф – табличне значення функції Лапласа, q2– відношення сигнал/шум на вході приймача, r(s1, s0) – коефіцієнт кореляції
З цієї формули виразимо значення функції Лапласа:
![]()
З табличних даних значень функції Лапласа знаходимо значення виразу під функцією Ларласа:
![]()
За умовами проектування приймається фазоманіпульований сигнал із різницею фаз у 1360. Переведемо дану величину в радіани:
![]()
Для подальшого розрахунку, враховуючи принципи побудови пристроїв даного типу, введемо потужність джерела живлення Рс=4,5 Вт.
І з наступного виразу знайдемо енергію сигналу [6]
(1.2.2),
де Е – енергія сигналу, Рс – потужність сигналу, Т – період коливань
Розрахуємо коефіцієнт кореляції для заданих умов передачі за формулою [6]
(1.2.3),
де r(s1, s0) – коефіцієнт кореляції, Е – енергія сигналу, s1, s0 – відповідні значення двійкових символів (0 та 1), що передаються. Їх можна знайти за виразом [6]
(1.2.4)
Підставивши отримані величини у формулу для знаходження коефіцієнта кореляції знайдемо його значення:
![]()
Тепер, скориставшись попередніми розрахунками, можна знайти мінімальне відношення сигнал/шум на вході приймача:

1.3 Розрахунок спектральної щільності потужності внутрішніх шумів
Скористаємось попередніми розрахунками та заданим значенням потужності сигналу, що передається знайдемо спектральну щільність потужності внутрішніх щумів [6]
(1.3.1)
1.4 Розрахунок шумової смуги пропускання
Шумову смугу пропускання можна знайти із співвідношення [2]
(1.4.1),
де N0 – спектральна щільність потужності внутрішніх шумів, k – стала Больцмана, Т0 – кімнатна температура, Пш – шумова смуга пропускання
З формули (1.4.1) виразимо і знайдемо Пш:

1.5 Розрахунок чутливості приймача
Чутливістю приймача називається його можливість приймати слабкі сигнали. Кількісно чутливість визначається мінімальним рівнем сигналу, що приймається, при якому передана інформація відтворюється із задовільною якістю. Чутливість приймача з невеликим підсиленням, на виході якого шуми практично відсутні, визначається ЕРС (або номінальною потужністю) сигналу в антені (або її еквіваленті), при якій забезпечується задана напруга (потужність) сигналу на виході приймача. Якщо чутливість обмежується внутрішніми шумами приймача, то її можна оцінити реальною або обмеженою чутливістю, коефіцієнтом шуму або шумовою температурою.
Визначимо чутливість приймача у вольтах із співвідношення [1]
(1.5.1),
де EA – чутливість приймача в вольтах, k – стала Больцмана, T0 – кімнатна температура, RA – опір антени, N0 – спектральна щільність потужності внутрішніх шумів, q2 – відношення сигнал/шум, ΔF – ширина спектра сигналу
(В)
1.6 Розрахунок бази сигналу
База сигналу дорівнює добутку ширини спектра сигналу на його тривалість і визначається [9]
(1.6.1),
де B – база сигналу.
2. Аналіз відомих технічних рішень побудови радіоприймального пристрою цифрової системи передачі інформації
Структурна схема приймача в значній мірі визначається його призначенням, і видом модуляції сигналу. В структурному відношенні всі існуючі приймачі можна розділити на наступні види: детекторні приймачі без ПЗЧ та з УЗЧ; приймачі прямого підсилення; надрегенеративні приймачі з однократним або подвійним перетворенням частоти, а також приймачі типу інфрадин.
Найпростіший детекторний приймач складається з приймальної антени, що є невід’ємною частиною будь-якого приймача, вхідного пристрою, детектора і відтворюючого пристрою. Приймач такого типу зображений на рисунку 2.1. Але через погані характеристики такі приймачі в наш час не застосовуються.
Параметри приймача значно покращуються, якщо після детектора включити ПЗЧ або відеопідсилювач (рисунок 2.2). Приймач прямого підсилення відрізняється від попередніх наявністю підсилювача на частоті сигналу. Такий підсилювач значно підвищує чутливість і селективність приймача. Якщо в підсилювальному каскаді ввести позитивний зворотний зв’язок і зробити його значним, що додаткова напруга суперизації періодично буде приводити каскад в автоколивальний режим, отримаємо надгенератор, який володіє достатньо великою чутливістю, але недостатньою стабільністю. Схема даного приймача приведена на рисунку 2.3.
У більш сучасній схемі супергетеродинного приймача за допомогою додаткового місцевого гетеродину в перетворювачі відбувається зміщення спектра сигналу в діапазон нових проміжних частот. Це перетворення повинно бути лінійним, тобто не повинно супроводжуватися викривленнями огинаючої високочастотного сигналу. При такій умові результат детектування підсиленого в ППЧ сигналу буде таким же, як і результат детектування напруги з виходу підсилювача високої частоти в приймачі прямого підсилення. Супергетеродин володіє високою чутливістю і селективністю, оскільки підсилення відбувається ще й на проміжній частоті.
Для підвищення чутливості і селективності приймача застосовуються подвійні або навіть потрійні перетворення частоти.
Інколи в радіостанція пересувного зв’язку при безпошуковому настроюванні застосовуються супергетеродинні приймачі типу інфрадин. В таких приймачах не потрібен перенастроюваний преселектор (перенастроюється лише гетеродин) – в цьому їх основна перевага. Замість перенастроюваного преселектора застосовуються комбінації фільтрів верхніх (ФВЧ) і нижніх (ФНЧ) частот або широкосмугові фільтри зосередженої селекції, що включаються в схемі до перетворювача. Оскільки вхідні каскади такого приймача широкосмугові, виникає небезпека перевантаження їх активних елементів зовнішніми шумами і перешкодами – в цьому основний недолік приймачів даного типу. Перевантаження можна послабити, використовуючи в підсилювачах сигнальної і проміжної частоти каскади з великим динамічним діапазоном.
Проміжна частота вибирається вищою максимальної частоти сигналу, а частота гетеродину – ще вищою. Тому гетеродин працює на достатньо високих частотах і повинні бути пред’явлені підвищені вимоги до його стабільності – в цьому другий недолік такої схеми. Ці вимоги можуть бути виконані, якщо в якості використовується синтезатор частоти з опорним кварцовим генератором. Бажано також використовувати кварцові фільтри в ППЧ. В приймачах цього типу також можливе застосування подвійного перетворення частоти – при цьому вимоги до фільтрів ППЧ знижуються.

Рисунок 2.1 – Детекторний приймач без ПЗЧ
ВП – вхідний пристрій, Д – детектор, BF – відтворюючий пристрій

Рисунок 2.2 – Детекторний приймач з ПЗЧ
ВП – вхідний пристрій, Д – детектор, ВП – відтворюючий пристрій, ПЗЧ – підсилювач звукової частоти

Рисунок 2.3 – Приймач прямого підсилення
ВП – вхідний пристрій, Д – детектор, ВП – відтворюючий пристрій, ПЗЧ – підсилювач звукової частоти.
Перехід від аналогового сигналу до цифрового може виконуватись як по сигналу з виходу підсилювача сигнальної або проміжної частоти, так і по сигналу з аналогового детектора. При цьому важливе значення має вид параметра, що піддається аналого-цифровому перетворенню.
Розглянемо радіосигнал, який можна представити у вигляді
,
де uc(t) – сигнальна складова вхідого поцесу
uш(t) – шумова складова вхідного процессу
– амплітуда сигналу
– фаза сигналу
– центральна частота спектру
При відомій частоті
вхідний процес також повно описується за допомогою комплексної огинаючої.
Аналого-цифрове перетворення являє собою дискретизацію за часом і квантування за рівнем, яким піддається вхідний сигнал. Але при цьому спектр вхідного процесу повинен цілком розміщуватись в одній із спектральних зон k/2Tд, де k=0,1,…, Tд – період дискретизації. В цьому випадку спектр дискретних відліків процесу
в першій спектральній зоні повністю відповідає вхідному (початковому) спектру, тому за дискретними відліками можна без викривлень відновити неперервний процес
. В іншому випадку спектр при дискретизації викривлюється.
Для подавлення спектральних складових вхідного процесу поза спектральною зоною цей процес перед дискретизацією пропускають через аналоговий смуговий фільтр з високим коефіцієнтом прямокутності. Нерідко для зниження необхідної швидкодії АЦП вхідний процес гетеродинують в область частот першої спектральної зони. В цьому випадку для запобігання викривлень спектра по дзеркальному каналу смуговий фільтр з високим коефіцієнтом прямокутності застосовують перед гетеродинуванням.
Обробку отриманих таким чином відліків називають обробкою миттєвих значень.
В іншому способі цифрової обробки аналого-цифровому перетворенню піддаються квадратурні складові С(t) і S(t), які можна отримати множенням вхідного процесу
на два квадратурних гетеродинних коливання з частотою
і наступною фільтрацією низькочастотних складових результатів перемноження за допомогою ФНЧ. Схема реалізації даного способу представлена на рисунку 2.4.

Рисунок 2.4 – Функціональна схема формування комплексного сигналу за допомогою квадратурного генератора
В розглянутому способі відсутня необхідність застосування фільтра з високим коефіцієнтом прямокутності. Однак спектр квадратурних складових повинен цілком розташовуватись в першій спектральній зоні. Для забезпечення цієї умови може знадобитись ФНЧ з високим коефіцієнтом прямокутності. Відліки квадратурних складових можна також отримати шляхом дискретизації вхідного процесу
в моменти часу, що зсунуті один відносно одного на четверть періоду коливання з частотою
.
Обробку квадратурних складових називають обробкою комплексного сигналу. Зазвичай для такої обробки необхідна більш складна цифрова частина, але більш проста аналогова ( смуговий фільтр з високим коефіцієнтом прямокутності складніше ФНЧ). При цьому іноді дещо підвищуються характеристики обробки.
Обробка квадратурних складових рівноцінна (не враховуючи технічну реалізацію) обробці амплітуди і фази вхідного процесу, тобто амплітудно-фазовій обробці. У ряді випадків відмовляються від використання інформації, закладеної в амплітуді і оброблюють лише відліки фази.
3. Розробка структурної схеми радіоприймального пристрою
Скориставшись даними таблиці, що описує основні характеристики приймачів вибрано супергетеродинну схему приймача. Оскільки серед інших, наприклад, приймач прямого підсилення або надгенеративний, дана схема забезпечує найкращі параметри. Такі як смуга пропускання, чутливість, стабільність роботи та ймовірність похибок при заданому відношенні сигнал/шум. Також вирішено застосовувати одиничне перетворення частоти, оскільки подвійне (та більша кількість перетворень) застосовуються для більшого коефіцієнта подавлення по дзеркальному каналу, підвищення селективності, а для даного типу приймача такі вимоги не є суттєвими. Також даний приймач володіє достатньо хорошим значенням чутливості 4,644·10-9 (В).
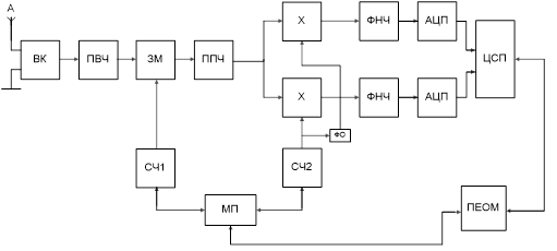
Тому можна розробити структурну схему даного приймача (рис. 3.1).

Рисунок 3.1 – Структурна схема радіоприймального пристрою
ВК – вхідне коло, ПСЧ – підсилювач сигнальної частоти, ЗМ – змішувач, Г – гетеродин, ППЧ – підсилювач проміжної частоти, Х – перемножувач, S0, S1 – опорні сигнали, ФНЧ – фільтр нижніх частот, АЦП – аналого-цифровий перетворювач, ЦСП – цифровий сигнальний процесор, МП –мікропроцесор, СЧ1,2 – синтезатори частот, ПЕОМ – персональна електронна обчислювальна машина
Вхідне коло – це частина радіоприймального пристрою, що зв’язує антенно-фідерну систему із входом першого каскаду, у нашому випадку це підсилювач сигнальної частоти. Вхідне коло може бути представлене пасивним лінійним чотириполюсником, що складається з одного або декількох селективних елементів, настроєних на фіксовану частоту. Вхідне коло призначене для узгодження опору антени з вхідним опором першого каскаду ПСЧ, а також для попередньої частотної вибірковості сигналу.
Підсилювач високої частоти призначений для підсилення сигналу за потужністю, попередньої частотної вибірковості та зменшення коефіцієнта шуму приймача.
Змішувач та синтезатор частоти утворюють перетворювач частоти. Це виконується для лінійного перенесення спектра сигналу в область більш низьких (проміжних) частот. Перетворення частоти сигналу призводить до забезпечення достатнього підсилення за амплітудою і забезпечення достатньої частотної вибірковості.
Завданням підсилювача проміжної частоти є підсилення сигналу за напругою та частотна вибірковість.
Наступний елемент схеми, що включає перемножувачі, синтезатор частоти, фазообертач та фільтри низької частоти, утворює схему формування комплексного сигналу. При цьому СЧ налаштовується на частоту вхідного сигналу і виділяє комплексну обвідну сигналу. Загальне призначення синтезатора частоти – це перетворення двійкового вхідного коду в гармонійне або імпульсне коливання з відповідною частотою, що відповідає коду. В СЧ використовується один кварцовий генератор з високою стабільністю частоти. Оскільки необхідно отримати синусоїдальний та косинусоїдальний сигнали з виходу одного генератора, то необхідно включити фазообертач на 900. ФНЧ пропускають коливання з різницевою частотою і подавлюють сумарну паразитну частоту спектра.
Аналого-цифровий перетворювач перетворює відповідне значення напруги аналогового сигналу у цифрове значення (1 або 0), тобто відбувається дискретизація у часі та квантування за рівнем вхідних аналогових сигналів.
Цифровий сигнальний процесор здійснює обробку прийнятих від АЦП сигналів, здійснюючи, таким чином, ще й операції детектування та демодуляції.
Мікропроцесор керує синтезаторами частоти, один з яких призначений для перетворення частоти сигналу, а інший для формування комплексного сигналу. МП аналізує та задає необхідні частоти синтезаторам частоти.
Персональна електронна обчислювальна машина являє собою пристрій обробки отриманих значень вхідних сигналів та їх аналіз.
4. Розробка принципової електричної схеми підсилювача проміжної частоти радіоприймального пристрою
На сучасному етапі проектування та виробництва радіоприймальних пристроїв та їх елементів велике значення мають мікросхеми. Вони забезпечують необхідні параметри приймача, потребують менше часу на розробку та виробництво коливальних контурів і мають відносно невелику ціну. Тому, враховуючи це, в даному курсовому проекті буде розраховано підсилювач проміжної частоти на мікросхемах.
Багато фірм-виробників пропонує свої рішення: Hew-lett-Packart, Philips, Motorola, Telefunken, Analog Devices та інші.
Компанія Analog Devices пропонує широкий вибір мікросхем з різноманітними параметрами, з яких легко вибрати необхідну. Тому в даній курсові роботі буде розроблено підсилювач проміжної частоти на елементній базі, що пропонує саме цей виробник.
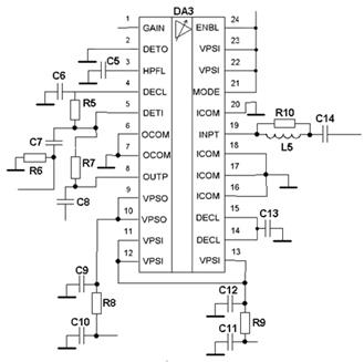
З переліку мікросхем була вибрана мікросхема ADL5523, що забезпечує оптимальні параметри на заданій частоті. Функціональна схема мікросхеми зображена на рисунку 4.1.
Дана мікросхема належить до класу LNA (Low Noise Amplifier) – малошумлячий підсилювач.
Основні параметри мікросхеми:
- частота: від 400 МГц до 4000 МГц;
- спектральна щільність потужності внутрішніх шумів: на частоті 900 МГц;
(дана частота є найближчою до необхідної нам 700 МГц) - 0,8 дБ;
- напруга живлення: 3 або 5 В;
- підсилення: на частоті 900 Мгц - 21,5;
- вхідний струм: 60 мА;
- кількість входів і виходів – 8.

Рисунок 4.1 – Схема включення мікросхеми ADL5523
За умовами ППЧ повинен забезпечувати підсилення 60 дБ, а на частоті 900 МГц дана мікросхема має підсилення 21,5 дБ. Тому необхідно будувати каскадну структуру, що складається із трьох послідовно з’єднаних мікросхем (рисунок 4.2).

Рисунок 4.2 – Структурна схема підсилювача проміжної частоти
Каскадами підсилення (1,2) виступає обрана мікросхема ADL5523. Також, враховуючи принци побудови приймачів даного типу, необхідно застосовувати автоматичне регулювання підcилення у ППЧ. Для цього в якості третього каскаду підсилення використовується відповідне з’єднання мікросхем AD8368 та AD8362.
Мікросхема AD8368 має регульований коефіцієнт підсилення від -12 до 22 дБ. Це досить широкі межі і повністю нас влаштовують. Для можливості визначення середньоквадратичного значення потужності сигналу, що поступає на дану мікросхему та регулювання підсилення мікросхеми AD8368 включається відповідним чином мікросхема AD8362. Дана мікросхема справляється зі своєю задачею на частотах від дуже низьких до 2,7 ГГц. Вона не чутлива до зміни пік фактору сигналу, що робить її підходящим рішенням для вимірювання дійсної середньоквадратичної потужності сигналів з цифровою модуляцією.
Умова по досягненню коефіцієнта підсилення 60 дБ виконується, оскільки коефіцієнт підсилення всіх каскадів дорівнює 65 дБ.
Функціональні схеми та відповідно схеми включення обраних мікросхем для регулювання підсилення зображені на рисунках 4.3, 4.4.

Рисунок 4.3 – Схема включення мікросхеми AD8368

Рисунок 4.4 – Схема включення мікросхеми AD8362
Параметри мікросхеми AD8368:
- діапазон робочих частот до 800 МГц
- межі зміни коефіцієнта підсилення від -12 до 22 дБ
- затухання, що вноситься в смугу пропускання 0,5 дБ
- робоча температура від -40 до +85 0С
- керується напругою до 1 В
- кількість входів і виходів 24
Параметри мікросхеми AD8362:
- діапазон робочих частот від 50 Гц до 3,8 ГГц
- затухання, що вноситься в смугу пропускання 3 дБ
- робоча температура від -40 до +85 0С
- напруга керування від 1 мВ до 1 В
- кількість входів і виходів 16
В якості смугового фільтра (СФ) вибраний смуговий фільтр на ПАХ ФТКП-49. Даний СФ має широке застосування, в тому числі в складі приймальної радіоапаратури.
Параметри обраного фільтра: Rг=Rн=75 Ом; t=250C
номінальна частота: 698 МГц
мінімальне затухання в смузі пропускання, що вноситься: 4,2 дБ
ширина смуги пропускання: не менше 8 МГц
На рисунку 4.5 зображена амплітудно-частотна характеристика смугового фільтра.

Рисунок 4.5 – АЧХ СФ
Але даний фільтр не задовольняє нашим вимогам за смугою пропускання. Необхідне значення – 3МГц. Тому необхідно звернутись до виробника для виготовлення фільтра, аналогічного обраному, але зі смугою пропускання, що приблизно дорівнює 3 МГЦ +/- 10%.
5. Розрахунок елементів принципової електричної схеми підсилювача проміжної частоти радіоприймального пристрою
Параметри елементів обраних мікросхем та схем їх включення беремо із технічної документації на дані мікросхеми.
Параметри елементів схеми включення відрізняються між собою залежно від частоти, на якій використовується підсилювач. Для вибору оптимальних параметрів на заданій частоті необхідно скористатись табличними даними, які можна знайти у документації. Наведені параметри застосовують для забезпечення мінімального коефіцієнта шуму, тому можливі деякі відхилення від даних значень, але при цьому необхідно враховувати незначне збільшення коефіцієнта шуму.
Перелік елементів принципової електричної схеми приймача наведені у додатку.
Структура із чотирьох з’єднаних мікросхем забезпечує коефіцієнт підсилення 65 дБ. Тому умова по досягненню коефіцієнта підсилення 60 дБ виконується.
Оскільки смуговий фільтр на ПАХ не задовольняє нашим вимогам щодо смуги пропускання, тому необхідно замовити у виробника необхідний фільтр з заданими параметрами, аналогічним до якого є обраний для прикладу фільтр ФТКП-49.
6. Аналіз отриманих результатів розрахунку
В даній курсовій роботі було проведено аналіз побудови цифрової системи передачі інформації, визначено основні вимоги до радіоприймального пристрою цифрової системи передачі інформації, розроблено структурну схему радіоприймального пристрою цифрової системи передачі інформації та принципову електричну схему підсилювача проміжної частоти.
Під час обґрунтування вимог до радіоприймального пристрою ЦСПІ було розраховано смугу пропускання приймача, розраховано мінімальне відношення сигнал/шум на вході приймача, спектральну щільність потужності внутрішніх шумів та шумову смугу пропускання. Також було обчислено чутливість приймача та розраховано базу вхідного сигналу.
Проведено аналіз відомих технічних рішень побудови радіоприймальних пристроїв ЦСПІ. Приведено схеми та порівняльні параметри деяких видів приймачів.
На наступному етапі курсової роботи розроблено структурну схему радіоприймального пристрою, спираючись на попередні розрахунки та необхідні вимоги.
Розроблено принципову електричну схему підсилювача проміжної частоти. На цьому етапі враховувались сучасні технічні рішення з цього приводу і було побудовано ППЧ на мікросхемах, що мають багато переваг над іншими видами проектування.
Висновки
При розрахунку вхідного відношення сигнал/шум було отримано значення 3,704 (разів), що є достатньо хорошим значенням. Спектральна щільність потужності внутрішніх шумів дорівнює 1,822·10-6 Вт/Гц. Знайдено чутливість приймача – 4,644·10-9 (В). Дана величина є достатньо малою і забезпечує хороші радіолокаційна параметри приймача.
В останні роки все більш широкого застосування набуває цифрова обробка сигналів. Вона володіє сукупністю суттєвих переваг над аналоговою. Тому було проаналізовано деякі технічні рішення саме цього сучасного напрямку.
При розробці структурної схеми зверталась увага на параметри приймачів різних типів. І в результаті було обрано супергетеродинну схему приймача, оскільки він володіє суттєвими перевагами над іншими приймачами і застосовується на всіх діапазонах частот.
Підсилювач проміжної частоти було розроблено, враховуючи сучасні технічні рішення, із використанням мікросхем. А саме була вибрана мікросхема ADL5523, AD8368 та AD8362, що використовуються для АРП, компанії Analog Devices. Даний розробник пропонує широкий вибір мікросхем, в тому числі радіо підсилювачів на сигнальній та проміжній частотах, тому з їх переліку нескладно вибрати мікросхему, що задовольняє нашим вимогам.
Оскільки обрані мікросхема може використовуватись в широкому діапазоні частот, а приймач розраховується для частоти 1700 МГц, то необхідна певна схема включення мікросхеми, яка може бути взята із технічної документації. Параметри елементів принципової електричної схеми також вказані в технічній документації, що полегшує розрахунок ППЧ загалом.
Цифрова обробка сигналів в останні роки все ширше використовується в радіоприймальних пристроях. Прогрес в цій області викликаний досягненнями в мікроелектроніці, що дозволили створити обчислювальні засоби, що володіють високою швидкодією, малими габаритами, вагою і енергоспоживанням. Цікавість до цифрової обробки сигналів викликана тим, що на її основі можна створювати пристрої з характеристиками, недосяжними при застосування методів аналогової обробки сигналів. Крім того, застосування пристроїв з цифровою обробкою у ряді випадків виявляється більш вигідним з технічної і економічної сторони через їх універсальність і можливість працювати в різних режимах. Сфера застосування цифрової обробки неперервно розширюється. Це радіозв’язок, радіо-, гідро-, і звуколокація, телеметрія, аналіз спектрів, виявлення сигналів на фоні шумів, адаптивна корекція каналів зв’язку, адаптивна компенсація перешкод, аналіз і синтез мови, радіомовлення, телебачення, цифрові синтезатори частот, цифрові методи вимірювань, обробка сигналів в геологічній розвідці, сейсмології, медицині і т.д. Ці переваги дозволяють застосовувати цифрову обробку сигналів в багатьох радіоприймальних пристроях.
Перелік посилань
1. Мартиросов В.Е. Теория и техника приема дискретных сигналов ЦСПИ: Учебн. пособ. – М.: «Радиотехника».
2. Справочник по учебному проектированию приемно-усилительных устройств под редакцией М.К. Белкина. – К.: Высшая школа, 1982.
3. Методичні рекомендації для виконання курсових проектів за напрямком «Радіотехніка». Уклад. Е.І. Пащенко, В.М. Коваль. – Житомир: ЖВІРЕ, 2006.
4. Зміни до методичного посібника по курсовому і дипломному проектуванню згідно ДСТУ 3008-95.
5. А. Андрощук, С.В. Петраш, О.Є. Леонтьєв Основи теорії передачі інформації ч.2, Р. Житомир, 2006.
6. Пенин П.И. Системы передачи цифровой информации. Учебное пособие для вузов. – М.: Сов. радио, 1976.
7. Проектирование радиоприемных устройств. Под ред. А.П. Сиверса. Учебное пособие для вузов. – М.: Сов. радио, 1976.
8. Побережский Е.С. Цифровые радиоприемные устройства. – М.: Радио и связь, 1987.
9. Бобров Н.В. Расчет радиоприемников. – М.: Воениздат, 1981.