| Скачать .docx |
Курсовая работа: Розрахунок каналу обробки аналогового сигналу
Вибір структурної схеми
Метою курсового проекту являється проектування каналу збору аналогових даних реальної мікропроцесорної системи. Такий канал являє собою пристрій, який забезпечує перетворення аналогового сигналу датчика – джерела повідомлень в цифровий код. При цьому в каналі здійснюється підсилення, фільтрація і нормування сигналу, придушення синфазної перешкоди, приведення сигналу до вигляду, придатного для вводу в аналогово цифровий перетворювач шляхом запам’ятовування його миттєвих значень і зберігання протягом визначеного проміжок часу.
Датчик має симетричний вихід , а АЦП несиметричний аналоговий вхід. Тому для їх узгодження до виходу датчика ми вмикаємо диференційний (узгоджуючий) підсилювач.
З завдання на проект відомо,що одночасно з корисним сигналом діє синфазна перешкода. Для ліквідації її впливу на аналоговий тракт, він повинен мати коефіцієнт послаблення синфазної перешкоди. Пристоєм, що послаблює її може бути той же диференційний підсилювач.
В момент перетворення аналогового сигналу в цифровий код напруга на вході АЦП повинно бути незмінним . Отже, до складу аналогового тракту повинен бути вімкнений пристрій виборки – збереження, котрий періодично запам’ятовує з усереднюванням миттєве значення вихідного сигналу фільтра і зберігає його протягом часу зберігання ![]()
Отже структурна схема аналогового тракта може бути представлена як покозано на мал
Мал Структурна схема пристрою
Д – датчик
ДУ – диференційний підсилювач
УВХ – пристрій виборки-зберігання
АЦП – аналогово-цифровий перетворювач
Принцип роботи схеми
Спроектований нами аналоговий тракт може бути використаний у барометричному пристрої, який використовується для точного вимірювання атмосферного тиску, що рівні моря складає 1013 мбар.
Зі збільшенням висоти або зі зміною стану погоди тиск повітря дуже змінюється. Датчик тиску живиться напругою 15V. Вихідна напруга складає 0 - 300 mV для діапазону вимірювання тиску 0-2 бара.
Для підсилення напруги в аналоговому тракті використовується диференційний підсилювач. Він виконує основне підсилення сигналу, придушує синфазну перешкоду, забезпечує узгодження з датчиком і регулює вихідну напругу. Данний підсилювач повинен мати коефіцієнт підсилення напруги рівний 34.
Для данного датчика ФНЧ не потрібен, тому що не заданий частотний діапазон, а сигнал задовольняє нормі.
Після підсилення сигнал подається на пристрій виборки-зберігання. Він слугує для затримки сигналу і подальшої передачі на АЦП при швидкій зміні вхідного сигналу. ПВЗ доцільно використовувати в нашому аналоговому тракті у зв’зку з тим, що тиск може швидко змінюватись.
З ПВЗ сигнал поданий на АЦП.
Виб і р и р озрахунок принцип ових схем вс і х блок і в
Вихідні данні:
Датчик
Мінімальне значення ЕДС на виході
Umin вих =0mV
Максимальне значення ЕДС на виході
Umax вих = 300mV
Пристрій виборки-зберігання
Час виборки
![]()
Час зберігання
![]()
АЦП
Шкала ( вихідна напруга канала)
ШАЦП = 10 V
Розрядність N=10
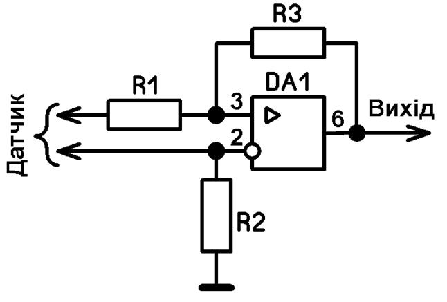
Вибір і розрахунок електричної принципової схеми диференційного підсилювача
Для підсилення напруги в аналоговому тракті використовується диференційний підсилювач.Він виконує основне підсилення сигналу, придушує синфазну перешкоду, забезпечує узгодження з датчиком і регулює вихідну напругу.

Мал 2. Диференційний підсилювач. Схема електрична функціональна
Данний підсилювач повинен мати коефіцієнт підсилення напруги рівний 200.

Мал 3. Цокольовка операційного підсилювача серії AD622
Довідникові данні:

Розрахунок:
На вхід підсилювача надходить сигнал зі значенням 300mV. Опір зворотнього зв’язку підсилювача повинен складати більше 2000
. Відповідно резистор
R3
=50k![]()
Розрахуємо опір R1

Обираємо резистор з реальним номіналом.
З допомогою резистора R2
ми ліквідуємо похибку, що виникає через наявність вхідної напруги зсуву та вхідного струму зсуву.

Враховуючи стандартні номінали маємо, що
![]()
Вибір і розрахунок електричної принципової схеми пристрою виборки та зберігання.
Схема пристрою виборки-зберігання представлена на малюнку 6
Мал 6. Схема пристрою виборки-зберігання. Схема електрична функціональна
Польовий транзистор VT1 з р-п переходом виконує роль кюча. Він ввімкнений по схемі із плаваючим затвором , завдяки чому незалежно від величини вхідного аналогового сигналу досягається повне відкриття ключа в момент виборки. Режим плаваючого затвору забезпечується за рахунок наявності управляючого діода VD1.
При подачі позитивного імпульсаUу діод закритий, а транзистор відкритий, т.я. потенціал затвору рівний потенціалу істока.
Якщо на діод надходить негативний імпульс керування – він відкривається. А напруга на затворі стає рівною керуючій і транзистор закривається.
Конденсатор С1 являється накопичувальною ємністю. Коли транзистор відкритий(момент виборки), надходить заряд ємності до миттєвого значення вхідного сигналу.Після закриття ключа на VT1 наступає час зберігання, на протязі якого конденсатор С1 незначним струмом утічки закритого транзистора і вхідним струмом ОП.
Довідникові данні
Транзистор 2П302А-1
Польовий транзистор молої потужності з ізольованим затвором і індуцированим р-каналом.

Діод КД629АС9

Операційний підсилювач КР140УД25В


Мал 7. Схема підключення підсилювача КР140УД25В
Відносні похибки в режимах виборки та зберігання рівні і знаходяться як

при цьому
=(0,1-0,05)%
Встановимо максимальне й мінімальне значення ємності С1
![]()

Розрахуємо вихідний опір ОП:
![]()

Для забезпечення максимальної точності роботи пристрою ![]()
приймемо рівним
=10 k![]()
Тепер визначимо опір відкритого ключа транзистора
![]()
Тепер визначимо ![]()

Оберемо стандартний номінал ємності
![]()
Мінімально можливе значення ємності конденсатора С1
![]()
Стандартний номінал
Необхідне значення ємності вибирають із умови
![]()
З ряду номінальних ємностей оберемо
=0.27nF
Визначимо величину опору R1

Розрахунок похибок
Диференційний підсилювач
Температурна похибка

Обчислимо приведенувхідну похибку
![]()

1. Параметрична похибка
Висновок
В результаті данного курсового проекту був розрахований пристрій , що узгоджує датчик з ананогового – цифровим перетворювачем.
В ході проектування був розрахований канал обробки аналогового сигналу і подачі його на цифровий вхід АЦП.
Для цього необхідно було використовувати наступні функціонаьні вузли:
- диференційний підсилювач (підсилення сигналу, придушення синфазної перешкоди)
- пристрій виборки-зберігання (для приведення сигналу до вигляду, необхідного для подачі на цифровий вхід АЦП)
Також було розраховано необхідні похибки