| Скачать .docx |
Курсовая работа: Расчет соединительной линии звукового вещания
Учреждение Образования Республики Беларусь
Белорусский Государственный Университет
Информатики и Радиоэлектроники
Кафедра систем телекоммуникаций
Факультет телекоммуникаций
ПОЯСНИТЕЛЬНАЯ ЗАПИСКА
к курсовому проекту
на тему
“Расчет соединительной линии звукового вещания”
Выполнил: Р.Р. Климов
Руководитель: В.И. Шалатонин
Минск 2002
Содержание
Перечень исходных данных
Назначение СЛ
Принципы корректирования АЧХ Назначение КК
Принципы корректирования
Корректирование с помощью шунта
Корректирование с помощью разделительного трансформатора
Пупинизация
Способы уменьшения влияния внешних помех
Линейно-разделительные и защитные устройства
Обоснование места включения КК
Расчет затухания СЛ и КК
Расчет элементов КК
Литература
Приложение
Перечень исходных данных
Диаметр жил симметричной пары кабеля d=0.8мм
Длина СЛ l=12 км
Параметры кабеля используемого в качестве соединительной линии приведены в таблице 1.
Таблица 1.
| f, Гц | R, Ом | C, нФ | L, мГн | G, мкСм/км |
| 50 | 72.2 | 33 | 0.551 | 0.5 |
| 100 | 72.2 | 33 | 0.551 | 0.75 |
| 300 | 72.2 | 33 | 0.551 | 1.1 |
| 1000 | 72.2 | 33 | 0.551 | 2.6 |
| 3000 | 72.2 | 33 | 0.551 | 9.8 |
| 10000 | 72.2 | 33 | 0.551 | 42.4 |
Остальные данные будут выбираться по справочной литературе по ходу выполнения проекта. Расчёт будем вести для характеристик, соответствующим нормам первого класса качества ГОСТ- 11515-75.
Назначение соединительной линии
Соединительные линии (СЛ) связывают между собой различные территориально разобщённые вещательные аппаратные. Они служат для передачи электрических сигналов вещательных программ из одной аппаратной в другую, а также для контроля дистанционного управления. Иногда по СЛ осуществляют также дистанционное питание необслуживаемых устройств и служебную телефонную связь.

СЛ связывают трансляционные пункты (ТП), находящиеся в зрелищных предприятиях (в театрах и концертных залах) и в спортивных комплексах, с трансляционной (ТА) или центральной аппаратной радиодома (ЦА РД); центральную аппаратную радиодома с коммутационно-распределительной аппаратурой (КРА); коммутационно-распределительную аппаратуру с междугородной вещательной аппаратной междугородной телефонной станцией (МВА МТС), передающим радиоцентром (РЦ) и центральной станцией местного узла проводного вещания (ЦС УПВ); центральную станцию местного узла проводного вещания с усилительными станциями проводного вещания (УПВ) и т.д.
Передавать вещательные сигналы на удаленные от центральной станции ОУС трудно: затухание длинных СЛ превышает норму, а получить необходимое количества прямых СЛ не всегда возможно. В этих случаях предполагается применять промежуточные усилители ПУ (рис.2), устанавливаемые в районных АТС. С их помощью можно осуществить дополнительное усиление сигнала, например, в СЛ, идущей к ОУС-1, разветвлять каналы подачи программ, например к ОУС-2 И ОУС-3, и тем самым экономить некоторое количество СЛ, а также дополнительно резервировать отдельные участки каналов подачи программ, например СЛ к ОУС-4 и ОУС-5.

Кроме промежуточных усилителей, предназначенных для усиления всех программ, на АТС устанавливают усилители сигналов обратного контроля, корректирующие контуры и устройства, служащие для разветвления каналов подачи программ на несколько направлений
В качестве СЛ чаще всего используют на условиях аренды пары городских телефонных кабелей. Поэтому каждая СЛ проходит через кроссировочные стойки (щиты переключений) городских телефонных станций (ГТС) и состоит по крайней мере из двух участков: от одной вещательной аппаратной до ГТС и от ГТС до другой вещательной аппаратной. На участках ЦС УПВ-ОУС (УПС) применяют пары телефонного кабеля с диаметром жил 0,5 и 0,7 мм. На участках КРА-ЕЦ, имеющих большую протяженность, используют пупинизированные кабели с диаметром жил 1,2 и 1,4 мм (пупинизация позволяет обойтись без частотной коррекции), кабели ТЗЭГ с диаметром жил 0,9 мм, ТДСГ с экранированными парами с диаметром жил 1,4 мм. На участках ТП-ЦА и ЦА РД-КРА в зависимости от местных условий используют либо пары специально проложенного вещательного кабеля, либо пары телефонного кабеля. Воздушные линии связи для организации вещательных СЛ не используют ввиду их меньшей надежности и худших параметров качества.
Для передачи сигналов вещательной программы из передвижных ТП применяют радиолинии дециметрового диапазона радиоволн.
Основные параметры качества СЛ:
номинальный диапазон частот
неравномерность амплитудно-частотной характеристики
коэффициент гармоник
защищенность от помех.
Под номинальным диапазоном частот понимают полосу частот от fmin
до fmax
, в пределах которой неравномерность АЧХ не превышает заданной величины. Неравномерность АЧХ оценивают либо изменениями коэффициента передачи К относительно коэффициента передачи
на частоте 1 кГц:
;
либо изменениями затухания СЛ в полосе частот fmin до fmax:
![]()
Очевидно, что первые два параметра тесно связаны между собою и не могут нормироваться отдельно.
Коэффициент гармоник служит мерой нелинейных искажений. Коэффициент гармоник равен отношению эффективного напряжения всех гармоник к эффективному напряжению измерительного синусоидального сигнала на выходе контролируемого канала (звена):

где n – номера гармонических составляющих;
m – номер наивысшей измеряемой гармоники;
и
- соответственно мощность и напряжение гармоники с номером n.
Соединительные линии с проводами из неферромагнитного материала, используемые в диапазоне звуковых частот, и корректирующие контуры, катушки индуктивности которых не имеют ферромагнитных сердечников, являются линейными электрическими цепями. Они не вносят нелинейных искажений.
Линейные трансформаторы (ЛТ), включенные на входе и выходе СЛ, в силу формы своей амплитудной характеристики, повторяющей кривую намагничивания, создают нелинейные искажения как при больших, так и при малых уровнях сигнала. Этой особенностью обладают и катушки индуктивности корректирующих контуров (КК) с ферромагнитными сердечниками. Уменьшения возникающих в этих элементах нелинейных искажений до приемлемой величины достигают конструктивными мерами и выбором уровней сигнала.
Источником нелинейных искажений являются также промежуточные усилители (ПУ). При нормировании коэффициента гармоник ПУ необходимо учитывать особенности корректирования АЧХ СЛ. Например, если АЧХ участка СЛ, следующего после ПУ, исправляют КК, включенным до ПУ, то наибольшая величина
ПУ может сместиться в область высших звуковых частот.
Особое положение складывается при передаче по СЛ вещательных сигналов при помощи модулированных по амплитуде токов высокой частоты. Различие затухания СЛ в области нижней и верхней боковых полос модуляции и наличие фазо-частотных искажений в этой области вызывают асимметрию спектра AM колебания, а это, в свою очередь, вызывает нелинейные искажения при последующем детектировании. При таком использовании СЛ нужно нормировать величину
.
Влияние помех оценивают с помощью понятия "защищенность":
![]()
где
- номинальная мощность сигнала;
- номинальное действующее значение напряжения сигнала на частоте I кГц;
- мощность помехи;
- действующее значение напряжения помехи.
Различают интегральную помеху, когда напряжение помех измеряют вольтметром с квадратичной характеристикой, и пcофометрический шум, когда напряжение помех измеряют псофометром - вольтметром с нормированными параметрами зарядно-разрядной цепи и взвешивающим фильтром, учитывающим различную чувствительность слуха к звукам разных частот. Для оценки влияния переходных помех, наводимых из одного канала в другой, пользуются понятием защищенности от внятной переходной помехи. Требуемая защищенность определяется уровнем помех в канале.
Норма на уровень помех в СЛ устанавливается с учетом помех, обусловленных линейными переходами от соседних пар кабеля, и помех от систем уплотнения СЛ, служащих для дистанционного управления и контроля, а также о учетом уровня вещательного сигнала, передаваемого по СЛ. В свою очередь, норма на уровень вещательного сигнала обусловлена применяемым способом корректирования АЧХ и допустимой величиной помехи от СЛ другим парам кабеля. Все нормы на параметры качества СЛ взаимосвязаны, поэтому их устанавливают совместно, комплексно.
Не все пары кабелей ГТС пригодны для передачи вещательных сигналов, поскольку обладают недостаточным переходным затуханием. Для организации вещательных СЛ выбирают те пары кабелей ГТС, которые обладают наибольшей величиной переходного затухания по отношению к соседним парам и наименьшей величиной асимметрии.
Нормы параметров качества СЛ в соответствии с ГОСТ 11515-75 приведены в табл.2.
Таблица 2.
Нормы параметров качества соединительной линии звукового вещания
Параметры качества |
Классы качества | |||
| Высший | Первый | Второй | ||
| Номинальный диапазон частот, Гц | 30-15000 | 50-1000 | 100-6300 | |
В области частот от |
+0.5 -1.0 -0.5 |
+1.0 -2.0
|
+1.0 -2.0
|
|
| Защищённость от интегральной помехи, дБ | 66 | 60 | 57 | |
| Защищённость от псофометрического шума, дБ | 64 | 60 | 57 | |
| Защищённость от внятной переходной помехи, дБ | 74 | 70 | 60 | |
Принципы корректирования АЧХ. Назначение корректирующих контуров
Звенья вещательных каналов вносят амплитудно-частотные искажения. Это означает, что их коэффициент передачи или затухание является функцией частоты и частотная характеристика коэффициента передачи отличается от горизонтальной прямой.
Во многих вещательных устройствах величину амплитудно-частотных искажений, проявляющихся как спад коэффициента передачи на крайних частотах, сводят к нормированному значению рациональным построением электрической схемы, выбором величин ее элементов и режима работы, применением отрицательной обратной связи. Но амплитудно-частотные характеристики некоторых звеньев вещательного канала, соединительных линий, устройств звукозаписи и звуковоспроизведения, междугородных линий, линий проводного вещания не имеют горизонтального участка. В этих случаях амплитудно-частотные искажения уменьшают, включая в вещательный канал особую цепь—корректирующий контур КК.
Принципы корректирования
Амплитудно-частотная характеристика КК должна быть такой, чтобы общая амплитудно-частотная характеристика искажающего звена и. КК в заданной полосе частот от fmax до fmin была горизонтальной прямой. Итак, условие частотной коррекции искажающего звена:
или
при ![]()
где
и
-
соответственно коэффициент затухание (передачи) искажающего звена и корректирующего контура.
К методам корректирования амплитудно-частотных искажений по техническим приемам и способам расчета близки методы частотных предыскажений. Частотными предыскажениями называют искусственное искажение спектра вещательного сигнала с целью улучшения ОСШ. Частотные предыскажения широко применяют в каналах подачи вещательных программ, например в соединительных линиях, в устройствах звукозаписи, в радиовещании с частотной модуляцией.
Поскольку СЛ включают в вещательный канал в различных произвольных комбинациях, их рассматривают как самостоятельные звенья канала. Нежелательна компенсация амплитудно-частотных искажений, вносимых СЛ, в других звеньях канала - ЛУ или ПУ, так как в том случае невозможно маневрировать усилителями и СЛ и присоединять к любому усилителю любую СЛ. Каждая СЛ должна быть скорректирована, независимо от других звеньев канала. Идентичность АЧХ скорректированных СЛ облегчает их эксплуатацию и взаимное резервирование. АЧХ скорректированной СЛ должна укладываться в пределы шаблона:

В СЛ применяют принципиально иные метода корректирования АЧХ, чем в линиях проводного вещания. Ввиду большого количества СЛ, последовательно включаемых в вещательный канал, требуется высокая точность корректирования (см. табл. 1).
Соединительные линии нагружены на активное сопротивление, величина которого соизмерима с модулем волнового сопротивления СЛ. В этих условиях затухание СЛ
монотонно возрастает с частотой. Физически это явление может быть объяснено с помощью эквивалентной схемы.

Она справедлива, если длина линии не превосходит четверти длины волны передаваемого сигнала
, т.е. при электрически короткой линии. Сопротивление проводов линии
вместе с сопротивлением
, образованным сопротивлениями активных и емкостных утечек между проводами линии, и сопротивлением нагрузки
образуют делитель напряжения. С увеличением частоты модуль
увеличивается, а модуль
уменьшается. Поэтому коэффициент передачи этой цепи с увеличением частоты уменьшается, а затухание растет.
Дополнительные амплитудно-частотные искажения возникают из-за изменения входного сопротивления соединительной линии по диапазону частот. Поскольку СЛ является нагрузкой ЛУ, изменения входного сопротивления СЛ приводят к изменению падения напряжения на внутреннем сопротивлении источника вещательного сигнала - ЛУ. Но при малой величине внутреннего сопротивления ЛУ эти искажения незначительны, и их не учитывают.
Для корректирования АЧХ СЛ используют особый четырехполюсник с сосредоточенными параметрами - корректирующий контур (КК). Его затухание
в рабочем диапазоне частот должно изменяться так, чтобы общее затухание СЛ и КК
не зависело от частоты. Предположение, что общее затухание СЛ и КК равно сумме затуханий
и
справедливо лишь в том случае, когда входное сопротивление КК постоянно в рабочем диапазоне частот и равно сопротивлению нагрузки
. В противном случае при подключении КК к СЛ изменится нагрузка СЛ и изменится ее затухание.
Наибольшее затухание КК должен вносить на низшей рабочей частоте
. До частот 500-700 Гц затухание должно оставаться примерно постоянным, а затем плавно спадать до нуля на высшей рабочей частоте
.Физические свойства СЛ и КК различны; линия - четырехполюсник с распределенными параметрами, КК,- четырехполюсник с сосредоточенными параметрами. Поэтому достичь с помощью КК полной компенсации амплитудно-частотных искажений, вносимых СЛ, невозможно.
Чем больше будет взято точек на оси частот, для которых затухание КК должно совпасть с затуханием, полученным из идеализированной кривой
, тем сложнее схема КК.
КК должен иметь минимальное количество настраиваемых (подбираемых) элементов. На высшей частоте затухание КК должно приближаться к нулю. Включение КК не должно изменять частотной характеристики затухания сопряженного с ним звена, в данном случае, СЛ, иначе частотное корректирование превратиться в сложный и трудоемкий процесс эмпирического подбора элементов КК. При включении КК в конце СЛ следует применять КК с постоянным входным сопротивлением, а при включении в начале СЛ - с минимальным выходным сопротивлением. Уменьшение выходного сопротивления КК желательно и при включении КК в конце СЛ, так как при этом уменьшаются напряжения внешних помех наводимые на входную цепь усилителя, следующего после КК. Постоянство входного сопротивления полезно и в тех случаях, когда КК включен перед СЛ, так как это стабилизирует режим ЛУ.
Следовательно, КК должен иметь постоянное входное сопротивление, минимальное выходное сопротивление, минимальное затухание на высшей рабочей частоте и наименьшее количество настраиваемых элементов.
Основные схемы КК:

Простейший двухполюсник, включаемый в цепь последовательно с нагрузкой или параллельно нагрузке, не дает хорошего корректирования, так как входное сопротивление такого КК зависит от частоты и изменяет ход частотной характеристики СЛ.
Полный параллельный контур обладает постоянным входным сопротивлением и большим выходным сопротивлением, изменяющимся с частотой. Полный последовательный контур имеет постоянное входное сопротивление и небольшое выходное сопротивление, также изменяющееся с частотой. По этой причине полный последовательный контур наиболее пригоден для корректирования СЛ. Т-образный мостовой контур обеспечивает постоянство входного сопротивления, но его выходное сопротивление больше, чем у полного последовательного. Поэтому он менее подходит для корректирования СД, хотя в типовой аппаратуре встречается довольно часто.
Степень сложности двухполюсников
, и
зависит от требуемой точности корректирования. Если двухполюсники
и с содержат по два элемента, причем
, образован параллельным соединением активного сопротивления и емкости,
-последовательным соединением активного сопротивления и индуктивности, то расчетная характеристика затухания совпадет с идеализированной в двух точках – на
(практически, в области низших частот) и на
. Если
,
- трехэлементные, то совпадение получается в трех точках. При повышении требований к точности корректирования АЧХ одного КК оказывается недостаточно. Тогда используют два и более КК, причем дополнительные КК служат для корректирования неравномерности АЧХ, остающейся после введения первого КК.
Усложнение КК по экономическим причинам нежелательно. Поэтому обычно ограничиваются условием совпадения идеализированной и расчетной кривой затухания КК в трех точках, в качестве которых берут
,
и одну промежуточную. Расчетные формулы существенно упрощаются, если в качестве промежуточной точки принять частоту
, на которой затухание КК равно половине максимального
.
Схемы двухполюсников
и
синтезируют на основе следующих соображений.
В области низших частот сопротивления
и
должны быть чисто активными. На высшей расчетной частоте
, должно обращаться в нуль, а
приближаться к бесконечности. Этого можно достичь, выполнив
в виде последовательного, a
в виде параллельного колебательного контура. Резонансные частоты контуров должны быть равны и совпадать с высшей частотой рабочего диапазона
. Затухание КК в области низших частот определяется соотношением
и
:
![]()
Крутизна частотной характеристики затухания КК растет с увеличением отношения
, соответственно при этом увеличивается частота половинного затухания
. Потери в колебательных контурах уменьшает точность корректирования на высших частотах. Поэтому катушки индуктивности
и
должны иметь возможно меньшее активное сопротивление. Конденсаторы
и
должны иметь малые диэлектрические потери.
К методам корректирования амплитудно-частотных искажений по техническим приемам и способам расчета относятся:
Корректирование с помощью шунта (согласующего сопротивления)
АЧХ электрически короткой воздушной корректируют путём включения в конце линии активного сопротивления
.

Включение
увеличивает затухание линии, в результате чего режим линии на высших частотах приближается к режиму бегущей волны. Однако наличие
снижает коэффициент передачи на других частотах. Чтобы шунт действовал только в области высших частот, последовательно с
вводят ёмкость
, играющую роль своеобразного ключа, размыкающего цепь коррекции для токов средних и низших частот. Коэффициент передачи имеет наименьшую величину
на низшей частоте
, а наибольшую -
на
. После включения
коэффициент передачи на высшей частоте уменьшается до некоторого значения
.
Элементы шунта выбирают на следующей основе. Полное сопротивление шунта
![]()
на
должно быть близко к
, а в области средних и низших частот в несколько раз превосходить
.Такие соотношения получаются в том случае, если выбрать постоянную времени шунта равной приблизительно одной трети периода
, соответствующего высшей частоте расчётной полосы пропускания:
![]()
При большой длине линии полезно согласовать линию на высших частотах. Для этого в конце линии включают сопротивление, равное эквивалентному сопротивлению на высших частотах с учётом распределённых нагрузок:
. Из-за больших величин сопротивлений нагрузок эквивалентное сопротивление
на
близко к волновому сопротивлению линии без нагрузки
. Применение этого метода в длинных линиях может привести к спаду частотной характеристики К на высших частотах. Чтобы уменьшить опасность спада АЧХ, полезно взять величину согласующего сопротивления больше
, т.е. допустить некоторое рассогласование.
Корректирование с помощью разделительного трансформатора
Если длина воздушной линии велика и включение шунта приводит к спаду АЧХ в области высших частот, выходящему за допустимые пределы целесообразно применить дополнительную коррекцию с помощью трансформатора Тр,
разделяющего линию на 2 участка: первый – длиной
и второй
- электрически длинный.

Разделительный трансформатор служит для того, чтобы ослабить шунтирующее действие собственной проводимости второго участка. Он должен быть понижающим, чтобы уменьшить величину пересчитанного в первичную обмотку значения проводимости. Если коэффициент трансформации выбрать таким образом, чтобы получит значительное ослабление влияния проводимости на высших частотах, то режим участка
на высших частотах будет приближен к режиму холостого хода. В результате на участке
получится подъём частотной характеристик. К на высших частотах, который до некоторой степени скомпенсирует спад частотной характеристики К на высших частотах на участке
. Уменьшение рабочего напряжения на участке
, возникающее из-за включения понижающего трансформатора, компенсируют повышением напряжения на участке
. Величину коэффициента трансформации ограничивают величиной 0.5 (1:2). Уменьшение коэффициента трансформации от 0.5 до 0.25 даёт прибавку К менее чем на 25% (около 2 дБ). Дальнейшее снижение коэффициента трансформации выигрыша практически не даёт. К тому же при меньших значениях коэффициента трансформации пришлось бы чрезмерно повысить рабочее напряжение на участке
.
На втором участке на высших частотах благодаря наличию шунта
сохраняется режим бегущей волны. Поэтому можно не опасаться появления узлов и пучностей напряжения на этом участке.
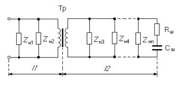
Пупинизация
Хевисайд показал, что минимальное значение коэффициента затухания
получилось бы в том случае, если бы удалось выполнить условие
или ![]()
Неравномерность частотной характеристики затухания в этом случае также была бы наименьшей. В реальных линиях L/R<C/G. Существует несколько путей приближения к условию.
Уменьшение R или С – экономически не выгодно. Первый связан с возрастанием расхода металла при увеличении диаметра проводов или при применении более дорого металла – меди вместо стали; второй – с применением более сложных конструкций линий. Для уменьшения ёмкости необходимо увеличивать расстояние между проводами. На воздушных линиях это связано с применением траверс вместо штырей, на кабельных – с увеличением толщины изоляции, следовательно, с увеличением диаметра кабеля.
Можно приблизиться к условию, искусственно увеличив индуктивность линии. Физически обоснованием этого является следующее. Коэффициент затухания
можно представить в виде двух составляющих -
и
, первая из которых обусловлена потерями в проводах, а вторая – в диэлектрике (изоляции):
![]()
Формула в полосе звуковых частот является недостаточно точной, но она наглядно показывает зависимость затухания от L. С ростом L первое слагаемое уменьшается, а второе увеличивается. Существует некоторое оптимальное значение
при котором
проходит через минимум.
Существует несколько способов искусственного увеличения индуктивности линии: пупинизация, т.е. включение в линию через равные промежутки S сосредоточенных индуктивностей
, крарупизация - обматывание жил кабеля ферромагнитной проволокой или лентой. В технике проводного вещания получил распространение метод пупинизация.

По электрическим свойствам пупинизированная линия аналогична ФНЧ. В полосе частот ниже так называемой предельной частоты пупинизации (в полосе пропускания) затухание линии мало, а выше этой частоты велико.
![]()
где
- индуктивность, приходящаяся на участок линии, равный шагу пупинизации S, а CS – ёмкость между проводами на участке длиной S.
Коэффициент затухания пупинизированной линии в два с лишним раза меньше коэффициента затухания аналогичной по конструкции непупинизированной линии. Лишь на частотах, близких к предельной, он резко возрастает и становиться даже больше, чем у непупинизированной линии. Модуль характеристического сопротивления пупинизированной линии пости в три раза больше модуля волнового сопротивления аналогичной по конструкции непупинизированной линии и в рабочем диапазоне частот изменяется значительно меньше, чем
. Возрастание
приводит к увеличению
и при неизменном входном напряжении к уменьшению потребления мощности.
Чтобы уменьшить амплитудно-частотные искажения при передаче по пупинизированной линии, обычно используют диапазон частот от 0 до ![]()
Способы уменьшения влияния внешних помех
Норма на относительный уровень помех в СЛ весьма жестка. Для различных видов она составляет от -63 до -85 дБ. Для того чтобы выполнить ее, приходится прибегать к различным конструктивным и схемным мерам: уравновешивать (симметрировать) и экранировать вещательную цепь, применять частотные предыскажения, включать промежуточные усилители.
Помехи из других цепей переносятся в СЛ ввиду электромагнитной (индуктивной) и электростатической (емкостной) связи.. При значительном расстоянии между цепями (воздушная линия) преобладает электромагнитная связь, при небольшом (кабельная линия)—электростатическая. Рассмотрим случай электростатической связи. Для упрощения задачи примем, что на двухпроводную цепь 1-2 влияет однопроводная цепь 3-0 .

Величины потенциалов помехи U'
п и, U"
п на проводах 1
и 2
зависят от соотношения емкостей
и
,
и
(или от соотношения емкостных сопротивлений). Для уменьшения этих потенциалов необходимо, чтобы коэффициенты передачи емкостных делителей
и
были меньше. Однако возможности этого способа снижения помех ограничены, так как для уменьшения связи необходимо уменьшать емкости
и
и увеличивать
и
. Первое приводит к увеличению сечения кабеля, второе к возрастанию затухания на высших частотах. И то, и другое невыгодно экономически.
Существует другой путь — уравнять потенциалы помехи U'
п и U"
п.
Для этого необходимо, чтобы коэффициенты передачи делителей
и
были равны. В частном случае это достигается при
и
. Поскольку фазы обоих потенциалов помехи одинаковы, то разность потенциалов помехи между проводами равна нулю и ток помехи в цепи не циркулирует. Этот способ подавления помех называют симметрированием
цепи. Кабельные цепи симметрируют, скручивая обе жилы цепи в пару. Шаг скрутки, т. е. расстояние, через которое жилы, совершив полный цикл, займут первоначальное положение, имеет величину порядка 10—30 см. Обе жилы цепи занимают последовательно различные положения относительно других жил кабеля. Поэтому их емкости по отношению к остальным жилам по длине кабеля усредняются и оказываются равными.
Воздушную цепь симметрируют, скрещивая провода, т. е. меняя через равные промежутки их положение по отношению к соседним цепям.

При высокочастотной помехе вдоль линии укладывается значительная часть длины волны помехи или даже несколько длин волн. В проводах линии возникают продольные ЭДС помехи, и задача сводится к тому, чтобы уменьшить и уравнять их. Фазы продольных ЭДС помехи в обоих проводах одинаковы.

При равенстве амплитуд ЭДС токи, вызванные ими, направлены навстречу и взаимно компенсируются. В зависимости от соотношения расстояния, через которое провода цепи меняются местами, и длины волны помехи асимметрия может и уменьшаться и увеличиваться. Так, если это расстояние равно l/4, скрещивание приведет к увеличению помехи если оно равно l/8, то уровень помехи не изменится. Положительный эффект от скрещивания получается лишь в том случае, если оно сделано чаще, чем через l/8.
В особо ответственных случаях, например, для связи РД с передающим РЦ, в качестве СЛ используют экранированные пары. Так как расстояние между проводами цепей в кабеле невелико, преобладает электростатическое влияние. Его практически полностью устраняют, обвивая экранируемую пару лентой алюминиевой, оловянной, медной фольги или металлизированной бумаги. Электромагнитное влияние остается. Для его уменьшения жилы каждой пары свивают с различным шагом. Рассмотренные меры устраняют влияние вещательных цепей друг на друга и смежных телефонных цепей на вещательные цепи.

Для уменьшения влияния помех используют частотные предыскажения. Пусть имеется СЛ, на которую действует помеха. Будем считать, что амплитудно-частотные искажения СЛ полностью скомпенсированы. Предположим также, что энергия помех П сосредоточена преимущественно в области высших звуковых частот (см. график зависимости S п от f).
Распределение энергии по спектру
звукового вещательного сигнала неодинаково: уровни сигнала на низших и высших частотах ниже, чем на средних. Поэтому в рассматриваемом случае отношение С/П будет наименьшим на высших частотах. Улучшить отношение С/П можно было бы, увеличив уровень сигнала, подаваемого на вход СЛ.
Но это невозможно, так как максимальный уровень на средних частотах на входе СЛ
нормирован. Он равен +17 дБ. Поэтому поднимают уровень сигнала лишь в области высших частот, что разрешается нормами. В спектре вещательного сигнала
уровни на высших частотах на 10-20 дБ ниже, чем на средних. На эту же величину, т. е. до уровня на средних частотах. Для этого на входе СЛ
включают предыскажающий контур ПК..
Затухание
снижается по мере роста частоты. В результате действия ПК
спектр сигнала
исказится и отношение С/П в точке 3
возрастет. В конце СЛ
включают восстанавливающий контур ВК,
затухание которого
возрастает с частотой. Он необходим для того, чтобы восстановить первоначальную форму спектра сигнала
,
т.е. устранить искусственно введенные амплитудно-частотные искажения. Соотношение между уровнями сигнала и помехи ВК.
не изменяет, так как он в равной степени ослабляет и сигнал, и помеху. Однако благодаря форме частотной характеристики затухания ВК
уменьшает в паузах передачи помеху лежащую в области высших звуковых частот.
Если энергия помехи сосредоточена в области низших частот, предыскажения состоят в подъеме низкочастотных составляющих спектра вещательного сигнала.
Система предыскажений обеспечивает наибольшее подавление помех в тех случаях, когда энергия помехи сосредоточена в области высших или низших частот, т.е. в тех случаях, когда спектры сигнала и помехи заметно различаются. Если энергия помехи распределена по спектру равномерно, то отношение С/П улучшается не более чем на 4-5 дБ. Если спектры сигнала и помехи одинаковы, применять предыскажения бесполезно.
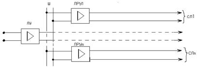
Линейно-разделительные и защитные устройства
Для того чтобы создать стабильную работу вещательных трактов, необходимы дополнительные элементы. К ним относятся линейно-разделительные устройства.
В ряде участков канала вещания встречается задача распределения энергии звуковой частоты нескольким потребителям, СЛ которых подключаются к выходу одного усилителя. Это могут быть СЛ, подключаемые к выходу линейного усилителя студийного тракта или АЦ КРА, центральной усилительной станции проводного вещания и т. д. Рассмотрим недостатки этой структурной схемы:
Короткое замыкание на одной из линий. Если оно произошло близко к распределительной шине Ш, то произойдет замыкание выхода ЛУ. В случае заземления одного провода линии СЛ1 и другого провода любой другой линии СЛn также происходит замыкание выхода линейного усилителя ЛУ.

Подключение линий потребителей к выходу усилителя.

Схема с разделительными усилителями.

Схема с защитными устройствами.
Заземление одного из проводов вызывает асимметрию всех линий по отношению к земле. Такие линии более чувствительны к помехам, чем симметричные цепи. Кроме того, они сами будут создавать помехи линиям связи, если они проходят в общем кабеле. Помехи, появляющиеся на одной из линий, проходят через шину Ш на остальные линии. Напряжение этих помех может быть весьма значительным. Полное или частичное устранение этих недостатков производится при помощи линейно-разделительных устройств.
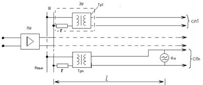
На структурных схемах, приведенных на рисунках выше, каждая линия СЛ подключена к шине Ш через линейно-разделительный усилитель ЛРУ. Вследствие этого невозможен переход помех, а также влияние короткого замыкания в линии на разделительную шину Ш. Такой метод защиты выхода линейного усилителя от воздействия поврежденных линий применяют в случаях, когда число соединительных линий невелико. При большом числе СЛ чаще применяют устройства, которые обеспечивают не полное разделение, а ослабление до допустимой величины помех и влияния короткого замыкания в линиях на распределительную шину Ш. Для осуществления этого необходимо:
-- устранить гальваническую связь между линиями с помощью симметричных трансформаторов, включенных в начале каждой из них;
--последовательно в начале каждой линии включить ограничивающее сопротивление r с тем, чтобы короткое замыкание в линии не вызывало перегрузку выхода линейного усилителя и существенно не отражалось на уровне сигнала в остальных линиях;
--с помощью тех же элементов надо добиться такого ослабления напряжения помех, чтобы они не распространились на другие линии.
Рассмотренные ЛРУ защищают линии от перехода помех и последствий короткого замыкания, но не дают защиты от заземления двух разных проводов разных линий. Чтобы предотвратить в этом случае короткое замыкание шин, лини разобщают с помощью линейных трансформаторов ЛТ. Коэффициент трансформации ЛТ обычно равен единице, так что их включение не изменяет диаграммы уровней. Для повышения эффективности стремятся получить наименьшую индуктивность рассеяния и минимальную емкость между обмотками, сопротивление обмоток равно нескольким десяткам омов.
Если сопротивление обмоток трансформатора Трn достаточно велико для защиты шины Ш от короткого замыкания со стороны линии, то ограничивающее ток сопротивление r в схему не включается. Вносимое затухание такого устройства в направлении передачи сигнала значительно меньше, чем в обратную сторону от линии СЛ. Этим и достигается защита распределительной шины Ш от влияния помех и короткого замыкания поврежденной линии.
Уровень наводимых помех зависит от электрического состояния линии и от близости цепей, которые являются источником помех. Помехи, наводимые на данном участке, распространяются вдоль линии и затухают, как и любой сигнал. Поэтому величина помех, попадающих с линии на шину Ш, в значительной мере определяется помехами, наводимыми на ближайшем к началу линии участке.
Для уменьшения мощности сигнала, потребляемой линией, сопротивление r выбирается малым и должно быть меньше модуля полного входного сопротивления линии. Минимальная величина сопротивления r, при которой короткое замыкание на одной линии вблизи от защитного устройства вызовет лишь небольшое снижение уровня напряжения на выходе линейного усилителя, выбирается в пределах (0,1—0,15) Zвх. При этом значение модуля входного полного сопротивления линии Zвх выбирается на той частоте, где оно минимально. Для кабельных СЛ входное сопротивление с увеличением частоты падает до значения, близкого к их волновому сопротивлению, которое на верхних частотах мало.
Таким образом, при выбранных величинах r и Zвх защитное действие устройства можно увеличить лишь путем уменьшения Rвых. Чтобы обеспечить требуемое ослабление помех в случае подключения к его выходу двух линий путем расчетов, мы находим максимальное выходное сопротивление линейного усилителя.
Обоснование места включения корректирующего контура
В зависимости от места включения корректирующего контура различают два основных метода корректирования частотных искажений: систему с коррекцией в начале СЛ и систему с коррекцией на конце.

В первом случае КК устанавливается перед корректируемой линией, во втором случае- после нее. Обычно КК подключаются непосредственно к линии в стационарных устройствах коммутации и образуют с ней единое звено тракта передачи.
Если бы передача вещательных сигналов осуществлялась по линиям без помех, то оба метода были бы равноценными. Однако при передаче сигналов программ по существующим линиям городских телефонных сетей приходится учитывать требования к номинальным уровням сигнала и уровню помех, неизбежно имеющихся в линиях (минус 58-65 дБ).
При включении корректирующего контура в начале линии максимальный входной уровень сигнала по действующим нормам не должен превышать плюс 17 дБ на частоте 1000Гц и плавно повышаться в области верхних частот полосы пропускания. Так как одновременно с этим процессом переходное затухание между цепями СЛ в кабеле уменьшается с ростом частоты, то повышение уровня сигнала может приводить к повышению уровня переходных помех в других цепях кабеля. Отмеченное явление не вызывает опасений, когда остальные пары кабеля используются для телефонной связи, так как полоса пропускания такого канала ограничена частотой 3400 Гц. Кроме того, спектральная плотность мощности вещательного сигнала быстро убывает в области верхних частот.
Однако если по цепям кабеля передаются сигналы различных программ с более низким уровнем, то могут появиться заметные переходные помехи от цепей с более высоким уровнем передачи. Чтобы избежать этого не следует применять смешанную систему коррекции, а максимальный уровень сигнала на верхней граничной частоте следует ограничить величиной 30-32 дБ. Следовательно, максимальное затухание в этом случае ограничено величиной 17 дБ лишь для частоты 1000 Гц, а для частот, лежащих выше этого предела, допускается увеличение затухания в линии до 30-32 дБ.
При коррекции на конце номинальный уровень сигнала в начале СЛ не зависит от частоты. Следовательно, максимальное затухание, которое можно допустить в линии при этом способе коррекции, равно 17 дБ. Из сравнения двух методов видно, что коррекция в начале СЛ позволяет использовать линии в 2 раза большей длины, чем коррекция на конце линии. Это достигается значительным увеличением требуемой мощности источника сигнала.
Получили:
1)Помехозащищенность в конце линии для низких и значительной области средних частот одинакова для обоих случаев и равно 65 дБ.
2)Мощность усилителя в схеме б должна быть на 18 дБ (приблизительно в 60 раз) больше мощности в схеме а.
3)Если основные компоненты шумового спектра лежат в области низких и средних частот, преимущество имеет схема а.
4)Чем меньше длина линии или ее затухание, тем выгоднее использовать схему а.
На практике возможны случаи, когда из-за большой протяженности линии ее затухание настолько велико, что не удается обеспечить требуемой защищенности от интегральной помехи и ОСШ. В этом случае линию разделяют на участки (в), между которыми включают КК и промежуточный усилитель(ПУ).Затухание участка выбирается таким, чтобы обеспечить защищенность и ОСШ, соответствующее данному классу качества.
Особенностью системы коррекции с ПУ является то, что помехи в обоих участках суммируются. Отсюда видно, что для получения требуемой защищенности в такой линии необходимо обеспечить уровень помехи в каждом из участков на 3 дБ ниже нормы.
Расчёт затухания СЛ и КК
Затухание СЛ рассчитывается по формуле:

где
- коэффициент распространения, 1/км;
- длина линии, км;
- волновое сопротивление нагрузки, Ом;
- сопротивление нагрузки.
Коэффициент распространения и волновое сопротивление связаны с первичными параметрами линии – сопротивлением проводов на километр длины Z (Ом/км) и проводимостью изоляции между проводами Y (См/км) – соотношениями:
![]()
![]()
Рассчитаем для примера затухание СЛ на одной частоте, а остальные расчёты сведём в таблицу. Первичные параметры кабеля приведены в таблице 1. Примем сопротивление нагрузки равным 600 Ом, допустимую величину неравномерности частотной характеристики затухания 1 дБ.
На частоте 50 Гц:
Ом/км,
См/км.
Отсюда вычисляем Z и Y:
Ом/км,
См/км.
Далее вычисляем
и
:
Ом,
1/км,
![]()
![]()
![]()
Затухание соединительной линии:
дБ.
Аналогично определяем затухание для других частот, промежуточные расчёты и результаты сведём в таблицу 3.
Таблица 3.
Расчёт затухания СЛ
| f, Гц | 50 | 100 | 300 | 1000 | 3000 | 10000 |
| Z, Ом/км | 72,2+0.173i | 72,2+0.346i | 72.2+1.039i | 72.2+3.462i | 72.2+10.386i | 72.2+34.62i |
| 1 | 2 | 3 | 4 | 5 | 6 | 7 |
| Y |
0.5+10.37i | 0.75+20.73i | 1.1+62.2i | 2.6+207.3i | 9.8+622i | 42.4+2073i |
| 1912-1817i | 1346-1292i | 773.904-749.478i | 429.91-404.675i | 260.549-222.182i | 167.349-102.975i | |
| 0.02+0.019i | 0.028+0.027i | 0.047+0.047i | 0.085+0.088i | 0.141+0.16i | 0.221+0.343i | |
| 1,002+0.054i | 1.001+0.108i | 0.984+0.323i | 0.77+1.051i | -0.955+2.458i | -4.011-5.792i | |
| 0.234+0.231i | 0.322+0.335i | 0.507+0.627i | 0.593+1.365i | -0.892+2.632i | -3.971-5.851i | |
| 7.778 | 7.79 | 7.861 | 8.531 | 11.929 | 19.188 |
По этим данным строим частотную характеристику затухания СЛ (рис.17).
Далее графически определяем ординаты идеализированной частотной характеристики затухания КК. Принимаем
, равным 20 дБ. Тогда величины затухания КК определяются как разность между этой величиной и соответствующими величинами затухания СЛ. В частности, максимальное затухание КК
20-7.778=12.222 дБ. По максимальной величине затухания контура находим параметр k:
отсюда ![]()
![]()
а из графика
- параметр f1. Он равен 4000 Гц.
Расчёт затухания корректирующего контура произведём аналогично расчёту затухания СЛ. Затухание КК определяем по формуле:

Результаты расчёта сводим в таблицу 4.
Таблица 4.
Расчёт затухания КК.
| f, Гц | 50 | 100 | 300 | 1000 | 3000 | 10000 | |||
| 12.222 | 12.21 | 12.139 | 11.469 | 8.071 | 0.812 | ||||
| 12.219 | 12.212 | 12.129 | 11.301 | 7.601 | 1.817 | ||||
| 19.997 | 20.002 | 19.99 | 19.832 | 19.53 | 21.005 | ||||
По данным приведённым в таблице построим частотное затухание КК.

Расчет элементов корректирующего контура
Для расчета элементов КК нужно получить идеализированную характеристику затухания КК, при которой амплитудно-частотные искажения были бы полностью скомпенсированы.
Величины элементов, входящих в КК, удовлетворяют условиям:
![]()
![]()
В схеме сопротивления
и
объединяют в одно -
. Его величину рассчитывают по формуле:
![]()
Ом
Величины элементов КК рассчитываются по формулам:
Ом
мГн
мГн
нФ
нФ
где
, а ![]()
и
, ![]()
Сопротивление
.
Далее выбираем значения элементов корректирующего контура из стандартного ряда Е24:
Ом;
Ом;
мГн
мГн;
нФ;
нФ.
Неравномерность суммарной частотной характеристики затухания получилась равной 1 дБ, что удовлетворяет допустимой. Поэтому результат расчёта следует принять удовлетворительным.
Мощность, потребляемая СЛ от ЛУ, равна:
ВА
Диаграммы уровней для частот 50, 1000 и 10000 Гц изображены на рис.18. Уровень в конце СЛ доводится до номинального уровня 0 дБ установочным регулятором, имеющимся на входе аппаратуры.

Литература:
1. А.П. Ефимов “Радиовещание”;
2. И.Е. Горон “Радиовещание”;
3. И.Е. Горон “Корректирование амплитудно-частотных искажений”.
4. А.А. Глухов “Основы звукового вещания”.
5. Методическое пособие по курсовому проекту расчёт соединительной линии ЗВ по предмету: ”РВ и ЭА ”.
Приложение

Структурная схема СЛ

Схема электрическая принципиальная корректирующего контура.