| Скачать .docx |
Курсовая работа: Расчет параметров цифровых систем передачи непрерывных сообщений
Министерство РФ по связи и информатизации
Уральский технический институт связи и информатики (филиала)
Сибирского Государственного университета телекоммуникаций и Информатики
КУРСОВАЯ РАБОТА
по дисциплине «Основы теории электрической связи»
ТЕМА: РАСЧЕТ ПАРАМЕТРОВ ЦИФРОВЫХ СИСТЕМ ПЕРЕДАЧИ НЕПРЕРЫВНЫХ СООБЩЕНИЙ
Выполнил Студент: Плишкин М. Ю.
Группа: МЕ-72
Преподаватель: Астрецов Д.В.
Екатеринбург, 2010
ИСХОДНЫЕ ДАННЫЕ
Вариант 020
| Относительная ошибка δ = 1,5% =0,015 |
| Параметр, характеризующий порядок фильтра, формирующего сообщения k=3 |
| Частота, определяющая ширину спектра сообщения f0 = 400 Гц |
| Вид модуляции - ОФМ |
Тип распределения - №4, т.е δ1 = δ2 = δ3 =δ4 = 1/2·δ = 0,0075 |
СОДЕРЖАНИЕ
Введение
1. Расчётная часть
1.1 Расчёт частоты дискретизации
1.2 Расчёт пик-фактора Н
1.3 Расчёт числа разрядов двоичного кода
1.4 Расчёт допустимой вероятности ошибки вызванной действием помех
1.5 Расчёт информационных характеристик источника сообщения и канала связи
1.6 Расчёт отношений, необходимых для обеспечения приёма при неизвестной фазе
1.7 Расчёт длительности импульса двоичного сигнала
1.8 Расчет ширины спектра сигнала, модулированного двоичным кодом
2. Выбор сложного сигнала для передачи информации и для синхронизации
Заключение
Список литературы
Приложение. Структурная схема ИКМ – ЧМ
ВВЕДЕНИЕ
Курсовая работа имеет целью закрепить навыки анализа системы передачи непрерывных сообщений цифровыми методами, расчёта характеристик помехоустойчивости и других показателей качества передачи информации по каналам связи с помехами.
Основная задача курсовой работы - закрепление навыков расчёта характеристик системы передачи непрерывных сообщений дискретными сигналами. Кроме того, в процессе её выполнения я должен продолжить знакомство с учебной и монографической литературой по теории электрической связи, закрепить навыки выполнения технических расчётов с использованием персональных ЭВМ.
Наконец, нельзя сбросить со счетов и последнюю, скорее по порядку, но не по важности, цель - отработку навыков изложения результатов технических расчётов, составления и оформления технической документации.
Для передачи непрерывных сообщений можно воспользоваться дискретным каналом. При этом необходимо преобразовать непрерывное сообщение в цифровой сигнал, т.е. в последовательность символов, сохранив содержащуюся в сообщении существенную часть информации. Типичными примерами цифровых систем передачи непрерывных сообщений являются системы с импульсно–кодовой модуляцией (ИКМ) и дельта–модуляцией (ДМ).
Для преобразования непрерывного сообщения в цифровую форму используются операции дискретизации и квантования. Полученная таким образом последовательность квантованных отчетов кодируется и передается по дискретному каналу как всякое дискретное сообщение. На приемной стороне непрерывное сообщение после кодирования восстанавливается.
Преимущество цифровых систем передачи перед непрерывными системами в их высокой помехоустойчивости.
При цифровой системе передачи непрерывных сообщений можно, кроме того, повысить верность применением помехоустойчивого кодирования. Высокая помехоустойчивость цифровых систем передачи позволяет осуществить практически непрерывную по дальности связь при использовании каналов сравнительно невысокого качества.
Другим преимуществом цифровых систем является широкое использование в аппаратуре преобразования сигналов современной элементной базы цифровой ВТ и микропроцессоров
В приложении приведена общая структурная схема системы передачи в цифровой форме. В составе цифрового канала предусмотрены устройства для преобразования непрерывного сообщения в цифровую форму – АЦП (аналогово–цифровой преобразователь) на передающей стороне и устройства преобразования цифрового сигнала в непрерывный – ЦАП (цифро-аналоговый преобразователь) на приемной стороне.
1. РАСЧЕТНАЯ ЧАСТЬ
1.1 Расчёт частоты дискретизации
Эффективное значение относительной ошибки временной дискретизации сообщения x(t) определяется равенством [1]:
, (1)
где:Fд – частота временной дискретизации;
Sx (f) – спектральная плотность мощности сообщения x(t).
Форма спектральной плотности мощности сообщения определена равенством [2]:
, (2)
где:S0 - спектральная плотность мощности сообщения на нулевой
частоте;
k – параметр, характеризующий порядок фильтра, формирующего сообщения;
f0 – частота определяющая ширину спектра сообщения по критерию снижения Sx (f) в два раза по сравнению с её значением на нулевой частоте Sx (0).
При выборе частоты дискретизации Fд необходимо пользоваться правилом, следующим из равенства [1], с использованием выражения [2] для спектральной плотности мощности сообщения. Вычислим интегралы в [1] и найдём чему равно δ1 :
(3)
(4)

![]()
(5)
Пользуясь формулой (5) можно вычислить частоту временной дискретизации Fд :
(6)
1.2 Расчёт пик-фактора Н
Пик-фактор – отношение Н максимального пикового значения непрерывного сообщения к его эффективному значению. Сообщение четвёртого типа имеет распределение Лапласа(7):
(7)
где: а – параметр сообщения, определяющий его дисперсию, которая равна:
- эффективное значение этого сообщения.
Эффективное значение относительной ошибки такого процесса, вызванное ограничением, связано с пик-фактором.
,
где
логарифмируем данное выражение
![]()
1.3 Расчёт числа разрядов двоичного кода
(8)
где:Е(х) – целая часть дробного числа х.
Таким образом, в результате входных преобразований сформирован сигнал ИКМ, обеспечивающий требуемый уровень точности передачи аналогового сообщения цифровым способом - использованием двоичного кода.
1.4 Расчёт допустимой вероятности ошибки вызванной действием помех
Эффективное значение среднеквадратичной ошибки воспроизведения сообщения вызванной ошибочным приёмом одного из символов двоичного кода за счёт широкополосного шума, можно найти из формулы (9):
, (9)
где: Рош –вероятность ошибки приёма разрядного символа (при небольших
=
).

Выбирая вероятность ошибки Рош таким образом, чтобы дисперсия относительной ошибки δШ 2 была по крайней мере на порядок ниже суммы дисперсий относительных ошибок отдельных этапов входных преобразований, можно обеспечить общую погрешность передачи аналогового сообщения, практически равную погрешности входных преобразований. Обеспечение заданного значения вероятности ошибки осуществляется выбором соответствующего превышения мощности сигнала над мощностью шума, формированием сигнала на передающей стороне системы (способом передачи) и способом приёма - совокупностью устройств выделения сообщения из смеси сигнала и помехи, присутствующей на входе приёмного устройства.
В то же время необходимо минимизировать мощность источника сигнала, так как излишек мощности повышает стоимость системы связи, уровень помех другим связным системам, в некоторых случаях ухудшает экологическую обстановку вблизи источника сигнала.
, (10)
где:
- минимальное (когерентное) отношение сигнал/шум.
1.5 Расчёт информационных характеристик источника сообщения и канала связи
Рассчитаем энтропию источника сообщения, оценим её избыточность.
Для расчёта энтропии целесообразно всего воспользоваться приближённой формулой, которая является достаточно точной при большом числе уровней квантования:
(11)
где:W(x) – плотность вероятности сообщения;
- значение интервала квантования;
Um – порог ограничения сообщения.
, где
, 


Для оценки избыточности сначала рассчитаем информационную насыщенность сообщения:
![]()
(12)
где:Hmax – максимальная энтропия источника, достигаемая при равномерном распределении.
Тогда избыточность может быть найдена из выражения
(13)
![]()
Производительность источника сообщения находится из равенства
(14)
![]()
Пропускная способность канала связи определяется известной формулой Шеннона
(15)
(15) – условие согласования.
Пользуясь формулой (16) мы можем найти значение отношения мощностей сигнала и помехи:
(16)
Сравнивая пропускную способность с производительностью источника, можно найти значение отношения мощностей сигнала и помехи, требуемое для согласования источника сообщения с каналом связи. В нашем случаи мы имеем в виду мощность шума в полосе частот, равной половине частоты дикретизации сообщения, и что при этом информация передаётся без искажений.
1.6 Расчёт отношений, необходимых для обеспечения приёма при неизвестной фазе
При неоптимальном приёме выражения для вероятностей ошибок зависят от контретной схемы, реализующей различение символов двоичного кода дискретного сигнала. При рациональном построении устройств некогерентной обработки можно использовать следующее приближённое выражение для вероятностей ошибок при частотной модуляции:
(17)
Пользуясь формулой (17), мы можем рассчитать чему равно ![]()
(18)
Из результата видно, что существует проигрыш в энергии (мощности) сигнала, выванной неизвесностью начальной фазы. Проигрыш равен приблизительно 2 (50,8– 46 =4,8).
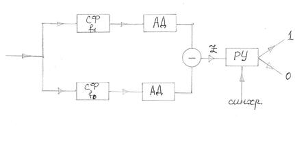
Оптимальный когерентный и некогерентный приемник
Схема оптимального когерентного приема сигналов с ЧМ

Схема оптимального некогерентного приема сигналов с ЧМ

1.7 Расчёт длительности импульса двоичного сигнала
После определения частоты дискретизации и числа зарлядов двоичного кода можно определить длительность импульса кодовой последовательности:
,
где τс – длительность временного интервала, предназначенного для передачи сигналов инхронизации. (τс = τu )

1.8 Расчет ширины спектра сигнала, модулированного двоичным кодом
Поскольку характер последовательностей определяется реализацией сообщения, каждую из них следует считать случайным процессом с характерной для последоватльности прямоугольных импульсов функцией коррекции в виде гармонической функции (не синуса) с огибающей прямоугольной формы.
Спектральная плотность мощности такой последовательности иммет вид функции (sin2 x)/x2 , максимум которой находится на несущей частоте, а ширина главного лепестка по первым нулям спектральной плотности равна ∆f0 = 2/τи . На практике и в литературе обычно ширина спектра определяется полосой частот, в которой сосредоточенно (80-90)% энергии (мощности) сигнала. По этому критерию для радиоимпульса прямоугольной формы обычно принимается:

Это же значение имеет ширина спектра всего фазоимитированного сигнала, так как несущие частоты обеих последовательностей совпадают.
![]()
![]()
2. Выбор сложного сигнала для передачи информации и для синхронизации
Достоинства сложных сигналов:
- Сложные сигналы обладают повышенной помехоустойчивостью по отношению к помехам с сосредоточенным спектром (узкополосным помехам);
- Так же сложные сигналы обладают повышенной разрешающей способностью, которая позволяет разделить сигналы при многолучевом распространении.
- Кроме того, использование сложного сигнала позволяет обеспечить синхронизацию устройства восстановления аналогового сообщения по принятому цифровому сигналу.
Т.о., необходимо выбрать два вида используемых сигналов с ЧМ –частотной манипуляцией (это последовательность импульсов, у которых частота меняется специальному коду). Один сигнал должен быть использован для синхронизации, второй – для передачи информационных символов.
В фазово-кодовой модуляции существует два типа кода:
1. код Баркера;
2. M–последовательность.
Выберем M–последовательность, элемент последовательности, которой рассчитывается по формуле:
(19)
где
и d – двоичные числа.
Составим M-последовательность для информационного элемента. Для этого зададим первые четыре импульса:
![]()
![]()
Рассчитаем остальные элементы:

Т.о., мы получили М-последовательность для информационного элемента: 011110101100100
Единиц должно быть больше, чем нолей на один разряд (шумоподобнй сигнал).
Информационная последовательность шифруются одними начальными, а синхроимпульс другими начальными условиями.
М-последовательность для синхроимпульса будет запушена в обратном направлении информационная последовательность: 1.
По этим данным строим структурную схему согласованного фильтра для информационной М-последовательности.
![]()
![]()
![]()
![]()
![]()
![]()
![]()
![]()
![]()
![]()
![]()
|
|
|
|
|
|
|
|


Рисунок 3 -Структурная схема фильтра для информационной последовательности
СФОИ – согласующий фильтр одиночного импульса.
На выходе будем иметь сигнал, амплитуда которого в 15 раз будет больше за счет задержки наших импульсов.
Один сигнал должен быть использован для синхронизации, второй – для передачи информационных символов.
Далее строим функцию корреляции для информационного сигнала, поданного на вход СФинф.
Таблица 1
| -1 | 1 | 0 | 0 | 0 | 0 | 1 | 0 | 1 | 0 | 0 | 1 | 1 | 0 | 1 | 1 | ||||||||
| -1 | 1 | 0 | 0 | 0 | 0 | 1 | 0 | 1 | 0 | 0 | 1 | 1 | 0 | 1 | 1 | ||||||||
| 1 | 0 | 1 | 1 | 1 | 1 | 0 | 1 | 0 | 1 | 1 | 0 | 0 | 1 | 0 | 0 | ||||||||
| -1 | 1 | 0 | 0 | 0 | 0 | 1 | 0 | 1 | 0 | 0 | 1 | 1 | 0 | 1 | 1 | ||||||||
| -1 | 1 | 0 | 0 | 0 | 0 | 1 | 0 | 1 | 0 | 0 | 1 | 1 | 0 | 1 | 1 | ||||||||
| 1 | 0 | 1 | 1 | 1 | 1 | 0 | 1 | 0 | 1 | 1 | 0 | 0 | 1 | 0 | 0 | ||||||||
| 1 | 0 | 1 | 1 | 1 | 1 | 0 | 1 | 0 | 1 | 1 | 0 | 0 | 1 | 0 | 0 | ||||||||
| -1 | 1 | 0 | 0 | 0 | 0 | 1 | 0 | 1 | 0 | 0 | 1 | 1 | 0 | 1 | 1 | ||||||||
| 1 | 0 | 1 | 1 | 1 | 1 | 0 | 1 | 0 | 1 | 1 | 0 | 0 | 1 | 0 | 0 | ||||||||
| -1 | 1 | 0 | 0 | 0 | 0 | 1 | 0 | 1 | 0 | 0 | 1 | 1 | 0 | 1 | 1 | ||||||||
| 1 | 0 | 1 | 1 | 1 | 1 | 0 | 1 | 0 | 1 | 1 | 0 | 0 | 1 | 0 | |||||||||
| 1 | 0 | 1 | 1 | 1 | 1 | 0 | 1 | 0 | 1 | 1 | 0 | 0 | 1 | ||||||||||
| 1 | 0 | 1 | 1 | 1 | 1 | 0 | 1 | 0 | 1 | 1 | 0 | 0 | |||||||||||
| 1 | 0 | 1 | 1 | 1 | 1 | 0 | 1 | 0 | 1 | 1 | 0 | ||||||||||||
| -1 | 1 | 0 | 0 | 0 | 0 | 1 | 0 | 1 | 0 | 0 | |||||||||||||
| 1 | 0 | -3 | 0 | -1 | -2 | -1 | 0 | 1 | 0 | -1 | 2 | -1 | -2 | 15 | -2 | -1 | 2 | -1 | 0 | 1 | 0 | -1 | -2 |
Нашу М-последовательность мы либо инвертируем (умножаем на «-1» нашу комбинацию), либо оставляем такой, какая есть. Затем складываем столбцы. Нули заменяются на «-1», а единицы – на «+1». Разность между «+1» и «-1» является результатом, который записывается после черты. По этим результатом строим функцию корреляции.

Рисунок 4 – Функция корреляции – информационный сигнал.
Затем строим функцию корреляции для синхроимпульса, поданного на вход СФинф .
Таблица 2
| -1 | 1 | 1 | 0 | 1 | 1 | 0 | 0 | 1 | 0 | 1 | 0 | 0 | 0 | 0 | 1 | |||||||||||||
| 1 | 0 | 0 | 1 | 0 | 0 | 1 | 1 | 0 | 1 | 0 | 1 | 1 | 1 | 1 | 0 | |||||||||||||
| 1 | 0 | 0 | 1 | 0 | 0 | 1 | 1 | 0 | 1 | 0 | 1 | 1 | 1 | 1 | 0 | |||||||||||||
| 1 | 0 | 0 | 1 | 0 | 0 | 1 | 1 | 0 | 1 | 0 | 1 | 1 | 1 | 1 | 0 | |||||||||||||
| 1 | 0 | 0 | 1 | 0 | 0 | 1 | 1 | 0 | 1 | 0 | 1 | 1 | 1 | 1 | ||||||||||||||
| -1 | 1 | 1 | 0 | 1 | 1 | 0 | 0 | 1 | 0 | 1 | 0 | 0 | 0 | 0 | 1 | |||||||||||||
| 1 | 0 | 0 | 1 | 0 | 0 | 1 | 1 | 0 | 1 | 0 | 1 | 1 | 1 | 1 | 0 | |||||||||||||
| -1 | 1 | 1 | 0 | 1 | 1 | 0 | 0 | 1 | 0 | 1 | 0 | 0 | 0 | 0 | 1 | |||||||||||||
| 1 | 0 | 0 | 1 | 0 | 0 | 1 | 1 | 0 | 1 | 0 | 1 | 1 | 1 | 1 | 0 | |||||||||||||
| 1 | 0 | 0 | 1 | 0 | 0 | 1 | 1 | 0 | 1 | 0 | 1 | 1 | 1 | 1 | 0 | |||||||||||||
| -1 | 1 | 1 | 0 | 1 | 1 | 0 | 0 | 1 | 0 | 1 | 0 | 0 | 0 | 0 | 1 | |||||||||||||
| -1 | 1 | 1 | 0 | 1 | 1 | 0 | 0 | 1 | 0 | 1 | 0 | 0 | 0 | 0 | 1 | |||||||||||||
| 1 | 0 | 0 | 1 | 0 | 0 | 1 | 1 | 0 | 1 | 0 | 1 | 1 | 1 | 1 | 0 | |||||||||||||
| -1 | 1 | 1 | 0 | 1 | 1 | 0 | 0 | 1 | 0 | 1 | 0 | 0 | 0 | 0 | 1 | |||||||||||||
| -1 | 1 | 1 | 0 | 1 | 1 | 0 | 0 | 1 | 0 | 1 | 0 | 0 | 0 | 0 | 1 | |||||||||||||
| 1 | 0 | -3 | 0 | -1 | -2 | -1 | 0 | 1 | 0 | -1 | 2 | -1 | -2 | 15 | -2 | -1 | 2 | 0 | 0 | 2 | 0 | -1 | -2 | -1 | 0 | -3 | -1 | 1 |

Рисунок 5 – Функция корреляции – сигнал синхронизации.
По полученным ранее данным построим структурную схему согласованного фильтра для синхронизирующей М-последовательности.
![]()
![]()
![]()
![]()
![]()
![]()
![]()
![]()
![]()
![]()
![]()
![]()
![]()
|
|
|
|
|
|
|
|
|
|

Рисунок 6 – Структурная схема фильтра для синхронизирующей последовательности
Заключение
В результате курсовой работы я закрепила навыки по анализу систем передачи непрерывных сообщений цифровыми методами, расчет характеристик помехоустойчивости и других показателей качества передачи информации по каналу связи с помехами. Мною была разработана структурная схема системы передачи непрерывного сообщения в цифровой форме.
Приведём все основные результаты, полученные в результате произведённых в курсовой работе расчетов, в таблице 3.
Таблица 3
| Величина | Значение |
| 1 Эффективные значения относительных среднеквадратичных ошибок этапов входных преобразований и ошибки, вызванной действием помех | 0,0075 |
| 2 Значение частоты дискретизации Fд | 4500 Гц |
| 3 Значение пик-фактора H | 3,47 |
| 4 Число разрядов двоичного кода Nр | 9 |
| 5 Требуемое значение отношения сигнал/шум для обеспечения пропускной способности канала связи | |
| 6 Требуемое отношение q2 при оптимальном когерентном приёме | 43 |
| 7 Требуемое отношение q2 при оптимальном некогерентном приёме | 48 |
Методы повышения информационной эффективности :
- разнесенный прием – передача одной и той же информации по параллельным каналам;
- прием в целом - демодулятор строится сразу на все кодовое слово, что позволяет в сравнении с посимвольным приемом повысить верность ;
- обратная связь – система с решающей обратной связью являются примером согласованного подхода к кодированию и модуляции с учетом свойств канала связи;
- применение шумоподобных сигналов – позволяет повысить верность передачи за счет повышения отношения сигнал/шум на входе решающего устройства;
- адаптивная коррекция – осуществление адаптивной коррекции характеристик канала позволяет повысить скорость передачи информации за счет ослабления межсимвольных искажений;
- эффективное кодирование источника – кодирование источника со сжатием данных позволяет сократить избыточность источников сигналов и тем самым повысить эффективность систем передачи информации.
Список литературы
1. Теория электрической связи: Методические указания по изучению курса и выполнению курсовой работы./Д. В. Астрецов, Екатеринбург, УФ СибГУТИ, 2001
2. Теория электрической связи: Учебник для вузов/А.Г. Зюко, Д.Д. Кловский, В.И. Коржик, М.В. Назаров; Под ред. Д.Д. Кловского.
- М: Радио и связь, 1998.
3. Теория электрической связи: Учебное пособие для вузов/ Т.Д. Алексеева, Н.В. Добаткина, Г.К. Кожанова, Н.Т. и др.; Под ред. В.Г. Санникова. - М.: МИС, 1991.
4. Теория электрической связи: Учебное пособие/А.С. Аджемов, М.В. Назаров, Ю.В. Парамонов, В.Г. Санников. - М.: МТУСИ, 1996.
5. Теория электрической связи: Учебник для вузов./Клюев Л.Л.- Минск: Дизайн ПРО, 1998.
Приложение. Структурная схема ИКМ – ЧМ
Тактовые интервалы
Возьмем два числа, например 521 и 522.
Переведем каждое число в двоичную форму:
521 = 1000001001
522 = 1000001010
![]() |
