| Скачать .docx |
Курсовая работа: Расчет параметров коммутируемой телекоммуникационной сети
Министерство информационных технологий и связи РФ
Федеральное агентство связи
ГОУ ВПО “Сибирский государственный университет телекоммуникаций и информатики”
Уральский технический институт связи и информатики (филиал)
КУРСОВАЯ РАБОТА
По дисциплине: “Сети связи и системы коммутации”
Тема: “Расчет параметров коммутируемой телекоммуникационной сети ”
Вариант № 03
Выполнил: студент гр. МЕ-72
Плишкин М
Руководитель: Потаскуева Л.П.
Екатеринбург 2010 г.
Целью работы является расчет основных параметров коммутируемой сети: разработка схем организации связи коммутационных станций, каналов, децентрализованных и централизованных систем сигнализации и синтез модулей цифровой коммутации.
Задача курсовой работы заключается в закреплении навыков расчета основных параметров коммутируемой сети. Кроме того, в процессе выполнения изучается справочная литература по теории коммутируемой телекоммуникационной сети, закрепляются навыки выполнения технических расчетов с использованием персональных ЭВМ. Также имеет место и отработка, таких необходимых в инженерской деятельности навыков, как изложение результатов технических расчетов, составление и оформления технической документации и др.
Техническое задание
Вычертить схему организации связи на ГТС и функциональную схему связи РАТС одного узлового района. Указать нумерацию абонентских линий. Обосновать эффективность введения узлов на ГТС.
Задание 2. Разработка схемы сопряжения ТФОП с сетью СПС
Разработать схему организации связи и план нумерации при сопряжении ТФОП с сетью сотовой подвижной связи (СПС). Рассчитать параметры сети СПС.
Задание 3. Разработка функциональной схемы передающих устройств каналов, сигналов управления и взаимодействия (СУВ)
Определить структуру цикла и сверхцикла, если известно количество разговорных каналов (РК) передающих устройств сигнальных каналов, показать расположение СУВ в сверхцикле.
Составить функциональную схему передающих устройств каналов сигналов управления и взаимодействия для разработанного варианта структуры цикла и сверхцикла.
Задание 4. Расчет числа звеньев сигнализации сети ОКС №7
Разработать схему организации связи сети ОКС №7 для заданной ГТС и рассчитать требуемое число звеньев для одного из оконечных пунктов сигнализации.
Задание 5. Синтез модулей цифровой коммутации
Выполнить синтез модуля пространственной коммутации (МПК) с использованием заданной элементной базы. Пояснить работу МПК при коммутации заданных каналов.
Задание 6. Синтез модулей цифровой коммутации
Выполнить синтез модуля временной коммутации (МВК) с использованием заданной элементной базы. Рассчитать количество каналов, которое может обслужить МВК при заданном быстродействии ЗУ и сделать вывод о возможности использования указанной элементной базы для реализации МВК.
Исходные данные
К заданию 1
| Емкость ГТС, номер | 230000 |
| Нагрузка направления, Эрл | 20 |
| Доступность направления, Деф | 20 |
К заданию 2
| Статус сети СПС | Выносной аб. блок |
| Емкость сети (номеров) | 1000 |
| Радиус, R (км) | 0,8 |
| Повторяемость ячеек, С | 19 |
| Полоса частот, МГц | 825…845 |
| Ширина канала, кГц | 25 |
| Количество разговорных каналов РК | 16 |
К заданию 4
| Емкость ГТС, тыс.ном. | 310 |
| Кол-во АТСЭ емкостью 10000 номеров | 17 |
| Кол-во MSU для одного соединения | 10 |
| Длина MSU | 10 |
| Среднее время распространения сигналов по ОКС, мс | 10 |
| Среднее время обработки сообщений на стороне SPB (SPA ), мкс | 60 |
| Суммарная нагрузка в одном направлении связи, Эрл | 66 |
| Средняя продолжительность занятия информационного канала, с | 115 |
К заданию 5
| Метод декомпозиции | По выходам |
| Параметры МПК N×M | 8× 16 |
| Тип избирательной схемы | 8× 1 |
| Коммутация Ys | K4 (S7 ,t4 ) K4 (S14 ,t4 ) |
К заданию 6
| Параметры микросхемы ОЗУ | Информационная емкость | 16384× 1 |
| Время обращения, нс | 150 | |
| Параметры МВК N×M | 512 × 512 | |
Задание 1
Существует несколько способов построения сетей связи: полносвязный (принцип “каждый с каждым”), радиальный, радиально-узловой, кольцевой и комбинированный. Способы построения сетей представлены на рис.1.
При полносвязном способе построения (рис 1, а) между всеми узлами существует непосредственная связь. В этом случае при повреждениях или перегрузках на отдельных участках возможна организация обходной связи через транзитное соединение, однако такой способ построения сети является наиболее дорогостоящим. При радиальном способе построения сети (рис 1, б) связь между узлами осуществляется через один центральный узел. Это резко сокращает общее число пучков соединительных линий (СЛ), но при этом отсутствует возможность создания обходных путей. Такой способ может быть использован при построении сети на сравнительно небольшой территории. На большой территории сеть чаще всего строится по радиально-узловому способу (рис 1, в). В этом случае связь организуется через узлы связи двух и более классов. При комбинированном способе построения сети (рис 1, г) узлы I класса соединяются между собой по полносвязной схеме или по кольцевому принципу. В этом случае выход из строя одной узловой станции не нарушает работу всей сети. Кольцевой способ построения сети (рис 1, д) предусматривает возможность осуществления связи между узлами как по часовой, так и против часовой стрелки. В этом случае при повреждении на определенном участке сеть полностью сохраняет свою работоспособность. Кроме того, используется сравнительно небольшая общая протяженность линия связи.
![]() |
![]() |
![]() |
а) б) в)
![]() |
![]() |
г) д)
Рис 1. Способы построения сетей связи
ГТС без узлообразования.
Простейшей ГТС является нерайонированная ГТС. На такой сети устанавливается одна телефонная станция, куда включаются абонентские линии. Абоненты могут подключаться к АТС как непосредственно, так и через учрежденческо-производственные АТС (УПАТС) либо через подстанции, удаленные от АТС. При построении ГТС достаточно большая часть расходов приходиться на линейные сооружения. Поэтому ГТС с одной телефонной станцией используется в городах с небольшой емкостью и обслуживаемой территорией. Верхний предел емкости аналоговой нерайонированной ГТС чаще всего не превышает 10000 номеров. Нумерация абонентов пятизначная. При увеличении абонентской емкости и размеров обслуживаемой территории для уменьшения затрат на линейные сооружения целесообразно строить ГТС по принцип районирования. В этом случае территорию города разделяют на районы. В каждом из низ размещается районная АТС(РАТС), в которую включаются абоненты этого района. Такая городская сеть называется районированная ГТС. Предельная емкость такой сети – 80000 тыс. номеров. При этом используется пятизначная нумерация, где первая цифра является кодом РАТС и соответствует десятитысячной группе абонентов. РАТС соединяются между собой по принципу “каждая с каждой”. Реальная емкость зависит от числа РАТС и, как правило, не превосходит 60…70 тыс. номеров.
ГТС с узлообразованием.
При большом числе районных АТС организация межстанционной связи по принципу “каждая с каждой” приводит к чрезмерному повышению расхода кабеля и затрат на организацию межстанционной сети связи (МСС). Одним из наиболее эффективных способов повышения использования межстанционных СЛ является применение на ГТС коммутационных узлов. В простейшем случае коммутационный узел (КУ) представляет собой совокупность устройств, предназначенных для установления соединений между двумя группами РАТС. В результате использование соединительных линий существенно увеличивается, что значительно снижает потребность в кабеле и затратах на сооружение межстанционной связи по сравнению с вариантом связи “каждая с каждой”. При увеличении числа РАТС (более 6-7), а следовательно, при емкости свыше 60-70 тыс. номеров на ГТС используются узлы входящих сообщений (УВС). При таком построении сети территория города делится на узловые районы. Связь между РАТС, находящимися на территории разных узловых районов, осуществляется либо по схеме “каждая с каждой”, либо через свой УВС для координатных АТС. Нумерация на таких сетях – шестизначная. Первая цифра является кодом узла, и первая и вторая цифры вместе - кодом РАТС. При емкости ГТС более 500-600 тыс. номеров даже при наличие на сети УВС число пучков СЛ становиться очень большим, а эффективность их использования уменьшается. В этом случае для установления соединений между РАТС разных узловых районов помимо УВС вводят коммутационные узлы исходящего сообщения (УИС). УИСом называют коммутационный узел, в котором объединяются исходящие нагрузки станционного узлового района и распределяются по направлениям к УВС телефонной сети. Емкость такой сети - до 8 млн. номеров. Используется семизначная система нумерации.
Для приема государственными организациями информации от населения в экстренных случаях, а также для предоставления населению информационных услуг (справки, информация, заказы) на ГТС организуются справочные, заказные и экстренные службы. Доступ к спецслужбам от абонентов ГТС осуществляется, как правило, через специальный узел входящего сообщения – узел спецслужб (УСС).
На ГТС первая цифра номера не должна начинаться с “8” и ”0”. Цифра “8” является выходом на АМТС, а цифра “0” используется в качестве первой цифры номеров экстренных служб и информационно-справочных служб (в будущем планируется перейти на единые службы, у которых первой цифрой в номере будет “1”, поэтому исключим и ее).
Основные определения:
Направление связи – это пучок соединительных линий от одной коммутационной станции до другой.
Пучок (соединительных линий) – совокупность соединительных линий выполняющих одинаковую нагрузку.
Телефонная нагрузка – это суммарное время занятия всех соединительных устройств за определенный промежуток времени (время, час занятия). Эрл – интенсивность нагрузки.
Ступень искания – совокупность коммутационных приборов выполняющих одинаковую нагрузку.
Эффективная доступность – это число соединительных линий одного направления, доступных одному входу ступени искания.
При определении эффективности введения узлов станций на ГТС, сравним полученные в ходе расчетов данные для двух принципов построения сети ГТС: РАТС по принципу “КСК” и сети с УВС.
Для определения количества линий используем формулу О’Делла:
где y – нагрузка направления от РАТС к РАТС, Эрл
α,β – коэффициенты, значения которых зависят от величины доступности в направлении (доступной эффективности, Дэф.)
Значения коэффициентов α,β определяются по таблице с 414 [1]. Для заданной доступности α=1,3 , β=5,6.
Коэффициент использования линий связи в пучке рассчитывается по формуле:
Подставляя исходные данные в приведенные формулы, рассчитаем параметры сетей ГТС.
Расчет сети по принципу “КСК”
Фрагмент сети ГТС по принципу «КСК»
Расчет сети ГТС с УВС
Фрагмент сети ГТС с УВС
Расчет сети ГТС с УВИС
Фрагмент сети ГТС с УВИС
Вывод: в результате проведенных расчетов видно, что коэффициент использования линий связи в сети связи с УВС больше, чем у сети связи построенной по принципу “каждая с каждой”.
План нумерации данной сети ГТС:
УВС1:
РАТС 10 100 000…109 999
РАТС 11 110 000…119 999
РАТС 12 120 000…129 999
УВС2:
РАТС 20 200 000…209 999
РАТС 21 210 000…219 999
РАТС 22 220 000…229 999
РАТС 23 230 000…239 999
РАТС 24 240 000…249 999
УВС3:
РАТС 30 300 000…309 999
РАТС 31 310 000…319 999
РАТС 32 320 000…329 999
РАТС 33 330 000…339 999
РАТС 34 340 000…349 999
УВС4:
РАТС 40 400 000…409 999
РАТС 41 410 000…419 999
РАТС 42 420 000…429 999
РАТС 43 430 000…439 999
РАТС 44 440 000…449 999
УВС5:
РАТС 50 500 000…509 999
РАТС 51 510 000…519 999
РАТС 52 520 000…529 999
РАТС 53 530 000…539 999
РАТС 54 540 000…549 999

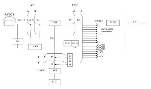
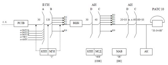
Рис 2. Схема организации сети ГТС с УВС для заданной емкости

Рис 3. Схема организации связи в узле.
Задание 2

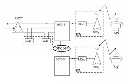
Рис 4. Схема сопряжения сети ТФОП с СПС на базе местной сети.
План нумерации в сети оператора:
Номер абонента включает в себя код страны (РФ - 250), код оператора (двузначный) и код абонента (в сети оператора – 10 знаков).
30 000 … 33 999
DEFde 30 000 – DEFde 33 999
Структура и параметры сети подвижной связи (СПС).
Сотовые сети имеют радиальный или радиально-узловой принцип построения, в их состав входят три вида станций:
АС (MS - Mobile Station) - абонентская станция, связанная с базовой радиостанцией вызывным радиоканалом (РКВ) или разговорным (РКР).
БС (BS - Base Station) - базовая станция, приемно-передающая радиостанция и контроллер базовых станций.
ЦС (MSC - Mobile Service Switching Centre) - центральная коммутационная станция СПС.
В общем случае в центре ячейки находится базовая станции обслуживающая все мобильные станции своей ячейки. При перемещении абонента из одной ячейки в другую происходит передача его обслуживания от одной БС к другой (handover или hangoff). Роуминг (to roam - бродить).
Все БС системы замыкаются на центр коммутации.
Домашний регистр HLR – общая база данных, в которой фиксируются данные о приписанных к этой системе абонентах.
Для фиксации временных абонентов используется гостевой регистр – VLR.
При создании сети СПС важным вопросом является определение оптимальных размеров ячейки, т.е. размеры зоны обслуживания одной БС. Этот вопрос связан с выбором частот для ячейки. Для исключения взаимного влияния БС в смежных ячейках устанавливаются разные диапазоны рабочих частот. Для двух БС может быть установлен один и тот же частотный диапазон, если они удалены друг от друга на расстояние D, называемое защитным интервалом. Количество БС, для которых установлены разные диапазоны различных частот и которые являются смежными, называется повторяемостью использования ячеек и обозначается через С. Соотношение между С и D зависит от формы ячейки, которая определяется способом размещения антенны на БС, ее видом. Оптимальным считается соотношение при шестиугольной форме. Группа ячеек с различными наборами частот называется кластером.
Эффективность использования частот не зависит от числа каналов, увеличиваясь при увеличении площади обслуживаемой данной системы или при уменьшении радиуса ячейки.
Основной принцип сотовой связи: повторное использование частот.
Контроллер БС (BSC) – осуществляет управление BTS и связь с центром коммутации. К одному контроллеру подключаются несколько BTS. (16 в GSM и 40 в системе S12).
Расчёт параметров сети СПС
Расчёт величины защитного интервала в зависимости от радиуса и повторяемости ячеек:
где R - радиус (км);
С - повторяемость ячеек.
Расчет числа разговорных каналов в заданной полосе частот:
где Fс - полоса частот МГц;
Fк - ширина канала кГц.
Расчет абонентской ёмкости системы, если известно, что один канал пропускает нагрузку 0,25 Эрл, а удельная абонентская нагрузка 0,01Эрл:
Задание 3
Существует две системы сигнализации: децентрализованная и централизованная.
Децентрализованная – каждому разговорному каналу ставиться в соответствие определенный сигнальный канал.
Централизованная – за группой разговорных каналов закрепляется один общий сигнальный канал, но он должен быть высокоскоростным.
В системах с ИКМ за каждым РК закрепляется низкоскоростной канал сигнализации. В пределах одного цикла за счёт 12-го канального интервала можно организовать два сигнальных канала. Для организации 24 сигнальных каналов циклы объединяют в сверхциклы.
Структура ИКМ на примере ИКМ-30.
Цифровая система передачи ИКМ-30 предназначена для формирования абонентских и соединительных линий ГТС и пригородной связи и позволяет организовать до 30 каналов ТЧ по парам низкочастотного кабеля, а при наличии соответствующего оборудования сопряжения и линейного тракта каналоформирующая аппаратура ИКМ-30 может использоваться для систем передачи по оптическим кабелям и РРЛ. Основные кабели, на которых строиться линейный тракт ИКМ-30, - это низкочастотные симметричные кабели типов Т и ТПП с диаметром жил 0,5 и 0,7 мм, но в случае необходимости система обеспечивает заданные параметры и по высокочастотным кабелям ТЗ, ЗК, МКС с диаметром жил мм. Линейный сигнал системы строится на основе сверхциклов, циклов, канальных и тактовых интервалов. Сверхцикл передачи (СЦ) представляет собой интервал времени, за который передается информация всех сигнальных каналов (каналов СУВ) и каналов аварийной сигнализации. Длительность сверхцикла в системе ИКМ-30 Тсц =2,0 мс. Сверхцикл состоит из 16 циклов передачи. В течении цикла, длительность которого равна интервалу дискретизации Тц =Тд =125 мкс, передаются восьмиразрядные кодовые комбинации 30 каналов ТЧ, кодовые комбинации сигнальных каналов или сверхцикловой синхронизации СЦС (либо сигнал потери сверхциклового синхронизма), сигнал цикловой синхронизации ЦС (либо сигнал потери цикловой синхронизации), сигнал дискретной информации. Цикл передачи соответствует Рекомендации МККТТ G.732 и состоит 32 канальных интервалов КИ0 …КИ31 с длительностью Тки =3,91 мкс. Канальные интервалы КИ1 …КИ15 и КИ17 …КИ31 предназначены для передачи информации каналов ТЧ. Каждый канальный интервал состоит из восьми разрядов Р1 …Р8 , Тр =488 нс. Цикловой синхросигнал передается в КИ0 в четных циклах на позициях Р2 …Р8 и имеет вид 0011011. На позиции Р1 КИ0 передается сигнал дискретной информации. В нечетных циклах на позиции Р3 передается сигнал сбоя цикловой синхронизации, на позиции Р6 – сигнал проверки остаточного затухания канала ОЗ и на позиции Р2 – символ 1.

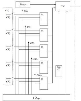
Рис 5. Структура цифрового линейного сигнала ИКМ-30 (первичный цифровой поток)

Рис 6. Функциональная схема передающих и приемных устройств каналов СУВ

Рис 7. Структура Сверхцикла и цикла для 10 РК.
Система сигнализации № 7 является видом централизованной сигнализации, первоначально предложенной для использования на телефонных сетях. В качестве среды для передачи сигнальных сообщений в процессе установления или разъединения соединений в сети с коммутацией каналов могут использоваться каналы любых систем передачи (предпочтительнее – цифровых систем передачи).
При использовании централизованной сигнализации сигнальные сообщения передаются в так называемом общем канале сигнализации (ОКС). Под термином “сигнализация” понимают процесс обмена элементов сети линейными, регистровыми и информационными сигналами. В ОКС используется пакетный способ передачи и коммутации.
Совокупность каналов сигнализации и оконечных и транзитных пунктов сигнализации образует сеть сигнализации. Эта сеть является транспортной системой не только для транспортировки сигнальных сообщений, обмен которыми обеспечивает предоставление услуг в сетях с коммутацией каналов, но и для обмена данными тарификации разговоров, технической эксплуатации, административного управления, управления процесс самоподготовки и предоставления дополнительных видов обслуживания и др.
Сигнализация ОКС образуется тремя основными элементами:
SP – пункт сигнализации, является источником и получателем сигнальных сообщений. Функции SP выполняют аппаратно-програмные средства ЦСК.
SL – звено сигнализации – это совокупность двух противоположно направленных каналов сигнализации.
STP – транзитный пункт сигнализации, передает принятые сигналы от одного SPк другому.STP не обрабатывает сигнальных сообщений если ЦСК не имеет своих абонентов.
ОКС №7 делит свои задачи между двумя системами:
MTP – система передачи сообщений
UP – проблемно-ориентированная система пользователя.
Пакеты данных, передаваемые по каналам данных сигнализации, называются сигнальными единицами (СЕ). Они формируются на втором уровне системы ОКС (уровень 2 определяет функции ответственные за безошибочную передачу пользовательских сообщений, гарантирующие безошибочное соединение, которое называется звеном сигнализации SL). Они содержат пользовательские сообщения системы управления сетью сигнализации.
Используется 3 типа сигнальных единиц:
ЗНСЕ (MSU) – значащая СЕ содержит сигнальное сообщение, которое передается между пользователями или между функциями управления сетью ОКС. MSU имеет переменную длину, которая зависит от статуса сети.
СЗСЕ (LSSU) – СЕ состояния звена содержит информацию о состоянии канала. Эти единицы передаются только между вторыми уровнями (MTP) смежных станций, когда звено не может быть использовано для передачи MSU. Данные единицы фиксированной длины.
ЗПСЕ (FISU) – заполняющая СЕ используется для обнаружения ошибок передачи по звену сигнализации, когда не передачи MSU. Данные СЕ передаются между вторыми уровнями смежных MTP. Также фиксированной длины.
Расчет параметров ОКС №7
Расчет времени передачи одной значащей СЕ (MSU) заданной длины и одной заполняющей СЕ (FISU) длиной 7 байт; расчет времени передачи MSU и FISU производится для канала со скоростью передачи 64 Кбит/с:
Расчёт времени передачи заданного числа MSU для одного соединения в случае отсутствия искажений:
где: Мзн - количество значащих СЕ для одного соединения;
Тзп , Тзн - соответственно время передачи одной заполняющей и значащей СЕ, рассчитанные в предыдущем пункте.
Тр - время распространения сигналов по ОКС;
То - время обработки сообщений на стороне SPb (SPa ).
Расчёт интенсивности MSU:
Расчёт числа сигнальных сообщений в направлении:
Расчёт числа звеньев сигнализации (SL) для одного из оконечных пунктов (SPi ):
![]() |

Рис 8. Схема организации связи сети ОКС №7
Задание 5
Коммутационные поля ЦСК обеспечивают перенос информации между временными каналами приема и передачи и могут быть
Пространственная коммутация – это коммутация одноименных анналов различных трактов.
Если модуль полнодоступный то его можно описать множеством логических уравнений:

Где:
Zj – функция пространственной коммутации, логическая переменная, поставленная в соответствие каждому исходящему тракту.
Xi – логическая переменная, поставленная в соответствие каждому входящему тракту.
aij - обобщенная переменная управления, Определяющая обобщенный адрес коммутируемых трактов
Наиболее распространены регулярные структуры, полученные методом декомпозиции по выходам и по входам.
Реализация МПК при декомпозиции по выходам наиболее эффективна при использовании мультиплексоров – избирательных схем типа (n×1), осуществляющих коммутацию различных входных сигналов на один выход в соответствии с поступающим адресом. Каждому столбцу соответствует субмодуль, имеющий n входов и 1 выход. Адрес aij определяет вход (входящий тракт). Длина адреса равна u=log2 (n).
Наиболее эффективным для реализации МПК при декомпозиции по выходам является демультиплексор – избирательная схема типа (1×m). Каждой строке соответствует субмодуль, имеющий 1 вход и m выходов. Адрес aij определяет выход (исходящий тракт). Длина адреса u=log2 (m).
Для заданных параметров модуля МПК имеем:

Общее число ячеек (АЗУ):
Длина адреса:

Рис 9. Структурный эквивалент МПК 8×32.

Рис 10. Построение точки коммутации в коммутационном поле МПК.
Временная коммутация состоит в обеспечении возможности передачи информации, поступающей в одном временном интервале, в течение другого временного интервала. Поскольку моменты приема и передачи информации разнесены во времени, то процесс коммутации включает хранение информации в течение некоторого времени. Согласно принципам цифровой передачи и недопустимости потери информации это время не должно превышать длительности одного цикла.
Существует несколько вариантов организации МВК, но во всех случаях в его состав входят два вида ЗУ:
- информационное (речевое)
- адресное (управляющее)
Каждый МВК состоит из двух модулей памяти информационного запоминающего устройства (ИЗУ), его объем соответствует числу каналов на входе МВК, число каналов, в свою очередь, определяется числом трактов, при условии, что каждый тракт - 32-канальная структура.
АЗУ – адресное запоминающее устройство, его объем соответствует числу каналов на выходе VDR/
Число модулей ИЗУ зависит от информационной емкости. Число микросхем в каждом модуле соответствует разрядности ячеек. Разрядность ячеек ИЗУ всегда равна 8. Разрядность ячеек АЗУ зависит от объема памяти ИЗУ.
ИЗУ и АЗУ работают в двух режимах:
ИЗУ – последовательной (циклической) записи и произвольного (ациклического) чтения ,
АЗУ произвольной (ациклической) записи и последовательного (циклического) чтения.
Работа модуля временной коммутации заключается в циклической записи всех информационных слов в порядке их поступления (т.е. в порядке следования каналов) и в считывании этих слов во временном интервале, заданном управляющей программой с помощью адресной памяти.
Для реализации МВК с заданными параметрами необходимо два модуля ИЗУ с 16 микросхемами (т.к разрядность ячеек ИЗУ -8) и один модуль АЗУ с 9 микросхемами (т.к разрядность ячеек АЗУ - 9).
Одним из основных требований к микросхемам ОЗУ, на которых строятся МВК, является время обращения к памяти, определяющее частоту работы ЗУ. Реализация процесса временной коммутации требует двух обращений к памяти в течение одного временного интервала для каждого входящего и исходящего канала. Тогда время обращения к ЗУ (длительность цикла памяти):
Определим количество каналов, обслуживаемых при заданном быстродействии ЗУ.
Вывод: При данном времени обращения к памяти, реализовать МВК невозможно.

Рис 11. Структура заданного МВК.
Заключение
В процессе выполнения этой работы я произвел расчет основных параметров коммутируемой сети: разработку схем организации связи коммутационных станций, каналов; децентрализованных и централизованных систем сигнализации; модулей цифровой коммутации.
Я также закрепил навыки расчета основных параметров коммутируемой сети. Кроме того, в процессе ее выполнения я продолжил знакомство с учебной и справочной литературой по теории коммутируемой телекоммуникационной сети, закрепил навыки выполнения технических расчетов с использованием персональных ЭВМ. Также имела место - отработка навыков изложения результатов технических расчетов, составления и оформления технической документации.
Список используемой литературы
1. Автоматическая коммутация под редакцией Ивановой О.Н. - М.: Радио и Связь, 1988.
2. Баркун М.А. Цифровые системы синхронной коммутации. - М.: ЭКО-ТРЕНДЗ, 2001.
3. Битнер В.И. Общеканальная система сигнализации №7. - Новосибирск, СибГУТИ, 1999.
4. Булдакова Р. А. Принципы построения цифровых коммутационных полей. Учебное пособие. - Екатеринбург: УрТИСИ - СибГУТИ, 2002.
5. Гольдштейн Б.С. Сигнализация в сетях связи. - М: Радио и связь, 1997.
6. Гольдштейн Б.С. Протоколы сетей доступа. - М.: Радио и связь, 1999.
7. Карташевский В.Г. Сети подвижной связи. -М.: ЭКО-ТРЕНДЗ, 2001.
8. Скалин Ю.В. Цифровые системы передачи. - М.: Радио и связь, 1988.
9. Телекоммуникационные системы и сети. Том l./Под ред. Шувалова В.П. Новосибирск: Сиб. Предприятие «Наука» РАМ, 1998.
10. Абилов А.В. Сети связи и системы коммутации. Учебное пособие для вузов.- Москва: Радио и связь, 2004 г.






