| Похожие рефераты | Скачать .docx |
Курсовая работа: Расчет измерительных преобразователей. Полупроводниковый диод
Федеральное агентство по образованию
Государственное образовательное учреждение
высшего профессионального образования
МОСКОВСКИЙ ГОСУДАРСТВЕННЫЙ ОТКРЫТЫЙ УНИВЕРСИТЕТ
Филиал в г.Прокопьевске
Курсовая работа
ДИСЦИПЛИНА ВВЕДЕНИЕ В СПЕЦИАЛЬНОСТЬ
Тема: Расчет измерительных преобразователей. Полупроводниковый диод
Выполнил: студент группы И-608
Кузнецов В.А.
Проверил: д.т.н. профессор
Масалов Е.В.
Прокопьевск 2009г
Содержание
Введение
1. Назначение и область применения
2. Классификация и условные обозначения полупроводниковых диодов
3. Общий принцип действия
4. Конструкция полупроводниковых диодов
5. Вольтамперная характеристика и основные параметры полупроводниковых диодов
6. Выпрямительные диоды
7. Стабилитроны, варикапы, светодиоды и фотодиоды
8. Импульсные, высокочастотные (ВЧ) и сверхвысокочастотные (СВЧ) диоды
9. Диод Есаки (туннельный диод) и его модификации
10. Эффекты полупроводника
11. Переход Шоттки
12. Изготовление
13. Достоинства и недостатки
14. Перспективы развития
Заключение
Список литературы
Введение
Диодами называют двухэлектродные элементы электрической цепи, обладающие односторонней проводимостью тока. В полупроводниковых диодах односторонняя проводимость обуславливается применением полупроводниковой структуры, сочетающей в себе два слоя, один из которых обладает дырочной (p), а другой – электронной (n) электропроводностью.
Полупроводниковый диод представляет собой прибор с двумя выводами и одним электронно-дырочным переходом.
1. Назначение и область применения
Назначение и применение полупроводниковых диодов в современной технике весьма разнообразно и зависит от вида конкретного диода. Основные виды диодов:
1) Выпрямительные диоды – п/п диоды, предназначенные для выпрямления переменного тока. Основной характеристикой такого диода является коэффициент выпрямления равный отношению прямого и обратного токов при одном и том же напряжении. Чем выше коэффициент выпрямления, тем меньше потери и выше КПД выпрямителя.
2) Высокочастотные диоды (СВЧ-диоды) – эти диоды предназначены для работы в устройствах высокой и сверхвысокой частоты. Они используются для модуляции и детектирования сверхвысокочастотных колебаний в диапазоне сотен мегагерц. В качестве высокочастотных обычно применяют точечные диоды, емкость электронно-дырочного перехода в которых составляет сотые и десятые доли пикофарад.
3) Варикапы – это диоды, работа которых основана на изменении емкости электронно-дырочного перехода в зависимости прикладываемого обратного напряжения. Эти диоды применяются в качестве конденсаторов с управляемой емкостью.
4) Стабилитроны – это диоды, используемые для стабилизации напряжения. В этих диодах используется наличие у диода критического обратного напряжения, при котором наступает электрический пробой.
5) Туннельные диоды - при больших концентрациях легирующих примесей заметно усиливается туннельный эффект p-n-перехода. При этом в ВАХ диода появляется участок с отрицательным сопротивлением, что позволяет использовать его в схемах генерации и усиления электрических колебаний.
6) Импульсные диоды – это диоды, предназначенные для работы в импульсных схемах. В таких диодах перераспределение носителей зарядов в p-n-переходах при смене полярности напряжения происходит в десятые доли наносекунды. Чем меньше время переходных процессов, тем меньше искажается форма импульсов. Для ускорения переходных процессов уменьшают до возможного предела межэлектродную емкость, а также легируют область p-n-перехода небольшой присадкой золота.
2. Классификация и условные обозначения полупроводниковых диодов
Классификация диодов производится по следующим признакам:
1) По конструкции:
- плоскостные диоды;
- точечные диоды;
- микросплавные диоды.
2) По мощности:
- маломощные;
- средней мощности;
- мощные.
3) По частоте:
- низкочастотные;
- высокочастотные;
- СВЧ.
4) По функциональному назначению:
- выпрямительные диоды;
- импульсные диоды;
- стабилитроны;
- варикапы;
- светодиоды;
- тоннельные диоды
и так далее.
Условное обозначение диодов подразделяется на два вида:
- маркировка диодов;
- условное графическое обозначение (УГО) – обозначение на принципиальных электрических схемах.
По старому ГОСТу все диоды обозначались буквой Д и цифрой, которая указывала на электрические параметры, находящиеся в справочнике.
Новый ГОСТ на маркировку диодов состоит из 4 обозначений:

I – показывает материал полупроводника:
Г (1) – германий; К (2) – кремний; А (3) – арсенид галлия; И (4) – соединения индия.
II – тип полупроводникового диода:
Д – выпрямительные, ВЧ и импульсные диоды;
А – диоды СВЧ;
C – стабилитроны;
В – варикапы;
И – туннельные диоды;
Ф – фотодиоды;
Л – светодиоды;
Ц – выпрямительные столбы и блоки.
III – три цифры – группа диодов по своим электрическим параметрам (приведены в таблице 1).
IV – модификация диодов в данной (третьей) группе.

а) выпрямительные, высокочастотные, СВЧ, импульсные и диоды Гана; б) стабилитроны; в) варикапы; г) тоннельные диоды; д) диоды Шоттки; е) светодиоды; ж) фотодиоды; з) выпрямительные блоки
Рисунок 1 – Условное графическое обозначение
Таблица 1. Кодовая маркировка полупроводниковых приборов в соответствии с ГОСТ 10862-72
| 1-й элемент | Исходный материал | 2-й элемент | Подкласс прибора | 3-й элемент | Группа внутри подкласса |
| Г или 1 | Германий | Д | Выпрямительные диоды | 101-399 | Диоды выпрямительные малой мощности (Iпр.ср.<0,3A) |
| К или 2 | Кремний | 201-299 | Диоды выпрямительные средней мощности (0,3 | ||
| А или 3 | Арсенид галлия или другие соединения галлия | 301-399 | Импульсные | ||
| 401-499 | Диоды импульсные с временем восстановления (tвос.обр.>150 нс) | ||||
| 501-599 | Диоды импульсные с временем восстановления 30 нс | ||||
| 601-699 | Диоды импульсные с временем восстановления 5 нс | ||||
| 701-799 | Диоды импульсные с временем восстановления 1 нс | ||||
| 801-899 | Диоды импульсные с временем восстановления <1 нс | ||||
| Ц | Выпрямительные столбы и блоки | 101-199 | Выпрямительные столбы малой мощности (Iпр.ср.<0,3A) | ||
| 201-299 | Выпрямительные столбы средней мощности (0,3 | ||||
| 301-399 | Выпрямительные блоки малой мощности (Iпр.ср.<0,3A) | ||||
| 401-499 | Выпрямительные блоки средней мощности (0,3 | ||||
| А | Сверхвысокочастотные диоды | 101-199 | Смесительные | ||
| 201-299 | Детекторные | ||||
| 301-399 | Модуляторные | ||||
| 401-499 | Параметрические | ||||
| 501-599 | Регулирующие | ||||
| 601-699 | Умножительные | ||||
| 701-799 | Генераторные | ||||
| B | Варикапы | 101-199 | Подстроечные | ||
| 201-299 | Умножительные | ||||
| И | Диоды туннельные и обращенные | 101-199 | Усилительные | ||
| 201-299 | Генераторные | ||||
| 301-399 | Переключающие | ||||
| 401-499 | Обращенные | ||||
| С | Стабилитроны и стабисторы | 201-299 | Стабилитроны малой мощности (до 0,3 Вт) от 10 до 99 В | ||
| 301-399 | Стабилитроны малой мощности (до 0,3 Вт) от 100 до 199 В | ||||
| 401-499 | Стабилитроны средней мощности (от 0,3 до 15 Вт) от 0,1 до 9,9 В | ||||
| 501-599 | Стабилитроны средней мощности (от 0,3 до 15 Вт) 10 от до 99 В | ||||
| 601-699 | Стабилитроны средней мощности (от 0,3 до 15 Вт) от 100 до 199 В | ||||
| 701-799 | Стабилитроны большой мощности (от 5 до 25 Вт) от 0,1 до 9,9 В | ||||
| 801-899 | Стабилитроны большой мощности (от 5 до 25 Вт) от 10 до 99В | ||||
| 901-999 | Стабилитроны большой мощности (от 5 до 25 Вт) от 100 до 199В | ||||
| Л | Излучатели | 101-199 | Инфракрасного излучения | ||
| 201-299 | Видимого излучения с яркостью менее 500 кд/м2 | ||||
| 301-399 | Видимого излучения с яркостью более 500 кд/м2 | ||||
| Н | Динисторы | 101-199 | Динисторы малой мощности со средним током в открытом состоянии менее 0,3 А | ||
| 201-299 | Динисторы средней мощности со средним током в открытом состоянии от 0,3 до 10 А | ||||
| У | Тиристоры | 101-199 | Тиристоры малой мощности со средним током в открытом состоянии менее 0,3 А | ||
| 201-299 | Тиристоры средней мощности со средним током в открытом состоянии от 0,3 до 10 А | ||||
| 301-399 | Запираемые тиристоры малой мощности с запираемым током менее 0,З А | ||||
| 401-499 | Запираемые тиристоры средней мощности с запираемым током от 0,3 до 10 А | ||||
| 501-599 | Симисторы малой .мощности с действующим током до 0,3 А | ||||
| 601-699 | Симисторы средней мощности с действующим током от 0,3 до 10 А |
3. Общий принцип действия
В полупроводнике n-типа основными носителями свободного заряда являются электроны; их концентрация значительно превышает концентрацию дырок (nn >> np ). В полупроводнике p-типа основными носитялеми являются дырки (np >> nn ). При контакте двух полупроводников n- и p-типов начинается процесс диффузии: дырки из p-области переходят в n-область, а электроны, наоборот, из n-области в p-область. В результате в n-области вблизи зоны контакта уменьшается концентрация электронов и возникает положительно заряженный слой. В p-области уменьшается концентрация дырок и возникает отрицательно заряженный слой. Таким образом, на границе полупроводников образуется двойной электрический слой, электрическое поле которого препятствует процессу диффузии электронов и дырок навстречу друг другу (рис.1). Пограничная область раздела полупроводников с разными типами проводимости (так называемый запирающий слой) обычно достигает толщины порядка десятков и сотен межатомных расстояний. Объемные заряды этого слоя создают между p- и n-областями запирающее напряжение Uз, приблизительно равное 0,35 В для германиевых n–p-переходов и 0,6 В для кремниевых.
n–p-переход обладает удивительным свойством односторонней проводимости.

Рисунок 1 - Образование запирающего слоя при контакте полупроводников p- и n-типов.
4. Конструкция полупроводниковых диодов
Основой плоскостных и точечных диодов является кристалл полупроводника n-типа проводимости, который называется базой транзистора. База припаивается к металлической пластинке, которая называется кристаллодержателем.
Для плоскостного диода на базу накладывается материал акцепторной примеси и в вакуумной печи при высокой температуре (порядка 500 °С) происходит диффузия акцепторной примеси в базу диода, в результате чего образуется область p-типа проводимости и p-n переход большой плоскости (отсюда название). Вывод от p-области называется анодом, а вывод от n-области – катодом (рис. 2).

Рисунок 2
Большая плоскость p-n перехода плоскостных диодов позволяет им работать при больших прямых токах, но за счёт большой барьерной ёмкости они будут низкочастотными.
Точечные диоды.

Рисунок 3
К базе точечного диода подводят вольфрамовую проволоку, легированную атомами акцепторной примеси, и через неё пропускают импульсы тока силой до 1А. В точке разогрева атомы акцепторной примеси переходят в базу, образуя p-область (рис. 4).

Рисунок 4
Получается p-n переход очень малой площади. За счёт этого точечные диоды будут высокочастотными, но могут работать лишь на малых прямых токах (десятки миллиампер).
Микросплавные диоды.
Их получают путём сплавления микрокристаллов полупроводников p- и n- типа проводимости. По своему характеру микросплавные диоды будут плоскостные, а по своим параметрам – точечные.
5. Вольтамперная характеристика и основные параметры полупроводниковых диодов

Рисунок 5
Вольтамперная характеристика реального диода проходит ниже, чем у идеального p-n перехода: сказывается влияние сопротивления базы. После точки А вольтамперная характеристика будет представлять собой прямую линию, так как при напряжении Uа потенциальный барьер полностью компенсируется внешним полем. Кривая обратного тока ВАХ имеет наклон, так как за счёт возрастания обратного напряжения увеличивается генерация собственных носителей заряда.

Рисунок 6
- Максимально допустимый прямой ток Iпр.max.
- Прямое падение напряжения на диоде при максимальном прямом токе Uпр.max.
- Максимально допустимое обратное напряжение Uобр.max = (⅔ . .) ∙ Uэл.проб.
- Обратный ток при максимально допустимом обратном напряжении Iобр.max.
- Прямое и обратное статическое сопротивление диода при заданных прямом и обратном напряжениях:
![]()
- Прямое и обратное динамическое сопротивление диода:


6. Выпрямительные диоды
Общая характеристика выпрямительных диодов.
Выпрямительным диодом называется полупроводниковый диод, предназначенный для преобразования переменного тока в постоянный в силовых цепях, то есть в источниках питания. Выпрямительные диоды всегда плоскостные, они могут быть германиевые или кремниевые. Германиевые диоды лучше кремниевых тем, что имеют меньшее прямое падение напряжения. Кремниевые диоды превосходят германиевые по диапазону рабочих температур, по максимально допустимому обратному напряжению, а также имеют меньший обратный ток.
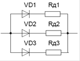
Если выпрямленный ток больше максимально допустимого прямого тока диода, то в этом случае допускается параллельное включение диодов (рис. 7).

Рисунок 7
Добавочные сопротивления Rд величиной от единиц до десятков Ом включаются с целью выравнивания токов в каждой из ветвей.
Если напряжение в цепи превосходит максимально допустимое обратное напряжение диода, то в этом случае допускается последовательное включение диодов (рис. 8).

Рисунок 8
Шунтирующие сопротивления величиной несколько сот кОм включают для выравнивания падения напряжения на каждом из диодов.
Включение выпрямительных диодов в схемах выпрямителей.
Диоды в схемах выпрямителей включаются по одно- и двухполупериодной схемам. Если взять один диод, то ток в нагрузке будет протекать за одну половину периода, поэтому такой выпрямитель называется однополупериодным. Его недостаток – малый КПД.

Рисунок 9

Рисунок 10
Значительно чаще применяются двухполупериодные выпрямители.

Рисунок 11

Рисунок 12
В течение положительного полупериода напряжения Ua (+) диоды VD1 и VD4 открыты, а VD2 и VD3 – закрыты. Ток будет протекать по пути: верхняя ветвь (+), диод VD1, нагрузка, диод VD4, нижняя ветвь (-).
В течение отрицательного полупериода напряжения Ua диоды VD1 и VD4 закрываются, а диоды VD2 и VD3 открываются. Ток будет протекать от (+), нижняя ветвь, диод VD3, нагрузка, диод VD2, верхняя ветвь (-).
Поэтому ток через нагрузку будет протекать в одном и том же направлении за оба полупериода. Схема выпрямителя называется двухполупериодной.
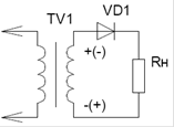
Если понижающий трансформатор имеет среднюю точку, то есть вывод от середины вторичной обмотки, то двухполупериодный выпрямитель может быть выполнен на двух диодах (рис. 13).

Рисунок 13
7. Стабилитроны, варикапы, светодиоды и фотодиоды
Стабилитроны.
Стабилитроном называется полупроводниковый диод, предназначенный для стабилизации уровня постоянного напряжения. Стабилизация – поддержание какого-то уровня неизменным. По конструкции стабилитроны всегда плоскостные и кремниевые. Принцип действия стабилитрона основан на том, что на его вольтамперной характеристике имеется участок, на котором напряжение практически не зависит от величины протекающего тока.

Рисунок 14
Таким участком является участок электрического пробоя, а за счёт легирующих добавок в полупроводник ток электрического пробоя может изменяться в широком диапазоне, не переходя в тепловой пробой.
Так как участок электрического пробоя – это обратное напряжение, то стабилитрон включается обратным включением (рис. 14).

Рисунок 15
Резистор Ro задаёт ток через стабилитрон таким образом, чтобы величина тока была близка к среднему значению между Iст.min и Iст.max. Такое значение тока называется номинальным током стабилизации.
Принцип действия.
При уменьшении входного напряжения ток через стабилитрон и падение напряжения на Ro может уменьшаться, а напряжения на стабилитроне и на нагрузке останутся постоянными, исходя из вольтамперной характеристики. При увеличении входного напряжения ток через стабилитрон и URo увеличивается, а напряжение на нагрузке всё равно остаётся постоянным и равным напряжению стабилизации.
Следовательно, стабилитрон поддерживает постоянство напряжения при изменении тока через него от Iст.min до Iст.max.
Основные параметры стабилитронов:
- Напряжение стабилизации Uст.
- Минимальное, максимальное и номинальное значение тока стабилизации Iст.min, Iст.max, Iст.ном. (рис. 16).

Рисунок 16
ΔUст. – изменение напряжения стабилизации.
Дифференциальное сопротивление на участке стабилизации:

- Температурный коэффициент стабилизации

Рисунок 17

Стабилитроны, предназначенные для стабилизации малых напряжений, называются стабисторами.
Стабисторы – для стабилизации напряжения менее 3В, и у них используется прямая ветвь ВАХ (рис. 18).

Рисунок 18
Применяются стабисторы в прямом включении.
Варикапы
Варикапом называется полупроводниковый диод, у которого в качестве основного параметра используется барьерная ёмкость, величина которой варьируется при изменении обратного напряжения. Следовательно, варикап применяется как конденсатор переменной ёмкости, управляемый напряжением.

Рисунок 19
Принцип действия.
Если к p-n переходу приложить обратное напряжение, то ширина потенциального барьера увеличивается.

При подключении обратного напряжения ширина перехода ΔХ увеличивается, следовательно, барьерная ёмкость будет уменьшаться. Основной характеристикой варикапов является вольт-фарадная характеристика С=f(Uобр).

Рисунок 20
Основные параметры варикапов:
- Максимальное, минимальное и номинальное значение ёмкости варикапа.
- Коэффициент перекрытия

- отношение максимальной ёмкости к минимальной.
- Максимальное рабочее напряжение варикапа.
Фотодиоды.
Фотодиодом называется фотогальванический приёмник излучения, светочувствительный элемент которого представляют собой структуру полупроводникового диода без внутреннего усиления.
Принцип действия.
При облучении полупроводника световым потоком Ф возрастает фотогенерация собственных носителей зарядов (рис. 21), что приводит к увеличению количества как основных, так и неосновных носителей зарядов.

Рисунок 21
Однако фотогенерация в значительной степени будет влиять на обратный ток, так как не основных носителей зарядов значительно меньше, чем основных.

Рисунок 22
Для фотодиодов Iобр – это фототок. Зависимость фототока Iф от величины светового потока Iф=f(Ф) (рис. 22).

Рисунок 23
Спектральная характеристика – это зависимость фототока от длины волны светового излучения Iф=f(λ).

Рисунок 24
Темновой ток – ток через фотодиод при отсутствии светового потока и при заданном рабочем напряжении.
Интегральная чувствительность – это отношение фототока к световому потоку
![]()
Рабочее напряжение – это обратное напряжение, подаваемое на фотодиод, при котором все параметры фотодиода будут оптимальными.

Рисунок 25
Светодиоды.
Светодиодом называется полупроводниковый прибор, в котором происходит непосредственное преобразование электрической энергии в энергию светового излучения.
Принцип действия.
При прямом включении основные носители заряда переходят через p-n переход и там рекомбинируют. Рекомбинация связана с выделением энергии. Для большинства полупроводниковых материалов это энергия тепловая. Только для некоторых типов на основе арсенида галлия ширина запрещённой зоны ΔW достаточно велика, и длина волны лежит в видимой части спектра.

При обратном включении через p-n переход переходят неосновные носители заряда в область, где они становятся основными. Рекомбинация и свечение светодиода отсутствуют.
Основные характеристики:
а) Яркостная характеристика – это мощностная зависимость излучения от прямого тока Pu=f(Iпр).

Рисунок 26
б) Спектральная характеристика – это зависимость мощности излучения от длины волны Pu=f(λ).

Рисунок 27
Основные параметры: яркость свечения при максимальном прямом токе; полная мощность излучения Pu.max.
8. Импульсные, высокочастотные (ВЧ) и сверхвысокочастотные (СВЧ) диоды
Импульсные диоды.
Импульсные диоды предназначены для работы в импульсных цепях с длительностями импульсов от нескольких нс до нескольких мкс. Рассмотрим работу обычного p-n перехода при подаче на него импульсного напряжения.

Рисунок 28

Рисунок 29
В промежуток времени от 0 до t1 p-n переход закрыт (обратным напряжением пренебрегаем). В момент t1 p-n переход открывается, но ток через него и через нагрузку достигает своего максимального, то есть установившегося значения, не мгновенно, а за время tуст., которое необходимо для заряда барьерной ёмкости p-n перехода.
В момент времени t2 p-n переход почти мгновенно закрывается. Область p-проводимости оказывается насыщенной неосновными носителями зарядов, то есть электронами. Не успевшие рекомбинировать электроны под действием поля закрытого p-n перехода возвращаются в n-область, за счёт чего сильно возрастает обратный ток. По мере ухода электронов из p-области обратный ток уменьшается, и через время tвосст. p-n переход восстанавливает свои «закрытые» свойства. В импульсных диодах время восстановления и установления должны быть минимальными. С этой целью импульсные диоды конструктивно выполняются точечными или микросплавными. Толщина базы диода делается минимальной. Полупроводник легируют золотом для увеличения подвижности электронов.
Диоды ВЧ.
Это универсальные диоды, которые могут быть детекторными, модуляторными, импульсными при достаточных длительностях импульса, и даже выпрямительными при малых токах нагрузки. Основное отличие ВЧ диодов – обратная ветвь вольтамперной характеристики плавно понижается (увеличивается обратный ток, постепенно переходя в область электрического пробоя) (рис. 30).

Рисунок 30
Такое понижение обратной ветви ВАХ объясняется усиленной термогенерацией собственных носителей зарядов на малой площади p-n перехода.
Микросплавные ВЧ диоды имеют бoльшую барьерную ёмкость, чем точечные, и для того, чтобы их можно было использовать на высоких частотах, вблизи p-n перехода понижают концентрацию акцепторной и донорной примеси.

Рисунок 31
Понижение концентрации примеси приводит к увеличению ширины p-n перехода, следовательно, к уменьшению барьерной ёмкости:
![]()
СВЧ диоды .
На СВЧ используются диоды Шоттки и диоды с p-n переходом, площадь которого значительно меньше, чем у точечных.

Рисунок 32
Заострённая вольфрамовая проволока в виде пружины прижимается к базе с определённым усилием, за счёт чего образуется очень малой площади p-n переход.
9. Диод Есаки (туннельный диод) и его модификации
Японский физик Лео Есаки в 1958 г создал случайно диод с необычными свойствами, заключающимися в наличии участка с отрицательным сопротивлением и способностью усиливать сигнал. В процессе изучения внутренней полевой эмиссии в вырожденном германиевом p-n переходе он обнаружил "аномальную" ВАХ: дифференциальное сопротивление на одном из участков характеристики было отрицательным. Этот эффект он объяснил с помощью концепции «квантовомеханического туннелирования» и при этом получил приемлемое согласие между теоретическими и экспериментальными результатами. Не беда, что туннелирование нарушает законы физики: туннелировать, -значит, проникать сквозь барьер, как значительно позже стал проникать Дэвид Коперфильд через Великую Китайскую стену. Если б такое было возможным, электроны в атомах могли бы перескакивать с одной орбиты на другую, наступил бы процесс спонтанной мутации химических элементов и полный хаос. Появление же указанного эффекта исключительно в теории полупроводников лишь подчеркивает ее блефовую основу и полную несостоятельность квантовомеханической теории.
Туннельный диод представляет собой простой p-n переход, обе стороны которого сильно легированы. Это означает, что в диоде Есаки (ДЕ) образуются дополнительные переходы (рис. 33)

Рисунок 33 - Дополнительные переходы диода Есаки.
Малая ширина основного перехода рождает принципиально новое свойство, связанное с неидеальностью линии границы перехода. Ширина d оказывается распределенной неравномерно по сечению канала (рис.34), отчего диод оказывается состоящим из многих параллельно включенных диодов с различающимися значениями d, причем некоторые участки сечения образуют встречное включение переходов. Сумма этих участков может рассматриваться как один паразитный диод.

Рисунок 34 - Вероятностное представление границ перехода ДЕ.
а- нормальное соотношение между шириной перехода и нестабильностью его границ; б- потенциалы границ при нормальном соотношении; в- взаимное перекрытие границ перехода.
Дополнительные переходы также должны выполняться с резкой границей, что позволит им также переходить в режим паразитной проводимости.
В отличии от существующей теории мы рассматриваем векторы напряженностей, а не разностей потенциалов. Это оказывается решающим фактором для независимого анализа группы параллельных диодов, поскольку появляются участки с противоположным направлением напряженности. На рис. 35 схематично изображен ДЕ, в котором дополнительные переходы объединены в один. Теперь анализ работы ДЕ распадается на несколько частей: состояние основного и дополнительного переходов, а также включения или выключения паразитных режимов. Число сочетаний режимов 4-х диодов становится большим, поэтому анализ работы диода проводим раздельно.

Рисунок 35 - Схематическое представление ДЕ.
Введем признаки принадлежности параметров тому или иному диоду: параметры паразитных диодов будем отмечать точкой вверху, что позволит нам сохранить обозначения без индексов для нормального диода основного перехода.
В исходном состоянии замыкание внешних выводов ДЕ приводит к глубокому запиранию обоих переходов (рис.4), что означает включение паразитных диодов. Приложив внешнее прямое напряжение, мы еще сильнее открываем диод
, но запираем диод
, приближая основной переход к открыванию. Именно в этот момент происходят самые любопытные процессы. Поэтому целесообразно дальнейшее рассмотрение сосредоточить на этой фазе переключения основного перехода.
На рисунке 36 показаны ВАХ диодов основного перехода.

Рис. 36. Вольтамперные характеристики нормального (1) и паразитного (2) диодов основного перехода.
В момент достижения напряжения пятки Ud= UП паразитный диод закрывается. Одновременно открывается нормальный диод и на участке кривой 2, помеченном пунктирной линией, их токи будут вычитаться, что и приводит к появлению горба результирующей ВАХ (рис.37). Рост тока нормального диода приводит к еще одному нюансу, а именно – к появлению положительной обратной связи. Она создается за счет падения напряжения на ширине
перехода протекающим током и, суммируясь с исходной разностью потенциалов ∆φ , заметно повышает крутизну ветви 1. поэтому результирующая ВАХ (рис. 4) представляет собой не просто разность токов двух диодов (участок АБ), а еще и некоторое усиление ее.
Рисунок 37 - Результирующая ВАХ диода Есаки.
Нагрузочная линия задает наклон переключения рабочей точки диода. В прямом направлении переключение показано стрелкой из точки А, в обратном – выбор происходит автоматически в момент равенства динамического сопротивления диодов.
Ток паразитного диода выражается аналогично обычному диоду и для прямого смещения запишем
(1),
где a- коэффициент, характеризующий долю поперечного сечения канала, перешедшую к паразитному диоду;
b- коэффициент, характеризующий разность потенциалов на переходе паразитного диода относительно – основного
.
Динамическое сопротивление паразитного диода определяем дифференцированием
(2).
Модификации диода Есаки.
Степень легирования крайних зон ДЕ определяет, насколько открыты паразитные диоды при нуле входного напряжения. Для изменения величины
![]()
свобода есть только в перепаде потенциалов дополнительных переходов
. Как изменится результирующая ВАХ диода? С уменьшением
кривая 2 на рис. 3 сдвигается вниз и влево, уменьшая пиковое значение тока. Горб на результирующей ВАХ уменьшается и может исчезнуть (рис. 38). Этот вариант ДЕ получил название обращенный диод, поскольку для малых напряжений прямая ветвь ВАХ может использоваться в качестве обратной.
Рисунок 38 - Вольтамперная характеристика обращенного диода.
Если наряду со снижением разности потенциалов дополнительного перехода выполнить его несколько более широким, паразитный диод
перестанет открываться и станет похожим на обычный, но только до некоторого значения обратного напряжения, называемого напряжением пробоя. Обратная ветвь такого диода сдвигается влево, как показано на рисунке 39.
Рисунок 39 – Вольтамперная характеристика стабилитрона.
Этот вид пробоя назван зенеровским (по другой транскрипции ценеровским) по имени немецкого физика Zener, впервые обнаружившего это явление.
Еще один очень интересный эффект использует принцип ДЕ – лавинный диод. В зенеровском пробое открывается нормальный диод дополнительного перехода, имеющего меньшую крутизну потенциалов (рис. ), чем основной переход. Если из диода Есаки исключить (или сильно уменьшить) дополнительное легирование краев канала и расширить зону перехода (теперь речь только об основном переходе), то образование паразитного диода
может происходить при очень больших напряжениях. В этом случае, как и в случае «туннельного диода» также появляется положительная обратная связь за счет малого (но уже заметного) обратного тока. Крутизна образовавшегося паразитного диода повышается и его ВАХ стремится занять положение, соответствующее меньшему напряжению в сравнении с напряжением пробоя (рис.40).
Рисунок 40
В результате, получилось физическое описание процессов, не прибегая к уловкам и не вводя туннельных и прочих эффектов. А названные типы полупроводниковых приборов относятся к одному классу – диодов Есаки.
10. Эффекты полупроводника
Тоннельный эффект.
Тоннельный эффект (открыт в 1958 году в Японии) проявляется на p-n переходе в вырожденных полупроводниках.
Вырожденный полупроводник – это полупроводник с очень высокой концентрацией донорной или акцепторной примеси. (Концентрация – 1024 атомов примеси на 1 куб. см. полупроводника).
В вырожденных полупроводниках очень тонкий p-n переход: его ширина составляет сотые доли микрона, а напряжённость внутреннего поля p-n перехода составляет Ep-n ≈ 108 B/м, что обеспечивает очень высокий потенциальный барьер. Основные носители заряда не могут преодолеть этот потенциальный барьер, но за счёт малой его ширины как бы механически пробивают в нём тоннели, через которые проходят другие носители зарядов. Следовательно, свойство односторонней проводимости на p-n переходе при тоннельном эффекте отсутствует, а ток через p-n переход будет иметь три составляющие:
I = Iт.пр. – Iт.обр. + Iпр.,
где Iт.пр. – прямой тоннельный ток, за счёт прохождения зарядов через тоннели при прямом включении;
Iт.обр. – обратный тоннельный ток, тот же самый, что и прямой, но при обратном включении;
Iпр. – прямой ток проводимости. Вызван носителями заряда, преодолевающими потенциальный барьер при относительно высоком прямом напряжении.
Вольтамперная характеристика p-n перехода при тоннельном эффекте будет иметь вид, изображённый на рисунке 41.

Рисунок 41
На участке АВ прямой тоннельный ток уменьшается за счёт снижения потенциального барьера и в точке В он становится равным нулю, а ток проводимости незначительно возрастает. За счёт этого общий ток на участке АВ уменьшается. Особенностью тоннельного эффекта является то, что на участке АВ характеристики имеет место отрицательное динамическое сопротивление.
![]()
Тоннельный эффект применяется в тоннельных диодах, которые используются в схемах генераторов гармонических колебаний и как маломощные бесконтактные переключающие устройства.
Эффект Гана
Эффект Гана проявляется в полупроводниках n-типа проводимости в сильных электрических полях.

Рисунок 42
Участок ОА – линейный участок, на котором соблюдается закон Ома. Участок АВ – при сравнительно больших напряжённостях электрического поля уменьшается подвижность электронов (показывает, как легко электроны проходят сквозь кристаллическую решётку проводника) за счёт увеличения амплитуд колебания атомов в узлах кристаллической решётки. И за счёт этого рост тока замедляется. Участок ВС – сильное уменьшение подвижности электронов, что приводит к уменьшению тока. Участок CD – при очень больших напряжённостях значительно увеличивается генерация носителей зарядов и, хотя подвижность электронов уменьшается, ток возрастает за счёт увеличения количества зарядов.
Сущность эффекта Гана состоит в том, что если в полупроводнике создать напряжённость электрического поля, большую Екр, но меньшую Епор, т. е. на участке ВС характеристики, то в полупроводнике возникнут электрические колебания сверхвысокой частоты (СВЧ).
Эффект Гана применяется в диодах Гана, которые используются как маломощные генераторы СВЧ.
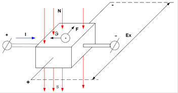
Эффект Холла
Эффект Холла проявляется в полупроводниках n-типа проводимости с протекающими через них токами и помещёнными в магнитное поле.

Рисунок 43
На движущиеся электроны в полупроводнике будет действовать сила Лоренца F, под действием которой электроны будут отклоняться к дальнему краю пластинки (рис. 43), следовательно, там будет сгущение электронов, а около переднего края – недостаток их. Поэтому между этими краями возникнет ЭДС, которая называется ЭДС Холла. Эффект Холла применяется в магнитометрических датчиках.
11. Переход Шоттки
Образование перехода Шоттки .
Переход Шоттки возникает на границе раздела металла и полупроводника n-типа, причём металл должен иметь работу выхода электрона большую, чем полупроводник.

Рисунок 44
При контакте двух материалов с разной работой выхода электронов электрон проходит из материала с меньшей работой выхода в материал с большей работой выхода, и ни при каких условиях - наоборот. Электроны из приграничного слоя полупроводника переходят в металл, а на их месте остаются некомпенсированные положительные заряды ионов донорной примеси.
В металле большое количество свободных электронов, и, следовательно, на границе металл-полупроводник возникает электрическое поле и потенциальный барьер. Возникшее поле будет тормозящим для электронов полупроводника и будет отбрасывать их от границы раздела. Граница раздела металла и полупроводника со слоем положительных зарядов ионов донорной примеси называется переходом Шоттки (открыт в 1934 году).
Прямое и обратное включение диодов Шоттки. Достоинства и недостатки.
- Если приложить внешнее напряжение плюсом на металл, а минусом на полупроводник, возникает внешнее электрическое поле, направленное навстречу полю перехода Шоттки. Это внешнее поле компенсирует поле перехода Шоттки и будет являться ускоряющим для электронов полупроводника. Электроны будут переходить из полупроводника в металл, образуя сравнительно большой прямой ток. Такое включение называется прямым.
- При подаче минуса на металл, а плюса на полупроводник возникает внешнее электрическое поле, сонаправленное с полем перехода Шоттки. Оба этих поля будут тормозящими для электронов полупроводника, и будут отбрасывать их от границы раздела. Оба этих поля будут ускоряющими для электронов металла, но они через границу раздела не пройдут, так как у металла больше работа выхода электрона. Такое включение перехода Шоттки называется обратным.
Обратный ток через переход Шоттки будет полностью отсутствовать, так как в металле не существует неосновных носителей зарядов.
12. Изготовление
В точечном диоде используется пластинка германия или кремния с электропроводностью n- типа (рис.3.1), толщиной 0,1…0,6мм и площадью 0,5…1,5 мм2; с пластинкой соприкасается заостренная проволочка (игла) с нанесенной на нее примесью. При этом из иглы в основной полупроводник диффундируют примеси, которые создают область с другим типом электропроводности. Таким образом, около иглы образуется миниатюрный р-n- переход полусферической формы.
Для изготовления германиевых точечных диодов к пластинке германия приваривают проволочку из вольфрама, покрытого индием. Индий является для германия акцептором. Полученная область германия р-типа является эмиттерной.
Для изготовления кремниевых точечных диодов используется кремний n- типа и проволочка, покрытая алюминием, который служит акцептором для кремния.
В плоскостных диодах р-n- переход образуется двумя полупроводниками с различными типами электропроводности, причем площадь перехода у различных типов диодов лежит в пределах от сотых долей квадратного миллиметра до нескольких десятков квадратных сантиметров (силовые диоды).
Плоскостные диоды изготовляются методами сплавления (вплавления) или диффузии.
В пластинку германия n- типа вплавляют при температуре около 500о С каплю индия которая, сплавляясь с германием, образует слой германия р- типа. Область с электропроводностью р- типа имеет более высокую концентрацию примеси, нежели основная пластинка, и поэтому является эмиттером. К основной пластинке германия и к индию припаивают выводные проволочки, обычно из никеля. Если за исходный материал взят германий р- типа, то в него вплавляют сурьму и тогда получается эмиттерная область n- типа.
Диффузионный метод изготовления р-n- перехода основан на том, что атомы примеси диффундируют в основной полупроводник. Для создания р- слоя используют диффузию акцепторного элемента (бора или алюминия для кремния, индия для германия) через поверхность исходного материала.
13. Достоинства и недостатки
Полупроводниковые диоды обладают многими преимуществами по сравнению с вакуумными диодами – малые размеры, длительный срок службы, механическая прочность. Существенным недостатком полупроводниковых диодов является зависимость их параметров от температуры. Кремниевые диоды, например, могут удовлетворительно работать только в диапазоне температур от –70 °C до 80 °C. У германиевых диодов диапазон рабочих температур несколько шире.
Достоинства перехода Шоттки:
- отсутствие обратного тока;
- переход Шоттки может работать на СВЧ;
- высокое быстродействие при переключении из прямого состояния в обратное и наоборот.
Недостаток диода Шоттки – стоимость. В качестве металла обычно применяют золото.
14. Перспективы развития
Ударно-ионизационный волновой пробой и генерация пикосекундных сверхширокополосных и сверхвысокочастотных импульсов в дрейфовых диодах на основе GaAs с резким восстановлением:
Впервые экспериментально подтверждено, что работа дрейфовых GaAs-диодов с резким восстановлением, изготовленных из p+ -p0 -n0 -n+ -структур, сопровождается возбуждением сверхвысокочастотных осцилляций в виде цугов коротких импульсов длительностью ~ 10 пс. Амплитуда импульсов и частота их повторения достигают значений ~ 100 В и ~ (10-100) ГГц соответственно. Факт существования явлений задержанного обратимого волнового пробоя и возбуждения сверхвысокочастотных осцилляций в структурах GaAs-диодов с резким восстановлением открывает перспективы развития новых направлений как в физике и технике полупроводниковых приборов на основе GaAs-структур, так и в новых областях техники и технологии сверхвысокочастотных и сверхширокополосных систем и устройств, оперирующих с импульсными сигналами пикосекундной длительности.
Заключение
Полученные данные позволяют расчетным путем конструировать полупроводниковые приборы по заранее заданным характеристикам. Возможно создание новых типов приборов или изменение конструкции - существующих. Например, один из дополнительных переходов можно безболезненно удалить из конструкции «туннельного» диода (любой). То же справедливо и для стабилитронов, поскольку два перехода не бывают идентичными, а близость их свойств может породить спонтанный переход стабилитрона в режим «туннелирования» на обратной ветви.
Раскрытие механизма образования паразитного диода и режима его работы позволяет решить проблему оптимизации переходов, заключающуюся в выборе технологических режимов изготовления приборов.
Рассмотренные примеры показывают, сколь ущербна сегодняшняя физика полупроводников и сколь необходима ее коренная переработка.
Список литературы
1. Тугов Н.М., Глебов Б.А. Полупроводниковые приборы — М.:Энергоатомиздат,1990г.— 576с.
2. Козлов В.А., Рожков А.В., Кардо-Сысоев А.Ф. Журнал «Физика и техника полупроводников», том 37, вып. 12 С-Пб: ФТИ, 2003г. – 140с.
3. Хлебников М.М. "Электронные приборы". Учебник для электротехнических институтов связи – М.: "Связь", 1986г. – 598с.
4. Гусев В.Г., Гусев Ю.М. Электроника – М.: Высшая школа,1991г.— 617с.
Похожие рефераты:
Лекции по твердотельной электронике
Основные качества полупроводников
Расчет и проектирование диода на основе кремния
Электронные цепи и приборы (шпаргалка)
Учебная практика по специальности ТО и ремонт РЭА
Электронные, квантовые приборы и микроэлектроника
Энергосбережение на современном этапе
Компенсация реактивной мощности в системах электроснабжения с преобразовательными установками
Разработать лабораторный стенд для испытания устройств защиты судовых генераторов
Повышение эффективности процессов обжима трубчатых заготовок давлением импульсного магнитного поля