| Похожие рефераты | Скачать .docx |
Курсовая работа: Расчет и проектирование МДП-транзистора
Содержание
ВВЕДЕНИЕ. 2
1СВЕДЕНИЯ И ПОНЯТИЯ О МДП-ТРАНЗИСТОРАХ.. 4
1.1Свойства МДП-структуры (металл–диэлектрик– –полупроводник). 4
1.2Типы и устройство полевых транзисторов. 7
1.3Принцип работы МДП-транзистора. 9
1.4Выбор знаков напряжений в МДП-транзисторе. 11
1.5Характеристики МДП-транзистора в области плавного канала. 14
1.6Характеристики МДП-транзистора в области отсечки. 19
1.7Влияние типа канала на вольт-амперные характеристики МДП-транзисторов 24
1.8 Эквивалентная схема и быстродействие МДП-транзистора. 26
2РАСЧЕТ ПАРАМЕТРОВ И ХАРАКТЕРИСТИК МДП-ТРАНЗИСТОРА НА ОСНОВЕ АРСЕНИДА ГАЛЛИЯ.. 29
2.1Основные сведения об арсениде галлия. 29
2.2Основные параметры МДП-транзистора. 31
2.3Расчет параметров МДП-транзистора. 31
ВЫВОДЫ.. 36
СПИСОК ЛИТЕРАТУРЫ………………………………………………………36
Среди многочисленных разновидностей полевых транзисторов, возможно, выделить два основных класса: полевые транзисторы с затвором в виде pn перехода и полевые транзисторы с затвором, изолированным от рабочего полупроводникового объема диэлектриком. Приборы этого класса часто так же называют МДП-транзисторами (от словосочетания металл-диэлектрик-полупроводник) и МОП транзисторами (от словосочетания металл-окисел - полупроводник), поскольку в качестве диэлектрика чаще всего используется окись кремния.
Основной особенностью полевых транзисторов, по сравнению с биполярными, является их высокое входное сопротивление, которое может достигать 109 - 1010 Ом. Таким образом, эти приборы можно рассматривать как управляемые потенциалом, что позволяет на их основе создать схемы с чрезвычайно низким потреблением энергии в статическом режиме. Последнее особенно существенно для электронных статических микросхем памяти с большим количеством запоминающих ячеек.
Так же как и биполярные полевые транзисторы могут работать в ключевом режиме, однако падение напряжения на них во включенном состоянии весьма значительно, поэтому эффективность их работы в мощных схемах меньше, чем у биполярных приборов.
Полевые транзисторы могут иметь как p, так и n управление которыми осуществляется при разной полярности на затворах. Это свойство комплементарности расширяет возможности при конструировании схем и широко используется при создании запоминающих ячеек и цифровых схем на основе МДП транзисторов (CMOS схемы).
Полевые транзисторы относятся к приборам униполярного типа, это означает, что принцип их действия основан на дрейфе основных носителей заряда. Последнее обстоятельство значительно упрощает их анализ по сравнению с биполярными приборами, поскольку, в первом приближении, возможно, пренебречь диффузионными токами, неосновными носителями заряда и их рекомбинацией [9].
1 СВЕДЕНИЯ И ПОНЯТИЯ О МДП-ТРАНЗИСТОРАХ
1.1 Свойства МДП-структуры (металл–диэлектрик–полупроводник)
В основе работы полевых транзисторов с изолированным затвором лежат свойства МДП-структуры (рис. 1.1).

Рисунок 1.1 - Пример МДП-структуры.
По существу эта структура представляет плоский конденсатор одной из обкладок которого служит металл (затвор), второй полупроводник. Особенность такого МДП конденсатора по отношению к классическому МДМ конденсатору в том, что в объеме полупроводника заряд может быть связан с носителями разной физической природы и разной полярности: свободными электронами и дырками, заряженными положительно ионизованными донорами, заряженными отрицательно ионизованными акцепторами, а так же заряженными дефектами. В МДП-структуре в отличие от p-n перехода существует гетерограница разделяющая две среды с различной структурой это, например, граница, разделяющая полупроводник и его окисле или другой диэлектрик или полупроводник и воздух (вакуум). На свободной границе полупроводника имеется большое количество оборванных связей стремящихся захватить заряд из объема полупроводника, а так же связей вступивших в реакцию с сооседней средой и пассивированных этой средой, кроме того, на поверхности могут находиться посторонние примесные атомы и ионы. Таким образом, на свободной поверхности и гетеропереходе металл-диэлектрик уже в начальном состоянии может находиться некоторый заряд, который индуцирует равный ему по величине и противоположный по знаку заряд в объеме полупроводника [13].
Если зарядить одну из обкладок МДП конденсатора - затвор, то на второй - полупроводниковой обкладке должен появиться заряд равный по величине и противоположный по знаку, который будет связан с поверхностными состояниями, ионизованными атомами примеси и свободными носителями заряда.

Рисунок 1.2 - Изменение поверхностной проводимости полупроводнка в МДП структуре:
1 - полупроводник n типа,
2 - собственный полупроводник,
3 - полупроводник p типа.
Если индуцированный внешним полем заряд на полупроводниковой обкладке превышает изменение заряда на поверхностных состояниях, то в приповерхностной области полупроводника происходит изменение концентрации свободных носителей заряда, что сопровождается изменением поверхностной проводимости (см. рис. 1.2) и соответственно протекающего вдоль поверхности тока, в случае если имеется направленное вдоль поверхности поле, как это показано на вставке рис. 1.2 [5].
В той приповерхностной полупроводниковой области, где существует электрическое поле, имеется обедненная носителями область пространственного заряда, аналогичная по свойствам области ОПЗ pn перехода, работающая как диэлектрик. При изменении потенциала на металлической (затворе) обкладке МДП конденсатора будет изменяться заряд ОПЗ и соответственно ширина обедненной области. При этом будет изменяться емкость МДП-структуры. Зависимости емкости МДП-структур от напряжения показаны на рис. 1.3.

Рисунок 1.3 - Изменение емкости МДП-структур от напряжения на затворе:
1 - полупроводник n типа,
2 - собственный полупроводник,
3 - полупроводник p типа.
Емкость МДП-структуры можно рассматривать как состоящую из двух последовательно включенных емкостей: емкости диэлектрика - Сд и емкости слоя пространственного заряда в полупроводнике Спп .
(1.1)
Если Сд >> Спп , то можно с хорошим приближение считать, что емкость структуры определяется емкость ОПЗ, т.е. С = Спп .
Если Спп >> Сд , то приближенно можно считать, что С = Сд , поэтому максимальное значение емкости на рис. 1.3 ограничено линией С = Сд .
Следует обратить внимание на то, что на всех кривых рис. 1.2 и рис. 1.3 имеются точки минимума. Это точки соответствуют случаю минимальной поверхностной проводимости, которая имеет место, когда на поверхности концентрации электронов и дырок близки к собственной и равны друг другу, тогда увеличение потенциала затвора относительно значения соответствующего точке минимума должно обогащать поверхность дырками, а уменьшение потенциала относительно потенциала точки минимума должно обогащать поверхность дырками. При этом соответственно с разных сторон от точки минимума должен наблюдаться разный тип проводимости в приповерхностной области [4].
1.2 Типы и устройство полевых транзисторов
Полевые, или униполярные, транзисторы в качестве основного физического принципа используют эффект поля. В отличие от биполярных транзисторов, у которых оба типа носителей, как основные, так и неосновные, являются ответственными за транзисторный эффект, в полевых транзисторах для реализации транзисторного эффекта применятся только один тип носителей. По этой причине полевые транзисторы называют униполярными. В зависимости от условий реализации эффекта поля полевые транзисторы делятся на два класса: полевые транзисторы с изолированным затвором и полевые транзисторы с затвором в виде p-n-перехода [8].
К полевым транзисторам с изолированным затвором относятся МДП-транзисторы, МНОП-элементы памяти, МДП-транзисторы с плавающим затвором, приборы с зарядовой связью (ПЗС-структуры), МДП-фотоприемники. К полевым транзисторам с затвором в виде p-n-перехода относятся транзисторы с затвором в виде барьера Шоттки, с затвором в виде обычного p-n-перехода и с затвором в виде гетероперехода. Отметим, что в качестве дискретных элементов разработаны и имеют применение МДП-транзисторы и транзисторы с затвором в виде обычного p-n-перехода. Остальные типы полевых транзисторов используются только в интегральном исполнении как фрагменты интегральных схем.
Рассмотрим на примере МДП-транзистора основные элементы структуры полевых транзисторов. На рис. 1.4 приведена топология МДП-транзистора [5].

Рисунок 1.4 - Топология и основные элементы МДП-транзистора.
Термин «МДП-транзистор» используется для обозначения полевых транзисторов, в которых управляющий электрод - затвор отделен от активной области полевого транзистора диэлектрической прослойкой – изолятором. Основным элементом для этих транзисторов является структура металл–диэлектрик–полупроводник. По этой причине в названии транзистора используется аббревиатура МДП. Монокристаллический полупроводник n- или p-типа, на котором изготавливается МДП-транзистор, получил название подложки. Две сильнолегированные области противоположного с подложкой типа проводимости получили названия истоки сток. Область полупроводниковой подложки, находящаяся под затвором между истоком и стоком, называется каналом. Диэлектрический слой, расположенный между затвором и каналом, получил название подзатворного диэлектрика. В качестве полупроводниковой подложки в большинстве МДП-транзисторов используется GaAsи подзатворный диэлектрик. По этой причине как синоним для МДП-транзисторов применяется термин «МОП-транзистор». Канал в МДП-транзисторах может быть как индуцированным, так и встроенным [7].
1.3 Принцип работы МДП-транзистора
Физической основой работы полевого транзистора со структурой металл–диэлектрик–полупроводник является эффект поля. Эффект поля состоит в том, что под действием внешнего электрического поля изменяется концентрация свободных носителей заряда в приповерхностной области полупроводника. В полевых приборах со структурой МДП внешнее поле обусловлено приложенным напряжением на металлический электрод - затвор. В зависимости от знака и величины приложенного напряжения могут быть четыре состояния области пространственного заряда (ОПЗ) полупроводника – обогащение, обеднение, слабая и сильная инверсия. Полевые транзисторы в активном режиме могут работать только в области слабой или сильной инверсии, т. е. в том случае, когда инверсионный канал между истоком и стоком отделен от квазинейтрального объема подложки областью обеднения [11].
Полевой транзистор относится к типу приборов, управляемых напряжением. Обычно электрод истока является общим, и относительно его определяются величина и знак прикладываемого напряжения и протекающего тока. Напряжение на затворе МДП-транзистора обозначается значком VG , на стоке транзистора - VDS , на подложке - VSS . Ток, протекающий между истоком и стоком, обозначается IDS , ток в цепи «затвор – канал» – IG . Для полевых транзисторов с изолированным затвором ток затвора пренебрежимо мал, составляет величины пикоампер. По этой причине мощность, расходуемая на реализацию транзисторного эффекта в первичной цепи, практически нулевая [5].


Рисунок 1.5 - МДП-транзистор с индуцированным каналом в равновесных условиях:
а) напряжение на затворе отсутствует VG = 0;
б) напряжение на затворе больше порогового напряжения VG > VT
На рис. 1.5 показана схема МДП-транзистора с индуцированным p-каналом в равновесных условиях (VDS = 0) при нулевом напряжении на затворе и при напряжении на затворе выше порогового напряжения.
В области инверсии концентрация неосновных носителей заряда в инверсионном канале выше, чем концентрация основных носителей в объеме полупроводника. Напряжение на затворе VG , при котором происходит формирование инверсионного канала, называется пороговым напряжением и обозначается VT . Изменяя величину напряжения на затворе VG в области выше порогового напряжения, можно менять концентрацию свободных носителей в инверсионном канале и тем самым модулировать сопротивление канала Ri . Источник напряжения в стоковой цепи VDS вызовет изменяющийся в соответствии с изменением сопротивления канала Ri ток стока IDS , и тем самым будет реализован транзисторный эффект. Напомним, что транзисторный эффект заключается в изменении тока или напряжения во вторичной цепи, вызванном изменениями тока или напряжения в первичной цепи. Отметим, что ток в цепи «исток - канал - сток» IDS обусловлен только одним типом носителей, то есть действительно МДП-транзистор является униполярным прибором. Поскольку области истока и стока сильно легированы, то они не оказывают влияния на ток канала, а только обеспечивают контакт к области канала [8].
Таким образом, МДП-транзистор является сопротивлением, регулируемым внешним напряжением. К нему даже в большей степени, чем к биполярным приборам, подходит историческое название «транзистор», так как слово «transistor» образовано от двух английских слов - «transfer» и «resistor», что переводится как «преобразующий сопротивление» [16].
1.4 Выбор знаков напряжений в МДП-транзисторе
Электрод истока является общим и относительно его определяются величина и знак прикладываемого напряжения и протекающего тока. Рассмотрим на примере n-канального МДП-транзистора с индуцированным каналом, каким образом выбираются величина и знак напряжения на затворе, стоке и подложке, обеспечивающих работу МДП-транзистора в активном режиме.
Для МДП-транзистора с индуцированным n-каналом при нулевом напряжении на затворе VG = 0 канал между истоком и стоком отсутствует. Для формирования канала необходимо подать напряжение на затвор VG такого знака, чтобы на поверхности полупроводника сформировался инверсионный слой. Для n-канального транзистора (полупроводниковая подложкаp-типа) знак напряжения VG в этом случае должен быть положительным. Напряжение на затворе VG , при котором происходит формирование инверсионного канала, называется пороговым напряжением и обозначается VT . Следовательно, величина напряжения на затворе VG в активной области должна быть больше, чем значение порогового напряжения: 0 < VT < VG .
Напряжение, поданное на сток VDS , вызывает движение электронов в инверсионном слое между истоком и стоком. С точки зрения транзисторного эффекта безразлично, в каком направлении в канале будут двигаться носители. Но в то же время напряжение VDS , приложенное к стоку, - это напряжение, приложенное к стоковому n+-p-переходу. При положительном знаке VDS > 0 это соответствует обратному смещению стокового n+-p-перехода, а при отрицательном знаке VDS < 0 это соответствует прямому смещению p-n-перехода «сток - подложка». В случае прямого смещения p-n-перехода «сток - подложка» в цепи стока будет течь дополнительно к току канала еще и большой ток прямосмещенногоp-n-пе-рехода, что затруднит регистрацию тока канала.
В случае обратного смещения p-n-перехода «сток - подложка» паразитный ток будет составлять наноамперы и будет пренебрежимо мал. Таким образом, знак напряжения на стоке VDS нужно выбирать так, чтобы стоковый переход был смещен в обратном направлении. Для n-канальных транзисторов это условие соответствует VDS > 0, а для p-канальных транзисторов VDS < 0. На рис. 1.6 показана схема p-канального МДП-транзистора в области плавного канала [6].

Рисунок 1.6 - Схема p-канального МДП-транзистора в области плавного канала.
Напряжение, подаваемое на подложку VSS , управляет током в канале через изменение заряда в области обеднения QB , или, что то же самое, через изменение порогового напряжения VT . Для эффективного увеличения ширины области обеднения, следовательно, заряда в области обеднения необходимо подавать обратное смещение на индуцированный электронно-дырочный переход «канал - подложка». Для n-канальных транзисторов это условие соответствует отрицательному знаку напряжения на подложке VSS < 0, а для p-канальных транзисторов - положительному знаку напряжения VSS > 0. На рис. 1.7 приведена схема p-канального МДП-транзистора в области плавного канала при наличии управляющего напряжения на подложке [5].

Рисунок 1.7 - Схема p-канального МДП-транзистора в области плавного канала при наличии напряжения на подложке.
1.5 Характеристики МДП-транзистора в области плавного канала
Рассмотрим полевой транзистор со структурой МДП, конфигурация и зонная диаграмма которого приведены на рис. 1.8. Координата z направлена вглубь полупроводника, y - вдоль по длине канала и х - по ширине канала.
Получим вольт-амперную характеристику такого транзистора при следующих предположениях:
1. Токи через р-n-переходы истока, стока и подзатворный диэлектрик равны нулю.
2. Подвижность электронов μn постоянна по глубине и длине L инверсионного канала и не зависит от напряжения на затворе VGS и на стоке VDS .
3. Канал плавный, то есть в области канала нормальная составляющая электрического поля Ez существенно больше тангенциальной Еу [15].

Рисунок 1.8 - Схема МДП-транзистора для расчета токов в области плавного канала и зонная диаграмма в равновесных условиях
Ток в канале МДП-транзистора, изготовленного на подложке р-типа, обусловлен свободными электронами, концентрация которых n(z). Электрическое поле Еу обусловлено напряжением между истоком и стоком VDS . Согласно закону Ома, плотность тока [5].:
(1.2)
где q - заряд электрона, μn - подвижность электронов в канале, V- падение напряжения от истока до точки канала с координатами (x, y, z).
Проинтегрируем (1.2) по ширине x и глубине z канала. Тогда интеграл в левой части (1.2) дает нам полный ток канала IDS , а для правой части получим:
(1.3)
Величина
есть полный заряд электронов в канале на единицу площади:

Тогда:
(1.4)
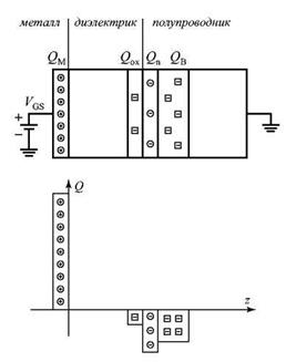
Найдем величину заряда электронов Qn . Для этого запишем уравнение электронейтральности для зарядов в МДП-транзисторе на единицу площади в виде [3]:
Qm = Qox + Qn + QB . (1.5)
Согласно (1.5), заряд на металлическом электроде Qm уравновешивается суммой зарядов свободных электронов Qn и ионизованных акцепторов QB в полупроводнике и встроенного заряда в окисле Qox . [10].

Рисунок 1.9 - Расположение зарядов в МДП-транзисторе.
На рис. 1.9 приведена схема расположения этих зарядов. Из определения геометрической емкости окисла Сox следует, что полный заряд на металлической обкладке МДП-конденсатора Qm равен:
Qm =Cox ·Vox , (1.6)
где Vox - падение напряжения на окисном слое, Сox - удельная емкость подзатворного диэлектрика.
Поскольку падение напряжения в окисле равно Vox , в полупроводнике равно поверхностному потенциалу ψs, а полное приложенное к затвору напряжение VGS , то:
VGS -Δφms = Vox + ψs= Vox + ψs0+ V(y), (1.7)
где Δφms - разность работ выхода металл - полупроводник, ψs0 - величина поверхностного потенциала в равновесных условиях, т. е. при напряжении стока VDS = 0.
Из (1.5) - (1.7) следует:
Qn =Qm - Qox -QB = Cox [VGS -Δφms -ψs0 + V(y)] - Qox - QB (1.8)
Поскольку в области сильной инверсии при значительном изменении напряжения на затворе VGS величина поверхностного потенциала меняется слабо, будем в дальнейшем считать ее постоянной и равной потенциалу начала области сильной инверсии ψs0 = 2φ0 . Поэтому будем также считать, что заряд акцепторов QB не зависит от поверхностного потенциала. Введем пороговое напряжение VТ как напряжение на затворе VGS , соответствующее открытию канала в равновесных условиях: Vt ≡Vgs (ψs = 2φ0 , VDS = 0).
При этом Qn (VDS = 0) = 0.
Из (1.8) следует, что [5]:
(1.9)
Тогда с учетом (6.8):
Qn =C[VGS -VT -V(y)]. (1.10)
Подставляя (1.10) в (1.4), разделяя переменные и проведя интегрирование вдоль канала при изменении y от 0 до L, а V(y) от 0 до VDS , получаем:
(1.11)
Уравнение (1.11) описывает вольт-амперную характеристику полевого транзистора в области плавного канала.
1.6 Характеристики МДП-транзистора в области отсечки
Как следует из уравнения (1.10), по мере роста напряжения исток-сток VDS в канале может наступить такой момент, когда произойдет смыкание канала, т. е. заряд электронов в канале в некоторой точке станет равным нулю. Это соответствует условию:
V(y) = Vos -VT≡V* DS (1.12)
Поскольку максимальная величина напряжения V(y) реализуется на стоке, то смыкание канала, или отсечка, первоначально произойдет у стока. Напряжение стока VDS , необходимое для смыкания канала, называется напряжением отсечки V* DS . Величина напряжения отсечки определяется соотношением (1.12). На рис. 1.10 показан канал, отсеченный у стока [5].

Рисунок 1.10 - Схема p-канального МДП-транзистора при напряжении на стоке, равном напряжению отсечки
С ростом напряжения стока VDS точка канала, соответствующая условию отсечки (1.12), сдвигается от стока к истоку. В первом приближении при этом на участке плавного канала от истока до точки отсечки падает одинаковое напряжение V* DS = VGS - VT , не зависящее от напряжения исток-сток. Эффективная длина плавного канала L от истока до точки отсечки слабо отличается от истинной длины канала L и обычно ΔL = L-L«L. Это обуславливает в области отсечки в первом приближении ток стока IDS , не зависящий от напряжения стока VDS . На рис. 1.11 показана схема p-канального МДП-транзистора при напряжении на стоке, большем напряжения отсечки. Из этого же рисунка видно, как точка отсечки смещается от стока по мере роста напряжения на стоке.

Рисунок 1.11 - Схема p-канального МДП-транзистора при напряжении на стоке, большем напряжения отсечки
Подставив значение напряжения отсечки V* DS из (1.12) в (1.11) вместо значения напряжения стока VDS , получаем для области отсечки выражение для тока стока:
(1.13)
Соотношение (1.13) представляет собой запись вольт-амперной характеристики МДП-транзистора в области отсечки. Зависимости тока стока IDS от напряжения на затворе VGS называются обычно переходными характеристиками, а зависимости тока стока IDS от напряжения на стоке VDS - проходными характеристиками транзистора. На рис. 1.12 приведены зависимости тока стока IDS от напряжения на стоке VDS для МДП-транзистора при различных напряжениях на затворе, рассчитанные по соотношениям (1.11) и (1.13) [6].

Рисунок 1.12 - Зависимость тока стока IDS от напряжения на стоке VDS для МДП ПТ при различных напряжениях на затворе. Пороговое напряжение VT = 0,1 В. Сплошная линия - расчет по (1.11) и (1.13). Пунктир - расчет по (1.17) с учетом модуляции длины канала
При значительных величинах напряжения исток-сток и относительно коротких каналах (L = 10÷20 мкм) в области отсечки наблюдается эффект модуляции длины канала. При этом точка отсечки смещается к истоку и напряжение отсечки V* DS падает на меньшую длину L′ канала. Это вызовет увеличение тока IDS канала. Величина напряжения Δ V, падающая на участке ΔL от стока отсечки, будет равна:
∆V(∆L) = VDS -V*DS =VDS -(VGS -VT ). (1.14)
На рис. 1.12 этот эффект модуляции длины канала наглядно виден.
Поскольку напряжение ΔV падает на обратносмещенном p-n+ -переходе, его ширина ΔL будет равна:
(1.15)
Ток канала равен IDS0 , когда напряжение исток-сток VDV =V* DS = VGS -VT равно напряжению отсечки и величина ΔL = 0. Обозначим IDS ток стока при большем напряжении стока: VDS > V* DS .
Тогда:
I0DS .L = IDS -(L-∆L). (1.16)
Таким образом, ВAX МДП-транзистора с учетом модуляции длины канала примет следующий вид:
(1.17)
Эффект модуляции длины канала оказывает большое влияние на проходные характеристики МДП-транзистора с предельно малыми геометрическими размерами, поскольку в этом случае величина ΔL сравнима с длиной канала L. На рис. 1.12 пунктиром показаны зависимости тока стока от напряжения на стоке в области отсечки с учетом модуляции длины канала [10].
. 
Рисунок 1.13 – Зависимости:
1 - тока стока IDS от напряжения на затворе VG в области отсеченного канала;
2 - корня из тока стока
от напряжения на затворе в области отсечки
Отметим, что эффект модуляции длины канала для полевых транзисторов по физической природе аналогичен эффекту модуляции ширины базы (эффект Эрли) для биполярных транзисторов. На вольт-амперных характеристиках транзисторов этот эффект также проявляется аналогично - в зависимости выходного тока от выходного напряжения.
Как видно из уравнения (1.13), в области отсечки ток стока IDS
квадратично зависит от приложенного к затвору транзистора напряжения VG
. На рис. 1.13 показана эта зависимость (кривая 1) и эта же зависимость, построенная в координатах
от напряжения VG
(кривая 2). На практике экстраполяция прямолинейного участка этой зависимости определяет значение порогового напряжения [8].
1.7 Влияние типа канала на вольт-амперные характеристики МДП-транзисторов
Вид вольт-амперной характеристики МДП-транзистора в значительной мере зависит от типа полупроводниковой подложки и типа инверсионного канала. В том случае, если при нулевом напряжении на затворе VG = 0 инверсионный канал отсутствует, а по мере увеличения напряжения на затворе VG > VT появляется, такой инверсионный канал называют индуцированным. Если же при нулевом напряжении на затворе VG = 0 инверсионный канал уже сформирован, такой инверсионный канал называют встроенным. МДП-транзисторы с индуцированным каналом при нулевом напряжении на затворе всегда закрыты, а МДП-транзисторы со встроенным каналом при нулевом напряжении на затворе всегда открыты.
Зависимость тока стока IDS от напряжения на стоке VDS при различных на-пряжених на затворе VG называют проходными характеристиками МДП-транзистора, а зависимость тока стока IDS от напряжения на затворе VG при различных напряжениях на стоке VDS называют переходными характеристиками МДП-транзистора. В том случае если напряжение на стоке VDS больше, чем напряжение отсечки V* DS , на переходных характеристиках ток стока IDS от напряжения на стоке VDS не зависит.
На рис. 1.14 приведены вольт-амперные характеристики (проходные и переходные) n-канальных и p-канальных МДП-транзисторов с индуцированным и встроенным каналами. Здесь же указаны схемотехнические обозначения разных видов МДП-транзисторов. Из анализа этих вольт-амперных характеристик можно еще раз получить представление о знаках напряжений, подаваемых на затвор и сток МДП-транзисторов в активном режиме [9].

Рисунок 1.14 - Вольт-амперные характеристики n-канальных и p-канальных МДП-транзисторов с индуцированным и встроенным каналами.
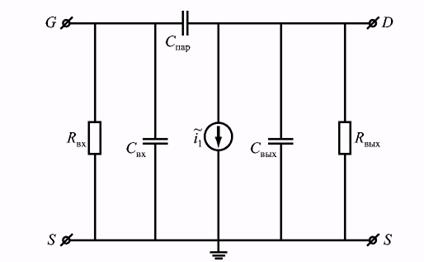
1.8 Эквивалентная схема и быстродействие МДП-транзистора
Исходя из общефизических соображений, МДП-транзистор можно изобразить в виде эквивалентной схемы, представленной на рис. 1.15. Здесь Rвх обусловлено сопротивлением подзатворного диэлектрика, входная емкость СBX - емкостью подзатворного диэлектрика и емкостью перекрытия затвор - исток. Паразитная емкость Спар обусловлена емкостью перекрытий затвор - сток. Выходное сопротивление Rвых равно сопротивлению канала транзистора и сопротивлению легированных областей истока и стока. Выходная емкость Свых определяется емкостью р-n-перехода стока. Генератор тока i1 передает эффект усиления в МДП-транзисторе [3].

Рисунок 1.15 - Простейшая эквивалентная схема МДП-транзистора
Определим быстродействие МДП-транзистора исходя из следующих соображений. Пусть на затвор МДП-транзистора, работающего в области отсечки, так что Vgs = Vds = Vпит , подано малое переменное напряжение ũ = u0 sin(ωt ).
Тогда за счет усиления в стоковой цепи потечет ток i1 , равный:
=S·ũ
(1.18)
Одновременно в канал с электрода затвора потечет паразитный ток смещения через геометрическую емкость затвора, равный:
= й2πfCOX
WL
(1.19)
С ростом частоты выходного сигнала f паразитный ток будет возрастать и может сравниваться с током канала за счет эффекта усиления. Определим граничную частоту работы МДП-транзистора f =fмакс , когда эти токи будут равны. Получаем с учетом (6.22):
(1.20)
Поскольку напряжение исток-сток VDS порядка напряжения VGS - VT , то, используя определение дрейфовой скорости
(1.21)
можно видеть, что предельная частота усиления f макс определяется временем пролета τ электронов через канал транзистора:
(1.22)
Оценим быстродействие транзистора.
Пусть величина подвижности μn = 500 см2 /(В·с),длина канала L = 10 мкм = 10-3 см, напряжение питания V пит = 10 В. Подставляя эти значения в (1.20), получаем, что максимальная частота для МДП-транзистора составляет величину порядка f макс ≈ 1 ГГц. Заметим, что собственное быстродействие транзистора обратно пропорционально квадрату длины инверсионного канала. Поэтому для повышения быстродействия необходимо переходить на субмикронные длины канала.
2 РАСЧЕТ ПАРАМЕТРОВ И ХАРАКТЕРИСТИК МДП-ТРАНЗИСТОРА НА ОСНОВЕ АРСЕНИДА ГАЛЛИЯ
2.1 Основные сведения об арсениде галлия
Арсени́д га́ллия (GaAs) — химическое соединение галлия и мышьяка. Важный полупроводник, третий по масштабам использования в промышленности после кремния и германия. Используется для создания высокочастотных интегральных схем, светодиодов, лазерных диодов, диодов Ганна, туннельных диодов и транзисторов.
Некоторые электронные свойства GaAs превосходят свойства кремния. Арсенид галлия обладает более высокой подвижностью, позволяющей работать на частотах 250 ГГц.
Также приборы на основе GaAs генерируют меньше шума, чем кремниевые устройства на той же операционной частоте. Из-за более высокого напряжения пробоя в GaAs чем в Si эти приборы могут работать при большей мощности. Эти свойства делают GaAs широко применяемым в мобильных телефонах, твердотельных лазерах, некоторых радарных системах. Полупроводниковые приборы на основе арсенида галлия имеют более высокую радиационную стойкость, чем кремниевые, что обуславливает его использование при наличии радиационного излучения (например, в солнечных батареях в космической технике).
GaAs — прямозонный полупроводник, что также является его преимуществом. GaAs может быть использован в оптических приборах: светоизлучающих диодах, твердотельных лазерах.
Сложные слоистые структуры арсенида галлия в комбинации с арсенидом алюминия (AlAs) или тройными растворами Alx Ga1-x As можно вырастить с помощью молекулярно-лучевой эпитаксии (МЛЭ). Из-за практически полного согласования постоянных решёток слои имеют малые напряжения и могут выращиваться произвольной толщины.
Основны свойства и параметры полупроводника представлены в таб. 2.1.
Таблица 2.1 - Основны параметры GaAs
| Свойства | |
| Общие | |
| Название | арсенид галлия |
| Химическая формула | GaAs |
| Внешний вид | Тёмно-серые кубические кристаллы |
| Структура | |
| Атомный вес | 144,64 ат. ед. |
| Постоянная решётки | 0,56533 нм |
| Кристаллическая структура | цинковой обманки |
| Физические | |
| Агрегатное состояние при н. у. | твёрдое |
| Точка плавления при н. у. | 1513 K |
| Электронные | |
| Ширина запрещённой зоны при 300 K | 1.424 эВ |
| Электроны, эффективная масса | 0.067 me |
| Лёгкие дырки, эффективная масса | 0.082 me |
| Тяжёлые дырки, эффективная масса | 0.45 me |
| Подвижность электронов при 300 K | 9200 см²/(В·с) |
| Подвижность дырок при 300 K | 400 см²/(В·с) |
По физическим характеристикам арсенид галлия более хрупкий материал, чем кремний. Кроме того подложки из арсенида галлия гораздо сложнее для изготовления и дороже, что ограничивает применение материала.
Токсические свойства арсенида галлия не были детально исследованы, но это вещество токсично и канцерогенно [9].
2.2 Основн ые параметры МДП-транзистора
Сox — удельная емкость подзатворного диэлектрика
IсID — ток стока
IзIG — ток затвора
IDS — ток канала исток-сток
R0 — омическое сопротивление
Ri — внутреннее сопротивление
S — крутизна характеристики
Uзи UGS — напряжение затвор-исток
Uси UDS — напряжение исток-сток
Uзс UDG — напряжение сток-затвор
UЗИ пор Uпор UGS(th) VT — пороговое напряжение
UЗИ отс Uотс UGS(off) — напряжение отсечки
Vox — падение напряжения на окисном слое
VТ — пороговое напряжение
VSS — напряжение, приложенное к подложке
μ — коэффициент усиления
2.3 Расчет параметров МДП-транзистора
Исходные данные для расчетов:
- ширина п/п структуры Zк =1500·10-4 см;
- длина канала Lk =6·10 -4 см;
- толщина оксидного слоя (изолятора затвора) d=0,16·10-4 см ;
- концентрация акцепторов в подложке Na =6·1015 см -3 ;
- поверхностная плотность зарядов Nпов =1,2·1011 см -2 ;
- толщина истока hист =4·10-4 см;
- длина истока lист =7·10-4 см;
- толщина стока hc ток =4·10-4 см;
- длина стока lсток =7·10-4 см;
- тепловое сопротивление корпуса Rt = 40 К/Вт .
Рассчитаем напряжение смыкания, В:
(2.1)
где q – заряд электрона, а jf = 0,38 В – потенциал уровня Ферми.
![]()
Найдем удельную емкость «затвор-канала», Ф:
(2.2)
где
= 4 – диэлектрическая проницаемость диоксида кремния.
![]()
Ширина обедненного слоя в канале при Uзи =0 находится по формуле:
(2.3)

Плотность заряда нескомпенсированных ионизированных атомов примеси в подложке, Кл/см2 :
(2.4)
![]()
Плотность заряда на границе диэлектрик-полупроводник, Кл/см2 :
(2.5)
![]()
Крутизна, А/В:
(2.6)
где
=0,15 м2
∙В-1
∙с-1
— подвижность электронов в канале.
![]()
Пороговое напряжение транзистора, В:
(2.7)
![]()
Коэффициент К:
(2.8)
![]()
Паразитные емкости затвора, Ф:
(2.9)
где Sз =Zk ·Lk — площадь затвора.
![]()
Сопротивление стока и истока, Ом:
(2.10)
где
— удельное сопротивление канала.
![]()
На рисунке 2.1 построено семейство передаточных характеристик транзистора для значений напряжения между стоком и истоком 1, 2, 4 В.

Рисунок 2.1 - Стоко-затворная характеристика полевого транзистора.
Семейство стоковых (выходных) характеристик МДП-транзистора с индуцированным каналом строим путём совмещения двух областей его ВАХ - триодной и области насыщения.

Рисунок 2.2 - Семействo выходных вольт-амперных характеристик полевого транзистора
ВЫВОДЫ
В ходе данной курсовой работе:
были рассмотрены свойства МДП-структури, а также типы и устройство полевых транзисторов;
рассмотрены характеристики МДП-транзистора;
определено влияние типа канала на вольт-амперные характеристики прибора;
рассмотрены основны свойства и параметры полупроводника арсенида галлия;
рассчитаны параметры и характеристики МДП-транзистора.
В результате расчетов параметров и характеристик полупроводниковых приборов были получены результаты, не противоречащие справочным данным.
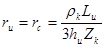
Так же были получены значения основных параметров: пороговое напряжение
, напряжение смыкания
, сопротивление стока и истока rи
=rс
=42,07 Ом. В результате построений характеристик МДП-транзистора были получены типичные вольтамперные характеристики транзистора МДП-типа с индуцированным каналом n-типа.
СПИСОК ЛИТЕРАТУРЫ
1. Ніконова З.А., Небеснюк О.Ю. Твердотіла електроніка. Конспект лекцій для студентів напрямку «Електроніка» ЗДІА/ Запоріжжя: Видавництво ЗДІА, 2002. - 99с.
2. Твердотіла електроніка. Навчальний посібник до курсового проекту для студентів ЗДІА спеціальності «Фізична та біомедична електроніка» денної та заочної форм навчання /Укл: З.А. Ніконова, О.Ю. Небеснюк,, М.О. Літвіненко, Г.А. Слюсаревська. Запоріжжя, 2005. - 40с.
3. Батушев В. А. Электронные приборы. – М. , “Высшая школа” 1980..
4. Гусев В.Г., Гусев Ю.М. Электроника – М.: Высшая школа, 1991г. - 617с.
5. Гуртов В. А. Твердотельная электроника: Учеб. пособие // В. А. Гуртов; ПетрГУ. – Петрозаводск, 2004. - 312 с.
6. Городецкий Л. Ф. Полупроводниковые приборы // Л. Ф. Городецкий,А. Ф. Кравченко, М.: Высшая школа, 1967, - 348 с.
7. Епифанов Г.И. Физические основы микроэлектроники М.: Сов. радио, 1971 г. - 376 с.
8. Ефимов И. Е., Козырь И. Я., Горбунов Ю. И. Микроэлектроника. М.: Высшая школа, 1987г. - 326 с.
9. Ефимов И.Е., Козырь И.Я. Основы микроэлектроники. - 2-е изд., перераб. и доп. - М.: Высшая школа, 1983г. - 384 с.
10. Жеребцов И.П. Основы электроники. - Энергоатомиздат, Ленинградское отд-ние, 1989г. - 352 с.
11. Зи С. Физика полупроводниковых приборов: Пер. с англ. М.: Мир, 1984. - 368 с.
12. Полупроводниковые приборы: транзисторы. Справочник. Под ред. Н. Н. Горюнова - М.: Энергоатомиздат, 1985г. - 204 с.
13. Пасынков В. В., Чиркин Л. К. Полупроводниковые приборы. М.: Высшая школа, 1987г. - 479 c.
14. Степаненко И.П. Основы микроэлектроники. - М.: Сов. радио, 1980г. - 424 с.
15. Тугов Н.М., Глебов Б.А., Чарыков Н.А. Полупроводниковые приборы. - М.: Энергоатомиздат, 1990г. - 376 с.
16. Федотов Я. А. Основы физики полупроводниковых приборов. М., “Советское радио”, 1970г. - 392 с.
17. Электроника: Энциклопедический словарь.//Гл. ред. В. Г. Колесников. М.: Советская энциклопедия, 1991. - 688 с.
Похожие рефераты:
Лекции по твердотельной электронике
Лекции - преподаватель Григорьев Владимир Калистратович
Запираемые тиристоры и полевые транзисторы
Электротехника и основы электроники
Проектирование и испытание фототранзистора
Электронные, квантовые приборы и микроэлектроника
Моделирование работы МДП-транзистора в системе MathCad
Конструкции элементов полупроводниковых микросхем на МДП-транзисторах