| Скачать .docx |
Курсовая работа: Разработка электронных часов
МИНИСТЕРСТВО ОБРАЗОВАНИЯ И НАУКИ УКРАИНИ
Национальный университет кораблестроения
КУРСОВАЯ РАБОТАИЗ КУРСА
МИКРОПРОЦЕССОРНАЯ ТЕХНИКА
СПЕЦИАЛЬНОСТЬ 8.090604
РАЗРАБОТКА ЭЛЕКТРОННЫХ ЧАСОВ
Разработал студент группы: 3311
Цолин Павел Леонидович
Пасниченко Андрей Валентинович
Руководитель проекта:
Рябенький Владимир Михайлович
НИКОЛАЕВ 2006
Содержание
Введение
1. Описание работы электронных часов
2. Описание микроконтроллера АТTiny2313 фирмы Atmel
3. Принципиальная схема
4. Используемые компоненты
Вывод
Используемая литература
Введение
Проект создан на основе знаний, приобретенных из курса лекций: микропроцессорная техника. Разработка электронных часов производилась на протяжении учебного процесса.
В работе был использован микроконтроллер АТTiny2313, индикация – светодиодные индикаторы DS-A552A.
1. Описание работы часов
При подачи питания на схему, кнопками регулирования настраиваем семисегментные индикаторы, которые регулируются микроконтроллером ATTiny2313.
2. Описание микроконтроллера АТ Tiny 2313 фирмы Atmel
ATTiny2313 — современный 8-битовый КМОП-микроконтроллер. ATTiny2313 имеет производительность около 1 MIPS на мегагерц за счет того, что почти все команды он выполняет за один период тактового генератора.
Микроконтроллеры семейства AVR построены на основе расширенной RISC-архитектуры, объединяющей развитый набор команд и 32 регистра общего назначения. Все 32 регистра непосредственно подключены к арифметико-логическому устройству (АЛУ), что дает доступ к любым двум регистрам в течение одного машинного цикла. Подобная архитектура обеспечивает почти десятикратный выигрыш в производительности по сравнению с традиционными микроконтроллерами, например, серии 8051.
Микроконтроллер ATTiny2313 имеет следующие характеристики:2 Кб загружаемой флэш-памяти; 128 байтов EEPROM; 15 линий ввода/вывода общего назначения; 32 рабочих регистра; два таймера/счетчика, один 8-разрядный, другой 16-разрядный; внешние и внутренние прерывания; встроенный последовательный порт; программируемый сторожевой таймер со встроенным генератором; последовательный порт SPI для загрузки программ; два выбираемых программно режима низкого энергопотребления.
Флэш-память на кристалле может быть перепрограммирована прямо в системе через последовательный интерфейс SPI.
Описание выводов
VCC — вывод источника питания.
GND — общий провод («земля»).
PORT В (РВ7...РВО ) — порт В является 8-битовым двунаправленным параллельным портом ввода/вывода с встроенными подтягивающими резисторами. У выводов порта предусмотрены внутренние подтягивающие резисторы (их можно включать или выключать для каждого бита отдельно). Выводы РВО и РВ1 также являются положительным (AINO) и отрицательным (AIN1) входами встроенного аналогового компаратора. Выходные буферы порта В могут поглощать ток до 20 мА и непосредственно управлять светодиодными индикаторами. Это означает, что микроконтроллер способен управлять нагрузкой до 20 мА при состоянии логического 0 на выходе порта. Таким образом, для управления светодиодом его следует подсоединить одним выводом к выводу порта микроконтроллера, а другим — к напряжению питания Vcc. Соответственно светиться светодиод (а значит, и потреблять ток) будет при значении 0 на соответствующей линии порта. Если выводы РВО...РВ7 используются как входы и извне устанавливаются в низкое состояние, они являются источниками тока, если включены внутренние подтягивающие резисторы. Кроме того, порт В обслуживает некоторые специальные функции, которые будут описаны ниже.
PORT D ( PD 6... PDO ) — порт D является 7-битовым двунаправленным параллельным портом ввода/вывода с встроенными подтягивающими резисторами. Выходные буферы порта D также могут поглощать ток до 20 мА. Как входы, установленные в низкое состояние, выводы порта D являются источникамитока, если задействованы подтягивающие резисторы. Кроме того, порт D обслуживает некоторые специальные функции, которые будут описаны ниже.
RESET — вход сброса. Удержание на входе низкого уровня в течение двух машинных циклов (если работает тактовый генератор), перезапускает микроконтроллер.
XTAL 1 — вход инвертирующего усилителя генератора и вход внешнего тактового сигнала.
XTAL 2 — выход инвертирующего усилителя генератора.
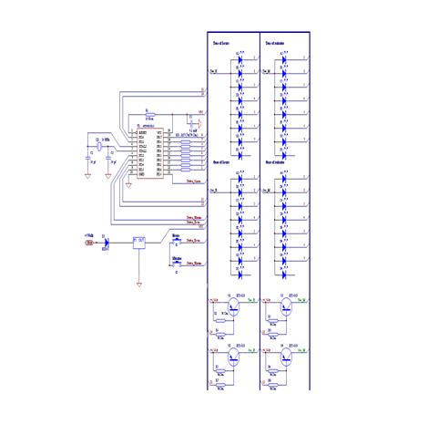
3. Принципиальная схема

Рис.1.1 (принципиальная схема электронных часов)
4. Используемые компоненты
D1 – диод 1N4007.
CPU – микроконтроллер ATTiny2313 – 20PU.
PSL – разьём программирования.
R – SMD-резисторы номиналом: 1кОм, 140Ом.
С – SMD-конденсаторы номиналом: 33pkF.
DS- A552A-семисегментные индикаторы.
DIP20- панельки под микро контроллер.
DIP14- панельки под индикаторы.
Стабилизатор 7805 1,5А.
Кнопки.
Кварц на 10MГц.
Вывод
В ходе выполнения курсовой работы мы приобрели навыки разработки печатной платы и практического её применения (подготовка тексталита, нанесение дорожек на тексталит, травление платы в кислоте), пайка элементов на плату. Освоили начальные знания работы в среде Sprint-Layout 3.0 R, также ознакомился с принципами программирования и прошивки микроконтроллера. Убедились, что данный курсовой проект функционален и пригоден к эксплуатации.
Используемая литература
1. “Микроконтроллеры AVR: от простого к сложному”; Голубцов М.С., Кириченко А.В., Москва, 2004г
2. http://www.cxem.net/mc/mc8.php