| Скачать .docx |
Реферат: Теория электрических цепей
МИНИСТЕРСТВО НАУКИ И ОБРАЗОВАНИЯ
РЕСПУБЛИКИ КАЗАХСТАН
Казахско-Американский Университет
МЕТОДИЧЕСКИЕ УКАЗАНИЯ
к выполнению курсовых работ по дисциплине
“ТЕОРИЯ ЭЛЕКТРИЧЕСКИХ ЦЕПЕЙ”
для студентов факультета «Телекоммуникации»
АЛМА-АТА 2001
УДК 621.3
Джурунтаев Дж. З., Айгараева Г.А.
Методические указания к курсовой работе по дисциплине «Теория электрических цепей» – Алма-Ата: КАУ, 2001г., с. 1 - 26
В методических указаниях рассмотрены этапы выполнения курсовой работы, изложено содержание пояснительной записки и графической части и даны требования к их оформлению. Приведена методика «ручного» и автоматизированного составления уравнений состояния нелинейных электрических цепей и их расчета.
Методические указания предназначены для студентов очного и заочного отделений специальностей: 3805 - Радиосвязь, радиовещание и телевидение (РРТ); 3804 - Автоматическая электросвязь(АЭС); 3802 - Многоканальные телекоммуникационные системы (МТС) факультета «Телекоммуникации».
Рецензенты:
Зав. кафедрой «Информатика» Университета «Кайнар»
д.т.н., профессор И.Т. Утепбергенов
Казахско-Американский университет, 2001г.
Приложение 2
Факультет «Телекоммуникация»
задание на курсовую работу
Тема (задание) _______________________________________________
_______________________________________________
1. Расчетная часть ____________________________________________
______________________________________________________________
____________________________________________________________________________________________________________________________
2. Графическая часть __________________________________________
__________________________________________________________________________________________________________________________________________________________________________________________
Руководитель:_________________________________________________
Дата выдачи _________________ Дата окончания ___________________
Литература ____________________________________________________
________________________________________________________________________________________________________________________________________________________________________________________________________________________________________________________
Приложение 1
МИНИСТЕРСТВО ОБРАЗОВАНИЯ И НАУКИ
Казахско-Американский Университет
Факультет __________________________________
ПОЯСНИТЕЛЬНАЯ ЗАПИСКА
к курсовой работе по дисциплине «Теория электрических цепей»
на тему: _________________________________________________
__________________________________________________________
Руководитель: _____________________
(должность, ученая степень, звание)
_____________________
Ф.И.О.
«___» ___________2001г
Студент __________________________
группа __________________________
«___» ________________2001г
Алма-Ата, 2001г
1. Цель и задачи курсовой работы
Курсовая работа по дисциплине «Теория электрических цепей» является самостоятельной работой студента и выполняется на _______ семестре обучения. Срок выдачи задания на первой неделе, защита курсовой работы на 16-й неделе. Ориентировочные затраты времени на выполнение работы составляют _____ часов.
Курсовая работа предназначена для активизации учебного процесса, имеет целью:
- закрепить и расширить теоретические знания и применить их при расчете переходных процессов в нелинейных электрических цепях (ЭЦ);
- проверить степень подготовленности студентов самостоятельно и творчески решать проблемы формализации составления уравнений состояния ЭЦ и выбора методов их решения;
- развивать практические навыки ведения экспериментальных исследований при решении задач анализа и расчета нелинейных ЭЦ на компьютере.
Этапы над курсовой работой включают:
- ознакомление с литературой;
- выбор методов формирования уравнений переходных процессов и их расчета;
- составление уравнений переходных процессов для заданного варианта электрической цепи;
- описание топологии, параметров компонентов и режимных параметров анализируемой ЭЦ;
- расчет переходных процессов в ЭЦ (динамического режима ее работы) на компьютере;
- проведение исследований по улучшению той или иной характеристики (например, надежности, быстродействия и т. д.) электрической цепи;
- оформление пояснительной записки и выполнение графической части курсовой работы.
2. Содержание пояснительной записки курсовой работы
Пояснительная записка начинается с титульного листа (приложение 1) и включает:
1) Задание на курсовую работу;
2) Содержание (оглавление);
3) Введение (1-2)
4) Теоретическая часть (9-11)
5) Экспериментальная часть (3-4)
6) Заключение
7) Список литературы.
В скобках указаны ориентировочные объемы разделов в страницах.
2.1. Пояснение содержания пояснительной записки.
¨ На бланке задания указываются название темы – название электрической цепи (или номер варианта задания), подлежащей к расчету.
¨ В оглавлении указываются названия разделов и номера страниц, соответствующие началам разделов.
¨ Во введении кратко рассматривается общенаучное значение теории электрических цепей (ТЭЦ) для изучения электромагнитных явлений и их практического приложения. Описываются связи ТЭЦ с соответствующими разделами математики и физики, а также с различными электротехническими дисциплинами, в том числе связи со специальными дисциплинами, в которых рассматриваются проблемы передачи и распределения энергии и информации в сложных электрических и информационных сетях.
Подчеркивается важность применения компьютеров для расчета линейных и нелинейных электрических цепей и их влияние на выбор методов расчета переходных процессов и развитие теории электрических цепей в целом.
¨ В разделе «Теоретическая часть» больше внимания уделяется методам расчета переходных процессов в линейных электрических цепях. Рассматриваются наиболее распространенные методы формирования и решения уравнений переходных процессов в нелинейных электрических цепях, даются сравнительная (качественная) оценка и особенности их применения.
Для заданного варианта электрической цепи составляются дифференциальные уравнения, характеризующие энергетическое состояние электрической цепи. Описывается методика получения этих
Список литературы
1. Зевеке Г.В., Ионкин П.А., Нетушил А.В., Срахов С.В. Основы теории цепей. - М.: Энергоатомиздат, 1989г., 528с.
2. Ерылов В.В., Корсаков С.Я. Основы теории цепей. - М.: Высшая школа. 1990г., 224с.
3. Матханов П.Н. Основы анализа электрических цепей. Линейные цепи. - М.: Высшая школа, 1981г., 333с.
4. Шебес М.Р. Задачник по теории линейных электрических цепей. - М.: Высшая школа, 1982г. 488с.
5. Демирчан К.С., Бутырин П.А. Моделирование и машинный расчет электрических цепей. - М.: Высшая школа, 1988г., 335с.
6. Норенков И.П., Маничев В.Б. Системы автоматизированного проектирования электронной и вычислительной аппаратуры. - М.: Высшая школа. 1983г., 272с.
7. Чуа Л.О., Пен-Мин Лин. Машинный анализ электронных схем. – М.: Энергия, 1980г., 640с.
8. Прянишников В.А. Теоретические основы электротехники. – СП ”Корона принт”,2001г.
9. СТП 164-08-98 Работы учебные. Общие требования к оформлению текстового и графического материала. – Алма-Ата: КазНТУ, 1998г.
10. Справочник. Разработка и оформление конструкторских документаций РЭА под ред. Романичева Э.Т. – М.: Радио и связь, 1989г.
11. Общие правила выполнения чертежей ЕСКД. – М.: Издательство стандартов, 1984г. с – 240.

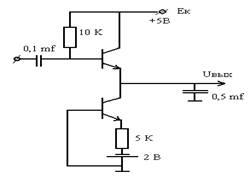
Вариант 8
![]() |
Вариант 9
![]() |
Вариант 10
уравнений с использованием выбранного метода и отдельных понятий теории графов.
Рассматриваются вопросы формализации составления и численного решения дифференциальных уравнений переходных процессов в электрических цепях. В этой связи дается методика описания топологии, параметров компонентов и режимных параметров заданной электрической цепи, т. е. методика подготовки исходных данных электрической цепи, необходимых для ее расчета на компьютере с использованием автоматизированной программы анализа.
¨ В экспериментальной части приводятся результаты численного решения дифференциальных уравнений (интегральные кривые – кривые напряжений) переходных процессов в рассматриваемой электрической цепи (ЭЦ) и дается описание результатов расчета ЭЦ и исследования (моделирования) ее работы с помощью компьютера. Результаты расчета электрической цепи приводятся в виде графиков: временных диаграмм и передаточных характеристик. По ним дается описание принципов работы анализируемой электрической цепи.
¨ В заключение пояснительной записки студентом подводится итог проделанной работы. Подчеркивается соответствие выполненной работы техническому заданию. По полученным результатам компьютерного расчета переходных процессов, т.е. по формам кривых напряжений и передаточной характеристики делаются соответствующие выводы о качестве функционирования электрической цепи в динамическом режиме.
¨ В разделе «Литература» приводится перечень литературы с обязательным указанием аспектов библиографической части:
1) фамилия, инициалы авторов;
2) название первоисточника;
3) издательство;
4) год издания;
5) количество страниц (для книг)
На каждый литературный источник должна быть по крайней мере одна ссылка в тексте пояснительной записки при ссылке на источник его порядковый номер по списку помещается в квадратных скобках в соответствующем месте текста записки.
Пояснительная записка к курсовой работе выполняется строго в соответствии с требованиями к оформлению текстового и графического материалов.
Объем пояснительной записки должен составлять 15-17 страниц формата А4 в зависимости от оформления пояснительной записки из расчета 42 строки по 62…65 символов в строке (шрифт 12…14) при наборе текста на ПК. Пояснительную записку допускается выполнять от руки (черной или синей пастой, чернилами). С левой стороны листа оставляется поле шириной 25-30 мм, с правой – 15 мм, а сверху и снизу – по 20 мм. Текст пояснительной записки должен быть написан разборчиво, чисто, аккуратно и грамотно. Следует помнить, что формулы и результаты вычислений (расчета) должны входить в текст только составной частью предложений. В тексте не допускаются сокращения (кроме «т.е.» и «и.т.д.») и должны использоваться общепринятые технические термины и определения. Любое буквенное выражение, впервые применяемое в тексте, должно быть расшифровано.
Текст пояснительной записки, состоящий из отдельных разделов (глав) и параграфов, должен иметь сквозную нумерацию страниц, рисунков и таблиц. Каждый раздел следует начинать с новой страницы.
В пояснительной записке вместе с описаниями методов расчета электрической цепи даются также необходимые рисунки в виде электрической цепи, ее эквивалентной схемы и графиков. На каждый рисунок должна быть по крайней мере одна ссылка в тексте записки. Рисунки должны быть выполнены в карандаше (или тушью) аккуратно и чисто
3. Содержание графической части курсовой работы
Графическая часть выполняется черным карандашом (или тушью), либо с применением средств вывода на ПК. Графическая часть выполняется на листах формата А4 (или А3 по необходимости) и включает 4-5 чертежей:
- принципиальную схему электрической цепи;
- эквивалентную схему электрической цепи;
- граф эквивалентной схемы;
- временную диаграмму;
- передаточную характеристику.
Каждый чертеж имеет рамку и штамп (стандартный), расположенный в нижнем правом углу. Для компонентов электрической цепи на чертежах

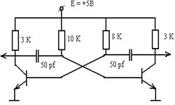
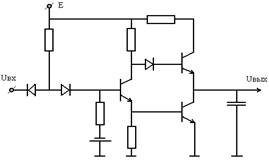
Вариант 5

Вариант 6
![]() |
Вариант 7

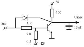
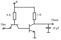
Вариант 2
![]() |
Вариант 3
![]() |
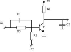
Вариант 4
указываются их условно-графические обозначения со своими размерами (в масштабе).
Эквивалентная схема электрической цепи получается путем замены в ней транзисторов и диодов их моделями (схемами замещения).
Временная диаграмма поясняет логику работы анализируемой электрической цепи в динамическом режиме. Она позволяет определить значения токов и напряжений любого элемента электрической цепи в произвольный момент времени.
4. Порядок защиты
Полностью выполненная курсовая работа представляется руководителю для окончательной проверки. До защиты курсовой работы пояснительная записка и ее графическая часть должны быть подписаны руководителем и студентом. При защите курсовой работы на изложение его сущности студенту представляется 6-8 минут.
В своем докладе студент должен четко сформулировать поставленную перед ним задачу, произвести сравнительную оценку наиболее известных методов расчета нелинейных электрических целей и обосновать оригинальность решений, принятых в ходе выполнения курсовой работы, а также анализировать особенности функционирования электрической цепи по полученным результатам расчета.
При оценке выполненной курсовой работы учитываются:
- степень творчества при выполнении курсовой работы и оригинальность принятых решений;
- качество выполнения пояснительной записки и графических материалов;
- содержательность и доходчивость доклада на защите курсовой работы;
- правильность и полнота ответов студента на поставленные вопросы;
- активность студента в период выполнения курсовой работы (планомерность выполнения графика работ, посещение консультаций и т.д)
5. Теоретическая часть
Теория электрических цепей (ТЭЦ) является общенаучной основой широкого круга технических дисциплин. В рамках ТЭЦ разрабатываются основополагающие для прикладных дисциплин методы описания электромагнитных явлений в электрических цепях и построения математических моделей процессов в них.
Тесная связь ТЭЦ не только с соответствующими разделами математики и физики, но и со специальными дисциплинами предопределяет такие развития теории, при котором приобретает важные значения ее направленность на решении новых прикладных задач, в первую очередь задач, связанных с проблемами передачи и распределения энергии и информации в сложных электрических и информационных сетях.
На развитие ТЭЦ и выбор математических методов расчета электрических цепей оказывает существенное влияние применение ЭВМ. Возможности современных ЭВМ позволяют рассчитывать переходные процессы в сложных электрических цепях. Для оптимальной реализации возможности ЭВМ потребовалось по-новому рассмотреть и процедуру формирования уравнений относительно искомых, подлежащих определению токов и напряжений, а также методы решения этих уравнений.
В качестве искомых величин для расчета переходных процессов в электрических цепях выбирают токи индуктивных катушек и напряжения конденсаторов. Такие переменные в ТЭЦ называют переменными состояния электрической цепи, а метод формирования дифференциальных уравнений, характеризующих энергетическое состояние электрической цепи называют методом переменных состояния.
При автоматизации расчета электрических цепей для формирования уравнений переходных процессов наиболее широко применяют методы узловых потенциалов и переменных состояния. В связи с этим при расчете электрических цепей используют две формы представления уравнений переходных процессов, называемых математическими моделями (ММ) электрической цепи.
В первом случае ММ представляется в нормальной форме Коши системы обыкновенных дифференциальных уравнений (ОДУ)
V = F (v , t) , (1)
где V- вектор базисных координат; F(v,t)- вектор - функция правых частей.
поиска, обнаружения и устранения НРВ, а также указания метода (алгоритма) программа запускается на расчет и начинается процесс моделирования путем численного интегрирования дифференциальных уравнений математической модели схемы (ММС).
Результаты решения уравнений ММС получаются в виде интегральных кривых напряжений (временных диаграмм изменений напряжений), представляющих картину переходных процессов в анализируемой схеме.
6. Задания к курсовой работе
Для выбранного варианта электрической схемы (цепи):
1. построить эквивалентную схему (ЭС), при этом нелинейные элементы (диоды, транзисторы) заменить их моделями (рис.2);
2. построить граф ЭС и М-матрицу контуров и сечений;
3. составить топологические уравнения по законам Кирхгофа и систему обыкновенных дифференциальных уравнений в нормальной форме Коши;
4. составить описание топологии ЭС, параметров компонентов и режимных параметров для расчета схемы на ЭВМ;
5. выполнить расчет токов ветвей заданного варианта схемы в статическом режиме;
6. выполнить расчет переходных процессов и построить временную диаграмму работы схемы с помощью программы анализа;
7. сделать выводы по полученным результатам расчета и описать работу схемы.

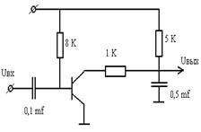
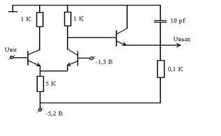
Вариант 1
TSAD = 30
TIMP = 40
KFRONTF = 1.0
KBACKF = 1.0
LEVEL0 = 0.7
LEVEL1 = 1.7
где TSAD – время задержки начало импульса:
TIMP – длительность импульса; LEVEL0 и LEVEL1 – напряжения, соответствующие логическому 0 и логической 1; KFRONTF и KBACKF – коэффициенты, определяющие длительности(тангенс угла наклона ) переднего и заднего фронтов входного импульса.
Режимные параметры имеют следующие значения:
M1 = 0.01
M2 = 0.001
TK = 100
HP = 2
где M1 и M2 – коэффициенты для автоматического определения шага интегрирования; ТК – конечный отрезок интегрирования, устанавливаемый в соответствии с реальной длительностью переходных процессов, протекающих в схеме; НР – шаг вывода на печать результатов расчета переходных процессов.
В программе предусмотрен вывод графиков изменения напряжений и токов ребер и хорд, в том числе напряжений на входах и выходах. В данном примере в качестве значений параметра вывода выходных сигналов SHOWUR перечислены число и номера ребер, напряжения на которых выводятся на печать, т.е. SHOWUR = 4 3 4 19 20.
так как напряжения на хордах не выводятся на печать, параметр SHOWUH=0.
Значения параметров GRAPH=1 PEREDAT=1 позволяют осуществить графический вывод и построить передаточную характеристику.
Поскольку схема ЭСЛ управляется сигналами отрицательной полярности параметр IC=1.
Описание топологии схемы вводится (считывается), а затем после синтаксического контроля проверки на отсутствие неправильно размещенных ветвей (НРВ) и автоматической коррекции структуры схемы:
Алгоритм решения системы (1) включает на очередном шаге интегрирования следующие основные процедуры:
вычисление вектора –функции F(Vk-1, tk-1); определение величины шага hk; вычисление Vk согласно методу Эйлера по формуле Vk = Vk-1 + hk *F(Vk-1 ,tk-1 ) и определение нового значения времени интегрирования tk = tk-1 +hk .
Вторая форма представления ММ электрической цепи связана с использованием метода узловых потенциалов, неявных формул численного интегрирования, алгебраизацией системы ОДУ и решением ее методом Ньютона.
Нормальная форма Коши системы ОДУ удобна для применения явных методов численного интегрирования. Для ее решения также могут быть использованы и неявные методы численного интегрирования. В этом отношении метод переменных состояния, который позволяет получить ММ электрической цепи в форме (1), является более универсальным и перспективным для использования в программах с открытыми библиотеками численных методов решения уравнений и с открытыми библиотеками моделей элементов (так как в методе переменных состояния не требуется предварительная алгебраизация компонентных уравнений и, следовательно, методы формирования и решения уравнений могут рассматриваться независимо друг от друга).
Далее рассмотрим вопросы описания цепей и формирование уравнений переходных процессов в электрических цепях методом переменных состояния.
Уравнения переходных процессов- математические модели электрических цепей включают в себя уравнения компонентные и топологические.
Компонентные уравнения описывают электрические свойства компонентов ( элементов) цепи. Для линейных двухполюсников (резистора, конденсатора и катушки индуктивности) эти уравнения имеют следующий вид:
Ur = Ir * R , Ic =C * DUc/ dt и Ul = L * DIl /dt,
где R,C и L- сопротивление, емкость и индуктивность; U и I -напряжение и ток в компоненте, причем индекс характеризует принадлежность переменной компоненту определенного типа.
Сложные компоненты (например, диоды, транзисторы и т.д.) имеют модели из нескольких уравнений. Обычно эти уравнения составляются на основании эквивалентных схем замещения сложных компонентов, состоящих из двухполюсных элементов линейных и нелинейных. Нелинейные безынерционные двухполюсники в эквивалентных схемах чаще всего описываются зависимыми источниками тока I = F1 (U) или напряжения U =F2 (I) . Инерционные нелинейные двухполюсники описываются зависимыми емкостями, индуктивностями или источниками. Уравнения этих элементов связывают не только токи и напряжения, но и производные по времени некоторых из этих величин. Получение компонентных уравнений или соответствующих им эквивалентных схем - самостоятельная задача моделирования элементов электрических цепей [6;7].
Топологические уравнения отражают связи между компонентами (элементами) электрической цепи и составляются на основании законов Кирхгофа. В методах получения уравнений важное значение имеет так называемая М-матрица – матрица контуров и сечений. Эта матрица содержит в себе полную информацию о структуре эквивалентной схемы (ЭС) рассматриваемой электрической цепи. Строки М-матрицы в закодированном виде отображают уравнения закона напряжений Кирхгофа для выбранных контуров схемы, а столбцы М-матрицы – уравнения закона токов Кирхгофа для сечения схемы. Целью построения М-матрицы является упрощение процедуры формирования математической модели ЭС электрической цепи.
При построении М-матрицы используют некоторые понятия теории графов. Граф также как и эквивалентная схема электрической цепи содержит ветви и узлы (называемые вершинами). Ветви графа, соответствующие двухполюсным ветвям эквивалентной схемы представляют собой линии произвольной длины и формы. Вершины графа соответствуют узлам эквивалентной схемы.
Важным понятием теории графа является дерево графа, под которым понимают совокупность β-1 ветвей, соединяющих все узлы, не образующих ни одного контура. Ветви дерева называют ребрами, а ветви графа, не вошедшие в дерево - хордами, связями. В любом графе можно выделить более чем одного дерево. Процесс построение М - матрицы, следовательно, получение ММ в методе переменных состояния начинается с построения нормального дерева, в которое в ветви графа включаются со следующим приоритетом: сначала ветви источников ЭДС Е, затем ветви С и далее ветви R и L. Ветви источников токов J не включаются в нормальное дерево. Построение нормального дерева графа приводит к разбиению множества ветвей схемы В на подмножества ребер Р и хорд Х. При этом определяются контуры и сечения эквивалентной схемы, для которых составляются уравнения по законам
TR=
T1 0 3 6 7
T2 0 4 6 7
T3 0 5 6 8
T4 0 10 5 0
T5 0 8 9 0
T6 0 7 11 0
D1 0 12 13 12
D2 0 13 1 13
В массиве U= указаны начальные и конечные узлы, между которыми включены двухполюсные ветви схемы: источники напряжения, емкости и резисторы. В массиве TR= перечислены узлы подключения транзисторов в следующей последовательности: база, эмиттер и коллектор. Диод представлен как транзистор, у которого коллектор и база закорочены. В первом столбце массива TR= указаны нули (“0”), которые указывают на то, что в схеме ЭСЛ используются транзисторы n-p-n-типа.
Предполагается, что все транзисторы проводимости n-p-n-типа имеют одинаковую физическую структуру и при моделировании для них используются модифицированные модели Эберса-Молла.
![]() |
Для параметров входного импульса напряжения с начальным значением Е4=-1.7В указаны следующие числовые значения:
IMPULSE = 1
После коррекции дерева на экран будет выдана топологическая матрица контуров и сечений. После нажатия клавиши (любой) будет проведен расчет напряжений в схеме и результат анализа выдан в табличной или графической форме (в зависимости от выбранного режима), а также построена передаточная характеристика. Для остановки процесса вычислений необходимо нажать любую клавишу. Нажатие клавиши Enter приведет к возврату в операционную систему
5.2. П ример подготовки данных для расчета схем на компьютере
Рассмотрим методику подготовки и описания данных для расчета тестовой схемы на компьютере с помощью программы анализа. На рис.3, на котором в качестве тестовой схемы приведена ЭСЛ схема, указаны номера узлов и направление токов, принятые за положительные. Предполагается выводить значения напряжений на входах и выходах схемы.
Описание топологии схемы ЭСЛ (рис.3) имеет следующий вид:
СТ=6 {количество транзисторов}
CD=2 {количество диодов}
CE=4 {количество источников напряжений}
CC=2 {количество емкостей}
CR=8 {количество резисторов}
CU=14 {количество узлов в схеме}
CV=14 {количество ветвей в схеме}
U=
E1 1 0
E2 2 0
E3 3 0
E4 4 0
C1 0 9
C2 0 11
R1 0 10
R2 10 12
R3 5 1
R4 6 1
R5 0 7
R6 0 8
R7 13 2
R8 11 2
Кирхгофа. Количество таких контуров равно количеству хорд nx . , а количество сечений - количеству ребер np . При присоединении каждой i-й хорды к дереву получаем i-й контур, называемый контуром i-й хорды.
Сечением j-о ребра называют совокупность ветвей, пересекаемых замкнутой линией (линией сечения) при выполнении следующих условий: 1) любая ветвь может пересекаться не более одного раза; 2) в сечение должно входить единственное j-е ребро. Такие сечения называют главными сечениями.
Рассмотрим нелинейную электрическую цепь, показанную на рис.1а. Эквивалентная схема (ЭС) этой цепи, в которой нелинейный многополюсник - транзистор представлен упрощенной схемой замещения - моделью (рис.2), дана на рис.1б. На рис.1в представлен направленный граф ЭС нелинейной цепи, где стрелками показаны выбранные положительные направления токов, узлы пронумерованы от 1 до 8. Следует отметить, что направления токов в ветвях модели транзистора выбираются в соответствии с типом его проводимости, как показано на рис.2. Для остальных ветвей ЭС электрической цепи токи могут иметь произвольные направления. Нужно помнить , что если в процессе расчета ток какой-либо ветви примет отрицательные значения, то это означает несовпадение реального тока с принятым положительным направлением . Положительное значение какой-либо ветви говорит о том, что направление тока в ветви выбрано правильно.
а)


б)

в)
Рис.1. Нелинейная электрическая цепь а), ее эквивалентная схема (ЭС) б), и граф ЭС в).
Рис.2 Эквивалентные схемы диода и транзистора.
В описании режимных параметров также указываются следующие параметры:
М1 и М2 – константы, необходимые для автоматического выбора шага интегрирования; ТК - длительность переходных процессов, т.е. конечный отрезок времени интегрирования;
НР – шаг печати выходных напряжений и токов.
Выводимые на печать напряжения на ребрах (емкостях и входных напряжений) и хордах (резисторах) и их количество указываются в массиве SHOWUR и SHOWUH, соответственно.
Результаты анализа схемы могут быть выданы на печать в графическом (параметр GRAPH = 1 или по умолчанию) или табличном виде (GRAPH = 0). Кроме того, по результатам расчета схемы предусмотрено построение передаточной характеристики (параметр PEREDAT = 1).
Для случая расчета схем, типа ЭСЛ, управляемых сигналами отрицательной полярности в файле исходных данных предусмотрен параметр Ic, который принимается равным единице. Если на вход схемы подается импульс положительной полярности (как в случае ТТЛ-схемы), то параметр Ic (по умолчанию) принимает значение, равное 0.
В программе реализованы два метода алгоритма решения уравнений ММС. Выбор метода решения уравнений ММС осуществляется параметром Method, который принимается равным 1 или 2 (по умолчанию). Цифра 2 соответствует ускоренному алгоритму решения уравнений ММС.
И, наконец, в файле данных указывается параметр CheckOnly, который используется для автоматической (CheckOnly =0, по умолчанию) коррекции структуры схемы, т.е. автоматического поиска, обнаружения и устранения неправильно размещенных ветвей. Когда эти процедуры выполняются вручную, параметр CheckOnly = 1
Для выполнения работы по расчету напряжений в схеме необходимо запустить программу анализа:
Circnew.exe data.shm,
где data.shm – имя файла исходных данных, анализируемой схемы. После этого на экран будут выданы исходные данные (основные и дополнительные) этого файла. Далее будет осуществляться в автоматическом режиме коррекции дерева схемы от неправильных размещений. Если предусмотрен ручной режим коррекции дерева, то в случае наличия в схеме неправильных размещений программа прекратит работу, и необходимо устранить их вручную.
далее последовательно перечисляются транзисторы в следующей форме:
t Б Э К,
где t- тип транзистора, например для транзистора с приводимостью p-n-p –типа t=1 , а для транзистора n-p-n-типа t=0; Б,Э и К – номера узлов в анализируемой схеме, к которому подключены соответственно база , эмиттер и коллектор транзистора.
После описания всех транзисторов идет перечисление диодов, которые описываются также как и транзисторы, но с закороченными коллекторными p-n-переходами , т.е. следующим образом:
0 а К,
где а - номер узла в схеме, к которому подключен анод; К- номер узла схемы, к которому подключен катод диода. Диоды перечисляются непосредственно за транзисторами под общим “заголовком” TR= .
Для транзисторов и диодов используются модели, являющиеся модификациями модели Эберса-Молла. Численное значения параметров моделей транзисторов и диодов считываются из библиотеки моделей программы анализа при ее запуске на решение ММ схемы.
Далее идут численные значения емкостей Ci , сопротивлений Rj и напряжений источников питания и входных сигналов Ek;
C=C1C2C3…Cm(i=1…m);
R=R1R2R3…R1 (j=1..1 );
E=E1E2E3…Ep (k=1..p),
где Ci, Rj и Ek –значения , емкостей, сопротивлений и напряжений, количество которых в схеме равно m,l и р, соответственно. При этом единицы измерений емкостей, сопротивлений и напряжений следующие: пикофарада, килоОм и вольт, соответственно.
Далее следуют режимные параметры. Это параметры для случая анализа переходных процессов (динамического режима схемы), когда на вход подается импульс трапецеидальной формы. В этом случае параметр IMPULSE=1. Если анализируется статистический режим работы схемы, то параметр IMPULSE=0(по умолчанию), тогда игнорируются все параметры входного импульса:
TSAD- задержки переднего фронта (начало) импульса;
TIMP- длительность импульса
KFRONTF и KBACKF- коэффиц-ты для определения длительностей (тангенсов угла наклона) переднего и заднего фронтов импульса;
LEVEL0 и LEVEL1- нулевой и единичный уровни напряжения входного сигнала.
В графе (рис. 1в) кривыми линиями выделены ребра (ветви дерева), а прямыми - хорды. При этом в дерево графа включены все ветви источников ЭДС и ветви емкостные, которые образуют множество ребер : P={E1 ,E2 ,E3 ,C1 ,C2 ,C3 ,C4 }. Ветви, не включенные в нормальное дерево графа отнесены в подмножество хорд: X={R1 ,R2 ,R3 ,R4 ,R5 }. Выбором нормального дерева определены контуры и сечения ЭС электрической цепи, для которых составляется топологические уравнения по законам Кирхгофа, которые имеют вид
Ux = -MUp и Ip= Mt Ix , (2)
где Ux и Ix - напряжения и токи хорд; Up и Ip - то же, для ветвей дерева - ребер; Mt - транспонированная M-матрица. Строки М-матрицы соответствуют хордам, а столбцы - ребрам. Для определения значений элементов М-матрицы к дереву графа поочередно подключают каждую i-ю хорду. При этом образуется i-й контур, называемый контуром i-й хорды. В строке i-й хорды записывают плюс или минус единицы в тех столбцах, которым соответствуют ребра, входящие в контур i-й хорды. Если направления токов в ребре и i-й хорды совпадают, тогда элемент М-матрицы, расположенный на этом пересечении принимает значение плюс 1, иначе –минус 1. Остальные элементы М-матрицы в строке i-й хорды равны 0. М-матрица и топологические уравнения в развернутом виде, составленные по законам Кирхгофа для ЭС, (рис. 1б), имеют следующий вид:
М- матрица
| E1 | E2 | E3 | C1 | C2 | C3 | C4 |
| R1 | -1 | |||||
| R2 | 1 | 1 | 1 | |||
| R3 | 1 | 1 | 1 | |||
| R4 | 1 | 1 | 1 | |||
| R5 | 1 | -1 | 1 |
![]() |
Далее заменяя токи Iсj на Cj *dUcj /dt можно получить систему ОДУ в нормальной форме.
Таким образом, расчет переходных процессов электрических цепей методом переменных состояния предполагает:
1) составление по законам Кирхгофа и уравнениям отдельных элементов цепей единой системы дифференциальных уравнений - уравнений переходных процессов, называемых математическими моделями (ММ) электрических цепей;
2) аппроксимацию этих уравнений на каждом шаге расчета разностными уравнениями;
3) численное решение полученных систем разностных уравнений.
Такая последовательность расчета эффективна для цепей невысокой размерности с преимущественно линейными двухполюсными элементами. С ростом сложности цепей ручное формирование уравнений состояния (переходных процессов) исключается и вопрос эффективности автоматического создания этих уравнений начинает играть не меньшую роль, чем вопрос последующего их решения.
Далее рассмотрим вопросы автоматического составления и расчета уравнений ММ электрических цепей.
5.1. Методика описания топологии электрических цепей для расчета их на компьютере.
Для расчета и анализа электрической цепи на компьютере требуется описание ее топологии, т. е. межкомпонентных связей, описание параметров и режимных параметров. Для составления описания топологии схемы нужно проделать следующие процедуры. Вначале необходимо произвести нумерацию узлов и всех элементов схемы, включая сопротивление, емкости, а так же источники напряжений, транзисторы и диоды.
Нумерация узлов схемы осуществляется десятичным числами. Порядок нумерации узлов и описание элементов произволен. Далее нужно проставить направление токов через двухполюсные ветви, ветви резистивные R, емкостные С и ветви источников напряжений Е. Выбор положительных направлений токов произволен для всех ветвей R и С, за исключением ветвей источников напряжений, для которых направление тока выбирается от отрицательного полюса к положительному полюсу (в этом случае в массиве параметров компонентов для ЭДС указывается положительное значение). Для транзисторов проставление направления токов не требуется, достаточно указать тип проводимости транзистора и его модель.
Далее следует непосредственное описание схемы, т.е. заполнение файла данных. Каждая строка файла данных имеет следующий вид:
CK=X,
где CK={ст,сd,сс,сr,ce,cu}- параметр, определяющий количество элементов схемы (транзисторов, диодов, емкостей, сопротивлений), и источников напряжений ), а так же количество узлов схемы ; х-значение параметра СК. Параметры пишутся прописными буквами.
Далее после строки U= перечисляются начальные и конечные узлы всех двухполюсных ветвей в следующей форме:
U= X Y,
где U- символьный код узлов схемы;
X и Y- соответственно, начальный и конечные номера узлов двухполюсных ветвей. Причем двухполюсные ветви перечисляются в следующей последовательности: вначале ветви источников напряжения в соответствии с их нумерацией, затем емкостные ветви согласно их начальной нумерации, и после перечисляются по порядку резистивные ветви.
Для транзисторов описание выглядит следующим образом. В строке прописными буквами указывается символьный код транзистора TR= и






