| Скачать .docx |
Курсовая работа: Разработка печатного модуля РЭС с использованием учебных алгоритмов САПР
Министерство образования Республики Беларусь
Белорусский государственный университет информатики и радиоэлектроники
Факультет компьютерного проектирования
Кафедра радиоэлектронных средств
Пояснительная записка
к курсовому проекту
по предмету: «Автоматическое конструирование и технология проектирования РЭС»
на тему:
«Разработка печатного модуля РЭС с использованием учебных алгоритмов САПР»
Выполнил:
студент группы 810202
Воронович А.В.
Минск 2000
Содержание
Введение
1. Решение задачи компоновки для функциональной схемы с использованием последовательного алгоритма
1.1 Общее описание алгоритма
1.2 Пошаговое описание алгоритма
1.3 Выполнение компоновки
2. Размещение элементов в принципиальной электрической схеме с использованием последовательного алгоритма
2.1 Краткое описание алгоритма последовательной установки элементов РЭА
2.2 Выполнение размещения
2.3 Результаты размещения
3. Трассировка цепей питания и земли с использованием алгоритма построения кратчайших связывающих сетей и волнового алгоритма
3.1 Краткое описание алгоритма Краскала
3.2 Трассировка цепей земли по алгоритму Краскала
3.3 Трассировка цепей питания по алгоритму Прима
4. Трассировка сигнальных цепей с помощью волновых алгоритмов
Заключение
Список используемой литературы
Введение
Стремление разработать эффективные методы конструирования РЭА, позволяющие обобщить опыт работы высоко квалифицированных конструкторов и сделать их достаточно универсальными, приводит к необходимости формализации процесса конструирования.
Разработанная обобщённая модель конструкции РЭА подвергается тщательным исследованиям с точки зрения удовлетворения параметров конструкций заданным техническим требованиям.
Успешное решение формализации конструкторской деятельности возможно лишь только при её алгоритмизации и автоматизации с использованием математических методов, теории графов, алгоритмов, математического программирования и исследование операции, методов вычислительной математики.
Следует отметить, что в общем случае процессы конструирования РЭА плохо поддаются формализации и с математической точки зрения относятся к так называемым плохо формализуемым задачам. Тем не менее для широкого круга задач удалось найти математическое описание и на его основе построить алгоритмы и программы их решения на ЭВМ.
В настоящее время на основе современных вычислительных комплексов и средств автоматизации созданы и находятся в промышленной эксплуатации схемы автоматизированного проектирования РЭА и ЭВА, позволяющие в значительной степени освободить конструктора-проектировщика от однообразной, трудоёмкой и утомительной умственной работы и повысить его интеллектуальные возможности на этапах принятия решений.
Существующие системы автоматизированного проектирования РЭА решают комплекс вопросов по проектированию схем и конструкций аппаратуры.
Нам необходимо разработать печатный модуль РЭС с использованием учебных алгоритмов САПР.
1. Решение задачи компоновки
1.1 Общее описание алгоритма
Общая схема процесса последовательной компоновки по связности имеет следующий вид:
Пусть дана схема соединения элементов из множества
. Определим последовательный процесс назначения элементов
в узлы Br(
)
, на каждом шаге которого выбирается один из неразделенных элементов и приписывается очередному узлу.
Узел считается завершенным, если число элементов в узле равно заданному числу K.
После завершения очередного узла аналогичная процедура повторяется для следующего узла, причем кандидатами для назначения являются элементы, не включенные в предыдущие узлы. Процесс заканчивается, когда все элементы из множества E распределены.
Исходные данные являются:
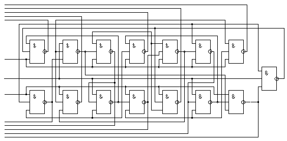
– электрическая схема устройства (Рис.1);
– максимально допустимое число элементов в модуле.
Электрическую схему удобно представлять графом G=(E,V) , где множество вершин Е соответствует элементам электрической схемы, а множество ребер V –электрическим связям между элементами.
В таком виде задача компоновки может быть сформулирована как задача разрезания графа
G=(E,V) на множество подграфов
Gr = (Er, Vr),
где r=1, 2, 3…
.
В каждом подграфе число вершин соответственно Er должно не превосходить ранее заданного ограничения на число элементовв в узле К. Для любого разбиения должны выполняться следующие условия:
![]() |
(1)
Рис.1
При проведении компоновки без учета ограничения на кол-во внешних выводов в узле все модули, кроме последнего, будут иметь полное заполнение и последнее условие примет вид
(2)
1.2 Пошаговое описание алгоритма
Шаг 1.
Формирование очередного подграфа Gr
(r
=1,2,3…
) начинается с выбора базовой вершины
из множества нераспределенных вершин Ir. В начале процесса все вершины считаются нераспределенными, т.е. Ir=E.
Критерием выбора вершины на роль базовой является ее степень
(
) (под степенью вершины графа будем понимать кол-во ребер данного графа, инцидентных ей). Выбор происходит в соответствии со следующим условием:
![]()
(3)
Базовая вершина будет первой по порядку вершиной подграфа Gr
(Er,Vr), а оставшиеся вершины, принадлежащие множеству
, являются кандидатами для включения в подграф Gr
на последующих шагах алгоритма.
Базовая вершина
является, во-первых, как бы “центром” группирования, к которому прибавляются новые вершины, во-вторых, центром факторизации.
Шаг 2.
Из множества
выделяется подмножество Г
(
) вершин, связанных с
.
Шаг 3.
Для элемента X
введем функционал:
L
(x)=
(4)
определяющий число цепей, связывающих вершину X и вершины из множества Г и
Ir\
.
Для упрощения записей будем отождествлять элемент (множество элементов). Для формального вычисления функционала будем пользоваться формулой:
(5)
где
– число связей между вершинами
и
.
Шаг 4.
Из всех вершин
выбирается
такая, у которой значение функционала минимально. Очевидно, что вершина, для которой это условие будет выполняться, максимально связана с
. Эта вершина включается во множество Еr
вершин Gr.
Множество вершин подграфа Gr приобретает следующий вид:
(6)
где
, а верхний индекс в обозначении
в общем случае указывает кол-во шагов выборки.
Шаг 5.
Происходит стягивание вершин подграфа Gr
в вершину
. Этот процесс далее будем называть факторизацией, вершину
– центром факторизации, а количество вершин стянутых в
, кроме него самого, – степенью факторизации.
Центр факторизации со степенью факторизации
, отличной от нуля, будем обозначать символом
и называть гипервершиной степени
.
После данного процесса множество
преобразуют в одноэлементное множество
содержащее гипервершину степени
.
В указанных обозначениях первый процесс факторизации запишется следующим образом:
. (7)
В общем случае на
ом шаге выборки все указанные преобразования будут иметь вид:
. (8)
=1,2,3…,Кс-1,где Кс –допустимая мощность множества вершин формируемого подграфа (кол-во элементов в конструктивном узле).
Шаг 6.
Действия, описанные в шагах 2,3,4,5, повторяются до полного заполнения формируемого модуля.
Далее весь процесс повторяется до тех пор, пока не будет сформирован (
-1) модуль. Последний же
–й полностью включает в себя множество
, так как
. (9)
1.3 Выполнение компоновки
Данную электрическую функциональную схему распределителя уровней на 10 каналов (рис. 1) разбиваем на 3 блока. Далее выполняем компоновку для каждого блока, для чего представляем их в виде графов, где множеству вершин соответствуют элементы электрической схемы блока, а множество ребер электрическим связям между этими элементами.
1.3.1 Компоновка первого блока

В исходной схеме выделяем однотипные логические элементы. Сведём их в блок 1.
Рис. 2. Блок 1
По блоку 1 составляем граф.
![]() |
По полученному графу составляем матрицу смежности.
Таблица 1
| X1 | X2 | X3 | X4 | X5 | X6 | X7 | X8 | X9 | X10 | X11 | X12 | X13 | X14 | X15 | ||
| X1 | 0 | 0 | 0 | 0 | 1 | 1 | 1 | 1 | 0 | 1 | 1 | 0 | 1 | 0 | 1 | 8 |
| X2 | 0 | 0 | 1 | 1 | 0 | 1 | 1 | 1 | 0 | 1 | 1 | 0 | 0 | 1 | 1 | 9 |
| X3 | 0 | 1 | 0 | 1 | 1 | 1 | 0 | 0 | 1 | 0 | 0 | 1 | 1 | 1 | 1 | 9 |
| X4 | 0 | 1 | 1 | 0 | 0 | 0 | 0 | 1 | 1 | 1 | 1 | 0 | 1 | 1 | 0 | 8 |
| X5 | 1 | 0 | 1 | 0 | 0 | 1 | 1 | 0 | 1 | 1 | 1 | 0 | 1 | 1 | 0 | 9 |
| X6 | 1 | 1 | 1 | 0 | 1 | 0 | 1 | 1 | 1 | 0 | 0 | 1 | 0 | 0 | 1 | 9 |
| X7 | 1 | 1 | 0 | 0 | 1 | 1 | 0 | 0 | 0 | 0 | 1 | 1 | 1 | 1 | 0 | 8 |
| X8 | 1 | 1 | 0 | 1 | 0 | 1 | 0 | 0 | 1 | 1 | 0 | 1 | 1 | 1 | 0 | 9 |
| X9 | 0 | 0 | 1 | 1 | 1 | 1 | 0 | 1 | 0 | 1 | 1 | 1 | 0 | 0 | 1 | 9 |
| X10 | 1 | 1 | 0 | 1 | 1 | 0 | 0 | 1 | 1 | 0 | 0 | 0 | 0 | 1 | 1 | 8 |
| X11 | 1 | 1 | 0 | 1 | 1 | 0 | 1 | 0 | 1 | 0 | 0 | 0 | 1 | 0 | 1 | 8 |
| X12 | 0 | 0 | 1 | 0 | 0 | 1 | 1 | 1 | 1 | 0 | 0 | 0 | 1 | 0 | 1 | 7 |
| X13 | 1 | 0 | 1 | 1 | 1 | 0 | 1 | 1 | 0 | 0 | 1 | 1 | 0 | 0 | 0 | 8 |
| X14 | 0 | 1 | 1 | 1 | 1 | 0 | 1 | 1 | 0 | 1 | 0 | 0 | 0 | 0 | 1 | 8 |
| X15 | 1 | 1 | 1 | 0 | 0 | 1 | 0 | 0 | 1 | 1 | 1 | 1 | 0 | 1 | 0 | 9 |
За базовую принимаем вершину X2, т.к. она имеет максимальное значение, равное 9, и минимальный порядковый номер. Она связана с вершинами X3, X4, X6, X7, X8, X10, X11, X14, X15. Посчитаем для этих вершин функционалы:
L(X1)=8-0=8, L(X3)=9-1=8, L(X4)=8-1=7, L(X5)=9-0=9,
L(X6)=9-1=8, L(X7)=8-1=7, L(X8)=9-1=8, L(X9)=9-0=9, L(X10)=8-1=7, L(X11)=8-1=7, L(X12)=7-0=7, L(X13)=8-0=8, L(X14)=8-1=7, L(X15)=9-1=8.
Стягиваем вершину X4 с базовой в первый корпус, т.к. она имеет минимальный функционал, равный 7, и минимальный порядковый номер.
Таблица 2
| X1 | X3 | X5 | X6 | X7 | X8 | X9 | X10 | X11 | X12 | X13 | X14 | X15 | ||
| X1 | 0 | 0 | 1 | 1 | 1 | 1 | 0 | 1 | 1 | 0 | 1 | 0 | 1 | 0 |
| X3 | 0 | 0 | 1 | 1 | 0 | 0 | 1 | 0 | 0 | 1 | 1 | 1 | 1 | 2 |
| X5 | 1 | 1 | 0 | 1 | 1 | 0 | 1 | 1 | 1 | 0 | 1 | 1 | 0 | 0 |
| X6 | 1 | 1 | 1 | 0 | 1 | 1 | 1 | 0 | 0 | 1 | 0 | 0 | 1 | 1 |
| X7 | 1 | 0 | 1 | 1 | 0 | 0 | 0 | 0 | 1 | 1 | 1 | 1 | 0 | 1 |
| X8 | 1 | 0 | 0 | 1 | 0 | 0 | 1 | 1 | 0 | 1 | 1 | 1 | 0 | 2 |
| X9 | 0 | 1 | 1 | 1 | 0 | 1 | 0 | 1 | 1 | 1 | 0 | 0 | 1 | 1 |
| X10 | 1 | 0 | 1 | 0 | 0 | 1 | 1 | 0 | 0 | 0 | 0 | 1 | 1 | 2 |
| X11 | 1 | 0 | 1 | 0 | 1 | 0 | 1 | 0 | 0 | 0 | 1 | 0 | 1 | 2 |
| X12 | 0 | 1 | 0 | 1 | 1 | 1 | 1 | 0 | 0 | 0 | 1 | 0 | 1 | 0 |
| X13 | 1 | 1 | 1 | 0 | 1 | 1 | 0 | 0 | 1 | 1 | 0 | 0 | 0 | 1 |
| X14 | 0 | 1 | 1 | 0 | 1 | 1 | 0 | 1 | 0 | 0 | 0 | 0 | 1 | 2 |
| X15 | 1 | 1 | 0 | 1 | 0 | 0 | 1 | 1 | 1 | 1 | 0 | 1 | 0 | 1 |
| 0 | 2 | 0 | 1 | 1 | 2 | 1 | 2 | 2 | 0 | 1 | 2 | 1 | 0 |
Стягиваем вершину X7 с X4 и с базовой в первый корпус, т.к. вершина X7 также имеет функционал равный 7.
Таблица 3
| X1 | X3 | X5 | X6 | X8 | X9 | X10 | X11 | X12 | X13 | X14 | X15 | ||
| X1 | 0 | 0 | 1 | 1 | 1 | 0 | 1 | 1 | 0 | 1 | 0 | 1 | 1 |
| X3 | 0 | 0 | 1 | 1 | 0 | 1 | 0 | 0 | 1 | 1 | 1 | 1 | 2 |
| X5 | 1 | 1 | 0 | 1 | 0 | 1 | 1 | 1 | 0 | 1 | 1 | 0 | 1 |
| X6 | 1 | 1 | 1 | 0 | 1 | 1 | 0 | 0 | 1 | 0 | 0 | 1 | 2 |
| X8 | 1 | 0 | 0 | 1 | 0 | 1 | 1 | 0 | 1 | 1 | 1 | 0 | 2 |
| X9 | 0 | 1 | 1 | 1 | 1 | 0 | 1 | 1 | 1 | 0 | 0 | 1 | 1 |
| X10 | 1 | 0 | 1 | 0 | 1 | 1 | 0 | 0 | 0 | 0 | 1 | 1 | 2 |
| X11 | 1 | 0 | 1 | 0 | 0 | 1 | 0 | 0 | 0 | 1 | 0 | 1 | 3 |
| X12 | 0 | 1 | 0 | 1 | 1 | 1 | 0 | 0 | 0 | 1 | 0 | 1 | 1 |
| X13 | 1 | 1 | 1 | 0 | 1 | 0 | 0 | 1 | 1 | 0 | 0 | 0 | 2 |
| X14 | 0 | 1 | 1 | 0 | 1 | 0 | 1 | 0 | 0 | 0 | 0 | 1 | 3 |
| X15 | 1 | 1 | 0 | 1 | 0 | 1 | 1 | 1 | 1 | 0 | 1 | 0 | 1 |
| 1 | 2 | 1 | 2 | 2 | 1 | 2 | 3 | 1 | 2 | 3 | 1 | 0 |
Так как К155ЛА4 содержит три модуля, элементы X2, X4, X7 помещаем в одну микросхему. Для оставшихся несвязанных элементов будем продолжать компоновку.
Таблица 4
| X1 | X3 | X5 | X6 | X8 | X9 | X10 | X11 | X12 | X13 | X14 | X15 | ||
| X1 | 0 | 0 | 1 | 1 | 1 | 0 | 1 | 1 | 0 | 1 | 0 | 1 | 7 |
| X3 | 0 | 0 | 1 | 1 | 0 | 1 | 0 | 0 | 1 | 1 | 1 | 1 | 7 |
| X5 | 1 | 1 | 0 | 1 | 0 | 1 | 1 | 1 | 0 | 1 | 1 | 0 | 8 |
| X6 | 1 | 1 | 1 | 0 | 1 | 1 | 0 | 0 | 1 | 0 | 0 | 1 | 7 |
| X8 | 1 | 0 | 0 | 1 | 0 | 1 | 1 | 0 | 1 | 1 | 1 | 0 | 7 |
| X9 | 0 | 1 | 1 | 1 | 1 | 0 | 1 | 1 | 1 | 0 | 0 | 1 | 8 |
| X10 | 1 | 0 | 1 | 0 | 1 | 1 | 0 | 0 | 0 | 0 | 1 | 1 | 6 |
| X11 | 1 | 0 | 1 | 0 | 0 | 1 | 0 | 0 | 0 | 1 | 0 | 1 | 5 |
| X12 | 0 | 1 | 0 | 1 | 1 | 1 | 0 | 0 | 0 | 1 | 0 | 1 | 6 |
| X13 | 1 | 1 | 1 | 0 | 1 | 0 | 0 | 1 | 1 | 0 | 0 | 0 | 6 |
| X14 | 0 | 1 | 1 | 0 | 1 | 0 | 1 | 0 | 0 | 0 | 0 | 1 | 5 |
| X15 | 1 | 1 | 0 | 1 | 0 | 1 | 1 | 1 | 1 | 0 | 1 | 0 | 8 |
За базовую принимаем вершину X5, т.к. она имеет максимальное значение, равное 8, и минимальный порядковый номер. Она связана с вершинами X1, X3, X6, X9, X10, X11, X13, X14. Посчитаем для этих вершин функционалы:
L(X1)=7-1=6, L(X3)=7-1=6, L(X6)=7-1=6, L(X8)=7-0=7, L(X9)=8-1=7, L(X10)=6-1=5, L(X11)=5-1=4, L(X12)=6-0=6, L(X13)=6-1=5, L(X14)=5-1=4, L(X15)=8-0=8.
Стягиваем вершины X11, X14 с базовой во второй корпус, т.к. они имеют минимальный функционал, равный 4.
Таблица 5
| X1 | X3 | X6 | X8 | X9 | X10 | X12 | X13 | X15 | ||
| X1 | 0 | 0 | 1 | 1 | 0 | 1 | 0 | 1 | 1 | 2 |
| X3 | 0 | 0 | 1 | 0 | 1 | 0 | 1 | 1 | 1 | 2 |
| X6 | 1 | 1 | 0 | 1 | 1 | 0 | 1 | 0 | 1 | 1 |
| X8 | 1 | 0 | 1 | 0 | 1 | 1 | 1 | 1 | 0 | 1 |
| X9 | 0 | 1 | 1 | 1 | 0 | 1 | 1 | 0 | 1 | 2 |
| X10 | 1 | 0 | 0 | 1 | 1 | 0 | 0 | 0 | 1 | 2 |
| X12 | 0 | 1 | 1 | 1 | 1 | 0 | 0 | 1 | 1 | 0 |
| X13 | 1 | 1 | 0 | 1 | 0 | 0 | 1 | 0 | 0 | 2 |
| X15 | 1 | 1 | 1 | 0 | 1 | 1 | 1 | 0 | 0 | 2 |
| 2 | 2 | 1 | 1 | 2 | 2 | 0 | 2 | 2 | 0 |
Так как К155ЛА4 содержит три модуля, элементы X5, X11, X14 помещаем в одну микросхему. Для оставшихся несвязанных элементов будем продолжать компоновку.
Таблица 6
| X1 | X3 | X6 | X8 | X9 | X10 | X12 | X13 | X15 | ||
| X1 | 0 | 0 | 1 | 1 | 0 | 1 | 0 | 1 | 1 | 5 |
| X3 | 0 | 0 | 1 | 0 | 1 | 0 | 1 | 1 | 1 | 5 |
| X6 | 1 | 1 | 0 | 1 | 1 | 0 | 1 | 0 | 1 | 6 |
| X8 | 1 | 0 | 1 | 0 | 1 | 1 | 1 | 1 | 0 | 6 |
| X9 | 0 | 1 | 1 | 1 | 0 | 1 | 1 | 0 | 1 | 6 |
| X10 | 1 | 0 | 0 | 1 | 1 | 0 | 0 | 0 | 1 | 4 |
| X12 | 0 | 1 | 1 | 1 | 1 | 0 | 0 | 1 | 1 | 6 |
| X13 | 1 | 1 | 0 | 1 | 0 | 0 | 1 | 0 | 0 | 4 |
| X15 | 1 | 1 | 1 | 0 | 1 | 1 | 1 | 0 | 0 | 6 |
За базовую принимаем вершину X6, т.к. она имеет максимальное значение, равное 6, и минимальный порядковый номер. Она связана с вершинами X1, X3, X8, X9, X12, X15. Посчитаем для этих вершин функционалы:
L(X1)=5-1=4, L(X3)=5-1=4, L(X8)=6-1=5, L(X9)=6-1=5, L(X10)=4-0=4, L(X12)=6-1=5, L(X13)=4-0=4, L(X15)=6-1=5.
Стягиваем вершину X1, X3 с базовой в третий корпус, т.к. они имеют минимальный функционал, равный 4.
Таблица 7
| X8 | X9 | X10 | X12 | X13 | X15 | ||
| X8 | 0 | 1 | 1 | 1 | 1 | 0 | 2 |
| X9 | 1 | 0 | 1 | 1 | 0 | 1 | 2 |
| X10 | 1 | 1 | 0 | 0 | 0 | 1 | 1 |
| X12 | 1 | 1 | 0 | 0 | 1 | 1 | 2 |
| X13 | 1 | 0 | 0 | 1 | 0 | 0 | 2 |
| X15 | 0 | 1 | 1 | 1 | 0 | 0 | 3 |
| 2 | 2 | 1 | 2 | 2 | 3 | 0 |
Так как К155ЛА4 содержит три модуля, элементы X1, X3, X6 помещаем в одну микросхему. Для оставшихся несвязанных элементов будем продолжать компоновку.
Таблица 8
| X8 | X9 | X10 | X12 | X13 | X15 | ||
| X8 | 0 | 1 | 1 | 1 | 1 | 0 | 4 |
| X9 | 1 | 0 | 1 | 1 | 0 | 1 | 4 |
| X10 | 1 | 1 | 0 | 0 | 0 | 1 | 3 |
| X12 | 1 | 1 | 0 | 0 | 1 | 1 | 4 |
| X13 | 1 | 0 | 0 | 1 | 0 | 0 | 2 |
| X15 | 0 | 1 | 1 | 1 | 0 | 0 | 3 |
За базовую принимаем вершину X8, т.к. она имеет максимальное значение, равное 4, и минимальный порядковый номер. Она связана с вершинами X9, X10, X12, X13. Посчитаем для этих вершин функционалы:
L(X9)=4-1=3, L(X10)=3-1=2, L(X12)=4-1=3, L(X13)=2-1=1, L(X15)=3-0=3.
Стягиваем вершину X10, X13 с базовой в четвёртый корпус, т.к. они имеют минимальный функционал.
Таблица 9
| X9 | X12 | X15 | ||
| X9 | 0 | 1 | 1 | 2 |
| X12 | 1 | 0 | 1 | 2 |
| X15 | 1 | 1 | 0 | 1 |
| 2 | 2 | 1 | 0 |
Так как К155ЛА4 содержит три модуля, элементы X8, X10, X13 помещаем в одну микросхему.
Аналогично стягиванием оставшиеся вершины X9, X12, X15 в пятый корпус и помещаем в микросхему.
Выбираем микросхему К155ТВ1. В ней содержится только один модуль, поэтому процесс компоновки проводить не будем, а поместим каждый элемент первого блока в отдельную микросхему.
1.3.2 Компоновка второго блока
Второй блок состоит из пяти логических элементов 2И-НЕ, которые не связаны между собой. Поэтому четыре из них стягиваются в один корпус микросхемы К155ЛА3, а пятый в другой, т.к. микросхема К155ЛА3 содержит только 4 логических элемента.
1.3.3 Компоновка третьего блока
Третий блок состоит из одного JK-триггера, поэтому помещаем его в корпус микросхемы К155ТВ1, содержащей только один элемент.
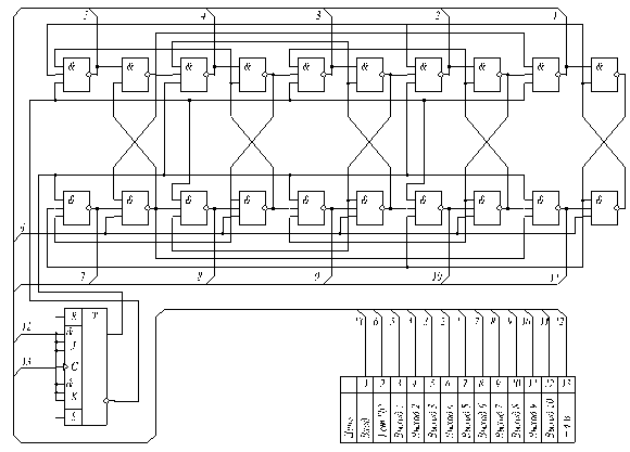
В результате проведения процесса последовательной компоновки конструктивных узлов РЭА, получили схему электрическую принципиальную состоящую из пяти микросхем D2, D3, D4, D5, D6 типа К155ЛА4, двух микросхем D7, D8 типа К155ЛА3 и одной микросхемы D1 типа К155ТВ1. Схема электрическая принципиальная приведена в приложении 1. Перечень элементов к этой схеме в приложении 2.
По этой схеме построим граф (рис. 4).

Рис.4
2. Размещение элементов
2.1 Краткое описание алгоритма последовательной установки элементов РЭА
Алгоритм последовательной установки РЭА не требует первоначального размещения элементов. Сущность этого этапа состоит в последовательном закреплении элементов РЭА на монтажной плате относительно каких-либо ранее закрепленных элементов. При этом из числа не размещенных элементов выбирается тот элемент, для которого характеристика, связанная с длиной связи относительно ранее размещенных элементов, оказывается наилучшей. В качестве первоначально закрепленных на монтажной плоскости конструктивных элементов обычно выбирают разъемы. В связи с этим на монтажной плате первыми размещаются элементы, имеющие максимальное количество связей с разъемами.
Вся площадь платы разбивается координатной сеткой на отдельные ячейки, линейные размеры которых больше или равны установочным размерам элементов. Вершины графа, соответствующие разъему, отображаются на подмножество мест, расположенных на одном из краев монтажной платы. Очередная вершина выбирается по максимальному количеству связей с уже размещенными вершинами и помещаются в свободную соседнюю позицию или в такую позицию из числа свободных, которая обеспечивает минимальную длину связей между размещаемой вершиной и уже размещенными вершинами графа.
В качестве исходных данных необходимо ввести данные о модели монтажной платы, ограничения на расположения элементов, на расположение разъема, а так же данные о связях между размещенными элементами.
В качестве критерия выбора очередного элемента, подлежащего установке на плате, используется коэффициент относительной взвешенности связности:
, (10)
где
–количество связей i-ого элемента с установленным ранее на
плате j-ым элементом, порядковый номер которого-m;
g – количество уже закрепленных на плате элементов;
![]()
– общее число связей i-ого элемента со всеми остальными
элементами множества X.
2.1.1 Последовательность работы алгоритма
Формируется массив номеров элементов и подготавливается (обнуляется) массив установочных мест.
Выбираем за исходное размещение местонахождение разъема и элементов, закрепляемых на установочных местах платы по требованию разработчика.
Во множестве размещаемых элементов, обнуляем элементы размещенные по требованию разработчика.
Выбираем из множества N ещё не размещенный элемент
для которого значение Фi максимально. Если ряд элементов имеет одинаковое значение Фi, то выбираем элемент с минимальным порядковым номером.
Для множества незанятых позиций ряда определяем позицию, закрепление которой элемента Ni приводит к минимальному приращению функции цели
, (11)
где dij – элемент матрицы расстояний.
Общее суммарное расстояние от закрепляемого элемента к закрепленным будет минимальным. Проверяем, не является ли данная позиция областью, запрещенной для размещения элементов.
Производим закрепление элемента Ni за свободной позицией ряда, в которой обеспечивается минимальное приращение функции цели.
Проверяем все ли элементы размещены на плате, если нет, то процесс повторяется заново.
2.2 Выполнение размещения
По графу (рис.4) строим матрицу смежности и определяем степень каждой вершины
Таблица 10
| D1 | D2 | D3 | D4 | D5 | D6 | D7 | D8 | X1 | ||
| D1 | 0 | 2 | 2 | 1 | 2 | 0 | 0 | 0 | 2 | 9 |
| D2 | 2 | 0 | 5 | 4 | 3 | 3 | 6 | 1 | 3 | 27 |
| D3 | 2 | 5 | 0 | 3 | 3 | 6 | 4 | 1 | 3 | 27 |
| D4 | 1 | 4 | 3 | 0 | 4 | 2 | 6 | 1 | 3 | 24 |
| D5 | 2 | 3 | 3 | 4 | 0 | 4 | 5 | 2 | 3 | 26 |
| D6 | 0 | 3 | 6 | 2 | 4 | 0 | 2 | 2 | 4 | 23 |
| D7 | 0 | 6 | 4 | 6 | 5 | 2 | 0 | 0 | 4 | 27 |
| D8 | 0 | 1 | 1 | 1 | 2 | 2 | 0 | 0 | 1 | 8 |
| X1 | 2 | 3 | 3 | 3 | 3 | 4 | 4 | 1 | 0 | 23 |
Составляем модель монтажной платы
![]() |
Затем по модели монтажной платы составляем матрицу расстояний
Таблица 11
| 1 | 2 | 3 | 4 | 5 | 6 | 7 | 8 | 9 | 10 | |
| 1 | 0 | 1 | 1 | 1 | 2 | 2 | 2 | 3 | 4 | 3 |
| 2 | 1 | 0 | 1 | 2 | 1 | 2 | 3 | 2 | 3 | 4 |
| 3 | 1 | 1 | 0 | 1 | 2 | 1 | 2 | 3 | 4 | 3 |
| 4 | 1 | 2 | 1 | 0 | 3 | 2 | 1 | 4 | 3 | 2 |
| 5 | 2 | 1 | 2 | 3 | 0 | 1 | 4 | 1 | 2 | 3 |
| 6 | 2 | 2 | 1 | 2 | 1 | 0 | 1 | 2 | 1 | 2 |
| 7 | 2 | 3 | 2 | 1 | 4 | 1 | 0 | 3 | 2 | 1 |
| 8 | 3 | 2 | 3 | 4 | 1 | 2 | 3 | 0 | 1 | 2 |
| 9 | 4 | 3 | 4 | 3 | 2 | 1 | 2 | 1 | 0 | 1 |
| 10 | 3 | 4 | 3 | 2 | 3 | 2 | 1 | 2 | 1 | 0 |
2.2.1 В качестве первого размещенного элемента принимаем разьем X1 (позиция 1). Рассчитываем коэффициенты относительной взвешенной связности по формуле (10)
ФD1 = 2/9 = 0,222, ФD2 = 3/27 = 0,111, ФD3 = 3/27 = 0,111, ФD4 = 3/24 = 0,125,
ФD5 = 3/26 = 0,115, ФD6 = 4/23 = 0,174, ФD7 = 4/27 = 0,148, ФD8 = 1/8 = 0,125.
На данном этапе будем размещать элемент с максимальным значением
, т.е. элемент DD1.
Рассчитываем приращение функции цели для незанятых ячеек печатной платы по формуле (11)
DF2 = 2*1 = 2, DF3 = 2*1 = 2, DF4 = 2*1 = 2, DF5 = 2*2 = 4,
DF6 = 2*2 = 4, DF7 = 2*2 = 4,DF8 = 2*3 = 6,DF9 = 2*4 = 8,DF10 = 2*3 = 6.
Выбираем минимальное значение из
. Это соответствует 2,3 и 4 позициям. Выбираем позицию с минимальным номером, т.е. вторую.
2.2.2 В качестве размещенных элементов принимаем разьем X1 (позиция 1) и DD1 (позиция 2). Рассчитываем коэффициенты относительной взвешенной связности по формуле (10)
ФD2 = (2+3)/27 = 0,185, ФD3 = (2+3)/27 = 0,185,
ФD4 = (1+3)/24 = 0,167, ФD5 = (2+3)/26 = 0,192, ФD6 = (0+4)/23 = 0,174,
ФD7 = (0+4)/27 = 0,148, ФD8 = (0+1)/8 = 0,125.
На данном этапе будем размещать элемент с максимальным значением
, т.е. элемент DD5.
Рассчитываем приращение функции цели для незанятых ячеек печатной платы по формуле (11)
DF3 = 3*1+2*1 = 5,
DF4 = 3*1+2*2 = 7, DF5 = 3*2+2*1 = 8, DF6 = 3*2+2*2 = 10,
DF7 = 3*2+2*3 = 12,DF8 = 3*3+2*2 = 13, DF9 = 3*4+2*3 = 18,
DF10 = 3*3+2*4 = 17.
Выбираем минимальное значение из
. Это соответствует позиции 3.
2.2.3 В качестве размещенных элементов принимаем разьем X1 (позиция 1), DD1 (позиция 2) и DD5 (позиция 3). Рассчитываем коэффициенты относительной взвешенной связности по формуле (10)
ФD2 = (2+3+3)/27 = 0,296, ФD3 = (2+3+3)/27 = 0,296,
ФD4 = (1+4+3)/24 = 0,333, ФD6 = (0+4+4)/23 = 0,348,
ФD7 = (0+4+5)/27 = 0,333, ФD8 = (0+1+2)/8 = 0,375.
На данном этапе будем размещать элемент с максимальным значением
, т.е. элемент DD8.
Рассчитываем приращение функции цели для незанятых ячеек печатной платы по формуле (11)
DF4 = 1*1+0*2+2*1 = 3, DF5 = 1*2+0*1+2*2 = 6, DF6 = 1*2+0*2+2*1 = 4,
DF7 = 1*2+0*3+2*2 = 6,DF8 = 1*3+0*2+2*3 = 9, DF9 = 1*4+0*3+2*4 = 12,
DF10 = 1*3+0*4+2*3 = 9.
Выбираем минимальное значение из
. Это соответствует позиции 4.
2.2.4 В качестве размещенных элементов принимаем разьем X1 (позиция 1), DD1 (позиция 2), DD5 (позиция 3), DD8 (позиция 4). Рассчитываем коэффициенты относительной взвешенной связности по формуле (10)
ФD2 = (2+3+1+3)/27 = 0,333, ФD3 = (2+3+1+3)/27 = 0,333,
ФD4 = (1+4+1+3)/24 = 0,375, ФD6 = (0+4+2+4)/23 = 0,435,
ФD7 = (4+5)/27 = 0,333.
На данном этапе будем размещать элемент с максимальным значением
, т.е. элемент DD6.
Рассчитываем приращение функции цели для незанятых ячеек печатной платы по формуле (11)
DF5 = 4*2+0*1+4*2+2*3 = 22, DF6 = 4*2+0*2+4*1+2*2 = 16,
DF7 = 4*2+0*3+4*2+2*1 = 18,DF8 = 4*3+0*2+4*3+2*4 = 32,
DF9 = 4*4+0*3+4*4+2*3 = 38, DF10 = 4*3+0*4+4*3+2*2 = 28.
Выбираем минимальное значение из
. Это соответствует 6 и 7 позициям. Но позиция 6 запрещенная, поэтому выбираем позицию 7.
2.2.5 В качестве размещенных элементов принимаем разьем X1 (позиция 1), DD1 (позиция 2), DD5 (позиция 3), DD8 (позиция 4),
DD6 (позиция 7). Рассчитываем коэффициенты относительной взвешенной связности по формуле (10)
ФD2 = (2+3+3+1+3)/27 = 0,444, ФD3 = (2+3+6+1+3)/27 = 0,555,
ФD4 = (1+4+2+1+3)/24 = 0,458,
ФD7 = (5+2+4)/27 = 0,407.
На данном этапе будем размещать элемент с максимальным значением
, т.е. элемент DD3.
Рассчитываем приращение функции цели для незанятых ячеек печатной платы по формуле (11)
DF5 = 3*2+2*1+3*2+1*3+6*4 = 41, DF6 = 3*2+2*2+3*1+1*2+6*1 = 21,
DF8 = 3*3+2*2+3*3+1*4+6*3 = 44, DF9 = 3*4+2*3+3*4+1*3+6*2 = 45,
DF10 = 3*3+2*4+3*3+1*2+6*1 = 34.
Выбираем минимальное значение из
. Это соответствует 6 и 10 позициям. Но позиция 6 запрещенная, поэтому выбираем позицию 10.
2.2.6 В качестве размещенных элементов принимаем разьем X1 (позиция 1), DD1 (позиция 2), DD5 (позиция 3), DD8 (позиция 4), DD6 (позиция 7), DD3 (позиция 10). Рассчитываем коэффициенты относительной взвешенной связности по формуле (10)
ФD2 = (2+5+3+3+1+3)/27 = 0,63,
ФD4 = (1+3+4+2+1+3)/24 = 0,583,
ФD7 = (4+5+2+4)/27 = 0,555.
На данном этапе будем размещать элемент с максимальным значением
, т.е. элемент DD2.
Рассчитываем приращение функции цели для незанятых ячеек печатной платы по формуле (11)
DF5 = 3*2+2*1+3*2+1*3+3*4+5*3 = 44,
DF6 = 3*2+2*2+3*1+1*2+3*1+5*2 = 28,
DF8 = 3*3+2*2+3*3+1*4+3*3+5*2 = 45,
DF9 = 3*4+2*3+3*4+1*3+3*2+5*2 = 44.
Выбираем минимальное значение из
. Это соответствует 6 позиции. Но позиция 6 запрещенная, поэтому выбираем позицию 5.
2.2.7 В качестве размещенных элементов принимаем разьем X1 (позиция 1), DD1(позиция 2), DD5(позиция 3), DD8(позиция 4), DD6(позиция 7), DD3 (позиция 10), DD2 (позиция 5). Рассчитываем коэффициенты относительной взвешенной связности по формуле (10)
ФD4 = (1+4+3+4+2+1+3)/24 = 0,75,
ФD7 = (0+6+4+5+2+0+4)/27 = 0,778.
На данном этапе будем размещать элемент с максимальным значением
, т.е. элемент DD7.
Рассчитываем приращение функции цели для незанятых ячеек печатной платы по формуле (11)
DF6 = 4*2+0*2+5*1+0*2+6*1+2*1+4*2 = 29,
DF8 = 4*3+0*2+5*3+0*4+6*1+2*3+4*2 = 47,
DF9 = 4*4+0*3+5*4+0*3+6*2+2*2+4*1 = 56.
Выбираем минимальное значение из
. Это соответствует 6 и 8 позициям. Но позиция 6 запрещенная, поэтому выбираем позицию 8.
2.2.8 В качестве размещенных элементов принимаем разьем X1 (позиция 1), DD1(позиция 2), DD5(позиция 3), DD8(позиция 4),
DD6(позиция 7), DD3(позиция 10), DD2(позиция 5), DD7(позиция 8).
DD4 ставим в позицию 9.
2.3 Результаты размещения
Таблица 12
| Элемент | Номер посадочного места |
| X1 | 1 |
| DD1 | 2 |
| DD2 | 5 |
| DD3 | 10 |
| DD4 | 9 |
| DD5 | 3 |
| DD6 | 7 |
| DD7 | 8 |
| DD8 | 4 |
![]() |
Рис.6
3. Трассировка цепей питания и земли
Трассировка – прокладка электрических трасс (проводов при проводном монтаже и печатных соединений при печатном монтаже), соответствующих принципиальной электрической схеме.
3.1 Краткое описание алгоритма Краскала
В алгоритме Краскала кратчайшую связывающую сеть (КСС) строят путем последовательного присоединения к ним ребер, удовлетворяющих следующим условиям:
1.Ребра должны быть кратчайшими.
2.Ребро не должно соединять изолированные вершины.
3.Ребро не должно образовывать циклы.
4.Присоединение рассматриваемого ребра не приводит к повышению степени вершины выше заданного числа.
На первом этапе в данном множестве вершин строится полный граф и задается матрица расстояния. На втором этапе упорядочиваются ребра в порядке возрастания их длины, и на последнем этапе построение КСС осуществляется последовательным выбором ребер, удовлетворяющим 4-м условиям, при этом формируется массив индексов ребер, которые анализируются по этим 4-м условиям.
3.2 Трассировка цепей земли по алгоритму Краскала
Расположим расстояния между контактами в порядке возрастания, используя рисунок 5 и таблицу 11 для расстояния равного 1,2,3,4:
1: d1-2 , d1-3 , d1-4 , d2-3 , d2-5 , d3-4 , d3-6 , d4-7 , d5-6 , d5-8 , d6-7 , d6-9 , d7-10 , d8-9 , d9-10 ;
2: d1-5 , d1-6 , d1-7 , d2-4 , d2-6 , d2-8 , d3-5 , d3-7 , d4-6 , d4-10 , d5-9 , d6-8 , d6-10 , d7-9 , d8-10 ;
3: d1-8 , d1-10 , d2-7 , d2-9 , d3-8 , d3-10 , d4-5 , d4-9 , d5-10 , d7-8 ;
4: d1-9 , d2-10 , d3-9 , d4-8 , d5-7 .
![]() |
Рис.7
Выбираем ребра, отвечающие условиям алгоритма Краскала. Получаем:
d1-2 , d1-3 , d1-4 , d2-5 ,d4-7 , d5-8 , d7-10 , d8-9 .
![]() |
Рис. 8
3.3 Трассировка цепей питания по алгоритму Прима
В алгоритме Прима, в отличие от алгоритма Краскала, построение КСС ведется путем присоединения ближайших изолированных вершин, при этом все манипуляции проводятся лишь с матрицей расстояний.
Цепи питания будут размещаться в другом слое.
Фиксируем произвольную строку в таблице 11, например 1.Минимальное расстояние равное 1 в первой строке находится во 2,3,4 столбце. Минимальное расстояние между первым и вторым контактом. Выбираем минимальный по счёту столбец, – вычёркиваем второй столбец.
Далее фиксируем вторую строку. Минимальное расстояние равное 1 в первой и второй строке находится во 3,4 столбце первой строки. Выбираем минимальный по счёту столбец, – вычёркиваем третий столбец.
Далее аналогично.
Фиксируем строку 3. Минимальное расстояние в строке 1 в столбце 4. Вычёркиваем столбец 4.
Фиксируем строку 4. Минимальное расстояние в строке 2 в столбце 5. Вычёркиваем столбец 5.
Фиксируем строку 5. Минимальное расстояние в строке 3 в столбце 6, но т.к. 6 –запрещённое место, выбираем следующее минимальное значение в строке 4 в столбце 7. Вычёркиваем столбец 7.
Фиксируем строку 7. Минимальное расстояние в строке 5 в столбце 8. Вычёркиваем столбец 8.
Фиксируем строку 8. Минимальное расстояние в строке 7 в столбце 10. Вычёркиваем столбец 10.
Фиксируем строку 10. Минимальное расстояние в строке 8 в столбце 9. Вычёркиваем столбец 9.
В результате получаем следующую цепь d1-2 , d1-3 , d1-4 , d2-5 ,d4-7 , d5-8 , d7-10 , d8-9 . (рис.9).
![]() |
4. Трассировка сигнальных цепей с помощью волновых алгоритмов
Основные принципы построение трасс с помощью волнового алгоритма сводятся к следующему.
Все ячейки монтажного поля подразделяются на занятые и свободные. Занятыми считаются ячейки, в которых уже расположены проводники, построенные на предыдущих шагах, или находятся монтажные выводы элементов, а также ячейки, соответствующие границе плат и запрещенным для прокладывания проводников участкам. Каждый раз при проведении новой трассы можно использовать лишь свободные ячейки, число которых по мере проведения трасс сокращается.
На множестве свободных ячеек коммутационного поля моделируют волну влияния из одной ячейки в другую, соединяемых впоследствии общим проводником. Первую ячейку, в которой зарождается волна, называют источником, а вторую - приемником волны. Чтоюы иметь возможность следить за прохождением фронта волны влияний, его фрагментом на кождом этапе присваивают некоторые веса:
Рк = Рк-1 + Р, (12)
где Рк и Рк-1 –веса ячеек К-го и (К-1)-го фронтов;
Р–числовая характеристика, зависящая от выбранного критерия
отимизации.
На Рк накладывают одно ограничение – веса ячеек предыдущих фронтов не должны быть больше весов ячеек последующих фронтов. Фронт распространяется только на соседние ячейки, которые имеют с ячейками предыдущего фронта либо общую сторону, либо хотя бы одну общую точку. Процесс распространения волны продолжается до тех пор, пока её расширяющийся фронт не достигнет приемника или на i-ом шаге не найдётся ни одной свободной ячейки, которая могла бы быть включена в очередной фронт, что соответствует случаю невозможности проведения трассы при заданных ограничениях.
Если в результате распространения волна достигла приемника, то осуществляют ‘проведение пути’, которое заключается в движении от приемника к источнику по пройденным на этапе распространения волны ячейкам, следя за тем, чтобы значение волны монотонно убывало. В результате получают путь, соединяющий эти две точки. Из описания алгоритма следует, что все условия необходимые для проведения пути закладываются в правило приписания веса ячейкам.
Пример трассировки сигнальных цепей по волновому алгоритму.
Требуется соединить контакты 1,2,3 и 4. Волну будем распространять из первого контакта рис.10.
![]() |
В результате получаем цепь, изображенную на рис.11.

Рис.11
Результаты трассировки всех цепей представлены в приложении 3.
Заключение
В результате выполнения курсового проекта был разработан печатный модуль РЭС с использованием учебных алгоритмов САПР.
Также по исходным данным была выполнена задача компоновки для функциональной схемы с использованием последовательного алгоритма. Была выполнено размещение элементов в принципиальной электрической схеме с использованием последовательного алгоритма. Была выполнена трассировка цепей питания и земли с использованием алгоритма построения кратчайших связывающих сетей и волнового алгоритма, т.е. трассировка цепей земли по алгоритму Краскала и трассировка цепей питания по алгоритму Прима, а также трассировка сигнальных цепей с помощью волновых алгоритмов.
Список используемой литературы
1. Деньдобренко Б.Н., Малика А.С. Автоматизация конструирования РЭА: Учебник для вузов. - М., Высш. школа,1980.
2. Основы проектирования микроэлектронной аппаратуры./Под ред. Б.Ф. Высоцкого. М., 1977.
3. Теория и методы автоматизации проектирования вычислительных систем./Под ред. М. Брейера. М., 1977.






