| Скачать .docx |
Курсовая работа: Проектирование индуктивной трёхточки на транзисторе с индуктированным n-каналом
Введение
Очень важное значение в радиоэлектронике имеют колебательные системы, генерирующие электромагнитные колебания. Такую систему, или устройство с самовозбуждением, называют динамической системой, преобразующей энергию источника постоянного тока в энергию незатухающих колебаний, причём основные характеристики колебаний (амплитуда, частота, форма колебаний, гармонический состав и т.д.) определяется , в основном, параметрами самой системы. Процесс получения сигналов требуемой формы и частоты называют генерированием электрических колебаний. С точки зрения математических моделей колебательные системы разделяют на линейные и нелинейные, автономные и неавтономные. Особый класс представляют автоколебательные системы или автогенераторы.
В радиопередатчиках систем связи автогенераторы применяют часто в качестве каскадов, создающие электромагнитные колебания несущей частоты (рис.1). Основное требование – это высокая стабильность генерируемой частоты и КПД. В СВЧ-диапазоне автогенераторы зачастую используют в качестве выходных каскадов передатчиков. Требования к таким автогенераторам аналогичны требованиям к усилителям мощности – обеспечение мощных колебаний при высоком КПД , выходной мощности и стабильности частоты.
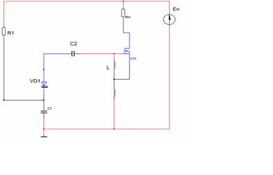
1. Выбор схемы для проектирования
Выберем за основу для проектирования LC-генератора Хартлея на МОП транзисторе с индуцированным каналом схему на рис.1

Введём нагрузочный резистор в цепь стока и уберём микрофон и антенну. Полученная схема приведена на рис.2.

Рис.2 Схема для проектирования генератора.
В выбранной схеме рис.2 сопротивление R1 является времязадающим для плавности наростания напряжения параллельного колебательного контура , который состоит из конденсаторов С1 С2, варикапа VD1 и индуктивной катушки L с тремя выводами (на схеме показаны две идуктивности). Варикап также обеспечивает развязку контура по постоянному току.
2. Подбор активного элемента – МОП транзистора для генератора
МОП транзистор должен быть высокочастотным
fmax >12 МГц
Максимальный ток стока транзистора определим, учитывая что транзистор в открытом состоянии имеет падение напряжения примерно 1В:
Ic = (En -1) / RH т.е. Ic = 11 / 300 =37 мА(1)
Также максимальная мощность транзистора определяется из выражения:
Pmax = Ic * En = 37 *12 =444 мВт (2)
Напряжение сток исток:
UСИ >12B;
По этим параметрам подбираем высокочастотный МОП транзистор фирмы Philips типа BSD214. Его параметры:
fmax =15 МГц ;
Мощность Р =1,2Вт;
Пороговое напряжения U3И =1B;
Допустимое напряжение сток-исток транзистора UСИдоп =25В;
Допустимое напряжение сток-затвор транзистора UСЗдоп =30В;
Допустимое напряжение затвор-исток транзистора UЗИдоп =30В;
Максимальный ток стока транзистора Iдоп =50мА.
Данный тип транзистора работает только в режиме обогащения канала при малом пороговом напряжении и большом резонансном напряжении контура, поэтому можно считать режим его работы ключевым.
3. Расчёт спектра выходного сигнала генератора
Т.к. режим работы транзистора ключевой, малое пороговое напряжение и синусоидальное напряжение колебательного контура имеет амплитуду выше Еn>12B, то
скважность следования импульсов будет равна S=2 , форма выходного сигнала будут прямоугольные импульсы с периодом следования:
Т = 1 / fP = 1/ 12000000 = 83нс (3)
Время следования импульса:
tи =T / S = 83/2 = 41,5 нс (4)
Т.к. транзистор в открытом состоянии имеет падение напряжения примерно 1В, то выходное напряжение будет как на рис.3.
U, B

Рис.3 Напряжение на нагрузке в установившемся режиме генератора.
Максимальное напряжение в нагрузочном резисторе Um = En = 12B, а минимальное равно примерно падению напряжения на открытом транзисторе Umin = 1,0B.
Определим ширину спектра сигнала и найдём значение постоянной составляющей по формуле:
(5)
Амплитуда первой, основной, гармоники f=12МГц будет:
Um1 = (2Um /sin (1 / S) = (2*12/3.14) * sin(1*3.14/2) = 7,64 В(6)
Амплитуда второй гармоники f=2*12=24 МГц и других чётных равны нулю.
Амплитуда третей гармоники f=3*12=36 МГц будет:
Um3 (2Um /3sin (3* / S) = (2*12/(3*3.14)) * sin(3*3.14/2) =2,55 В(7)
Амплитуда пятой гармоники f=5*12=60 МГц будет:
Um4 = (2Um /5sin (5* / S) = (2*12/(5*3.14)) * sin(5*3.14/2) =1,53 В(8)
Амплитуда седьмой гармоники f=7*12=84 МГц будет:
Um7 = (2Um /7sin (7* / S) = (2*12/(7*3.14)) * sin(7*3.14/2) =1,09 В(9)
Амплитуда девятой гармоники f=9*12=108 МГц будет:
Um7 = (2Um /7sin (7* / S) = (2*12/(9*3.14)) * sin(9*3.14/2) =0,85 В(10)
По результатам расчётов построим диаграмму, показывающую ширину спектра выходного сигнала на нагрузочном резисторе генератора (рис.4).

Рис.4.
4. Расчёт элементов колебательного контура
Выбираем катушку с индуктивностью L= 51мкГн c третьим выводом в1мкГн относительно общей точки схемы. Такая большая разница относительно третьей точки позволяет довести амплитуду выходного сигнала до максимума - 11,0В.
Из формулы для определения резонансной частоты контура найдём общую ёмкость колебательного контура:
(11)
Здесь пренебрегаем шунтирующим действием малой ёмкости p-nперехода затвор – исток ( 2пФ).
Принимаем варикап с малой ёмкостью типа FMMV2101 производитель ZETEX его параметры:
- ёмкость СВ = 14пФ;
- максимальное обратное напряжение Uобр =45В;
- максимальный прямой ток Iпр = 200мА.
Принимаем сопротивление времязадающего резистора R1 = 1кОм. Ёмкость времязадающего конденсатора С1 определяется из условия, что постоянная времени должна быть равной времени импульса – tи = 41,5 нс и тогда:
С1 = tи / R1 = 41,5*10-9 / 1000 = 41,5 пФ (12)
Принимаем ближайшее стандартное значение С1=43пФ.
Теперь определим ёмкость С2 как последовательно соединённую с СВ и С1 по формуле:
(13)
Принимаем стандартное значение С2=6,8 пФ при этом общая ёмкость контура будет
=4,1 пФ.
Для ограничения тока контура введём в него сопротивление, которое определяется из условия:
R>En / Iпр = 12 / 0,2 или R>60 Ом (14)
Принимаем R2 = 200Ом – это оптимальное значение, т.к. чрезмерное увеличение этого сопротивления приведёт к уменьшению скважности выходного напряжения.
5. Построение АЧХ
АЧХ усилителя повторяет АЧХ колебательного контура. Упростим колебательный контур и вместо варикапа VD1 и двух конденсаторов С1 и С2 введём один
=4,1 пФ, тогда получим эквивалентную схему рис.5

Рис.5 Эквивалентная схема колебательного контура генератора.
Изображение по Лапласу передаточной функция цепи рис.5 равно:
H(p) =
(15)
Заменим в формуле (15) р=jwи получим зависимость передаточной функции от круговой частоты:
Н(jw )=
(16)
Выделим из (16) действительную часть и, учитывая что w = 2fполучим формулу для построения АЧХ:
(17)
На рис.6 по выражению (17) построена АЧХ усилителя где амплитуда в относительных единицах от входного сигнала En = 12B.

Рис.6 АЧХ генератора.
6. Рассчитаем основные параметры схемы
Максимальный потребляемый ток:
Imax = Ic + En / R1 = 37+ 12/1000 = 49мА (18)
Максимальная (пиковая) потребляемая генератором мощность:
Рпот = Imax En = 49*12 = 588мВт (19)
Наименьший КПД генератора:
(20)
Т.к. транзистор работает в ключевом режиме, генератор обладает высоким значением КПД в установившемся режиме
->99%.
Проверим работу схемы в виртуальной лаборатории с помощью программы Multisim8.0

Рис.7. Виртуальный анализ спроектированной индуктивной трёхточки на МОП транзисторе.
Из виртуальной осциллограммы рис.7 видно, что период импульсов Т=83нс их скважность S=2 (синяя осциллограмма). Красная осциллограмма является графиком напряжения на затворе транзистора и, следовательно, колебательного контура.
7. Описание работы схемы индуктивной трёхточки
Катушка индуктивности L параллельного колебательного контура имеет третий вывод, с которого снимается сигнал обратной связи, совпадающий по фазе со входным сигналом на затворе транзистора VT1, т.е. образуется контур положительной обратной связи. При положительной полуволне синусоидального напряжения, после достижения напряжения затвор- исток в один вольт (пороговое напряжение транзистора), происходит открывание транзистора и добавление синфазной электроэнергии в колебательный контур, что делает колебания незатухающими. Выходное напряжение, снимаемое с нагрузочного резистора RH , находится в противофазе с напряжением затвор - исток транзистора (усилитель с общим истоком).
Список использованных источников
1. Опадчий Ю.Ф., Глудкин О.П., Гуров А.И. Аналоговая и цифровая электроника. – М.: Горячая линия-Телеком, 2005.
2. Малышева И.А. «Технология производства интегральных микросхем», М., Радио и связь 1991.
3. Нефёдов В.И. Основы радиоэлектроники и связи. –М.: Высш. Школа, 2009.