| Скачать .docx |
Курсовая работа: Проектирование и расчет усилителя низкой частоты
Проектирование и расчет усилителя низкой частоты
Реферат
В данном курсовом проекте производится проектирование усилителя низкой частоты, состоящего из двух каскадов и RC-цепочки связи. Входной каскад представляет собой инвертирующий усилитель на ОУ, выходной – двухтактный бестрансформаторный усилительный каскад.
Ключевые слова:
- усилитель низкой частоты;
- инвертирующий усилитель;
- бестрансформаторный усилительный каскад;
- коэффициент усиления;
- межкаскадная связь;
- отрицательная обратная связь.
Содержание
Введение
1 Расчетная часть
1.1 Анализ технического задания
1.2 Синтез структурной схемы
1.3 Разработка и расчет принципиальной схемы
1.4 Анализ устройства на ЭВМ
Выводы
Список литературы
Приложения
Введение
Несмотря на все более расширяющееся использование машинных методов схемотехнического проектирования современной электронной аппаратуры, в повседневной практике разработчикам электронных схем приходится вначале решать задачи приближенного расчета типовых узлов и устройств, а затем уточнять результаты расчета на ЭВМ или экспериментальным путем.
В данном курсовом проекте расчет усилителя низкой частоты также в начале будет производится без применения программного обеспечения, а затем схема моделируется на ЭВМ с целью проверки принятых решений и уточнения полученных результатов
Таким образом целью данного курсового проектирования является приобретение практических навыков конструирования электронных схем и опыта моделирования электронных схем на ЭВМ на примере разработки схемы усилителя низкой частоты с заданными в техническом задании параметрами.
1 Расчетная часть
1.1 Анализ технического задания
Усилители низкой частоты (УНЧ) предназначены для усиления непрерывных периодических сигналов, частотный спектр которых лежит в пределах от десятков герц до десятков килогерц. Назначение УНЧ в конечном итоге состоит в получении на заданном сопротивлении оконечного нагрузочного устройства требуемой мощности усиливаемого сигнала. Современные УНЧ выполняются преимущественно на биполярных и полевых транзисторах в дискретном и интегральном исполнении.
Анализируя данные технического задания можно рассчитать мощность сигнала на входе УНЧ по формуле (1.1.1) [3]:
, (1.1.1)
где
- сопротивление источника сигнала,
- действующее значение напряжения источника сигнала
![]()
Требуемый коэффициент усиления по мощности всего усилителя рассчитывается по формуле (1.1.2):
, (1.1.2)
где
- выходная мощность усилителя, указанная в техническом задании.
![]()
Значение коэффициента усиления по мощности всего усилителя в децибелах рассчитывается по формуле (1.1.3):
(1.1.3)
![]()
1.2 Синтез структурной схемы
Из анализа технического задания следует, что на выходе УНЧ должен стоять мощный оконечный каскад. Так как мощность выходного сигнала значительно превышает 50 мВт, то применение оконечного усилительного каскада класса А нецелесообразно. Поэтому в качестве выходного выбран двухтактный бестрансформаторный усилительный каскад, работающий в режиме В. Данный режим обеспечивает каскаду хорошую экономичность благодаря высокому КПД. Отсутствие трансформатора обеспечивает низкие нелинейные искажения. Двухтактный бестрансформаторный каскад, выполненный на мощных транзисторах может обеспечить усиление до 30 дБ.
В качестве входного каскада выбран инвертирующий усилитель на интегральном операционном усилителе. Данный каскад может обеспечить усиление до 60 и более децибел, в зависимости от типа применяемой микросхемы. К тому же инвертирующий каскад на ОУ позволяет изменять входное сопротивление всего усилителя в широком диапазоне.
Благодаря хорошим усилительным возможностям входного и выходного каскадов нет необходимости в применении дополнительных промежуточных усилительных каскадов.
Для соединения входного и выходного каскадов применена RC-цепь связи.
Структурная схема усилителя низкой частоты представлена нарисунке 1
Рисунок 1 – Структурная схема усилителя низкой частоты
1.3 Разработка и расчет принципиальной схемы
Принципиальная электрическая схема УНЧ приведена в приложении Б. При расчете предполагается, что параметры транзисторов различных плеч одинаковы. [3]
Величина напряжения источника питания определяется по формуле [3] (1.3.1):
, (1.3.1)
![]()
Максимальное значение коллекторного тока оконечных транзисторов VT3 и VT4 определяется по формуле (1.3.2):
. (1.3.2)
![]()
Значение тока покоя определяется, исходя из условия (1.3.3):
(1.3.3)
![]()
Максимальная мощность, рассеиваемая коллекторным переходом каждого из оконечных транзисторов определяется по формуле (1.3.4):
(1.3.4)
![]()
По полученным значениям
,
,
и заданному в техническом задании
выбирается тип оконечных транзисторов VT3 и VT4 так, чтобы максимально допустимые значения параметров транзисторов превышали расчетные, то есть:
(1.3.5)
(1.3.6)
(1.3.7)
(1.3.8)
Данным условиям удовлетворяют транзисторы КТ825 и КТ827 [5]:
![]()
![]()
![]()
![]()
Максимальное значение тока предоконечных транзисторов определяется по формуле (1.3.9):
, (1.3.9)
где
- максимальное значение коллекторного тока оконечныхтранзисторов;
- минимальное значение коэффициента передачи тока оконечных транзисторов.
.
Максимальная мощность, рассеиваемая коллекторным переходом каждого из предоконечных транзисторов определяется по формуле (1.3.10):
(1.3.10)

По полученным значениям
,
,
и заданному в техническом задании
выбирается тип оконечных транзисторов VT3 и VT4 так, чтобы максимально допустимые значения параметров транзисторов превышали расчетные, то есть:
(1.3.11)
(1.3.12)
(1.3.13)
(1.3.14)
Данным условиям удовлетворяют транзисторы КТ825 и КТ827 [5]:
![]()
![]()
![]()
![]()
Емкость разделительного конденсатора С5 находится по формуле (1.3.15):
, (1.3.15)
где
– нижняя граничная частота;
![]()
Номинальное значение емкости разделительного конденсатора С5 выбрано равным 4000 мкФ, в соответствии с ГОСТ 10318-80.
Значения сопротивлений резисторов R7 и R8 выбраны равными 100 Ом и будут уточняться при моделировании схемы на ЭВМ.
Частотные искажения каскада в области низких и высоких частот рассчитываются по формулам (1.3.16) и (1.3.17) соответственно:
(1.3.16)
, (1.3.17)
где
– верхняя граничная частота.


Входной ток двухтактного безтрансформаторного каскада рассчитывается по формуле (1.3.18):
, (1.3.18)
где
- максимальное значение тока предоконечных транзисторов.
![]()
Ток делителя R4-R5-R6 определяется из соотношения (1.3.19):
(1.3.19)
![]()
Значение сопротивления резистора R5 определяется по формуле (1.3.20):
, (1.3.20)
где IД – ток делителя R4-R5-R6;
UБЭ1, UБЭ2, UБЭ3, - напряжения смещения на эмиттерных переходах соответствующих транзисторов, определяемые по входным характеристикам.
![]()
Для обеспечения минимальных нелинейных искажений напряжения смещения на коллекторных переходах VT1 и VT2 должны быть равны, так как параметры h21Э и IКБ0 этих транзисторов одинаковы. То есть
(1.3.21)
(1.3.22)
(1.3.23)
Таким образом, напряжение смещения на коллекторном переходе любого из транзисторов VT1 или VT2 определяется по формуле (1.3.24):
, (1.3.24)
где
- падение напряжения на резисторе R5.
.
Сопротивления R4 и R6 рассчитываются по формулам (1.3.25) и (1.3.26) соответственно:
(1.3.25)
![]()
(1.3.26)
![]()
Расчетные значения сопротивлений R4 и R6 приблизительно равны. Ближайшее номинальное значение по ГОСТ 10318-80 равно 50 кОм.
Емкость конденсатора С4 находится по формуле (1.3.27):
, (1.3.27)
где
- нижняя граничная частота УНЧ.
![]()
Ближайшее номинальное значение емкости С4 по ГОСТ 10318-80 равно 3 мкФ.
Входное сопротивление двухтактного выходного каскада определяется по формуле (1.3.28):
(1.3.28)
![]()
Значение сопротивления резистора R3 рассчитывается[1] по формуле (1.3.29):
(1.3.29)
где
- входное сопротивление двухтактного оконечного каскада;
- оптимальное значение сопротивления нагрузки ОУ
![]()
Такое значение сопротивления R3 обусловлено необходимостью обеспечения требуемого входного сопротивления выходного двухтактного каскада, чтобы R3||Rвх = Rн.min .
Значение емкости конденсатора С3 определяется[1] по формуле (1.3.30):
, (1.3.30)
где
||
;
– нижняя граничная частота;
- коэффициент частотных искажений (задаемся
дБ);
- оптимальное значение сопротивления нагрузки ОУ.
![]()
Ближайшее номинальное значение емкости С4 по ГОСТ 10318-80 равно 3,6 мкФ.
Коэффициент передачи RC-цепи связи вычисляется[1] по формуле (1.3.31):
(1.3.31)
Коэффициент передачи RC-цепи связи на нижней граничной частоте вычисляется по формуле (1.3.32):
(1.3.32)

Таким образом, напряжение на входе RC-цепи связи будет определяться выражением (1.3.33):
(1.3.33)
![]()
Для обеспечения согласования инвертирующего усилителя на ОУ и источника сигнала необходимо, чтобы сопротивление входа усилителя и источника сигнала были равны. Так как
,[2] то справедливо
Ом.
Так как
, то напряжение на входе усилителя определяется по формуле (1.3.34):
(1.3.34)
![]()
Требуемый коэффициент усиления инвертирующего усилителя на ОУ рассчитывается[2] по формуле (1.3.35):
(1.3.35)
![]()
Значение сопротивления резистора R2 рассчитывается[2] по формуле (1.3.36):
(1.3.36)
![]()
Ближайшее номинальное значение сопротивления по ГОСТ 10318-80 равно 110 кОм.
Значение емкости конденсатора С1 прнято равным 1 мкФ и будет уточняться при моделировании схемы на ЭВМ.
Номинальное напряжение всех конденсаторов схемы определяется из условия, что
. То есть все конденсаторы берутся с номинальным напряжением не менее 22 В.
1.4 Анализ устройства на ЭВМ
Анализ работы схемы производился при помощи программы ElectronicsWorkbenchVersion 5.12. Как видно из осциллограмм, приведенных в приложениях Г и Д амплитуда сигнала на выходе на граничных частотах отличается от расчетной величины, что связано с различным коэффициентом передачи на этих частотах (смотреть приложение Е). При работе УНЧ на частотах, близких к граничным, появляются нелинейные искажения: на нижней граничной частоте – искажения в виде «ступенек», на верхней – срез вершины синусоиды сигнала.
Подбором емкости конденсатора С1 найдено ее оптимальное значение, равное 39 мкФ. Оказалось также, что при увеличении сопротивления резистора R3 нелинейные искажения на нижней граничной частоте уменьшаются, поэтому целесообразно исключить его из схемы (R3 = ¥).
Мощность сигнала в нагрузке на нижней частоте равна 20 Вт, а на верхней –36 Вт.
Выводы
Как показали расчеты и анализ работы смоделированной схемы на ЭВМ, спроектированный усилитель низкой частоты удовлетворяет требованиям технического задания. Такие параметры усилителя, как коэффициент нелинейных искажений, коэффициент полезного действия, напряжение шумов, а также некоторые другие параметры и характеристики в данном курсовом проекте не рассчитывались ввиду отсутствия соответствующих требований в техническом задании.
Во время работы над данным курсовым проектом были углублены знания по аналоговой электронике, в частности по усилителям низкой частоты. Были приобретены навыки работы с программой Workbench, моделирующей работу электрических цепей.
Список литературы
1. Гусев В.Г., Гусев Ю.М. Электроника. – М.: «Высшая школа», 1991. – 617с.
2. Кофлин Р., Дрискол Ф. Операционные усилители. – М.: «Мир», 1979. – 356с.
3. Электронные схемы на операционных усилителях: Справочник / Щербаков В.И., Грездов Г.И. – Киев.: «Технiка», 1983. – 206с.
4. Нестеренко Б.К. Интегральные операционные усилители: Справочное пособие по применению. – М.: Энергоиздат, 1982. – 124с.
5. Гершунский Б.С. Справочник по расчету электронных схем – Киев.: «Вища школа», 1983 – 237с.
6. Cправочник радиолюбителя-конструктора . – 3-е изд., перераб. и доп. – М.: Радио и связь, 1984. – 560 с
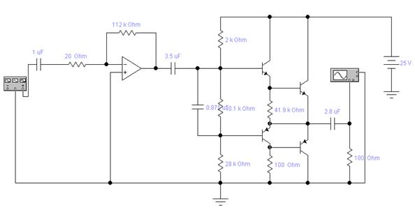
Приложение 1
Рисунок 2 – Модель проектируемого усилителя
Приложение 2
Рисунок 3 – Осциллограмма выходного сигнала
на нижней граничной частоте
Приложение 3
Рисунок 4 - Осциллограмма выходного сигнала на верхней граничной частоте
Приложение 4
Рисунок 5 – Амплитудно-частотная характеристика проектируемого усилителя